Aquí encontrará todas las piezas y dibujos técnicos disponibles de 'Bosch 0603939803 ( PDR9,6VE )'. Desde aquí podrá pedir todas las piezas deseadas directamente. Para muchas piezas de repuesto, es necesario pasar un pedido al fabricante. Dependiendo de la marca, el plazo de entrega puede variar entre una y cuatro semanas. Toda la información que tenemos está en nuestro sitio web. No podremos aconsejarle sobre lo que necesita hasta que entregue la máquina para su reparación. Tenga en cuenta lo siguiente a la hora de cursar su pedido:
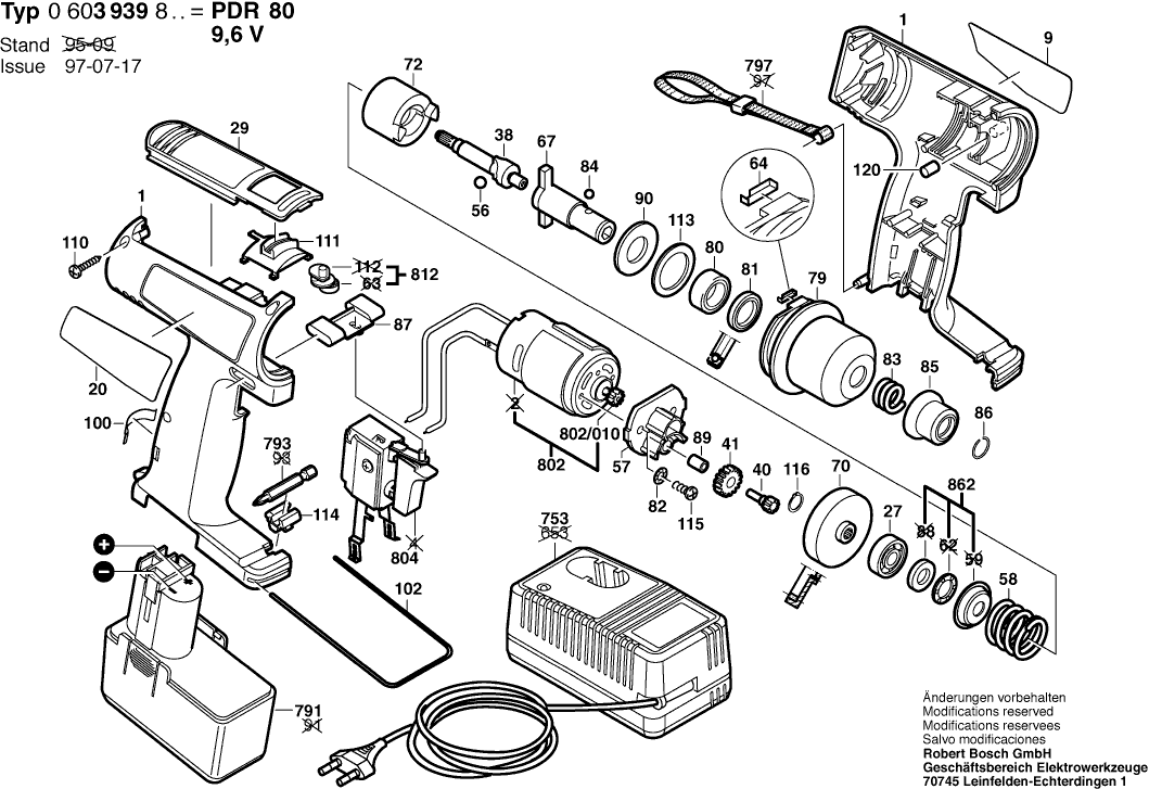
Dibujo técnico de los/las Bosch 0603939803 ( PDR9,6VE )
Lista de las piezas de repuesto de Bosch 0603939803 ( PDR9,6VE )
| Pos. | Descripción | Precio con el IVA excluido | Precio con el IVA incluido | |
| Los precios mostrados incluyen el IVA | ||||
| Sección del Caso VERDE | ||||
| 1 | 2605104468 | 12.41 | 15.02 | |
| Placa del fabricante LADO SOL | ||||
| 9 | 2601118638 | 2.24 | 2.71 | |
| Placa de referencia LADO SOMBRA | ||||
| 20 | 2601118639 | 2.24 | 2.71 | |
| RODAMIENTO DE BOLAS OSC 18 | ||||
| 27 | 1900900224 | 5.96 | 7.21 | |
| Pieza de Inserción NEGRO | ||||
| 29 | 2605510142 | 2.71 | 3.28 | |
| Eje intermedio | ||||
| 38 | 2603000016 | 20.42 | 24.71 | |
| Eje Dentado Z= 10 | ||||
| 40 | 2606309045 | 9.53 | 11.53 | |
| Engranaje Cilindrico Z=23 | ||||
| 41 | 2606319086 | 2.71 | 3.28 | |
| Pelota | ||||
| 56 | 1903230010 | 1.00 | 1.21 | |
| Brida intermedia negra | ||||
| 57 | 2605700231 | 1.18 | 1.43 | |
| Resorte de compresión | ||||
| 58 | 2604610037 | 2.24 | 2.71 | |
| Tapa de desgaste | ||||
| 64 | 2600509001 | 2.71 | 3.28 | |
| Mitad de Acoplamiento | ||||
| 67 | 2606445010 | 29.75 | 36.00 | |
| Engranaje Interno Z=46 | ||||
| 70 | 2606319085 | 9.53 | 11.53 | |
| Golpeador | ||||
| 72 | 2600322051 | 36.85 | 44.59 | |
| Caja de engranajes VERDE | ||||
| 79 | 2605806411 | 2.24 | 2.71 | |
| COJINETE DE MANGA | ||||
| 80 | 2605801018 | 1.18 | 1.43 | |
| Sello Radial | ||||
| 81 | 2601015062 | 1.94 | 2.35 | |
| Arandela de bloqueo dentada | ||||
| 82 | 2916070006 | 1.00 | 1.21 | |
| Resorte de compresión | ||||
| 83 | 2604619016 | 2.71 | 3.28 | |
| Pelota | ||||
| 84 | 1903230406 | 1.00 | 1.21 | |
| Manga cónica | ||||
| 85 | 2600400032 | 2.52 | 3.05 | |
| Anillo de retención | ||||
| 86 | 1600224025 | 2.18 | 2.64 | |
| Ya no disponible, sin reemplazo | ||||
| 87 | 2601099055 | |||
| COJINETE DE MANGA | ||||
| 89 | 2605801019 | 1.94 | 2.35 | |
| Arandela plana | ||||
| 90 | 2600100638 | 1.18 | 1.43 | |
| Resorte de abrazadera | ||||
| 100 | 2601322016 | 1.90 | 2.30 | |
| Soporte de retención | ||||
| 102 | 2601329041 | 1.32 | 1.60 | |
| Tornillo Torx con cabeza ovalada 4x30 | ||||
| 110 | 2603490018 | 1.00 | 1.21 | |
| Interruptor de cambio | ||||
| 111 | 2607200333 | 1.94 | 2.35 | |
| Disco de goma | ||||
| 113 | 2600100098 | 1.94 | 2.35 | |
| Soporte | ||||
| 114 | 2608040131 | 1.70 | 2.06 | |
| Tornillo de cabeza ovalada DIN 7985-M4x8-4.8-Z | ||||
| 115 | 2912301118 | 0.83 | 1.00 | |
| Anillo de bloqueo | ||||
| 116 | 2916640003 | 1.00 | 1.21 | |
| Parachoques de goma | ||||
| 120 | 2603100056 | 1.32 | 1.60 | |
| Cargador Rápido EU 230/7,2-24V, 1h | ||||
| 753 | 2607224425 | 130.32 | 157.69 | |
| Paquete de Batería Insertable 9,6V, 1,5 Ah, NiCd | ||||
| 791 | 2607336143 | 101.94 | 123.35 | |
| Lámina de destornillador 6 MM | ||||
| 793 | 2607000442 | 4.10 | 4.96 | |
| No hay información disponible, no se puede pedir | ||||
| 795 | 2608572075 | |||
| Ya no disponible, sin reemplazo | ||||
| 797 | 2601398009 | |||
| Motor de corriente continua 9,6V | ||||
| 802 | 2607022934 | 40.61 | 49.14 | |
| Piñón Z=13 | ||||
| 802/010 | 2606316147 | 4.70 | 5.69 | |
| Ya no disponible, sin reemplazo | ||||
| 804 | 2607200351 | |||
| Cortador de bordes | ||||
| 812 | 2606110900 | 13.93 | 16.86 | |
| Jaula de bolas | ||||
| 862 | 2600923006 | 4.10 | 4.96 | |
| No hay información disponible, no se puede pedir | ||||
| 899 | 0603940603 | |||