Aquí encontrará todas las piezas y dibujos técnicos disponibles de 'Bosch 3603CA2704 ( PWSUNIVERSAL+125 )'. Desde aquí podrá pedir todas las piezas deseadas directamente. Para muchas piezas de repuesto, es necesario pasar un pedido al fabricante. Dependiendo de la marca, el plazo de entrega puede variar entre una y cuatro semanas. Toda la información que tenemos está en nuestro sitio web. No podremos aconsejarle sobre lo que necesita hasta que entregue la máquina para su reparación. Tenga en cuenta lo siguiente a la hora de cursar su pedido:
Dibujo técnico de los/las Bosch 3603CA2704 ( PWSUNIVERSAL+125 )
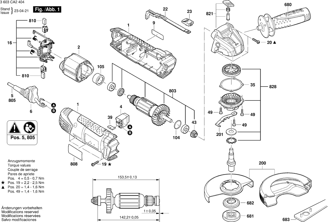
Lista de las piezas de repuesto de Bosch 3603CA2704 ( PWSUNIVERSAL+125 )
| Pos. | Descripción | Precio con el IVA excluido | Precio con el IVA incluido | |
| Los precios mostrados incluyen el IVA | ||||
| Caja de carcasa DUO 110 - Conjunto | ||||
| 1 | 2609004775 | 8.48 | 10.26 | |
| Campo 230V | ||||
| 2 | 2609005828 | 13.90 | 16.82 | |
| Interruptor | ||||
| 4 | 1607200325 | 13.90 | 16.82 | |
| Cable de alimentación | ||||
| 5 | 2609002907 | 9.47 | 11.46 | |
| OJAL | ||||
| 6 | 2609006376 | 1.00 | 1.21 | |
| Placa del fabricante GBH 2000 | ||||
| 9 | 2609004788 | 2.18 | 2.64 | |
| Placa del fabricante GBH 2000 | ||||
| 9 | 161111C04J | 2.18 | 2.64 | |
| PORTACEPILLO | ||||
| 16 | 2609004780 | 10.68 | 12.92 | |
| Tornillo Torx con cabeza ovalada 4x30 | ||||
| 19 | 2603490023 | 1.00 | 1.21 | |
| Tornillo Torx con cabeza ovalada 4x30 | ||||
| 20 | 2603490024 | 1.32 | 1.60 | |
| Palanca KA 65 | ||||
| 22 | 2609004779 | 1.00 | 1.21 | |
| Botón de interruptor | ||||
| 23 | 1600A007UL | 1.00 | 1.21 | |
| No hay información disponible, no se puede pedir | ||||
| 31 | 1600A00J95 | |||
| Husillo de rectificado | ||||
| 32 | 1607000D6A | 6.53 | 7.90 | |
| Arandela de compensación | ||||
| 35 | 2609002210 | 1.90 | 2.30 | |
| Arandela de compensación | ||||
| 35 | 2609002208 | 1.00 | 1.21 | |
| Arandela de compensación | ||||
| 35 | 2609002209 | 1.00 | 1.21 | |
| Arandela de compensación | ||||
| 35 | 1600A00RE3 | 1.00 | 1.21 | |
| Placa de protección | ||||
| 39 | 2609002762 | 1.00 | 1.21 | |
| Arandela 8X21X1 | ||||
| 43 | 16063332CN | 3.04 | 3.68 | |
| Tornillo Torx con cabeza ovalada 4x30 | ||||
| 49 | 2610386516 | 1.32 | 1.60 | |
| Anillo O | ||||
| 104 | 3600210127 | 1.00 | 1.21 | |
| Casquillo de goma | ||||
| 105 | 2609004785 | 1.00 | 1.21 | |
| Cubierta Protectora | ||||
| 200 | 2609002204 | 13.90 | 16.82 | |
| Cubierta protectora Ø125 MM | ||||
| 200 | 1600A02JM9 | 11.02 | 13.33 | |
| Resorte de Hoja | ||||
| 201 | 2609002205 | 4.58 | 5.54 | |
| Caja de transporte M | ||||
| 650 | 16054381FV | 41.30 | 49.97 | |
| Manija TSC 55 | ||||
| 680 | 2609002198 | 8.48 | 10.26 | |
| Tuerca redonda | ||||
| 681 | 1603345043 | 7.32 | 8.86 | |
| Brida de sujeción | ||||
| 682 | 2605703014 | 4.58 | 5.54 | |
| Llave de cara de tipo pin | ||||
| 683 | 1619P08927 | 3.71 | 4.49 | |
| Ensamblaje de armadura 230V | ||||
| 803 | 2609005827 | 22.88 | 27.68 | |
| Placa de identificación | ||||
| 808 | 160111A2TB | 2.18 | 2.64 | |
| KIT DE SERVICIO 115V | ||||
| 810 | 2609005200 | 5.96 | 7.21 | |
| Caja de engranajes | ||||
| 821 | 2609006425 | 13.90 | 16.82 | |
| Cubierta del cojinete RTS 400 REQ | ||||
| 828 | 2609002444 | 12.21 | 14.77 | |