Aquí encontrará todas las piezas y dibujos técnicos disponibles de 'Bosch 0600814103 ( AHR1100 )'. Desde aquí podrá pedir todas las piezas deseadas directamente. Para muchas piezas de repuesto, es necesario pasar un pedido al fabricante. Dependiendo de la marca, el plazo de entrega puede variar entre una y cuatro semanas. Toda la información que tenemos está en nuestro sitio web. No podremos aconsejarle sobre lo que necesita hasta que entregue la máquina para su reparación. Tenga en cuenta lo siguiente a la hora de cursar su pedido:
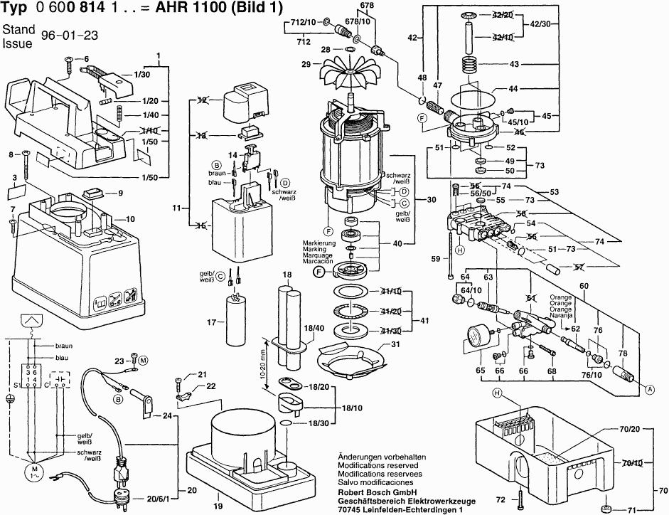
Dibujo técnico de los/las Bosch 0600814103 ( AHR1100 )
Lista de las piezas de repuesto de Bosch 0600814103 ( AHR1100 )
| Pos. | Descripción | Precio con el IVA excluido | Precio con el IVA incluido | |
| Los precios mostrados incluyen el IVA | ||||
| Carcasa Superior | ||||
| 1 | 1609350001 | 44.82 | 54.23 | |
| RODILLO | ||||
| 1/20 | 1609350003 | 7.58 | 9.17 | |
| Botón | ||||
| 1/30 | 1609350004 | 10.73 | 12.98 | |
| Resorte de compresión | ||||
| 1/40 | 1609350005 | 1.70 | 2.06 | |
| Placa del fabricante GBH 2000 | ||||
| 1/50 | 1601110972 | 2.71 | 3.28 | |
| Placa de identificación | ||||
| 3 | 1601118617 | 2.71 | 3.28 | |
| Tornillo de Cabeza Elevada Ø6x20 MM | ||||
| 6 | 1609350006 | 1.94 | 2.35 | |
| Tornillo de cabeza ovalada DIN 7985-M5x20-8.8-H | ||||
| 7 | 2910951162 | 4.10 | 4.96 | |
| Tornillo de Cabeza Ovalada M5x60 MM | ||||
| 8 | 1609350143 | 2.24 | 2.71 | |
| Tapa de sellado | ||||
| 9 | 1609350092 | 3.31 | 4.01 | |
| Carcasa intermedia | ||||
| 10 | 1609350295 | 67.25 | 81.37 | |
| Ya no disponible, sin reemplazo | ||||
| 11 | 1609350415 | |||
| Ya no disponible, sin reemplazo | ||||
| 14 | 1609350416 | |||
| Condensador de motor 25uF,50HZ | ||||
| 17 | 1609350015 | 23.75 | 28.74 | |
| Tubing De Plástico | ||||
| 18 | 1609350022 | 12.41 | 15.02 | |
| Montaje Del Tubo | ||||
| 18/10 | 1609350023 | 12.41 | 15.02 | |
| Sello | ||||
| 18/20 | 1609350178 | 5.83 | 7.05 | |
| Anillo de Sellado Plano | ||||
| 18/30 | 1609350179 | 1.94 | 2.35 | |
| Sello De Copa | ||||
| 18/40 | 1609350180 | 12.41 | 15.02 | |
| Carcasa intermedia | ||||
| 19 | 1609350007 | 20.42 | 24.71 | |
| Cable de alimentación L=5 M | ||||
| 20 | 1609350011 | 73.72 | 89.20 | |
| Tornillo Autoperforante ST Ø3x20 MM | ||||
| 21 | 1609350142 | 1.18 | 1.43 | |
| Abrazadera de Alivio de Tensión | ||||
| 22 | 1609350025 | 1.70 | 2.06 | |
| Tornillo de cabeza ovalada DIN 7985-M5x8-8.8-Z | ||||
| 23 | 2912311150 | 0.83 | 1.00 | |
| Guardacables | ||||
| 24 | 1609350166 | 7.58 | 9.17 | |
| Anillo de bloqueo | ||||
| 28 | 1609350016 | 2.24 | 2.71 | |
| Rueda de ventilador | ||||
| 29 | 1609350017 | 4.10 | 4.96 | |
| Motor Eléctrico 230V/50HZ | ||||
| 30 | 1609350296 | 209.26 | 253.20 | |
| Guarda salpicaduras | ||||
| 31 | 1609350093 | 3.31 | 4.01 | |
| Kit de reparación | ||||
| 40 | 1609350297 | 73.72 | 89.20 | |
| Rodamiento de agujas axial | ||||
| 41 | 1609350020 | 26.62 | 32.21 | |
| Bloque de cilindro | ||||
| 42 | 1609350021 | 81.47 | 98.58 | |
| Juego de piezas | ||||
| 42/30 | 1609350309 | 44.82 | 54.23 | |
| Resorte de compresión | ||||
| 43 | 1609350027 | 1.94 | 2.35 | |
| Ya no disponible, sin reemplazo | ||||
| 44 | 1609350098 | |||
| Tapón H03 Kiba DF700 | ||||
| 45 | 1609350308 | 5.83 | 7.05 | |
| Juego De Piezas Ø1,78xØ7,66 MM 3 PIEZAS | ||||
| 45/10 | 1609350081 | 5.83 | 7.05 | |
| Colador de filtro LHS 225 EQ | ||||
| 47 | 1609350032 | 9.53 | 11.53 | |
| Anillo de retención | ||||
| 48 | 1609350033 | 1.18 | 1.43 | |
| Ya no disponible, sin reemplazo | ||||
| 49 | 1609350035 | |||
| Ya no disponible, sin reemplazo | ||||
| 50 | 1609350036 | |||
| Ya no disponible, sin reemplazo | ||||
| 51 | 1609350038 | |||
| Ya no disponible, sin reemplazo | ||||
| 52 | 1609350039 | |||
| Cabeza de cilindro | ||||
| 53 | 1609350028 | 44.82 | 54.23 | |
| Set De Partes Ø1,78xØ11,11 MM 3 PIEZAS | ||||
| 54 | 1609350029 | 1.18 | 1.43 | |
| Ya no disponible, sin reemplazo | ||||
| 55 | 1609350037 | |||
| Tornillo de cabeza hexagonal | ||||
| 59 | 2910141218 | 2.18 | 2.64 | |
| Carcasa De La Válvula | ||||
| 60 | 1609350298 | 81.47 | 98.58 | |
| Válvula de Estrangulación de Flujo NARANJA | ||||
| 62 | 1609350304 | 5.83 | 7.05 | |
| Válvula de Modulación de Presión | ||||
| 63 | 1609350305 | 12.41 | 15.02 | |
| No hay información disponible, no se puede pedir | ||||
| 63/10 | 1609350177 | |||
| Ya no disponible, sin reemplazo | ||||
| 64 | 1609350306 | |||
| Conjunto de Piezas Ø2,4xØ16,6 MM 3 PIEZAS | ||||
| 64/10 | 1609350140 | 5.33 | 6.45 | |
| Ya no disponible, sin reemplazo | ||||
| 65 | 1609350307 | |||
| No hay información disponible, no se puede pedir | ||||
| 65/10 | 1609350175 | |||
| Tapón H03 Kiba DF700 | ||||
| 66 | 1609350308 | 5.83 | 7.05 | |
| Tornillo de cabeza hexagonal DIN 912-M6x35-8.8 | ||||
| 68 | 2910141207 | 1.94 | 2.35 | |
| Base de la Carcasa | ||||
| 70 | 1609350041 | 20.42 | 24.71 | |
| Ya no disponible, sin reemplazo | ||||
| 70/20 | 1609350068 | |||
| Pie De Caja | ||||
| 71 | 1609350069 | 2.71 | 3.28 | |
| Tornillo de cabeza ovalada DIN 7985-M6x20-8.8-Z | ||||
| 72 | 2912311201 | 1.18 | 1.43 | |
| Ya no disponible, sin reemplazo | ||||
| 73 | 1609350044 | |||
| Kit de reparación | ||||
| 74 | 1609350045 | 18.19 | 22.01 | |
| Manga de Empaque | ||||
| 76 | 1609350066 | 4.70 | 5.69 | |
| Juego de Piezas Ø2x10 MM 3 PIEZAS | ||||
| 76/10 | 1609350065 | 1.70 | 2.06 | |
| Conector de Entrada | ||||
| 78 | 1609350067 | 18.19 | 22.01 | |
| Manija TSC 55 | ||||
| 650 | 1609350199 | 148.65 | 179.87 | |
| Tubo De Conexión | ||||
| 650/12 | 1609350089 | 73.72 | 89.20 | |
| Tornillo Autoperforante ST Ø3x20 MM | ||||
| 650/15 | 1609350142 | 1.18 | 1.43 | |
| Manguera De Plástico L=9 M, MAX. 150 BAR | ||||
| 650/18 | 1609350504 | 91.56 | 110.79 | |
| Juego de Piezas Ø2xØ11 MM 3 PIEZAS | ||||
| 650/18/12 | 1609350074 | 7.58 | 9.17 | |
| Kit de reparación | ||||
| 650/19 | 1609350080 | 7.58 | 9.17 | |
| Juego de piezas | ||||
| 650/20 | 1609350176 | 15.71 | 19.01 | |
| Ya no disponible, sin reemplazo | ||||
| 650/40 | 1609350198 | |||
| Boquilla de Limpieza de Alta Presión VERDE | ||||
| 651 | 1609350292 | 81.47 | 98.58 | |
| Tuerca de retención de boquilla | ||||
| 651/10 | 1609350145 | 13.93 | 16.86 | |
| Juego de Piezas Ø2,0xØ18,0 MM 3 PIEZAS | ||||
| 651/20 | 1609350182 | 7.58 | 9.17 | |
| Juego de Piezas Ø1,78xØ18,77 MM 3 PIEZAS | ||||
| 651/30 | 1609350181 | 7.58 | 9.17 | |
| Dispositivo de pulverización de espuma | ||||
| 652 | 1609350047 | 29.75 | 36.00 | |
| Boquilla de un orificio | ||||
| 652/10 | 1609350104 | 1.18 | 1.43 | |
| Juego de piezas | ||||
| 652/90 | 1609350115 | 18.19 | 22.01 | |
| Pin de Limpieza | ||||
| 653 | 1609350124 | 7.58 | 9.17 | |
| Ya no disponible, sin reemplazo | ||||
| 678 | 0600800001 | |||
| Junta | ||||
| 678/10 | 1609351029 | 1.00 | 1.21 | |
| Ya no disponible, sin reemplazo | ||||
| 700 | 2609200276 | |||
| Ya no disponible, sin reemplazo | ||||
| 700/10 | 1609350078 | |||
| Ya no disponible, sin reemplazo | ||||
| 701 | 2607000190 | |||
| Ya no disponible, sin reemplazo | ||||
| 701/10 | 1609350300 | |||
| Ya no disponible, sin reemplazo | ||||
| 701/11 | 1609350301 | |||
| Tubo De Conexión | ||||
| 701/12 | 1609350302 | 130.32 | 157.69 | |
| Juego De Piezas Ø2xØ37 MM 3 PIEZAS | ||||
| 701/20 | 1609350084 | 7.58 | 9.17 | |
| Juego De Partes Ø1,78xØ34,65 MM 3 PIEZAS | ||||
| 701/30 | 1609350184 | 12.41 | 15.02 | |
| Ya no disponible, sin reemplazo | ||||
| 702 | 1609350053 | |||
| Ya no disponible, sin reemplazo | ||||
| 703 | 1609350156 | |||
| Junta Plana Ø15xØ24x3=3/4" | ||||
| 703/20 | 1609351002 | 1.94 | 2.35 | |
| Adaptador | ||||
| 703/30 | 1609350159 | 5.83 | 7.05 | |
| Ya no disponible, sin reemplazo | ||||
| 703/40 | 1609350078 | |||
| Ya no disponible, sin reemplazo | ||||
| 704 | 1609350126 | |||
| Soporte (b) | ||||
| 704/30 | 1609351014 | 17.60 | 21.30 | |
| Adaptador | ||||
| 704/40 | 1609350159 | 5.83 | 7.05 | |
| Ya no disponible, sin reemplazo | ||||
| 705 | 1609350054 | |||
| Ya no disponible, sin reemplazo | ||||
| 705/1 | 1609350055 | |||
| Boquilla de tubo | ||||
| 705/10 | 1609350137 | 49.56 | 59.97 | |
| Juego De Piezas Ø1,6xØ10 MM 3 PIEZAS | ||||
| 705/20 | 1609350088 | 1.18 | 1.43 | |
| Ya no disponible, sin reemplazo | ||||
| 706 | 1609350056 | |||
| Ya no disponible, sin reemplazo | ||||
| 707 | 1609350057 | |||
| Tuerca de retención de boquilla | ||||
| 707/10 | 1609350136 | 2.24 | 2.71 | |
| Ya no disponible, sin reemplazo | ||||
| 708 | 1609350119 | |||
| Tornillo De Sujeción | ||||
| 708/10 | 1609350120 | 10.73 | 12.98 | |
| Soporte de parada | ||||
| 708/20 | 1609350121 | 7.58 | 9.17 | |
| PIEZA POLAR | ||||
| 708/30 | 1609350122 | 11.88 | 14.37 | |
| Tapa de sellado | ||||
| 708/40 | 1609350123 | 1.94 | 2.35 | |
| Ya no disponible, sin reemplazo | ||||
| 709 | 2607000191 | |||
| Ensamblaje de Portainyector | ||||
| 709/10 | 1609350146 | 7.58 | 9.17 | |
| Toma de aire | ||||
| 709/11 | 1609350135 | 36.85 | 44.59 | |
| Tubo De Conexión | ||||
| 709/12 | 1609350303 | 33.45 | 40.47 | |
| Tornillo de cabeza ovalada DIN 7985-M4x20-8.8-Z | ||||
| 709/20 | 2912311130 | 11.88 | 14.37 | |
| Tuerca hexagonal | ||||
| 709/30 | 2915011005 | 1.00 | 1.21 | |
| Tornillo de placa | ||||
| 709/40 | 2912401005 | 1.00 | 1.21 | |
| Boquilla Blanca | ||||
| 709/50 | 1609350134 | 18.19 | 22.01 | |
| Juego de Piezas Ø2xØ11 MM 3 PIEZAS | ||||
| 709/60 | 1609350074 | 7.58 | 9.17 | |
| Carretilla de Equipos | ||||
| 710 | 2608005050 | 0.83 | 1.00 | |
| Tornillo de cabeza hexagonal | ||||
| 710/40 | 2910141203 | 1.32 | 1.60 | |
| Tuerca de mariposa DIN 1709 BM 6 VERZINKT | ||||
| 710/50 | 2915191106 | 1.18 | 1.43 | |
| PIEZA POLAR | ||||
| 710/60 | 1609351088 | 10.68 | 12.92 | |
| Ya no disponible, sin reemplazo | ||||
| 711 | 1609350128 | |||
| Juego de Piezas Ø2x10 MM 3 PIEZAS | ||||
| 711/10/10 | 1609350065 | 1.70 | 2.06 | |
| Kit de reparación | ||||
| 711/20 | 1609350169 | 12.41 | 15.02 | |
| Unidad de Dosificación | ||||
| 711/30 | 1609350170 | 12.41 | 15.02 | |
| Manguera | ||||
| 711/40 | 1609350171 | 9.53 | 11.53 | |
| Abrazadera de Manguera | ||||
| 711/50 | 1609350172 | 2.71 | 3.28 | |
| Ya no disponible, sin reemplazo | ||||
| 712 | 1609350060 | |||
| Junta Plana Ø15xØ24x3=3/4" | ||||
| 712/10 | 1609351002 | 1.94 | 2.35 | |
| Ya no disponible, sin reemplazo | ||||
| 713 | 1609350153 | |||
| Ya no disponible, sin reemplazo | ||||
| 714 | 1609350155 | |||
| Ya no disponible, sin reemplazo | ||||
| 715 | 1609350161 | |||
| Ya no disponible, sin reemplazo | ||||
| 716 | 1609350162 | |||
| Ya no disponible, sin reemplazo | ||||
| 717 | 1609350164 | |||