Aquí encontrará todas las piezas y dibujos técnicos disponibles de 'Bosch 0600815003 ( AHR1300 )'. Desde aquí podrá pedir todas las piezas deseadas directamente. Para muchas piezas de repuesto, es necesario pasar un pedido al fabricante. Dependiendo de la marca, el plazo de entrega puede variar entre una y cuatro semanas. Toda la información que tenemos está en nuestro sitio web. No podremos aconsejarle sobre lo que necesita hasta que entregue la máquina para su reparación. Tenga en cuenta lo siguiente a la hora de cursar su pedido:
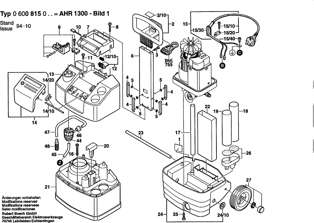
Dibujo técnico de los/las Bosch 0600815003 ( AHR1300 )
Lista de las piezas de repuesto de Bosch 0600815003 ( AHR1300 )
| Pos. | Descripción | Precio con el IVA excluido | Precio con el IVA incluido | |
| Los precios mostrados incluyen el IVA | ||||
| Placa de identificación | ||||
| 1 | 1601118452 | 2.71 | 3.28 | |
| Manija NEGRO | ||||
| 2 | 1609350316 | 13.93 | 16.86 | |
| Placa de Referencia | ||||
| 2/10 | 1601118479 | 2.71 | 3.28 | |
| Tornillo Autoperforante de Cabeza Alzada | ||||
| 3 | 1609350317 | 1.18 | 1.43 | |
| Guía de 350 mm | ||||
| 4 | 1609350318 | 1.94 | 2.35 | |
| Anillo O | ||||
| 5 | 1609350319 | 1.18 | 1.43 | |
| Tubo Rectangular | ||||
| 6 | 1609350320 | 8.45 | 10.22 | |
| Manija TSC 55 | ||||
| 7 | 1609350321 | 8.45 | 10.22 | |
| Tornillo Autoperforante de Cabeza Alzada | ||||
| 8 | 1609350322 | 1.18 | 1.43 | |
| Porta Botellas | ||||
| 9 | 1609350323 | 8.45 | 10.22 | |
| Pin de Limpieza | ||||
| 10 | 1609350324 | 1.18 | 1.43 | |
| Tornillo de Cabeza Elevada Ø6x20 MM | ||||
| 11 | 1609350006 | 1.94 | 2.35 | |
| Palanca de Liberación | ||||
| 12 | 1609350325 | 1.18 | 1.43 | |
| Resorte en espiral | ||||
| 12/10 | 1609350413 | 8.45 | 10.22 | |
| Caja Superior VERDE | ||||
| 13 | 1609350326 | 73.72 | 89.20 | |
| Ya no disponible, sin reemplazo | ||||
| 14 | 1609350327 | |||
| Ya no disponible, sin reemplazo | ||||
| 14/10 | 1609350328 | |||
| Muelle en espiral AGC 18 | ||||
| 14/20 | 1609350406 | 7.58 | 9.17 | |
| Cable de alimentación L=5 M | ||||
| 15 | 1609350372 | 12.41 | 15.02 | |
| Tornillo Autoperforante ST Ø3x20 MM | ||||
| 15/10 | 1609350142 | 1.18 | 1.43 | |
| Abrazadera de Alivio de Tensión | ||||
| 15/20 | 1609350025 | 1.70 | 2.06 | |
| Guardacables | ||||
| 15/30 | 1609350166 | 7.58 | 9.17 | |
| Tornillo de cabeza ovalada DIN 7985-M5x8-8.8-Z | ||||
| 15/40 | 2912311150 | 0.83 | 1.00 | |
| Tornillo Autoperforante de Cabeza Alzada | ||||
| 16 | 1609350329 | 1.18 | 1.43 | |
| Tubo | ||||
| 17 | 1609350330 | 1.94 | 2.35 | |
| Soporte para manguera | ||||
| 18 | 1609350331 | 5.33 | 6.45 | |
| Soporte para manguera | ||||
| 19 | 1609350332 | 2.24 | 2.71 | |
| Palanca de Control | ||||
| 20 | 1609350333 | 2.24 | 2.71 | |
| Caja Intermedia VERDE | ||||
| 21 | 1609350334 | 81.47 | 98.58 | |
| Tubo Rectangular | ||||
| 22 | 1609350335 | 15.71 | 19.01 | |
| BARRA TOMMY | ||||
| 23 | 1609350336 | 2.24 | 2.71 | |
| Base de la Caja NEGRO | ||||
| 24 | 1609350337 | 73.72 | 89.20 | |
| Collar de goma | ||||
| 24/10 | 1609350407 | 2.24 | 2.71 | |
| Tornillo Autoperforante de Cabeza Alzada | ||||
| 25 | 1609350338 | 1.18 | 1.43 | |
| CONEXIÓN | ||||
| 26 | 1609350339 | 2.71 | 3.28 | |
| Conjunto de ruedas | ||||
| 27 | 1609350340 | 23.75 | 28.74 | |
| Unidad de Interruptor | ||||
| 28 | 1609350341 | 148.65 | 179.87 | |
| Parte Superior del Alojamiento NEGRO | ||||
| 28/10 | 1609350364 | 3.31 | 4.01 | |
| Placa de cubierta | ||||
| 28/20 | 1609350365 | 2.24 | 2.71 | |
| Ya no disponible, sin reemplazo | ||||
| 28/30 | 1609350366 | |||
| Alojamiento NEGRO | ||||
| 28/40 | 1609350367 | 3.31 | 4.01 | |
| Arandela de Resorte Ø27,5x38,4 MM | ||||
| 28/50 | 1609350368 | 6.54 | 7.91 | |
| Condensador NEGRO | ||||
| 28/60 | 1609350369 | 23.75 | 28.74 | |
| CONDENSADOR | ||||
| 28/70 | 1609350370 | 23.75 | 28.74 | |
| PLACA DE BASE CPL USA | ||||
| 28/80 | 1609350371 | 11.88 | 14.37 | |
| Motor eléctrico 230V | ||||
| 29 | 1609350342 | 233.78 | 282.87 | |
| Kit de reparación | ||||
| 29/10 | 1609350343 | 73.72 | 89.20 | |
| Kit de reparación | ||||
| 31 | 1609350344 | 23.75 | 28.74 | |
| Anillo de bloqueo | ||||
| 32 | 1609350016 | 2.24 | 2.71 | |
| Rueda de ventilador | ||||
| 33 | 1609350017 | 4.10 | 4.96 | |
| Bloque de cilindro | ||||
| 35 | 1609350345 | 55.25 | 66.85 | |
| Kit de reparación | ||||
| 35/10 | 1609350410 | 9.53 | 11.53 | |
| Anillo O | ||||
| 35/100 | 1609350382 | 4.10 | 4.96 | |
| Ya no disponible, sin reemplazo | ||||
| 35/110 | 1609350035 | |||
| Ya no disponible, sin reemplazo | ||||
| 35/120 | 1609350036 | |||
| Sello | ||||
| 35/130 | 1609350383 | 20.42 | 24.71 | |
| Ya no disponible, sin reemplazo | ||||
| 35/20 | 1609350098 | |||
| Tapón H03 Kiba DF700 | ||||
| 35/30 | 1609350308 | 5.83 | 7.05 | |
| Bloque de cilindro | ||||
| 35/40 | 1609350377 | 40.61 | 49.14 | |
| Colador de filtro LHS 225 EQ | ||||
| 35/50 | 1609350032 | 9.53 | 11.53 | |
| Anillo de retención | ||||
| 35/60 | 1609350378 | 4.70 | 5.69 | |
| Adaptador roscado | ||||
| 35/70 | 1609350379 | 15.71 | 19.01 | |
| Sello | ||||
| 35/80 | 1609350380 | 5.33 | 6.45 | |
| Ya no disponible, sin reemplazo | ||||
| 35/90 | 1609350381 | |||
| Kit de reparación | ||||
| 36 | 1609350408 | 73.72 | 89.20 | |
| Brida Intermedia | ||||
| 37 | 1609350347 | 73.72 | 89.20 | |
| Cabeza de cilindro | ||||
| 38 | 1609350348 | 49.56 | 59.97 | |
| Anillo O | ||||
| 38/10 | 1609350384 | 4.10 | 4.96 | |
| Ya no disponible, sin reemplazo | ||||
| 38/100 | 1609350038 | |||
| Anillo O | ||||
| 38/20 | 1609350385 | 4.70 | 5.69 | |
| Manga | ||||
| 38/30 | 1609350386 | 11.02 | 13.33 | |
| Manga | ||||
| 38/40 | 1609350387 | 10.73 | 12.98 | |
| Arandela de empuje | ||||
| 38/50 | 1609350388 | 12.41 | 15.02 | |
| VÁLVULA | ||||
| 38/60 | 1609350389 | 9.53 | 11.53 | |
| CONEXIÓN | ||||
| 38/70 | 1609350390 | 5.33 | 6.45 | |
| Cabeza de cilindro | ||||
| 38/80 | 1609350391 | 101.94 | 123.35 | |
| TORNILLO M4X35 | ||||
| 38/90 | 1609350392 | 5.33 | 6.45 | |
| Ya no disponible, sin reemplazo | ||||
| 40 | 1609350307 | |||
| Anillo O | ||||
| 40/10 | 1609350350 | 4.70 | 5.69 | |
| Tapón H03 Kiba DF700 | ||||
| 41 | 1609350308 | 5.83 | 7.05 | |
| Manga | ||||
| 42 | 1609350351 | 8.45 | 10.22 | |
| Válvula de Control del Remolque | ||||
| 43 | 1609350352 | 233.78 | 282.87 | |
| Carcasa De La Válvula | ||||
| 43/10 | 1609350393 | 101.94 | 123.35 | |
| PEZÓN | ||||
| 43/100 | 1609350402 | 9.53 | 11.53 | |
| Tuerca de unión para acoplamiento rápido | ||||
| 43/110 | 1609350403 | 23.75 | 28.74 | |
| Anillo O | ||||
| 43/120 | 1609350350 | 4.70 | 5.69 | |
| Estrangulador de Flujo | ||||
| 43/20 | 1609350394 | 33.45 | 40.47 | |
| Cono de válvula | ||||
| 43/30 | 1609350400 | 23.75 | 28.74 | |
| Enchufe | ||||
| 43/40 | 1609350395 | 15.71 | 19.01 | |
| Ya no disponible, sin reemplazo | ||||
| 43/50 | 1609350396 | |||
| Enchufe | ||||
| 43/70 | 1609350398 | 7.58 | 9.17 | |
| TORNILLO M4X35 | ||||
| 43/80 | 1609350399 | 1.94 | 2.35 | |
| Conexión de manguera | ||||
| 43/90 | 1609350401 | 18.19 | 22.01 | |
| Dispositivo Dosificador | ||||
| 44 | 1609350353 | 26.84 | 32.48 | |
| Manguera | ||||
| 45 | 1609350354 | 7.58 | 9.17 | |
| Glándula de compresión | ||||
| 46 | 1609350355 | 7.58 | 9.17 | |
| Manguera | ||||
| 47 | 1609350356 | 6.54 | 7.91 | |
| Filtro | ||||
| 48 | 1609350357 | 10.73 | 12.98 | |
| Conjunto de asas | ||||
| 650 | 1609350310 | 148.65 | 179.87 | |
| Tubo De Conexión | ||||
| 650/12 | 1609350089 | 73.72 | 89.20 | |
| Tornillo Autoperforante ST Ø3x20 MM | ||||
| 650/15 | 1609350142 | 1.18 | 1.43 | |
| Manguera De Plástico L=9 M, MAX. 150 BAR | ||||
| 650/18 | 1609350504 | 91.56 | 110.79 | |
| Juego de Piezas Ø2xØ11 MM 3 PIEZAS | ||||
| 650/18/12 | 1609350074 | 7.58 | 9.17 | |
| Ya no disponible, sin reemplazo | ||||
| 650/18/17 | 1609350078 | |||
| Kit de reparación | ||||
| 650/19 | 1609350080 | 7.58 | 9.17 | |
| Juego de piezas | ||||
| 650/20 | 1609350176 | 15.71 | 19.01 | |
| Ya no disponible, sin reemplazo | ||||
| 650/40 | 1609350198 | |||
| Boquilla de Limpieza de Alta Presión | ||||
| 651 | 1609350311 | 81.47 | 98.58 | |
| Tuerca de retención de boquilla | ||||
| 651/10 | 1609350145 | 13.93 | 16.86 | |
| Ya no disponible, sin reemplazo | ||||
| 651/11 | 1609350078 | |||
| Juego de Piezas Ø2,0xØ18,0 MM 3 PIEZAS | ||||
| 651/20 | 1609350182 | 7.58 | 9.17 | |
| Juego de Piezas Ø1,78xØ18,77 MM 3 PIEZAS | ||||
| 651/30 | 1609350181 | 7.58 | 9.17 | |
| Boquilla Blanca | ||||
| 653 | F016102635 | 168.86 | 204.32 | |
| Ya no disponible, sin reemplazo | ||||
| 653/10 | 1609350414 | |||
| Ya no disponible, sin reemplazo | ||||
| 653/11 | 1609350078 | |||
| Tubo De Conexión | ||||
| 653/12 | 1609350411 | 49.56 | 59.97 | |
| Ya no disponible, sin reemplazo | ||||
| 653/13 | 1609350412 | |||
| Juego de Piezas Ø2,0xØ18,0 MM 3 PIEZAS | ||||
| 653/20 | 1609350182 | 7.58 | 9.17 | |
| Juego de Piezas Ø1,78xØ18,77 MM 3 PIEZAS | ||||
| 653/30 | 1609350181 | 7.58 | 9.17 | |
| Ya no disponible, sin reemplazo | ||||
| 678 | 0600800001 | |||
| Junta | ||||
| 678/10 | 1609351029 | 1.00 | 1.21 | |
| Ya no disponible, sin reemplazo | ||||
| 700 | 2609200276 | |||
| Ya no disponible, sin reemplazo | ||||
| 700/10 | 1609350078 | |||
| Ya no disponible, sin reemplazo | ||||
| 702 | 1609350053 | |||
| Ya no disponible, sin reemplazo | ||||
| 702/80 | 1609350078 | |||
| Ya no disponible, sin reemplazo | ||||
| 703 | 1609350156 | |||
| Junta Plana Ø15xØ24x3=3/4" | ||||
| 703/20 | 1609351002 | 1.94 | 2.35 | |
| Adaptador | ||||
| 703/30 | 1609350159 | 5.83 | 7.05 | |
| Ya no disponible, sin reemplazo | ||||
| 703/40 | 1609350078 | |||
| Ya no disponible, sin reemplazo | ||||
| 704 | 1609350126 | |||
| Junta Plana Ø15xØ24x3=3/4" | ||||
| 704/20 | 1609351002 | 1.94 | 2.35 | |
| Soporte (b) | ||||
| 704/30 | 1609351014 | 17.60 | 21.30 | |
| Adaptador | ||||
| 704/40 | 1609350159 | 5.83 | 7.05 | |
| Ya no disponible, sin reemplazo | ||||
| 704/50 | 1609350078 | |||
| Ya no disponible, sin reemplazo | ||||
| 705 | 1609350054 | |||
| Ya no disponible, sin reemplazo | ||||
| 705/1 | 1609350055 | |||
| Boquilla de tubo | ||||
| 705/10 | 1609350137 | 49.56 | 59.97 | |
| Juego De Piezas Ø1,6xØ10 MM 3 PIEZAS | ||||
| 705/20 | 1609350088 | 1.18 | 1.43 | |
| Ya no disponible, sin reemplazo | ||||
| 705/60 | 1609350078 | |||
| Ya no disponible, sin reemplazo | ||||
| 706 | 2609200277 | |||
| Ya no disponible, sin reemplazo | ||||
| 706/60 | 1609350078 | |||
| Ya no disponible, sin reemplazo | ||||
| 707 | 1609350057 | |||
| Tuerca de retención de boquilla | ||||
| 707/10 | 1609350136 | 2.24 | 2.71 | |
| Ya no disponible, sin reemplazo | ||||
| 707/60 | 1609350078 | |||
| Ya no disponible, sin reemplazo | ||||
| 708 | 1609350119 | |||
| Tornillo De Sujeción | ||||
| 708/10 | 1609350120 | 10.73 | 12.98 | |
| Soporte de parada | ||||
| 708/20 | 1609350121 | 7.58 | 9.17 | |
| PIEZA POLAR | ||||
| 708/30 | 1609350122 | 11.88 | 14.37 | |
| Tapa de sellado | ||||
| 708/40 | 1609350123 | 1.94 | 2.35 | |
| Ya no disponible, sin reemplazo | ||||
| 709 | 1609350188 | |||
| Ensamblaje de Portainyector | ||||
| 709/10 | 1609350146 | 7.58 | 9.17 | |
| Toma de aire | ||||
| 709/11 | 1609350135 | 36.85 | 44.59 | |
| Tubo De Conexión | ||||
| 709/12 | 1609350192 | 33.45 | 40.47 | |
| Ya no disponible, sin reemplazo | ||||
| 709/13 | 1609350078 | |||
| Tornillo de cabeza ovalada DIN 7985-M4x20-8.8-Z | ||||
| 709/20 | 2912311130 | 11.88 | 14.37 | |
| Tuerca hexagonal | ||||
| 709/30 | 2915011005 | 1.00 | 1.21 | |
| Tornillo de placa | ||||
| 709/40 | 2912401005 | 1.00 | 1.21 | |
| Boquilla Blanca | ||||
| 709/50 | 1609350134 | 18.19 | 22.01 | |
| Juego de Piezas Ø2xØ11 MM 3 PIEZAS | ||||
| 709/60 | 1609350074 | 7.58 | 9.17 | |
| Ya no disponible, sin reemplazo | ||||
| 712 | 1609350060 | |||
| Junta Plana Ø15xØ24x3=3/4" | ||||
| 712/10 | 1609351002 | 1.94 | 2.35 | |
| Ya no disponible, sin reemplazo | ||||
| 717 | 1609350164 | |||
| Ya no disponible, sin reemplazo | ||||
| 717/60 | 1609350078 | |||
| Ya no disponible, sin reemplazo | ||||
| 754 | 1609350153 | |||
| Ya no disponible, sin reemplazo | ||||
| 754/1 | 1609350155 | |||
| Ya no disponible, sin reemplazo | ||||
| 755 | 2601398012 | |||
| Ya no disponible, sin reemplazo | ||||
| 760 | 1609350161 | |||
| Ya no disponible, sin reemplazo | ||||
| 760/1 | 1609350162 | |||
| Envase 0,55 LITROS, 12 PZS. | ||||
| 898 | 1609350189 | 7.58 | 9.17 | |