Aquí encontrará todas las piezas y dibujos técnicos disponibles de 'Bosch 0602492612 ( ANGLEEXACT7-900 )'. Desde aquí podrá pedir todas las piezas deseadas directamente. Para muchas piezas de repuesto, es necesario pasar un pedido al fabricante. Dependiendo de la marca, el plazo de entrega puede variar entre una y cuatro semanas. Toda la información que tenemos está en nuestro sitio web. No podremos aconsejarle sobre lo que necesita hasta que entregue la máquina para su reparación. Tenga en cuenta lo siguiente a la hora de cursar su pedido:
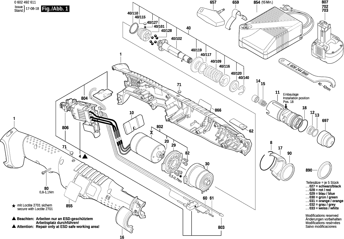
Dibujo técnico de los/las Bosch 0602492612 ( ANGLEEXACT7-900 )
Lista de las piezas de repuesto de Bosch 0602492612 ( ANGLEEXACT7-900 )
| Pos. | Descripción | Precio con el IVA excluido | Precio con el IVA incluido | |
| Los precios mostrados incluyen el IVA | ||||
| Sección de la carcasa | ||||
| 1 | 3609202A45 | 61.93 | 74.94 | |
| Ensamblaje Electrónico | ||||
| 4 | 3607200120 | 553.26 | 669.44 | |
| Anillo de retención | ||||
| 8 | 1614601016 | 2.52 | 3.05 | |
| Deslizador de interruptor | ||||
| 10 | 3601099003 | 2.52 | 3.05 | |
| Brida en Ángulo | ||||
| 11 | 3605700165 | 61.93 | 74.94 | |
| RODAMIENTO DE BOLAS OSC 18 | ||||
| 12 | 1280905004 | 30.08 | 36.40 | |
| Anillo de bloqueo | ||||
| 13 | 2916660003 | 1.32 | 1.60 | |
| MANGUITO EXCÉNTRICO | ||||
| 14 | 3600423004 | 5.27 | 6.38 | |
| Resorte de compresión | ||||
| 15 | 3604611037 | 4.58 | 5.54 | |
| Soporte de Led | ||||
| 16 | 3605105019 | 9.47 | 11.46 | |
| Soporte de Led | ||||
| 17 | 3605105020 | 9.47 | 11.46 | |
| Anillo O | ||||
| 18 | 3600210012 | 2.52 | 3.05 | |
| Arandela 8X21X1 | ||||
| 20 | 3606309061 | 50.23 | 60.78 | |
| Brida Intermedia | ||||
| 29 | 2605719011 | 3.04 | 3.68 | |
| Tren De Engranajes Planetarios | ||||
| 30 | 3607030472 | 67.98 | 82.26 | |
| Kit de montaje | ||||
| 40 | 3607031568 | 210.30 | 254.46 | |
| Elemento de embrague SW22 | ||||
| 40/101 | 3606445043 | 114.26 | 138.25 | |
| EJE DE SALIDA SA | ||||
| 40/102 | 3603124023 | 75.38 | 91.21 | |
| Resorte de compresión | ||||
| 40/109 | 3604619003 | 5.27 | 6.38 | |
| Anillo de retención | ||||
| 40/110 | 3600224053 | 1.32 | 1.60 | |
| PLACA DE PARADA | ||||
| 40/115 | 3601023011 | 2.18 | 2.64 | |
| Anillo de Ajuste | ||||
| 40/116 | 3600134014 | 30.08 | 36.40 | |
| Disco de soporte | ||||
| 40/119 | 3600190036 | 6.54 | 7.91 | |
| Arandela de retención 1,8 MM DE ESPESOR | ||||
| 40/120 | 3603344047 | 22.88 | 27.68 | |
| Pelota | ||||
| 40/127 | 1903230006 | 1.90 | 2.30 | |
| Pelota | ||||
| 40/128 | 1903230008 | 1.00 | 1.21 | |
| Anillo de bloqueo | ||||
| 40/140 | 2916080012 | 1.32 | 1.60 | |
| Elemento de conmutación | ||||
| 60 | 3601923022 | 4.58 | 5.54 | |
| Resorte de compresión | ||||
| 61 | 3604611022 | 3.04 | 3.68 | |
| Empujador | ||||
| 62 | 3601923029 | 4.58 | 5.54 | |
| Conductor de luz TSC 55 | ||||
| 71 | 3604460132 | 2.52 | 3.05 | |
| Tornillo Torx con cabeza ovalada 4x30 | ||||
| 80 | 2603490018 | 1.00 | 1.21 | |
| Tornillo de cabeza cilíndrica Torx M3x5-8.8-Z | ||||
| 82 | 2603414048 | 1.00 | 1.21 | |
| Correa | ||||
| 90 | 3600106024 | 2.52 | 3.05 | |
| Destornillador Torx 20 | ||||
| 657 | 3607950027 | 13.90 | 16.82 | |
| Bucle de suspensión | ||||
| 659 | 3601923024 | 9.47 | 11.46 | |
| Tapa protectora | ||||
| 697 | 3608872557 | 2.52 | 3.05 | |
| Paquete de Batería Deslizante | ||||
| 703 | 2607335681 | 189.28 | 229.03 | |
| Motor de corriente continua | ||||
| 802 | 3607031633 | 234.56 | 283.82 | |
| Arnés de cables DUO 110 | ||||
| 803 | 3609202B02 | 82.63 | 99.98 | |
| Arnés de cables DUO 110 | ||||
| 804 | 3609202B03 | 15.61 | 18.89 | |
| Retenedor de Contacto | ||||
| 806 | 1609280416 | 8.48 | 10.26 | |
| Cargador Rápido CN GAL 1230 CV 220/12 V | ||||
| 854 | 2607224435 | 126.98 | 153.65 | |
| Cargador Rápido CN GAL 1230 CV 220/12 V | ||||
| 854 | 2607225027 | 126.98 | 153.65 | |
| Cargador rápido GB 230/7,2-24V, 30 min | ||||
| 854 | 2607225029 | 101.94 | 123.35 | |
| Cargador Rápido CN GAL 1230 CV 220/12 V | ||||
| 854 | 2607225031 | 101.94 | 123.35 | |
| Cargador rápido USA 120/7,2-24V, 30 min | ||||
| 854 | 2607225033 | 101.94 | 123.35 | |
| Cargador Rápido ROK 220/7,2-24V, 30 MIN. | ||||
| 854 | 2607225039 | 91.56 | 110.79 | |
| Placa de identificación | ||||
| 855 | 3601119475 | 8.45 | 10.22 | |
| Placa del fabricante GBH 2000 | ||||
| 866 | 3601110525 | 4.58 | 5.54 | |
| Juego de piezas | ||||
| 890 | 3600106031 | 22.88 | 27.68 | |
| Juego de piezas | ||||
| 890 | 3600106032 | 20.39 | 24.67 | |
| Juego de piezas | ||||
| 890 | 3600106029 | 20.39 | 24.67 | |
| Juego de piezas | ||||
| 890 | 3600106030 | 20.39 | 24.67 | |
| Juego de piezas | ||||
| 890 | 3600106027 | 20.39 | 24.67 | |
| Juego de piezas | ||||
| 890 | 3600106028 | 17.60 | 21.30 | |
| Juego de piezas | ||||
| 890 | 3600106033 | 17.60 | 21.30 | |