Aquí encontrará todas las piezas y dibujos técnicos disponibles de 'Bosch 0600825103 ( ART30DF )'. Desde aquí podrá pedir todas las piezas deseadas directamente. Para muchas piezas de repuesto, es necesario pasar un pedido al fabricante. Dependiendo de la marca, el plazo de entrega puede variar entre una y cuatro semanas. Toda la información que tenemos está en nuestro sitio web. No podremos aconsejarle sobre lo que necesita hasta que entregue la máquina para su reparación. Tenga en cuenta lo siguiente a la hora de cursar su pedido:
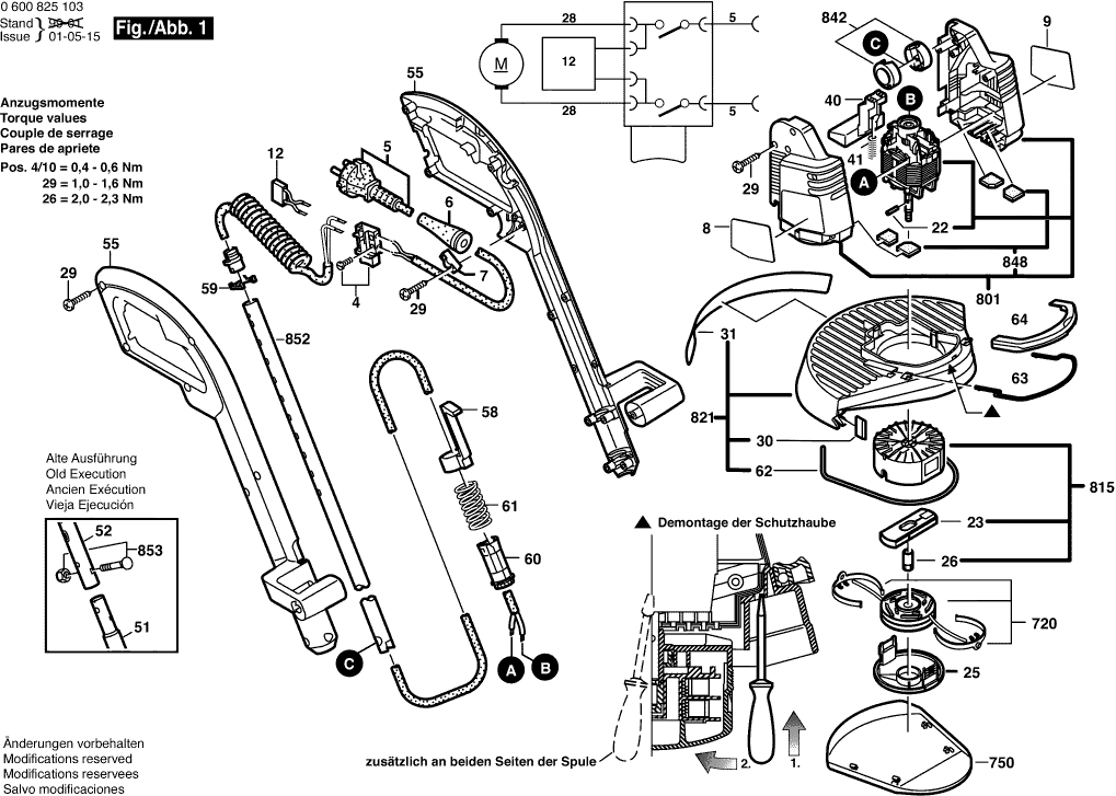
Dibujo técnico de los/las Bosch 0600825103 ( ART30DF )
Lista de las piezas de repuesto de Bosch 0600825103 ( ART30DF )
| Pos. | Descripción | Precio con el IVA excluido | Precio con el IVA incluido | |
| Los precios mostrados incluyen el IVA | ||||
| Ya no disponible, sin reemplazo | ||||
| 4 | 1607200116 | |||
| Ya no disponible, sin reemplazo | ||||
| 5 | 2604460255 | |||
| OJAL | ||||
| 6 | 1600703026 | 1.90 | 2.30 | |
| Clip de cable | ||||
| 7 | 2601035001 | 1.32 | 1.60 | |
| Placa de identificación | ||||
| 8 | 1601118428 | 1.94 | 2.35 | |
| Placa del fabricante GBH 2000 | ||||
| 9 | 1601118434 | 1.94 | 2.35 | |
| Ya no disponible, sin reemplazo | ||||
| 12 | 1607328028 | |||
| Pasador de Resorte Ranurado 3x16 DIN 1481 | ||||
| 22 | 2917760079 | 0.83 | 1.00 | |
| Deslizar * | ||||
| 23 | 1601099025 | 1.18 | 1.43 | |
| Ya no disponible, sin reemplazo | ||||
| 25 | 1605500191 | |||
| Tuerca de Plástico M6 | ||||
| 26 | 1603349020 | 2.71 | 3.28 | |
| Tornillo de engrase AW 10 3x25 | ||||
| 29 | 2914201506 | 1.00 | 1.21 | |
| Placa cortadora | ||||
| 30 | 1608635042 | 2.71 | 3.28 | |
| Placa de Referencia | ||||
| 31 | 1601118435 | 2.71 | 3.28 | |
| Palanca de Liberación | ||||
| 40 | 1601990003 | 2.71 | 3.28 | |
| Resorte de compresión | ||||
| 41 | 1604610017 | 1.18 | 1.43 | |
| Cubierta del mango VERDE | ||||
| 55 | 1605133043 | 13.93 | 16.86 | |
| Manga de guía NEGRO | ||||
| 58 | 1600499008 | 2.24 | 2.71 | |
| Placa límite RTSC/DTSC/ETSC | ||||
| 59 | 1602388032 | 1.18 | 1.43 | |
| Manga de resorte | ||||
| 60 | 1600499009 | 1.94 | 2.35 | |
| Resorte de compresión | ||||
| 61 | 1604615013 | 2.24 | 2.71 | |
| Soporte de Guía | ||||
| 62 | 1604690011 | 4.10 | 4.96 | |
| Ya no disponible, sin reemplazo | ||||
| 63 | 1604690013 | |||
| Ya no disponible, sin reemplazo | ||||
| 64 | 1608640080 | |||
| Ya no disponible, sin reemplazo | ||||
| 720 | 1608190020 | |||
| Ya no disponible, sin reemplazo | ||||
| 750 | 1608190023 | |||
| Caja del Motor VERDE | ||||
| 801 | 1607000325 | 67.25 | 81.37 | |
| Ya no disponible, sin reemplazo | ||||
| 815 | 1606610139 | |||
| Cubierta Protectora | ||||
| 821 | 1605510247 | 22.88 | 27.68 | |
| Disco De Cierre | ||||
| 842 | 1600190033 | 2.71 | 3.28 | |
| Placa de goma | ||||
| 848 | 1601006009 | 1.94 | 2.35 | |
| Tubo de guía | ||||
| 852 | 1607000868 | 13.93 | 16.86 | |
| Tornillo de cabeza plana | ||||
| 853 | 1607000255 | 5.83 | 7.05 | |