Aquí encontrará todas las piezas y dibujos técnicos disponibles de 'Bosch 0603998103 ( CSB6-20RE )'. Desde aquí podrá pedir todas las piezas deseadas directamente. Para muchas piezas de repuesto, es necesario pasar un pedido al fabricante. Dependiendo de la marca, el plazo de entrega puede variar entre una y cuatro semanas. Toda la información que tenemos está en nuestro sitio web. No podremos aconsejarle sobre lo que necesita hasta que entregue la máquina para su reparación. Tenga en cuenta lo siguiente a la hora de cursar su pedido:
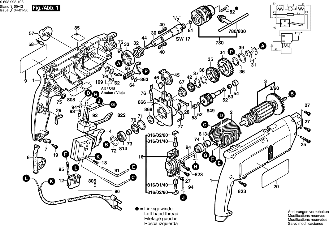
Dibujo técnico de los/las Bosch 0603998103 ( CSB6-20RE )
Lista de las piezas de repuesto de Bosch 0603998103 ( CSB6-20RE )
| Pos. | Descripción | Precio con el IVA excluido | Precio con el IVA incluido | |
| Los precios mostrados incluyen el IVA | ||||
| Ya no disponible, sin reemplazo | ||||
| 1 | 2605104334 | |||
| Campo 230V | ||||
| 2 | 1604220254 | 20.39 | 24.67 | |
| Ya no disponible, sin reemplazo | ||||
| 3 | 2604010862 | |||
| Ventilador Sunon PMD2412PMB1-A | ||||
| 3/60 | 2606610029 | 2.18 | 2.64 | |
| Interruptor | ||||
| 4 | 2607200190 | 55.56 | 67.23 | |
| OJAL | ||||
| 6 | 2600707059 | 3.04 | 3.68 | |
| Clip de cable | ||||
| 7 | 2601035001 | 1.32 | 1.60 | |
| Placa del fabricante LADO SOL | ||||
| 9 | 2601118990 | 2.71 | 3.28 | |
| Ya no disponible, sin reemplazo | ||||
| 12 | 2607329114 | |||
| Placa del cepillo | ||||
| 16 | 2604992608 | 0.83 | 1.00 | |
| Tornillo de cabeza cilíndrica | ||||
| 18 | 2603410001 | 1.32 | 1.60 | |
| Tornillo auto roscante DIN 7981-ST3,9x16-C-H | ||||
| 19 | 2910611019 | 2.52 | 3.05 | |
| Placa de referencia LADO SOMBRA | ||||
| 20 | 2601118563 | 1.94 | 2.35 | |
| Tornillo Torx con cabeza ovalada 4x30 | ||||
| 25 | 2603490019 | 1.00 | 1.21 | |
| Tornillo Torx con cabeza ovalada 4x30 | ||||
| 27 | 2603490018 | 1.00 | 1.21 | |
| Tornillo de cabeza cilíndrica | ||||
| 28 | 2603429005 | 1.32 | 1.60 | |
| Ya no disponible, sin reemplazo | ||||
| 29 | 2601022000 | |||
| Husillo de perforación 1/2", SW 17 ROSCA INTERIOR | ||||
| 30 | 2606135044 | 13.93 | 16.86 | |
| Arandela de bloqueo 0,3 MM | ||||
| 31 | 2600118006 | 1.70 | 2.06 | |
| Anillo de bloqueo | ||||
| 31 | 2600118002 | 1.32 | 1.60 | |
| Anillo de bloqueo | ||||
| 31 | 2600118001 | 1.00 | 1.21 | |
| Resorte de compresión | ||||
| 32 | 2604616002 | 1.32 | 1.60 | |
| RODAMIENTO DE BOLAS OSC 18 | ||||
| 33 | 1900905163 | 9.47 | 11.46 | |
| Engranaje Cilíndrico | ||||
| 34 | 2606317045 | 9.47 | 11.46 | |
| Engranaje cilíndrico Z=36 | ||||
| 35 | 2606317037 | 23.75 | 28.74 | |
| Arandela de compensación | ||||
| 36 | 2600101515 | 1.00 | 1.21 | |
| Anillo de bloqueo | ||||
| 37 | 2916650006 | 1.32 | 1.60 | |
| Arandela de retención 1,8 MM DE ESPESOR | ||||
| 39 | 2600101671 | 1.32 | 1.60 | |
| Llave Plana | ||||
| 40 | 2602300028 | 4.10 | 4.96 | |
| Disco De Cierre | ||||
| 42 | 2600190052 | 5.33 | 6.45 | |
| Pelota | ||||
| 44 | 1903230010 | 1.00 | 1.21 | |
| Ya no disponible, sin reemplazo | ||||
| 45 | 2601990001 | |||
| Placa de presión ISC 240 completa | ||||
| 46 | 2601074003 | 1.00 | 1.21 | |
| Arandela de compensación | ||||
| 52 | 2600100607 | 1.32 | 1.60 | |
| Manga de aguja AGC 18 | ||||
| 53 | 2600914010 | 2.52 | 3.05 | |
| Manga de cojinete | ||||
| 54 | 2600400027 | 3.71 | 4.49 | |
| Ya no disponible, sin reemplazo | ||||
| 56 | 2602033005 | |||
| Cabeza Rotativa | ||||
| 57 | 2602026091 | 4.10 | 4.96 | |
| Capucha de trinquete | ||||
| 58 | 2600590006 | 1.32 | 1.60 | |
| Pasador de conducción | ||||
| 62 | 2601335001 | 1.90 | 2.30 | |
| Arandela de ajuste 0,4 MM DE ESPESOR | ||||
| 64 | 2600100618 | 1.00 | 1.21 | |
| Ya no disponible, sin reemplazo | ||||
| 67 | 2600190057 | |||
| Arandela cóncava | ||||
| 70 | 2600500014 | 1.18 | 1.43 | |
| Anillo O | ||||
| 71 | 1900210117 | 3.04 | 3.68 | |
| Anillo de bloqueo | ||||
| 72 | 2916660008 | 1.90 | 2.30 | |
| Receptáculo | ||||
| 73 | 2600400008 | 1.32 | 1.60 | |
| Ya no disponible, sin reemplazo | ||||
| 74 | 2600222002 | |||
| Ya no disponible, sin reemplazo | ||||
| 75 | 2600210036 | |||
| Tira de fieltro | ||||
| 76 | 2601005011 | 1.70 | 2.06 | |
| Tira de fieltro | ||||
| 77 | 2601005016 | 1.18 | 1.43 | |
| Anillo de retención | ||||
| 81 | 2604601004 | 1.32 | 1.60 | |
| Ya no disponible, sin reemplazo | ||||
| 82 | 2603421208 | |||
| Pegatina | ||||
| 85 | 2601110117 | 1.18 | 1.43 | |
| Ya no disponible, sin reemplazo | ||||
| 90 | 2604448060 | |||
| Ya no disponible, sin reemplazo | ||||
| 91 | 2604448045 | |||
| Cable de conexión | ||||
| 92 | 2604448034 | 1.32 | 1.60 | |
| Cable de conexión | ||||
| 93 | 2604448132 | 1.00 | 1.21 | |
| Cable de conexión MX 1200/2 E EF | ||||
| 94 | 2604448115 | 1.00 | 1.21 | |
| Ya no disponible, sin reemplazo | ||||
| 95 | 2604448170 | |||
| Mango auxiliar M10 | ||||
| 753 | 1619PB4323 | 8.48 | 10.26 | |
| Tuerca hexagonal | ||||
| 753/20 | 2915011007 | 1.00 | 1.21 | |
| Tornillo de mariposa | ||||
| 753/30 | 1613480007 | 1.32 | 1.60 | |
| Ya no disponible, sin reemplazo | ||||
| 753/50 | 2608040014 | |||
| Tornillo de mariposa | ||||
| 753/60 | 1613480008 | 1.32 | 1.60 | |
| Ya no disponible, sin reemplazo | ||||
| 754 | 2607000122 | |||
| Ya no disponible, sin reemplazo | ||||
| 755 | 1613001005 | |||
| Mandril | ||||
| 780 | 1608571069 | 22.88 | 27.68 | |
| Llave de mandril | ||||
| 780/800 | 2607950007 | 5.96 | 7.21 | |
| Cable de alimentación | ||||
| 805 | 1607000386 | 17.60 | 21.30 | |
| Placa de identificación | ||||
| 808 | 160111A3H3 | 2.18 | 2.64 | |
| Ya no disponible, sin reemplazo | ||||
| 813 | 2600917902 | |||
| RODAMIENTO DE BOLAS OSC 18 | ||||
| 814 | 2600905039 | 10.68 | 12.92 | |
| KIT DE SERVICIO 115V | ||||
| 816/01/40 | 2604321905 | 9.47 | 11.46 | |
| Capucha de trinquete | ||||
| 816/02/60 | 2601322013 | 1.32 | 1.60 | |
| Interruptor | ||||
| 822 | 2607200231 | 13.90 | 16.82 | |
| Tornillo de placa | ||||
| 823 | 2912401020 | 1.90 | 2.30 | |
| Eje Dentado Z= 10/29/22 | ||||
| 849 | 2606309913 | 20.42 | 24.71 | |
| Anillo de bloqueo | ||||
| 863 | 2916080007 | 2.18 | 2.64 | |
| Puente de cojinete | ||||
| 866 | 2605807928 | 20.42 | 24.71 | |
| Arandela de fieltro D 20/14 2mm | ||||
| 869 | 2600108000 | 1.18 | 1.43 | |