Aquí encontrará todas las piezas y dibujos técnicos disponibles de 'Bosch 0603998122 ( CSB6-20RE )'. Desde aquí podrá pedir todas las piezas deseadas directamente. Para muchas piezas de repuesto, es necesario pasar un pedido al fabricante. Dependiendo de la marca, el plazo de entrega puede variar entre una y cuatro semanas. Toda la información que tenemos está en nuestro sitio web. No podremos aconsejarle sobre lo que necesita hasta que entregue la máquina para su reparación. Tenga en cuenta lo siguiente a la hora de cursar su pedido:
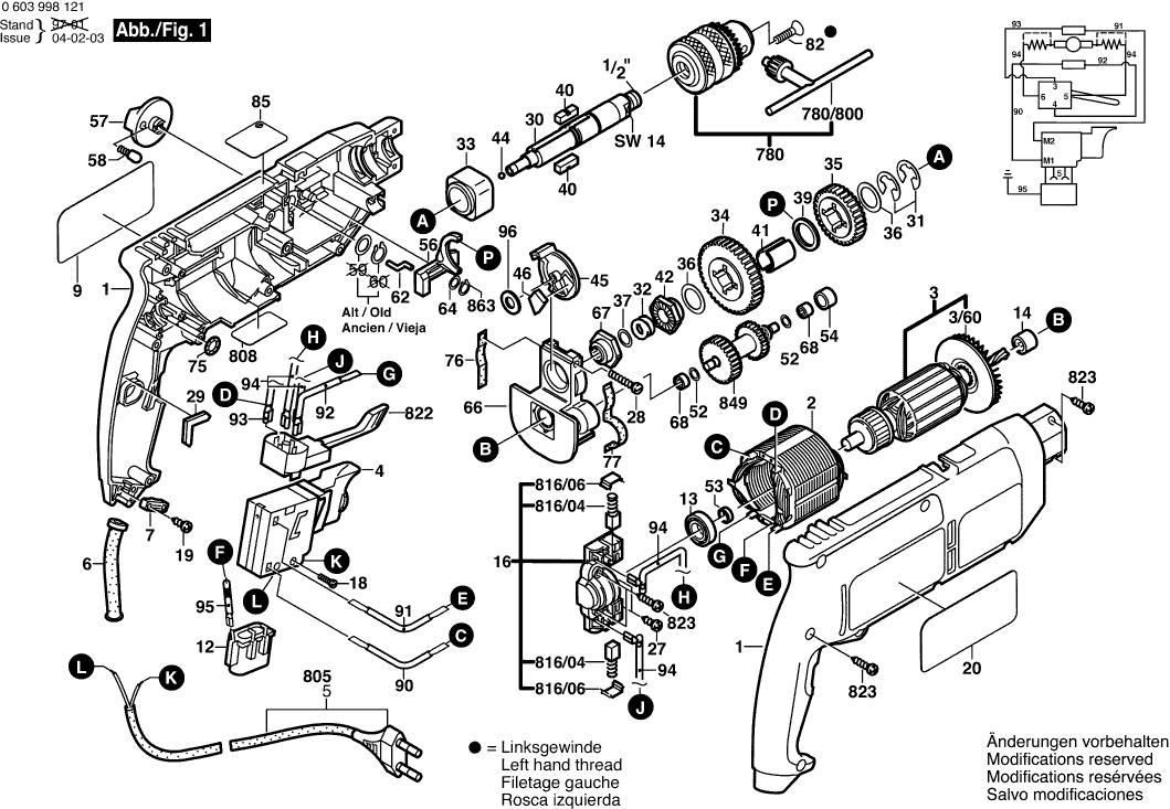
Dibujo técnico de los/las Bosch 0603998122 ( CSB6-20RE )
Lista de las piezas de repuesto de Bosch 0603998122 ( CSB6-20RE )
| Pos. | Descripción | Precio con el IVA excluido | Precio con el IVA incluido | |
| Los precios mostrados incluyen el IVA | ||||
| Sección del Caso VERDE | ||||
| 1 | 2605104506 | 15.71 | 19.01 | |
| Campo 230V | ||||
| 2 | 2604220647 | 17.60 | 21.30 | |
| Placa de nombre del fabricante 230-240V | ||||
| 3 | 2604011090 | 36.85 | 44.59 | |
| Ventilador Sunon PMD2412PMB1-A | ||||
| 3/60 | 2606610029 | 2.18 | 2.64 | |
| Interruptor | ||||
| 4 | 2607200190 | 55.56 | 67.23 | |
| OJAL | ||||
| 6 | 2600707059 | 3.04 | 3.68 | |
| Clip de cable | ||||
| 7 | 2601035001 | 1.32 | 1.60 | |
| Placa del fabricante LADO SOL | ||||
| 9 | 2601118990 | 2.71 | 3.28 | |
| Ya no disponible, sin reemplazo | ||||
| 12 | 2607329114 | |||
| RODAMIENTO DE BOLAS OSC 18 | ||||
| 13 | 2600905032 | 4.58 | 5.54 | |
| Manga de aguja AGC 18 | ||||
| 14 | 2600914019 | 4.58 | 5.54 | |
| Ya no disponible, sin reemplazo | ||||
| 16 | 2609992618 | |||
| Tornillo de cabeza cilíndrica | ||||
| 18 | 2603410001 | 1.32 | 1.60 | |
| Tornillo auto roscante DIN 7981-ST3,9x16-C-H | ||||
| 19 | 2910611019 | 2.52 | 3.05 | |
| Placa de referencia LADO SOMBRA | ||||
| 20 | 2601118563 | 1.94 | 2.35 | |
| Tornillo Torx con cabeza ovalada 4x30 | ||||
| 27 | 2603490018 | 1.00 | 1.21 | |
| Tornillo de engrase AW 10 3x25 | ||||
| 28 | 2603429006 | 1.18 | 1.43 | |
| Ya no disponible, sin reemplazo | ||||
| 29 | 2601022000 | |||
| Husillo de perforación 1/2" | ||||
| 30 | 2606135072 | 13.93 | 16.86 | |
| Arandela de bloqueo 0,3 MM | ||||
| 31 | 2600118006 | 1.70 | 2.06 | |
| Anillo de bloqueo | ||||
| 31 | 2600118002 | 1.32 | 1.60 | |
| Anillo de bloqueo | ||||
| 31 | 2600118001 | 1.00 | 1.21 | |
| Resorte de compresión | ||||
| 32 | 2604616006 | 1.32 | 1.60 | |
| Casquillo de Metal Sinterizado | ||||
| 33 | 2600301031 | 3.71 | 4.49 | |
| Engranaje Cilíndrico | ||||
| 34 | 2606317082 | 10.73 | 12.98 | |
| Engranaje Cilíndrico | ||||
| 35 | 2606317083 | 9.47 | 11.46 | |
| Arandela de compensación | ||||
| 36 | 2600101515 | 1.00 | 1.21 | |
| Arandela de compensación | ||||
| 37 | 2600101047 | 1.32 | 1.60 | |
| Arandela de retención 1,8 MM DE ESPESOR | ||||
| 39 | 2600101084 | 1.32 | 1.60 | |
| Llave Plana | ||||
| 40 | 2602300034 | 1.94 | 2.35 | |
| PLACA DE SOPORTE | ||||
| 41 | 2601098031 | 1.32 | 1.60 | |
| Arandela de retención 1,8 MM DE ESPESOR | ||||
| 42 | 2600190070 | 5.27 | 6.38 | |
| Pelota | ||||
| 44 | 1903230010 | 1.00 | 1.21 | |
| Ya no disponible, sin reemplazo | ||||
| 45 | 2601990001 | |||
| Placa de presión ISC 240 completa | ||||
| 46 | 2601074003 | 1.00 | 1.21 | |
| Arandela de compensación | ||||
| 52 | 2600100607 | 1.32 | 1.60 | |
| Anillo espaciador | ||||
| 53 | 2600209012 | 1.18 | 1.43 | |
| Manga de cojinete | ||||
| 54 | 2600400027 | 3.71 | 4.49 | |
| Palanca de horquilla | ||||
| 56 | 2601990009 | 1.00 | 1.21 | |
| Cabeza Rotativa | ||||
| 57 | 2602026091 | 4.10 | 4.96 | |
| Capucha de trinquete | ||||
| 58 | 2600590006 | 1.32 | 1.60 | |
| Pasador de conducción | ||||
| 62 | 2601335001 | 1.90 | 2.30 | |
| Arandela de ajuste 0,4 MM DE ESPESOR | ||||
| 64 | 2600100618 | 1.00 | 1.21 | |
| Puente de cojinete | ||||
| 66 | 2605807073 | 7.58 | 9.17 | |
| Arandela de retención 1,8 MM DE ESPESOR | ||||
| 67 | 2600190071 | 5.96 | 7.21 | |
| Manga de aguja AGC 18 | ||||
| 68 | 2600914010 | 2.52 | 3.05 | |
| Ya no disponible, sin reemplazo | ||||
| 75 | 2600210036 | |||
| Tira de fieltro | ||||
| 76 | 2601005011 | 1.70 | 2.06 | |
| Tira de fieltro | ||||
| 77 | 2601005016 | 1.18 | 1.43 | |
| Tornillo avellanado VN-HK 85 M5x10 | ||||
| 82 | 2603421226 | 1.32 | 1.60 | |
| Pegatina | ||||
| 85 | 2601110117 | 1.18 | 1.43 | |
| Ya no disponible, sin reemplazo | ||||
| 90 | 2604448060 | |||
| Ya no disponible, sin reemplazo | ||||
| 91 | 2604448045 | |||
| Cable de conexión | ||||
| 92 | 2604448034 | 1.32 | 1.60 | |
| Cable de conexión | ||||
| 93 | 2604448132 | 1.00 | 1.21 | |
| Cable de conexión MX 1200/2 E EF | ||||
| 94 | 2604448115 | 1.00 | 1.21 | |
| Ya no disponible, sin reemplazo | ||||
| 95 | 2604448170 | |||
| Arandela plana | ||||
| 96 | 2600100066 | 1.00 | 1.21 | |
| Mango auxiliar M10 | ||||
| 753 | 1619PB4323 | 8.48 | 10.26 | |
| Tuerca hexagonal | ||||
| 753/20 | 2915011007 | 1.00 | 1.21 | |
| Tornillo de mariposa | ||||
| 753/30 | 1613480007 | 1.32 | 1.60 | |
| Ya no disponible, sin reemplazo | ||||
| 753/50 | 2608040014 | |||
| Tornillo de mariposa | ||||
| 753/60 | 1613480008 | 1.32 | 1.60 | |
| Ya no disponible, sin reemplazo | ||||
| 754 | 2607000122 | |||
| Ya no disponible, sin reemplazo | ||||
| 755 | 1613001005 | |||
| Ya no disponible, sin reemplazo | ||||
| 780 | 2608571046 | |||
| Llave de mandril | ||||
| 780/800 | 2607950007 | 5.96 | 7.21 | |
| Cable de alimentación | ||||
| 805 | 1607000386 | 17.60 | 21.30 | |
| Placa de identificación | ||||
| 808 | 160111A3H3 | 2.18 | 2.64 | |
| Ya no disponible, sin reemplazo | ||||
| 816/04 | 2604321916 | |||
| Capucha de trinquete | ||||
| 816/06 | 2601322013 | 1.32 | 1.60 | |
| Capucha de trinquete | ||||
| 816/06 | 2601329051 | 1.32 | 1.60 | |
| Interruptor | ||||
| 822 | 2607200231 | 13.90 | 16.82 | |
| Tornillo de placa | ||||
| 823 | 2912401020 | 1.90 | 2.30 | |
| Ya no disponible, sin reemplazo | ||||
| 849 | 2606309931 | |||
| Anillo de bloqueo | ||||
| 863 | 2916080007 | 2.18 | 2.64 | |