Aquí encontrará todas las piezas y dibujos técnicos disponibles de 'Bosch 0611221603 ( GAH500DSE )'. Desde aquí podrá pedir todas las piezas deseadas directamente. Para muchas piezas de repuesto, es necesario pasar un pedido al fabricante. Dependiendo de la marca, el plazo de entrega puede variar entre una y cuatro semanas. Toda la información que tenemos está en nuestro sitio web. No podremos aconsejarle sobre lo que necesita hasta que entregue la máquina para su reparación. Tenga en cuenta lo siguiente a la hora de cursar su pedido:
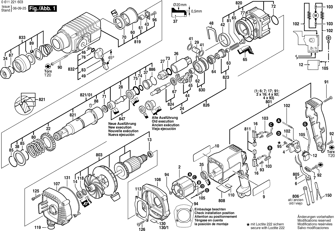
Dibujo técnico de los/las Bosch 0611221603 ( GAH500DSE )
Lista de las piezas de repuesto de Bosch 0611221603 ( GAH500DSE )
| Pos. | Descripción | Precio con el IVA excluido | Precio con el IVA incluido | |
| Los precios mostrados incluyen el IVA | ||||
| Campo 230V | ||||
| 2 | 2604220491 | 20.39 | 24.67 | |
| Ya no disponible, sin reemplazo | ||||
| 4 | 1617200089 | |||
| Cable de alimentación | ||||
| 5 | 1614460026 | 15.61 | 18.89 | |
| OJAL | ||||
| 6 | 2600703018 | 2.18 | 2.64 | |
| Clip de cable | ||||
| 7 | 1611035005 | 1.90 | 2.30 | |
| Placa del fabricante GBH 2000 | ||||
| 9 | 1611110651 | 3.31 | 4.01 | |
| Placa de Referencia | ||||
| 10 | 1611110652 | 3.31 | 4.01 | |
| Filtro de interferencias TURBO II R1 ET-BG | ||||
| 12 | 1607328040 | 5.96 | 7.21 | |
| RODAMIENTO DE BOLAS OSC 18 | ||||
| 13 | 1610905032 | 4.58 | 5.54 | |
| RODAMIENTO DE BOLAS OSC 18 | ||||
| 14 | 1610905048 | 7.32 | 8.86 | |
| PORTACEPILLO | ||||
| 16 | 2604337016 | 1.00 | 1.21 | |
| Engranaje Cilíndrico | ||||
| 22 | 1616317602 | 10.68 | 12.92 | |
| Eje Dentado | ||||
| 24 | 1617000518 | 36.85 | 44.59 | |
| Ya no disponible, sin reemplazo | ||||
| 26 | 1618700062 | |||
| Golpeador | ||||
| 27 | 1618710057 | 13.90 | 16.82 | |
| Pasador de golpe | ||||
| 28 | 1613124040 | 4.58 | 5.54 | |
| Pasador del pistón | ||||
| 29 | 1613105012 | 3.04 | 3.68 | |
| Tapa protectora | ||||
| 34 | 1610508008 | 1.90 | 2.30 | |
| Anillo de goma 10 MM ANCHO | ||||
| 35 | 1610206021 | 1.32 | 1.60 | |
| Casquillo de amortiguación | ||||
| 37 | 1610390017 | 4.58 | 5.54 | |
| Ya no disponible, sin reemplazo | ||||
| 38 | 1610102026 | |||
| Arandela de ajuste 0,4 MM DE ESPESOR | ||||
| 41 | 1610101011 | 1.32 | 1.60 | |
| COJINETE DE MANGA | ||||
| 42 | 1610202015 | 2.52 | 3.05 | |
| Arandela De Pestaña | ||||
| 43 | 1611098005 | 2.52 | 3.05 | |
| Elemento de conmutación | ||||
| 44 | 1615820092 | 2.18 | 2.64 | |
| Resorte del interruptor | ||||
| 45 | 1614651014 | 1.32 | 1.60 | |
| Pasador de conducción | ||||
| 46 | 1614690002 | 1.32 | 1.60 | |
| PLACA DE MONTAJE | ||||
| 48 | 1611016003 | 1.90 | 2.30 | |
| Botón de interruptor | ||||
| 49 | 1612026035 | 1.32 | 1.60 | |
| RODAMIENTO DE AGUJAS | ||||
| 60 | 1610910073 | 9.47 | 11.46 | |
| Manga de aguja AGC 18 | ||||
| 61 | 1610910098 | 3.04 | 3.68 | |
| Manga de aguja AGC 18 | ||||
| 62 | 1610910074 | 3.04 | 3.68 | |
| Ya no disponible, sin reemplazo | ||||
| 63 | 1610910064 | |||
| Ensamble de rodillos de aguja | ||||
| 64 | 1610913010 | 3.71 | 4.49 | |
| COJINETE DE MANGA | ||||
| 65 | 1610591016 | 2.52 | 3.05 | |
| RODAMIENTO DE BOLAS OSC 18 | ||||
| 67 | 1610905016 | 8.48 | 10.26 | |
| Anillo de sello del eje | ||||
| 70 | 1610283019 | 6.53 | 7.90 | |
| Rascador | ||||
| 71 | 1610290029 | 3.04 | 3.68 | |
| Anillo O | ||||
| 72 | 1610210068 | 1.32 | 1.60 | |
| Anillo O | ||||
| 73 | 1610210187 | 1.90 | 2.30 | |
| Anillo O | ||||
| 74 | 1610210104 | 2.18 | 2.64 | |
| Anillo O | ||||
| 75 | 1610210105 | 3.71 | 4.49 | |
| Anillo O | ||||
| 76 | 1610210046 | 1.90 | 2.30 | |
| Anillo O | ||||
| 77 | 1610210106 | 2.18 | 2.64 | |
| Resorte de compresión | ||||
| 80 | 1614634005 | 1.32 | 1.60 | |
| Resorte de compresión | ||||
| 81 | 1614611009 | 1.32 | 1.60 | |
| Resorte de compresión | ||||
| 83 | 1614611006 | 3.04 | 3.68 | |
| Anillo de retención | ||||
| 85 | 1614601011 | 1.32 | 1.60 | |
| Anillo de retención | ||||
| 87 | 160460102S | 1.00 | 1.21 | |
| RODILLO | ||||
| 88 | 1613200007 | 1.32 | 1.60 | |
| Pelota | ||||
| 89 | 1903230013 | 1.90 | 2.30 | |
| Tornillo de cabeza cilíndrica DIN 84-M5x65-4.8 | ||||
| 90 | 1613410004 | 1.18 | 1.43 | |
| Tornillo de engrase AW 10 3x25 | ||||
| 91 | 2603490026 | 1.00 | 1.21 | |
| Tornillo Torx con cabeza ovalada 4x30 | ||||
| 92 | 2603490023 | 1.00 | 1.21 | |
| Tornillo de placa | ||||
| 93 | 2910211005 | 1.00 | 1.21 | |
| Bolt de Embrague | ||||
| 94 | 2603435015 | 1.90 | 2.30 | |
| Tornillo de cabeza cilíndrica | ||||
| 95 | 2603410001 | 1.32 | 1.60 | |
| Tornillo de placa | ||||
| 96 | 2912401018 | 1.00 | 1.21 | |
| Cable Eléctrico | ||||
| 102 | 2604448005 | 1.32 | 1.60 | |
| Filtro de interferencias TURBO II R1 ET-BG | ||||
| 103 | 1614465008 | 6.53 | 7.90 | |
| Conductor de tierra | ||||
| 105 | 1614449011 | 1.70 | 2.06 | |
| Carcasa del ventilador | ||||
| 107 | 1615190042 | 23.75 | 28.74 | |
| Carcasa del Ventilador | ||||
| 108 | 1615190044 | 15.71 | 19.01 | |
| Placa de Perfil | ||||
| 113 | 1611038017 | 4.10 | 4.96 | |
| Disco de sellado | ||||
| 118 | 2916130027 | 2.52 | 3.05 | |
| Anillo O | ||||
| 119 | 1610210045 | 2.18 | 2.64 | |
| Mango auxiliar M10 | ||||
| 120 | 1612025019 | 5.96 | 7.21 | |
| Abrazadera de Soporte | ||||
| 121 | 1618040048 | 7.32 | 8.86 | |
| Tornillo de cabeza de martillo M8x40 MM | ||||
| 122 | 1613490002 | 3.71 | 4.49 | |
| ANILLO DE SUJECIÓN D38X1,75 | ||||
| 123 | 1611316006 | 2.18 | 2.64 | |
| Tornillo de cabeza cilíndrica DIN 84-AM5x35-8.8 | ||||
| 125 | 2910021168 | 0.83 | 1.00 | |
| Tornillo autorroscante de cabeza avellanada | ||||
| 126 | 1613435005 | 1.94 | 2.35 | |
| Ya no disponible, sin reemplazo | ||||
| 130 | 1601110265 | |||
| Disco de sellado | ||||
| 131 | 1611015039 | 2.52 | 3.05 | |
| Tapón H03 Kiba DF700 | ||||
| 653 | 1610591008 | 3.04 | 3.68 | |
| No hay información disponible, no se puede pedir | ||||
| 700 | 1617000132 | |||
| Tornillo avellanado VN-HK 85 M5x10 | ||||
| 700/20 | 2603421226 | 1.32 | 1.60 | |
| Mandril | ||||
| 701 | 1608571088 | 26.62 | 32.21 | |
| Llave de mandril | ||||
| 701/700 | 2607950007 | 5.96 | 7.21 | |
| Ya no disponible, sin reemplazo | ||||
| 711 | 1617000133 | |||
| Anillo de retención | ||||
| 711/10/2 | 2604601004 | 1.32 | 1.60 | |
| Mango auxiliar M10 | ||||
| 720 | 2602025070 | 12.21 | 14.77 | |
| Dispositivo de succión | ||||
| 727 | 1607000263 | 0.83 | 1.00 | |
| Manguera Corrugada Ø 16,5x550 MM | ||||
| 728 | 1610712042 | 8.45 | 10.22 | |
| Ya no disponible, sin reemplazo | ||||
| 729 | 2605411044 | |||
| Marco de Soporte | ||||
| 729/10 | 1615190046 | 36.85 | 44.59 | |
| Abrazadera de Soporte | ||||
| 729/30 | 1612386001 | 2.52 | 3.05 | |
| Disco deslizante | ||||
| 729/40 | 1619200408 | 0.83 | 1.00 | |
| Tuerca de unión para acoplamiento rápido | ||||
| 729/50 | 1619200409 | 2.52 | 3.05 | |
| Disco de sellado | ||||
| 729/60 | 1610121001 | 1.18 | 1.43 | |
| Conexión de manguera | ||||
| 751 | 2607000178 | 0.83 | 1.00 | |
| Anillo O | ||||
| 751/10 | 1610210045 | 2.18 | 2.64 | |
| Bolsa de Papel 10 Piezas | ||||
| 752 | 1615411003 | 0.83 | 1.00 | |
| No hay información disponible, no se puede pedir | ||||
| 754 | 2605411043 | |||
| No hay información disponible, no se puede pedir | ||||
| 755 | 1618580000 | |||
| Conexión flexible | ||||
| 760 | 2607000176 | 0.83 | 1.00 | |
| Manguera de PVC | ||||
| 760/10 | 2600712004 | 0.83 | 1.00 | |
| Conexión de manguera | ||||
| 760/20 | 2605702024 | 0.83 | 1.00 | |
| Ya no disponible, sin reemplazo | ||||
| 760/30 | 2605702025 | |||
| No hay información disponible, no se puede pedir | ||||
| 761 | 1610793002 | |||
| Carcasa del motor | ||||
| 801 | 1615108062 | 26.62 | 32.21 | |
| ARMADURA 230V | ||||
| 803 | 1614010193 | 101.94 | 123.35 | |
| Cable de alimentación | ||||
| 805 | 1614460026 | 15.61 | 18.89 | |
| OJAL | ||||
| 806 | 2600703011 | 2.52 | 3.05 | |
| OJAL | ||||
| 806 | 2600703013 | 2.18 | 2.64 | |
| Placa de identificación | ||||
| 808 | 160111A3H5 | 2.18 | 2.64 | |
| Ya no disponible, sin reemplazo | ||||
| 811 | 1607014117 | |||
| Cubierta de la Carcasa AZUL | ||||
| 817 | 1615132047 | 4.70 | 5.69 | |
| Caja de engranajes | ||||
| 819 | 1615806093 | 50.23 | 60.78 | |
| Brida Intermedia | ||||
| 820 | 1617000981 | 26.62 | 32.21 | |
| Manga de trinquete | ||||
| 821 | 1616490061 | 61.93 | 74.94 | |
| Manga de trinquete | ||||
| 821/01 | 1616490060 | 82.63 | 99.98 | |
| Manga de engranaje | ||||
| 823 | 1616328042 | 36.85 | 44.59 | |
| Eje Dentado | ||||
| 826 | 1617000517 | 73.72 | 89.20 | |
| Rodamiento de Transmisión En Dibujo Pos.830 | ||||
| 830 | 1615819018 | 55.25 | 66.85 | |
| Manija de Abrazadera | ||||
| 832 | 1612026037 | 8.48 | 10.26 | |
| Funda Protectora | ||||
| 833 | 1617000163 | 6.53 | 7.90 | |
| Anillo de guía | ||||
| 847 | 1617000348 | 12.21 | 14.77 | |
| Anillo de retención | ||||
| 886 | 1614601024 | 1.32 | 1.60 | |