Aquí encontrará todas las piezas y dibujos técnicos disponibles de 'Bosch 0611234703 ( GBH2-20SRE )'. Desde aquí podrá pedir todas las piezas deseadas directamente. Para muchas piezas de repuesto, es necesario pasar un pedido al fabricante. Dependiendo de la marca, el plazo de entrega puede variar entre una y cuatro semanas. Toda la información que tenemos está en nuestro sitio web. No podremos aconsejarle sobre lo que necesita hasta que entregue la máquina para su reparación. Tenga en cuenta lo siguiente a la hora de cursar su pedido:
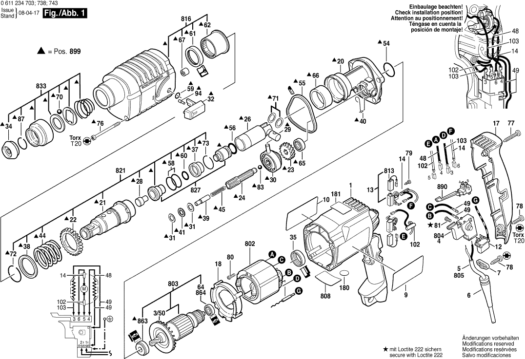
Dibujo técnico de los/las Bosch 0611234703 ( GBH2-20SRE )
Lista de las piezas de repuesto de Bosch 0611234703 ( GBH2-20SRE )
| Pos. | Descripción | Precio con el IVA excluido | Precio con el IVA incluido | |
| Los precios mostrados incluyen el IVA | ||||
| Carcasa del motor | ||||
| 1 | 1615108112 | 10.68 | 12.92 | |
| Ventilador Sunon PMD2412PMB1-A | ||||
| 3/50 | 1616610072 | 1.90 | 2.30 | |
| Ya no disponible, sin reemplazo | ||||
| 4 | 1617200083 | |||
| OJAL | ||||
| 6 | 2600703018 | 2.18 | 2.64 | |
| Clip de cable | ||||
| 7 | 1611035005 | 1.90 | 2.30 | |
| Placa del fabricante GBH 2000 | ||||
| 9 | 1611110821 | 2.71 | 3.28 | |
| Placa del fabricante GBH 2000 | ||||
| 10 | 1611110821 | 2.71 | 3.28 | |
| Filtro de interferencias TURBO II R1 ET-BG | ||||
| 12 | 1607328040 | 5.96 | 7.21 | |
| PORTACEPILLO | ||||
| 13 | 1617000343 | 9.47 | 11.46 | |
| Filtro de interferencias TURBO II R1 ET-BG | ||||
| 14 | 2604465086 | 5.27 | 6.38 | |
| Cubierta de la Carcasa AZUL | ||||
| 17 | 1615132065 | 4.10 | 4.96 | |
| Anillo deflector de aire | ||||
| 18 | 1610522008 | 1.00 | 1.21 | |
| Brida Intermedia | ||||
| 20 | 1615700037 | 41.30 | 49.97 | |
| Manga de trinquete | ||||
| 21 | 1616490058 | 234.56 | 283.82 | |
| Engranaje Cilíndrico | ||||
| 22 | 1616320007 | 6.53 | 7.90 | |
| Ya no disponible, sin reemplazo | ||||
| 23 | 1616320006 | |||
| Eje Dentado | ||||
| 24 | 1613060010 | 55.56 | 67.23 | |
| Pistón del martillo | ||||
| 26 | 1618700052 | 11.02 | 13.33 | |
| Pasador de golpe | ||||
| 28 | 1613124026 | 2.52 | 3.05 | |
| Pasador del pistón | ||||
| 29 | 1613105012 | 3.04 | 3.68 | |
| Rodamiento de Transmisión En Dibujo Pos.830 | ||||
| 30 | 1615819005 | 30.08 | 36.40 | |
| Disco de soporte | ||||
| 31 | 1610100003 | 1.32 | 1.60 | |
| Manija de Abrazadera | ||||
| 32 | 1612026023 | 2.18 | 2.64 | |
| Tapa protectora | ||||
| 34 | 1610508008 | 1.90 | 2.30 | |
| Anillo de goma 10 MM ANCHO | ||||
| 35 | 1610206021 | 1.32 | 1.60 | |
| Casquillo de amortiguación | ||||
| 37 | 1610390011 | 3.04 | 3.68 | |
| Disco de soporte | ||||
| 38 | 1610102022 | 1.90 | 2.30 | |
| Pasador Cilíndrico | ||||
| 39 | 1613100013 | 1.90 | 2.30 | |
| MUELLE DE RETENCIÓN OSC 18 | ||||
| 40 | 1614690001 | 1.00 | 1.21 | |
| Ensamblaje de jaula de rodillos | ||||
| 41 | 1610920003 | 3.71 | 4.49 | |
| Resorte de compresión | ||||
| 44 | 1614633001 | 1.90 | 2.30 | |
| Resorte de compresión | ||||
| 45 | 1614614001 | 1.00 | 1.21 | |
| Cable de conexión L=90 MM BLANCO | ||||
| 48 | 1614431023 | 1.70 | 2.06 | |
| Cable Eléctrico | ||||
| 49 | 2604448005 | 1.32 | 1.60 | |
| Anillo O | ||||
| 54 | 1610210068 | 1.32 | 1.60 | |
| Anillo de sellado | ||||
| 55 | 1610206023 | 2.52 | 3.05 | |
| Anillo O | ||||
| 56 | 1610210070 | 2.18 | 2.64 | |
| Anillo O | ||||
| 58 | 1610210058 | 2.18 | 2.64 | |
| Anillo O | ||||
| 59 | 1610210069 | 1.00 | 1.21 | |
| Anillo O | ||||
| 60 | 1610210073 | 1.90 | 2.30 | |
| Sello de labio del eje rotatorio | ||||
| 61 | 1610283017 | 6.53 | 7.90 | |
| RODAMIENTO DE AGUJAS | ||||
| 62 | 1619P00306 | 7.58 | 9.17 | |
| RODAMIENTO DE BOLAS OSC 18 | ||||
| 64 | 1610905025 | 5.96 | 7.21 | |
| Ya no disponible, sin reemplazo | ||||
| 65 | 1900900228 | |||
| COJINETE | ||||
| 66 | 1610301000 | 2.18 | 2.64 | |
| Ya no disponible, sin reemplazo | ||||
| 67 | 1610910064 | |||
| Pelota | ||||
| 70 | 1903230013 | 1.90 | 2.30 | |
| Arandela de ajuste 0,4 MM DE ESPESOR | ||||
| 71 | 1610101011 | 1.32 | 1.60 | |
| Anillo de retención | ||||
| 72 | 2916540018 | 3.04 | 3.68 | |
| Anillo de retención | ||||
| 73 | 1614601009 | 1.00 | 1.21 | |
| Tornillo Torx con cabeza ovalada 4x30 | ||||
| 76 | 1619P00027 | 1.00 | 1.21 | |
| TORNILLO M4X35 | ||||
| 77 | 1619P00106 | 1.00 | 1.21 | |
| Tornillo Torx con cabeza ovalada 4x30 | ||||
| 78 | 1619P00105 | 1.32 | 1.60 | |
| Tornillo Torx con cabeza ovalada 4x30 | ||||
| 79 | 1619P00220 | 1.00 | 1.21 | |
| Tornillo para roscar M6x25 MM | ||||
| 80 | 1613435007 | 1.00 | 1.21 | |
| Tornillo de cabeza cilíndrica | ||||
| 81 | 2603410001 | 1.32 | 1.60 | |
| Pelota | ||||
| 83 | 1903230309 | 1.32 | 1.60 | |
| Anillo de retención | ||||
| 87 | 160460102S | 1.00 | 1.21 | |
| Perno de bloqueo HKC 55 | ||||
| 94 | 1613120017 | 1.32 | 1.60 | |
| Filtro de interferencias TURBO II R1 ET-BG | ||||
| 102 | 2604465097 | 5.27 | 6.38 | |
| Cable de conexión | ||||
| 103 | 1614448017 | 1.90 | 2.30 | |
| Vástago de portabrocas 1/2 SDS-PLUS | ||||
| 700 | 1617000154 | 30.08 | 36.40 | |
| Tornillo avellanado VN-HK 85 M5x10 | ||||
| 700/20 | 2603421226 | 1.32 | 1.60 | |
| Mandril | ||||
| 701 | 1608571069 | 22.88 | 27.68 | |
| Llave de mandril | ||||
| 701/700 | 2607950007 | 5.96 | 7.21 | |
| Ya no disponible, sin reemplazo | ||||
| 711 | 1617000133 | |||
| Anillo de retención | ||||
| 711/10/2 | 2604601004 | 1.32 | 1.60 | |
| Ya no disponible, sin reemplazo | ||||
| 711/20 | 1608521004 | |||
| Ya no disponible, sin reemplazo | ||||
| 711/30 | 2607000248 | |||
| Ya no disponible, sin reemplazo | ||||
| 711/40 | 1608511020 | |||
| Caja de transporte | ||||
| 791 | 1615438146 | 0.83 | 1.00 | |
| Campo 230V | ||||
| 802 | 2604220429 | 22.88 | 27.68 | |
| Ya no disponible, sin reemplazo | ||||
| 803 | 1614010039 | |||
| Cable de alimentación | ||||
| 805 | 1614460026 | 15.61 | 18.89 | |
| Placa de identificación | ||||
| 808 | 160111A3H5 | 2.18 | 2.64 | |
| KIT DE SERVICIO 115V | ||||
| 813 | 1617014134 | 7.32 | 8.86 | |
| Caja de engranajes | ||||
| 816 | 1615806077 | 45.52 | 55.08 | |
| Manga de Trinquete SDS-PLUS | ||||
| 821 | 1617000812 | 91.56 | 110.79 | |
| Mango auxiliar M10 | ||||
| 822 | 2602025118 | 12.21 | 14.77 | |
| Mango auxiliar M10 | ||||
| 822/120 | 1612025019 | 5.96 | 7.21 | |
| ANILLO DE SUJECIÓN D38X1,75 | ||||
| 822/124 | 1611316006 | 2.18 | 2.64 | |
| Tornillo de cabeza de martillo M8x40 MM | ||||
| 822/125 | 1613490002 | 3.71 | 4.49 | |
| Abrazadera de Soporte | ||||
| 822/802 | 2608040176 | 5.96 | 7.21 | |
| Golpeador | ||||
| 827 | 1617000338 | 26.62 | 32.21 | |
| Funda Protectora | ||||
| 833 | 1617000163 | 6.53 | 7.90 | |
| RODAMIENTO DE BOLAS OSC 18 | ||||
| 863 | 1610905048 | 7.32 | 8.86 | |
| RODAMIENTO DE BOLAS OSC 18 | ||||
| 864 | 1610905025 | 5.96 | 7.21 | |
| Tope de profundidad TSF 55 EBQ | ||||
| 879 | 1613001009 | 3.04 | 3.68 | |
| Interruptor | ||||
| 890 | 2607200231 | 13.90 | 16.82 | |
| Mecanismo de impacto | ||||
| 899 | 1617000353 | 75.38 | 91.21 | |