Aquí encontrará todas las piezas y dibujos técnicos disponibles de 'Bosch 0611218603 ( GBH2-24DSE )'. Desde aquí podrá pedir todas las piezas deseadas directamente. Para muchas piezas de repuesto, es necesario pasar un pedido al fabricante. Dependiendo de la marca, el plazo de entrega puede variar entre una y cuatro semanas. Toda la información que tenemos está en nuestro sitio web. No podremos aconsejarle sobre lo que necesita hasta que entregue la máquina para su reparación. Tenga en cuenta lo siguiente a la hora de cursar su pedido:
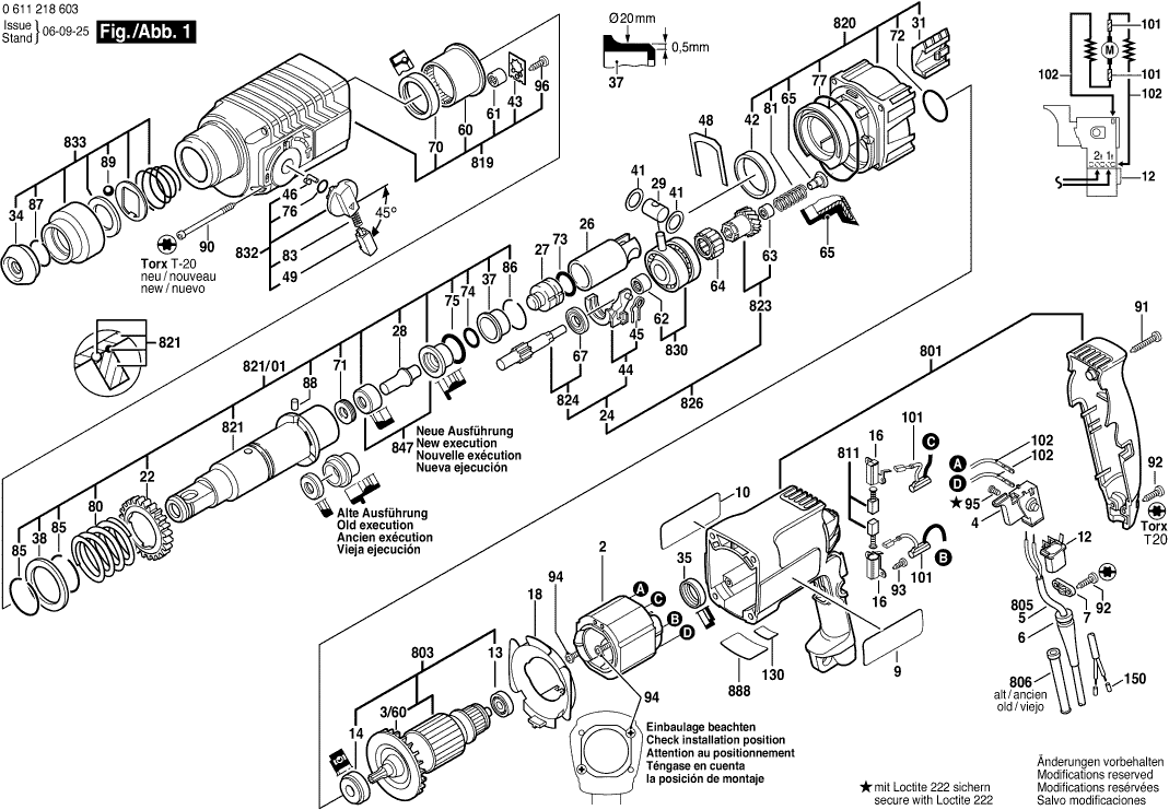
Dibujo técnico de los/las Bosch 0611218603 ( GBH2-24DSE )
Lista de las piezas de repuesto de Bosch 0611218603 ( GBH2-24DSE )
| Pos. | Descripción | Precio con el IVA excluido | Precio con el IVA incluido | |
| Los precios mostrados incluyen el IVA | ||||
| Campo 230V | ||||
| 2 | 1604220254 | 20.39 | 24.67 | |
| Ventilador Sunon PMD2412PMB1-A | ||||
| 3/60 | 1616610072 | 1.90 | 2.30 | |
| Ya no disponible, sin reemplazo | ||||
| 4 | 2607200204 | |||
| OJAL | ||||
| 6 | 2600703018 | 2.18 | 2.64 | |
| Clip de cable | ||||
| 7 | 1611035005 | 1.90 | 2.30 | |
| Placa del fabricante GBH 2000 | ||||
| 9 | 1611110X33 | 3.04 | 3.68 | |
| Placa de Referencia | ||||
| 10 | 1611110563 | 3.71 | 4.49 | |
| Ya no disponible, sin reemplazo | ||||
| 12 | 1617328025 | |||
| RODAMIENTO DE BOLAS OSC 18 | ||||
| 13 | 1610905025 | 5.96 | 7.21 | |
| RODAMIENTO DE BOLAS OSC 18 | ||||
| 14 | 1610905048 | 7.32 | 8.86 | |
| PORTACEPILLO | ||||
| 16 | 2604337016 | 1.00 | 1.21 | |
| Ya no disponible, sin reemplazo | ||||
| 18 | 1610522009 | |||
| Engranaje Cilíndrico | ||||
| 22 | 1616317602 | 10.68 | 12.92 | |
| Eje Dentado | ||||
| 24 | 1617000518 | 36.85 | 44.59 | |
| Ya no disponible, sin reemplazo | ||||
| 26 | 1618700062 | |||
| Golpeador | ||||
| 27 | 1618710057 | 13.90 | 16.82 | |
| Pasador de golpe | ||||
| 28 | 1613124040 | 4.58 | 5.54 | |
| Pasador del pistón | ||||
| 29 | 1613105012 | 3.04 | 3.68 | |
| Parrilla de Protección | ||||
| 31 | 1615510003 | 2.18 | 2.64 | |
| Tapa protectora | ||||
| 34 | 1610508008 | 1.90 | 2.30 | |
| Anillo de goma 10 MM ANCHO | ||||
| 35 | 1610206021 | 1.32 | 1.60 | |
| Casquillo de amortiguación | ||||
| 37 | 1610390017 | 4.58 | 5.54 | |
| Ya no disponible, sin reemplazo | ||||
| 38 | 1610102026 | |||
| Arandela de ajuste 0,4 MM DE ESPESOR | ||||
| 41 | 1610101011 | 1.32 | 1.60 | |
| COJINETE DE MANGA | ||||
| 42 | 1610202015 | 2.52 | 3.05 | |
| Arandela De Pestaña | ||||
| 43 | 1611098005 | 2.52 | 3.05 | |
| Elemento de conmutación | ||||
| 44 | 1615820092 | 2.18 | 2.64 | |
| Resorte del interruptor | ||||
| 45 | 1614651014 | 1.32 | 1.60 | |
| Pasador de conducción | ||||
| 46 | 1614690002 | 1.32 | 1.60 | |
| PLACA DE MONTAJE | ||||
| 48 | 1611016003 | 1.90 | 2.30 | |
| Botón de interruptor | ||||
| 49 | 1612026035 | 1.32 | 1.60 | |
| RODAMIENTO DE AGUJAS | ||||
| 60 | 1610910073 | 9.47 | 11.46 | |
| Manga de aguja AGC 18 | ||||
| 61 | 1610910098 | 3.04 | 3.68 | |
| Manga de aguja AGC 18 | ||||
| 62 | 1610910074 | 3.04 | 3.68 | |
| Ya no disponible, sin reemplazo | ||||
| 63 | 1610910064 | |||
| Ensamble de rodillos de aguja | ||||
| 64 | 1610913010 | 3.71 | 4.49 | |
| COJINETE DE MANGA | ||||
| 65 | 1610591016 | 2.52 | 3.05 | |
| RODAMIENTO DE BOLAS OSC 18 | ||||
| 67 | 1610905016 | 8.48 | 10.26 | |
| Anillo de sello del eje | ||||
| 70 | 1610283019 | 6.53 | 7.90 | |
| Rascador | ||||
| 71 | 1610290029 | 3.04 | 3.68 | |
| Anillo O | ||||
| 72 | 1610210068 | 1.32 | 1.60 | |
| Anillo O | ||||
| 73 | 1610210187 | 1.90 | 2.30 | |
| Anillo O | ||||
| 74 | 1610210104 | 2.18 | 2.64 | |
| Anillo O | ||||
| 75 | 1610210105 | 3.71 | 4.49 | |
| Anillo O | ||||
| 76 | 1610210046 | 1.90 | 2.30 | |
| Anillo O | ||||
| 77 | 1610210106 | 2.18 | 2.64 | |
| Resorte de compresión | ||||
| 80 | 1614634005 | 1.32 | 1.60 | |
| Resorte de compresión | ||||
| 81 | 1614611009 | 1.32 | 1.60 | |
| Resorte de compresión | ||||
| 83 | 1614611006 | 3.04 | 3.68 | |
| Anillo de retención | ||||
| 85 | 1614601011 | 1.32 | 1.60 | |
| Anillo de retención | ||||
| 86 | 1614601024 | 1.32 | 1.60 | |
| Anillo de retención | ||||
| 87 | 160460102S | 1.00 | 1.21 | |
| RODILLO | ||||
| 88 | 1613200007 | 1.32 | 1.60 | |
| Pelota | ||||
| 89 | 1903230013 | 1.90 | 2.30 | |
| Tornillo de placa | ||||
| 90 | 1603435036 | 1.32 | 1.60 | |
| Tornillo para chapa BZ 4,8x78 MM | ||||
| 90 | 1603435019 | 1.18 | 1.43 | |
| Tornillo de placa | ||||
| 91 | 1603435051 | 1.70 | 2.06 | |
| Tornillo de placa | ||||
| 92 | 1603435050 | 1.32 | 1.60 | |
| Tornillo de placa | ||||
| 93 | 2910211005 | 1.00 | 1.21 | |
| Bolt de Embrague | ||||
| 94 | 2603435015 | 1.90 | 2.30 | |
| Tornillo de cabeza cilíndrica | ||||
| 95 | 2603410001 | 1.32 | 1.60 | |
| Tornillo de placa | ||||
| 96 | 2912401018 | 1.00 | 1.21 | |
| Filtro de interferencias TURBO II R1 ET-BG | ||||
| 101 | 1614465008 | 6.53 | 7.90 | |
| Cable Eléctrico | ||||
| 102 | 2604448005 | 1.32 | 1.60 | |
| Mango auxiliar M10 | ||||
| 120 | 1612025019 | 5.96 | 7.21 | |
| Abrazadera de Soporte | ||||
| 121 | 1618040048 | 7.32 | 8.86 | |
| Tornillo de cabeza de martillo M8x40 MM | ||||
| 122 | 1613490002 | 3.71 | 4.49 | |
| ANILLO DE SUJECIÓN D38X1,75 | ||||
| 123 | 1611316006 | 2.18 | 2.64 | |
| Vástago de portabrocas 1/2 SDS-PLUS | ||||
| 700 | 1617000154 | 30.08 | 36.40 | |
| Tornillo avellanado VN-HK 85 M5x10 | ||||
| 700/20 | 2603421226 | 1.32 | 1.60 | |
| Mandril | ||||
| 701 | 1608571088 | 26.62 | 32.21 | |
| Llave de mandril | ||||
| 701/700 | 2607950007 | 5.96 | 7.21 | |
| Ya no disponible, sin reemplazo | ||||
| 711 | 1617000133 | |||
| Anillo de retención | ||||
| 711/10/2 | 2604601004 | 1.32 | 1.60 | |
| Mango auxiliar M10 | ||||
| 720 | 2602025070 | 12.21 | 14.77 | |
| Tope de profundidad TSF 55 EBQ | ||||
| 724 | 1613001009 | 3.04 | 3.68 | |
| No hay información disponible, no se puede pedir | ||||
| 750 | 2605438294 | |||
| No hay información disponible, no se puede pedir | ||||
| 755 | 1618580000 | |||
| Carcasa del motor | ||||
| 801 | 1615108062 | 26.62 | 32.21 | |
| Armazón | ||||
| 803 | 1614010732 | 91.33 | 110.51 | |
| Cable de alimentación | ||||
| 805 | 1614460026 | 15.61 | 18.89 | |
| OJAL | ||||
| 806 | 2600703011 | 2.52 | 3.05 | |
| OJAL | ||||
| 806 | 2600703013 | 2.18 | 2.64 | |
| Ya no disponible, sin reemplazo | ||||
| 811 | 1607014117 | |||
| Caja de engranajes | ||||
| 819 | 1615806093 | 50.23 | 60.78 | |
| Brida Intermedia | ||||
| 820 | 1617000981 | 26.62 | 32.21 | |
| Manga de trinquete | ||||
| 821 | 1616490061 | 61.93 | 74.94 | |
| Manga de trinquete | ||||
| 821/01 | 1616490060 | 82.63 | 99.98 | |
| Manga de engranaje | ||||
| 823 | 1616328042 | 36.85 | 44.59 | |
| Eje Dentado | ||||
| 824 | 1617000518 | 36.85 | 44.59 | |
| Eje Dentado | ||||
| 826 | 1617000517 | 73.72 | 89.20 | |
| Rodamiento de Transmisión En Dibujo Pos.830 | ||||
| 830 | 1615819018 | 55.25 | 66.85 | |
| Manija de Abrazadera | ||||
| 832 | 1612026037 | 8.48 | 10.26 | |
| Funda Protectora | ||||
| 833 | 1617000163 | 6.53 | 7.90 | |
| Anillo de guía | ||||
| 847 | 1617000348 | 12.21 | 14.77 | |
| Rodamiento axial de bolas de ranura profunda | ||||
| 865 | 1610920007 | 3.31 | 4.01 | |
| Placa de identificación | ||||
| 888 | 160111A3H5 | 2.18 | 2.64 | |