Aquí encontrará todas las piezas y dibujos técnicos disponibles de 'Bosch 0611226003 ( GBH2S )'. Desde aquí podrá pedir todas las piezas deseadas directamente. Para muchas piezas de repuesto, es necesario pasar un pedido al fabricante. Dependiendo de la marca, el plazo de entrega puede variar entre una y cuatro semanas. Toda la información que tenemos está en nuestro sitio web. No podremos aconsejarle sobre lo que necesita hasta que entregue la máquina para su reparación. Tenga en cuenta lo siguiente a la hora de cursar su pedido:
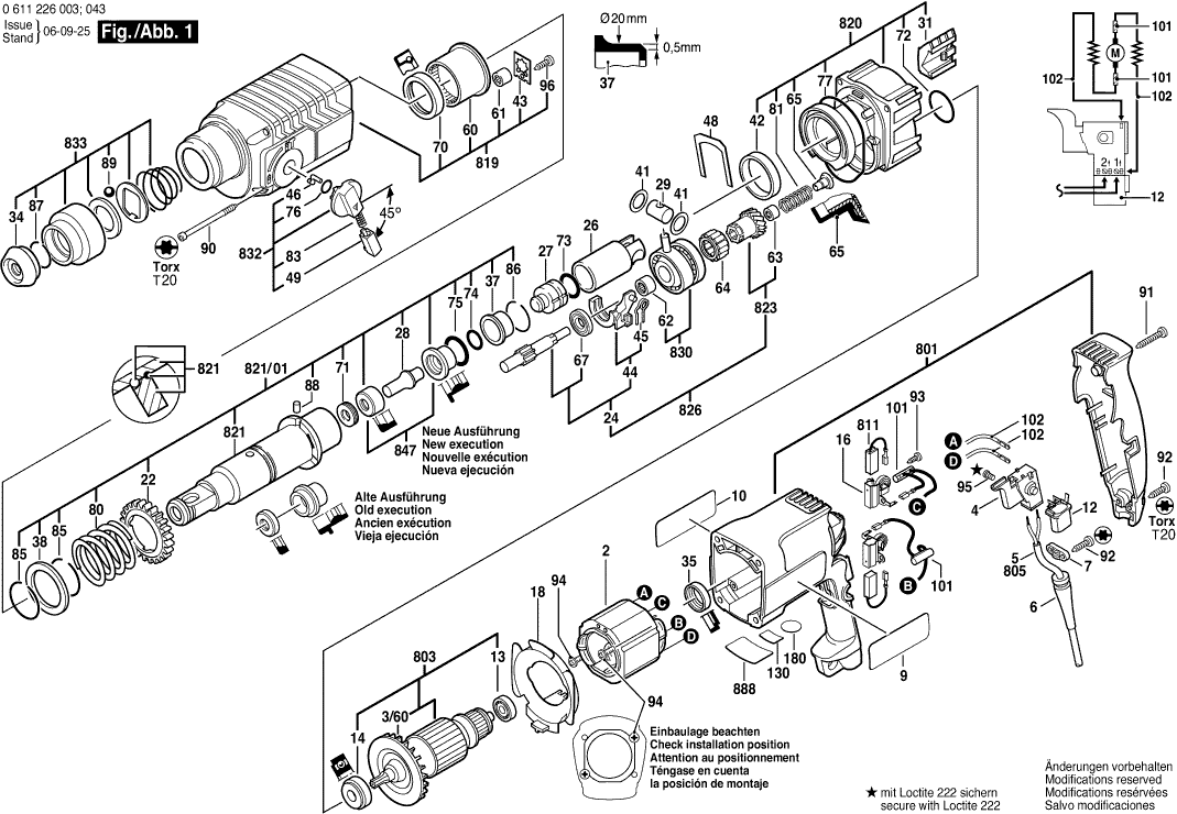
Dibujo técnico de los/las Bosch 0611226003 ( GBH2S )
Lista de las piezas de repuesto de Bosch 0611226003 ( GBH2S )
| Pos. | Descripción | Precio con el IVA excluido | Precio con el IVA incluido | |
| Los precios mostrados incluyen el IVA | ||||
| Campo 230V | ||||
| 2 | 1614220172 | 20.39 | 24.67 | |
| Ventilador Sunon PMD2412PMB1-A | ||||
| 3/60 | 1616610095 | 1.90 | 2.30 | |
| Interruptor de encendido y apagado | ||||
| 4 | 1617200047 | 20.39 | 24.67 | |
| OJAL | ||||
| 6 | 2600703018 | 2.18 | 2.64 | |
| Clip de cable | ||||
| 7 | 1611035005 | 1.90 | 2.30 | |
| Placa del fabricante GBH 2000 | ||||
| 9 | 1611110X23 | 2.71 | 3.28 | |
| Placa de Referencia | ||||
| 10 | 1611110656 | 2.71 | 3.28 | |
| Ya no disponible, sin reemplazo | ||||
| 12 | 1617328025 | |||
| RODAMIENTO DE BOLAS OSC 18 | ||||
| 13 | 1610905025 | 5.96 | 7.21 | |
| RODAMIENTO DE BOLAS OSC 18 | ||||
| 14 | 1610905048 | 7.32 | 8.86 | |
| PORTACEPILLO | ||||
| 16 | 1614336022 | 2.52 | 3.05 | |
| Ya no disponible, sin reemplazo | ||||
| 18 | 1610522009 | |||
| Engranaje Cilíndrico | ||||
| 22 | 1616317602 | 10.68 | 12.92 | |
| Eje Dentado | ||||
| 24 | 1617000518 | 36.85 | 44.59 | |
| Ya no disponible, sin reemplazo | ||||
| 26 | 1618700062 | |||
| Golpeador | ||||
| 27 | 1618710057 | 13.90 | 16.82 | |
| Pasador de golpe | ||||
| 28 | 1613124040 | 4.58 | 5.54 | |
| Pasador del pistón | ||||
| 29 | 1613105012 | 3.04 | 3.68 | |
| Parrilla de Protección | ||||
| 31 | 1615510003 | 2.18 | 2.64 | |
| Tapa protectora | ||||
| 34 | 1610508008 | 1.90 | 2.30 | |
| Anillo de goma 10 MM ANCHO | ||||
| 35 | 1610206021 | 1.32 | 1.60 | |
| Casquillo de amortiguación | ||||
| 37 | 1610390017 | 4.58 | 5.54 | |
| Ya no disponible, sin reemplazo | ||||
| 38 | 1610102026 | |||
| Arandela de ajuste 0,4 MM DE ESPESOR | ||||
| 41 | 1610101011 | 1.32 | 1.60 | |
| COJINETE DE MANGA | ||||
| 42 | 1610202015 | 2.52 | 3.05 | |
| Arandela De Pestaña | ||||
| 43 | 1611098005 | 2.52 | 3.05 | |
| Elemento de conmutación | ||||
| 44 | 1615820092 | 2.18 | 2.64 | |
| Resorte del interruptor | ||||
| 45 | 1614651014 | 1.32 | 1.60 | |
| Pasador de conducción | ||||
| 46 | 1614690002 | 1.32 | 1.60 | |
| PLACA DE MONTAJE | ||||
| 48 | 1611016003 | 1.90 | 2.30 | |
| Botón de interruptor | ||||
| 49 | 1612026035 | 1.32 | 1.60 | |
| RODAMIENTO DE AGUJAS | ||||
| 60 | 1610910073 | 9.47 | 11.46 | |
| Manga de aguja AGC 18 | ||||
| 61 | 1610910098 | 3.04 | 3.68 | |
| Manga de aguja AGC 18 | ||||
| 62 | 1610910074 | 3.04 | 3.68 | |
| Ya no disponible, sin reemplazo | ||||
| 63 | 1610910064 | |||
| Ensamble de rodillos de aguja | ||||
| 64 | 1610913010 | 3.71 | 4.49 | |
| COJINETE DE MANGA | ||||
| 65 | 1610591016 | 2.52 | 3.05 | |
| RODAMIENTO DE BOLAS OSC 18 | ||||
| 67 | 1610905016 | 8.48 | 10.26 | |
| Anillo de sello del eje | ||||
| 70 | 1610283019 | 6.53 | 7.90 | |
| Rascador | ||||
| 71 | 1610290029 | 3.04 | 3.68 | |
| Anillo O | ||||
| 72 | 1610210068 | 1.32 | 1.60 | |
| Anillo O | ||||
| 73 | 1610210187 | 1.90 | 2.30 | |
| Anillo O | ||||
| 74 | 1610210104 | 2.18 | 2.64 | |
| Anillo O | ||||
| 75 | 1610210105 | 3.71 | 4.49 | |
| Anillo O | ||||
| 76 | 1610210046 | 1.90 | 2.30 | |
| Anillo O | ||||
| 77 | 1610210106 | 2.18 | 2.64 | |
| Resorte de compresión | ||||
| 80 | 1614634005 | 1.32 | 1.60 | |
| Resorte de compresión | ||||
| 81 | 1614611009 | 1.32 | 1.60 | |
| Resorte de compresión | ||||
| 83 | 1614611006 | 3.04 | 3.68 | |
| Anillo de retención | ||||
| 85 | 1614601011 | 1.32 | 1.60 | |
| Anillo de retención | ||||
| 86 | 1614601024 | 1.32 | 1.60 | |
| Anillo de retención | ||||
| 87 | 160460102S | 1.00 | 1.21 | |
| RODILLO | ||||
| 88 | 1613200007 | 1.32 | 1.60 | |
| Pelota | ||||
| 89 | 1903230013 | 1.90 | 2.30 | |
| Tornillo de placa | ||||
| 90 | 1603435036 | 1.32 | 1.60 | |
| Tornillo de engrase AW 10 3x25 | ||||
| 91 | 2603490026 | 1.00 | 1.21 | |
| Tornillo Torx con cabeza ovalada 4x30 | ||||
| 92 | 2603490023 | 1.00 | 1.21 | |
| Tornillo de placa | ||||
| 93 | 2910211005 | 1.00 | 1.21 | |
| Bolt de Embrague | ||||
| 94 | 2603435015 | 1.90 | 2.30 | |
| Tornillo de cabeza cilíndrica | ||||
| 95 | 2603410001 | 1.32 | 1.60 | |
| Tornillo de placa | ||||
| 96 | 2912401018 | 1.00 | 1.21 | |
| Filtro de interferencias TURBO II R1 ET-BG | ||||
| 101 | 1614465008 | 6.53 | 7.90 | |
| Cable Eléctrico | ||||
| 102 | 2604448005 | 1.32 | 1.60 | |
| No hay información disponible, no se puede pedir | ||||
| 700 | 1617000132 | |||
| Tornillo avellanado VN-HK 85 M5x10 | ||||
| 700/20 | 2603421226 | 1.32 | 1.60 | |
| No hay información disponible, no se puede pedir | ||||
| 701 | 1608571062 | |||
| Llave de mandril | ||||
| 701/700 | 2607950007 | 5.96 | 7.21 | |
| Ya no disponible, sin reemplazo | ||||
| 711 | 1617000133 | |||
| Anillo de retención | ||||
| 711/10/2 | 2604601004 | 1.32 | 1.60 | |
| No hay información disponible, no se puede pedir | ||||
| 750 | 2605438294 | |||
| No hay información disponible, no se puede pedir | ||||
| 755 | 1618580000 | |||
| Carcasa del motor | ||||
| 801 | 1617000477 | 15.61 | 18.89 | |
| Armazón | ||||
| 803 | 1614010732 | 91.33 | 110.51 | |
| Cable de alimentación | ||||
| 805 | 1614460026 | 15.61 | 18.89 | |
| KIT DE SERVICIO 115V | ||||
| 811 | 1617014132 | 10.68 | 12.92 | |
| Caja de engranajes | ||||
| 819 | 1617000385 | 33.45 | 40.47 | |
| Brida Intermedia | ||||
| 820 | 1617000981 | 26.62 | 32.21 | |
| Manga de trinquete | ||||
| 821 | 1616490061 | 61.93 | 74.94 | |
| Manga de trinquete | ||||
| 821/01 | 1616490060 | 82.63 | 99.98 | |
| Mango auxiliar M10 | ||||
| 822 | 2602025118 | 12.21 | 14.77 | |
| Mango auxiliar M10 | ||||
| 822/120 | 1612025019 | 5.96 | 7.21 | |
| ANILLO DE SUJECIÓN D38X1,75 | ||||
| 822/124 | 1611316006 | 2.18 | 2.64 | |
| Tornillo de cabeza de martillo M8x40 MM | ||||
| 822/125 | 1613490002 | 3.71 | 4.49 | |
| Abrazadera de Soporte | ||||
| 822/802 | 2608040176 | 5.96 | 7.21 | |
| Manga de engranaje | ||||
| 823 | 1616328042 | 36.85 | 44.59 | |
| Eje Dentado | ||||
| 826 | 1617000517 | 73.72 | 89.20 | |
| Rodamiento de Transmisión En Dibujo Pos.830 | ||||
| 830 | 1615819018 | 55.25 | 66.85 | |
| Manija de Abrazadera | ||||
| 832 | 1612026037 | 8.48 | 10.26 | |
| Funda Protectora | ||||
| 833 | 1617000163 | 6.53 | 7.90 | |
| Anillo de guía | ||||
| 847 | 1617000348 | 12.21 | 14.77 | |
| Tope de profundidad TSF 55 EBQ | ||||
| 879 | 1613001009 | 3.04 | 3.68 | |
| Placa de identificación | ||||
| 888 | 160111A3H5 | 2.18 | 2.64 | |