Aquí encontrará todas las piezas y dibujos técnicos disponibles de 'Bosch 0611213003 ( GBH24V )'. Desde aquí podrá pedir todas las piezas deseadas directamente. Para muchas piezas de repuesto, es necesario pasar un pedido al fabricante. Dependiendo de la marca, el plazo de entrega puede variar entre una y cuatro semanas. Toda la información que tenemos está en nuestro sitio web. No podremos aconsejarle sobre lo que necesita hasta que entregue la máquina para su reparación. Tenga en cuenta lo siguiente a la hora de cursar su pedido:
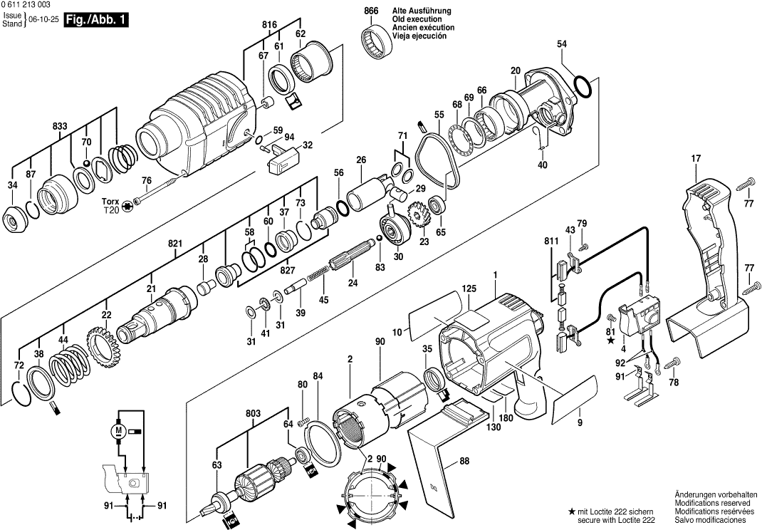
Dibujo técnico de los/las Bosch 0611213003 ( GBH24V )
Lista de las piezas de repuesto de Bosch 0611213003 ( GBH24V )
| Pos. | Descripción | Precio con el IVA excluido | Precio con el IVA incluido | |
| Los precios mostrados incluyen el IVA | ||||
| Caja del Motor AZUL | ||||
| 1 | 1615108046 | 15.71 | 19.01 | |
| Carcasa del polo 24V | ||||
| 2 | 1615100007 | 15.71 | 19.01 | |
| Interruptor de encendido y apagado | ||||
| 4 | 2607200134 | 8.45 | 10.22 | |
| Placa del fabricante GBH 2000 | ||||
| 9 | 1611110255 | 0.83 | 1.00 | |
| Placa del fabricante GBH 2000 | ||||
| 10 | 1611110730 | 3.31 | 4.01 | |
| Cubierta de la Carcasa AZUL | ||||
| 17 | 1615132041 | 10.73 | 12.98 | |
| Brida Intermedia | ||||
| 20 | 1615700037 | 41.30 | 49.97 | |
| Manga de trinquete | ||||
| 21 | 1616490058 | 234.56 | 283.82 | |
| Engranaje Cilíndrico | ||||
| 22 | 1616320007 | 6.53 | 7.90 | |
| Ya no disponible, sin reemplazo | ||||
| 23 | 1616320002 | |||
| Eje Dentado | ||||
| 24 | 1613060010 | 55.56 | 67.23 | |
| Pistón del martillo | ||||
| 26 | 1618700052 | 11.02 | 13.33 | |
| Pasador de golpe | ||||
| 28 | 1613124026 | 2.52 | 3.05 | |
| Pasador del pistón | ||||
| 29 | 1613105012 | 3.04 | 3.68 | |
| Rodamiento de Transmisión En Dibujo Pos.830 | ||||
| 30 | 1615819005 | 30.08 | 36.40 | |
| Disco de soporte | ||||
| 31 | 1610100003 | 1.32 | 1.60 | |
| Manija de Abrazadera | ||||
| 32 | 1612026023 | 2.18 | 2.64 | |
| Tapa protectora | ||||
| 34 | 1610508008 | 1.90 | 2.30 | |
| Anillo de goma 10 MM ANCHO | ||||
| 35 | 1610206021 | 1.32 | 1.60 | |
| Casquillo de amortiguación | ||||
| 37 | 1610390011 | 3.04 | 3.68 | |
| Disco de soporte | ||||
| 38 | 1610102022 | 1.90 | 2.30 | |
| Pasador Cilíndrico | ||||
| 39 | 1613100013 | 1.90 | 2.30 | |
| MUELLE DE RETENCIÓN OSC 18 | ||||
| 40 | 1614690001 | 1.00 | 1.21 | |
| Ensamblaje de jaula de rodillos | ||||
| 41 | 1610920003 | 3.71 | 4.49 | |
| Ya no disponible, sin reemplazo | ||||
| 43 | 2601015047 | |||
| Resorte de compresión | ||||
| 44 | 1614633001 | 1.90 | 2.30 | |
| Resorte de compresión | ||||
| 45 | 1614614001 | 1.00 | 1.21 | |
| Anillo O | ||||
| 54 | 1610210068 | 1.32 | 1.60 | |
| Anillo de sellado | ||||
| 55 | 1610206023 | 2.52 | 3.05 | |
| Anillo O | ||||
| 56 | 1610210070 | 2.18 | 2.64 | |
| Anillo O | ||||
| 58 | 1610210058 | 2.18 | 2.64 | |
| Anillo O | ||||
| 59 | 1610210069 | 1.00 | 1.21 | |
| Anillo O | ||||
| 60 | 1610210073 | 1.90 | 2.30 | |
| Sello de labio del eje rotatorio | ||||
| 61 | 1610283017 | 6.53 | 7.90 | |
| COJINETE DE MANGA | ||||
| 62 | 1610202026 | 4.58 | 5.54 | |
| RODAMIENTO DE BOLAS OSC 18 | ||||
| 63 | 1610905012 | 15.71 | 19.01 | |
| RODAMIENTO DE BOLAS OSC 18 | ||||
| 64 | 2600905032 | 4.58 | 5.54 | |
| Ya no disponible, sin reemplazo | ||||
| 65 | 1900900228 | |||
| Manga de aguja AGC 18 | ||||
| 66 | 1610910063 | 5.27 | 6.38 | |
| Ya no disponible, sin reemplazo | ||||
| 67 | 1610910064 | |||
| Ensamblaje de jaula de rodillos | ||||
| 68 | 1610920004 | 1.90 | 2.30 | |
| Ya no disponible, sin reemplazo | ||||
| 69 | 1610102618 | |||
| Pelota | ||||
| 70 | 1903230013 | 1.90 | 2.30 | |
| Arandela de ajuste 0,4 MM DE ESPESOR | ||||
| 71 | 1610101011 | 1.32 | 1.60 | |
| Anillo de retención | ||||
| 72 | 2916540018 | 3.04 | 3.68 | |
| Anillo de retención | ||||
| 73 | 1614601009 | 1.00 | 1.21 | |
| Tornillo de placa | ||||
| 76 | 1613435009 | 1.32 | 1.60 | |
| Tornillo de placa | ||||
| 77 | 2910211021 | 1.32 | 1.60 | |
| Tornillo para Chapa DIN 7971-B3,9x9,5 | ||||
| 78 | 2910211217 | 1.18 | 1.43 | |
| Tornillo Para Chapa DIN 7971-B 2,9x13 | ||||
| 79 | 2910211206 | 0.83 | 1.00 | |
| Bolt de Embrague | ||||
| 80 | 2603435015 | 1.90 | 2.30 | |
| Tornillo de cabeza cilíndrica | ||||
| 81 | 2603410001 | 1.32 | 1.60 | |
| Pelota | ||||
| 83 | 1903230309 | 1.32 | 1.60 | |
| Brida De Fijación | ||||
| 84 | 1610120024 | 2.24 | 2.71 | |
| Anillo de retención | ||||
| 87 | 160460102S | 1.00 | 1.21 | |
| Soporte DW125 | ||||
| 88 | 1615719016 | 12.41 | 15.02 | |
| Pegatina | ||||
| 89/12 | 2601110999 | 1.00 | 1.21 | |
| MANGUITO AISLANTE | ||||
| 90 | 1610499010 | 3.31 | 4.01 | |
| Ya no disponible, sin reemplazo | ||||
| 91 | 1611329006 | |||
| Cable de conexión | ||||
| 92 | 1614435011 | 2.24 | 2.71 | |
| Perno de bloqueo HKC 55 | ||||
| 94 | 1613120017 | 1.32 | 1.60 | |
| Mango auxiliar M10 | ||||
| 120 | 1612025019 | 5.96 | 7.21 | |
| Abrazadera de Soporte | ||||
| 121 | 1618040048 | 7.32 | 8.86 | |
| Tornillo de cabeza de martillo M8x40 MM | ||||
| 122 | 1613490002 | 3.71 | 4.49 | |
| ANILLO DE SUJECIÓN D38X1,75 | ||||
| 123 | 1611316006 | 2.18 | 2.64 | |
| Pegatina | ||||
| 125 | 2601110325 | 1.18 | 1.43 | |
| Etiqueta Adhesiva BATERÍA RECARGABLE | ||||
| 126 | 1611110274 | 1.18 | 1.43 | |
| No hay información disponible, no se puede pedir | ||||
| 700 | 1617000132 | |||
| Tornillo avellanado VN-HK 85 M5x10 | ||||
| 700/20 | 2603421226 | 1.32 | 1.60 | |
| Mandril | ||||
| 701 | 1608571088 | 26.62 | 32.21 | |
| Llave de mandril | ||||
| 701/700 | 2607950007 | 5.96 | 7.21 | |
| Ya no disponible, sin reemplazo | ||||
| 711 | 1617000133 | |||
| Anillo de retención | ||||
| 711/10/2 | 2604601004 | 1.32 | 1.60 | |
| Ya no disponible, sin reemplazo | ||||
| 712 | 1615439003 | |||
| Casquillo de goma Ø5-7 MM | ||||
| 712/30 | 1610312001 | 0.83 | 1.00 | |
| Casquillo de goma Ø8-10 MM | ||||
| 712/651 | 1610312002 | 0.83 | 1.00 | |
| Mango auxiliar M10 | ||||
| 720 | 2602025070 | 12.21 | 14.77 | |
| Juego de piezas | ||||
| 720/800 | 1617000925 | 13.90 | 16.82 | |
| Caja de transporte | ||||
| 750 | 1615438149 | 0.83 | 1.00 | |
| Tope de profundidad TSF 55 EBQ | ||||
| 751 | 1613001009 | 3.04 | 3.68 | |
| Ya no disponible, sin reemplazo | ||||
| 752 | 1617224007 | |||
| Ya no disponible, sin reemplazo | ||||
| 789 | 1617334003 | |||
| Armazón 24V | ||||
| 803 | 1614010114 | 91.56 | 110.79 | |
| CEPILLO 12X8 M. RESORTE U-CONTACTO | ||||
| 811 | 1617014116 | 15.71 | 19.01 | |
| Caja de engranajes | ||||
| 816 | 1615806077 | 45.52 | 55.08 | |
| Manga de trinquete | ||||
| 821 | 1617000931 | 304.15 | 368.02 | |
| Golpeador | ||||
| 827 | 1617000338 | 26.62 | 32.21 | |
| Funda Protectora | ||||
| 833 | 1617000163 | 6.53 | 7.90 | |
| Manga de aguja AGC 18 | ||||
| 866 | 1610910063 | 5.27 | 6.38 | |
| Tubo de Grasa 45 ml | ||||
| 899 | 3605430009 | 45.52 | 55.08 | |