Aquí encontrará todas las piezas y dibujos técnicos disponibles de 'Bosch 0611246503 ( GBH24VFR )'. Desde aquí podrá pedir todas las piezas deseadas directamente. Para muchas piezas de repuesto, es necesario pasar un pedido al fabricante. Dependiendo de la marca, el plazo de entrega puede variar entre una y cuatro semanas. Toda la información que tenemos está en nuestro sitio web. No podremos aconsejarle sobre lo que necesita hasta que entregue la máquina para su reparación. Tenga en cuenta lo siguiente a la hora de cursar su pedido:
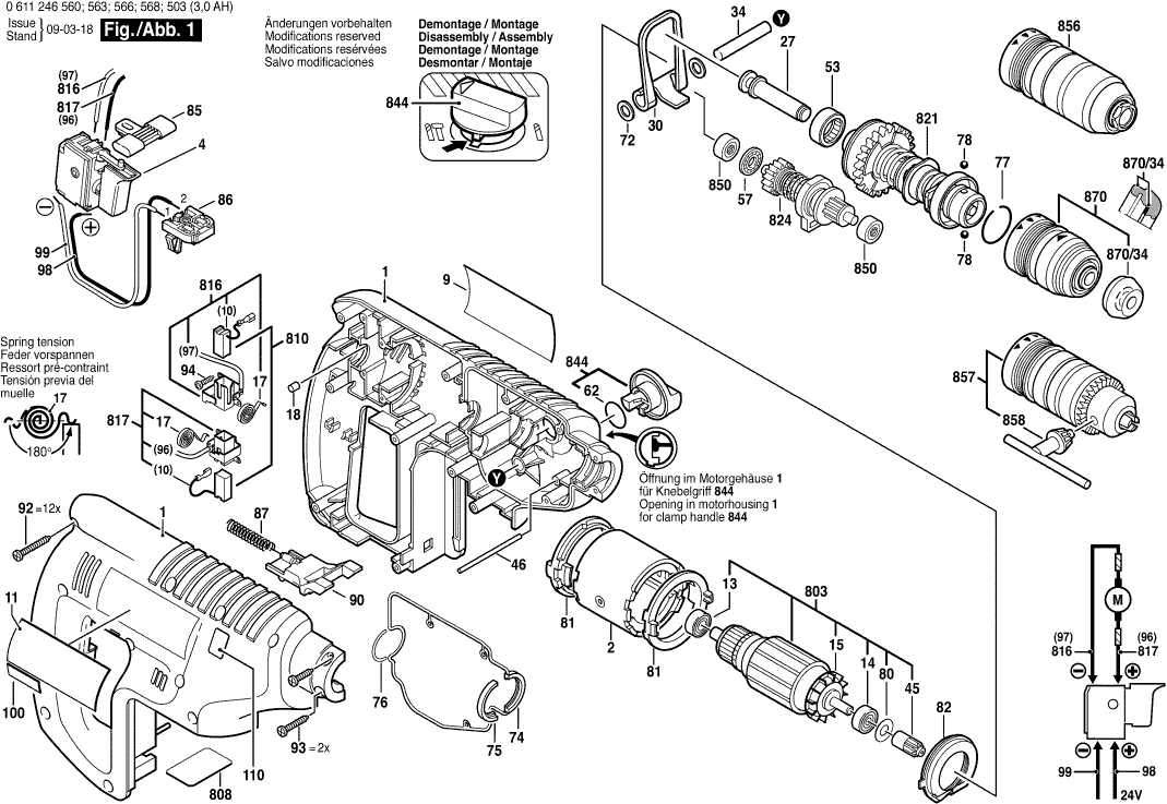
Dibujo técnico de los/las Bosch 0611246503 ( GBH24VFR )
Lista de las piezas de repuesto de Bosch 0611246503 ( GBH24VFR )
| Pos. | Descripción | Precio con el IVA excluido | Precio con el IVA incluido | |
| Los precios mostrados incluyen el IVA | ||||
| Sección de la carcasa AZUL | ||||
| 1 | 1615104011 | 40.61 | 49.14 | |
| Carcasa del polo 14,4-24V | ||||
| 2 | 2610942109 | 20.39 | 24.67 | |
| Ya no disponible, sin reemplazo | ||||
| 4 | 1617200067 | |||
| Ya no disponible, sin reemplazo | ||||
| 9 | 1611110A35 | |||
| Placa de Referencia | ||||
| 11 | 1611110A36 | 3.31 | 4.01 | |
| RODAMIENTO DE BOLAS OSC 18 | ||||
| 13 | 1600905033 | 6.53 | 7.90 | |
| Ya no disponible, sin reemplazo | ||||
| 14 | 2600905052 | |||
| Ventilador Sunon PMD2412PMB1-A | ||||
| 15 | 1616610080 | 4.10 | 4.96 | |
| Muelle en espiral AGC 18 | ||||
| 17 | 1604652013 | 1.32 | 1.60 | |
| Parachoques de goma | ||||
| 18 | 2603100056 | 1.32 | 1.60 | |
| Golpeador | ||||
| 27 | 1618710076 | 4.70 | 5.69 | |
| Ya no disponible, sin reemplazo | ||||
| 30 | 1611911000 | |||
| Pasador de cojinete | ||||
| 34 | 1613100021 | 0.83 | 1.00 | |
| Piñón de transmisión Z=9 | ||||
| 45 | 1616316602 | 13.93 | 16.86 | |
| Pasador Cilíndrico | ||||
| 46 | 1613160022 | 1.00 | 1.21 | |
| Manga de aguja AGC 18 | ||||
| 53 | 1610910077 | 3.71 | 4.49 | |
| Rodamiento de rodillos de empuje NEGRO | ||||
| 57 | 1610920009 | 2.18 | 2.64 | |
| Anillo O | ||||
| 62 | 1610210125 | 1.00 | 1.21 | |
| Arandela de ajuste 0,4 MM DE ESPESOR | ||||
| 72 | 1610100007 | 1.00 | 1.21 | |
| Disco de sellado | ||||
| 74 | 1611015045 | 4.58 | 5.54 | |
| Disco de sellado | ||||
| 75 | 1611015041 | 1.00 | 1.21 | |
| Anillo de sellado | ||||
| 76 | 1610210138 | 1.00 | 1.21 | |
| Anillo de retención | ||||
| 77 | 1614601026 | 1.32 | 1.60 | |
| Pelota | ||||
| 78 | 1903230010 | 1.00 | 1.21 | |
| No hay información disponible, no se puede pedir | ||||
| 80 | 1610100008 | |||
| Anillo de localización | ||||
| 81 | 1610290043 | 1.90 | 2.30 | |
| Anillo deflector de aire | ||||
| 82 | 1610591017 | 3.31 | 4.01 | |
| Deslizador de interruptor | ||||
| 85 | 1613231006 | 1.00 | 1.21 | |
| Ya no disponible, sin reemplazo | ||||
| 86 | 1609280157 | |||
| Resorte de compresión | ||||
| 87 | 1614611012 | 4.70 | 5.69 | |
| Deslizador de captura | ||||
| 90 | 1613231007 | 1.18 | 1.43 | |
| Tornillo de placa | ||||
| 92 | 2912401021 | 1.00 | 1.21 | |
| Tornillo de placa | ||||
| 93 | 2912401019 | 1.00 | 1.21 | |
| Tornillo de placa | ||||
| 94 | 2912401005 | 1.00 | 1.21 | |
| No hay información disponible, no se puede pedir | ||||
| 98 | 1614416012 | |||
| No hay información disponible, no se puede pedir | ||||
| 99 | 1614416011 | |||
| Ya no disponible, sin reemplazo | ||||
| 100 | 1611110914 | |||
| Mango auxiliar M10 | ||||
| 120 | 1612025019 | 5.96 | 7.21 | |
| Abrazadera de soporte Ø43 MM | ||||
| 121 | 1618040067 | 5.83 | 7.05 | |
| Tornillo de cabeza de martillo M8x40 MM | ||||
| 122 | 1613490002 | 3.71 | 4.49 | |
| ANILLO DE SUJECIÓN D38X1,75 | ||||
| 123 | 1611316006 | 2.18 | 2.64 | |
| Tope de profundidad TSF 55 EBQ | ||||
| 652 | 1613001009 | 3.04 | 3.68 | |
| Batería Acumulador 24V, 3,0Ah, NiCd | ||||
| 653 | 2607335223 | 551.30 | 667.07 | |
| Cargador Rápido CN GAL 1230 CV 220/12 V | ||||
| 654 | 2607225027 | 126.98 | 153.65 | |
| Tapa protectora | ||||
| 655 | 1610508032 | 1.90 | 2.30 | |
| Tubo de Grasa 30 ML | ||||
| 661 | 1615430010 | 5.96 | 7.21 | |
| Armazón | ||||
| 803 | 1617000319 | 82.63 | 99.98 | |
| Placa de identificación | ||||
| 808 | 160111A3H5 | 2.18 | 2.64 | |
| Ya no disponible, sin reemplazo | ||||
| 810 | 1617014131 | |||
| Ya no disponible, sin reemplazo | ||||
| 816 | 1617000379 | |||
| Ya no disponible, sin reemplazo | ||||
| 817 | 1617000380 | |||
| Mango Auxiliar Ø43 MM | ||||
| 820 | 1612025049 | 7.58 | 9.17 | |
| Tubo del martillo | ||||
| 821 | 1617000387 | 81.47 | 98.58 | |
| Eje intermedio | ||||
| 824 | 1617000314 | 37.50 | 45.38 | |
| Ya no disponible, sin reemplazo | ||||
| 844 | 1617000322 | |||
| COJINETE | ||||
| 850 | 1617000975 | 5.27 | 6.38 | |
| Mandril sin llave | ||||
| 856 | 1617000332 | 102.63 | 124.18 | |
| Mandril con llave | ||||
| 857 | 1618571029 | 67.98 | 82.26 | |
| Llave de mandril | ||||
| 858 | 2607950007 | 5.96 | 7.21 | |
| Ya no disponible, sin reemplazo | ||||
| 870 | 1617000327 | |||
| Tapa protectora | ||||
| 870/34 | 1610508047 | 1.90 | 2.30 | |