Aquí encontrará todas las piezas y dibujos técnicos disponibles de 'Bosch 3611B3A0H1 ( GBH3-28DRE )'. Desde aquí podrá pedir todas las piezas deseadas directamente. Para muchas piezas de repuesto, es necesario pasar un pedido al fabricante. Dependiendo de la marca, el plazo de entrega puede variar entre una y cuatro semanas. Toda la información que tenemos está en nuestro sitio web. No podremos aconsejarle sobre lo que necesita hasta que entregue la máquina para su reparación. Tenga en cuenta lo siguiente a la hora de cursar su pedido:
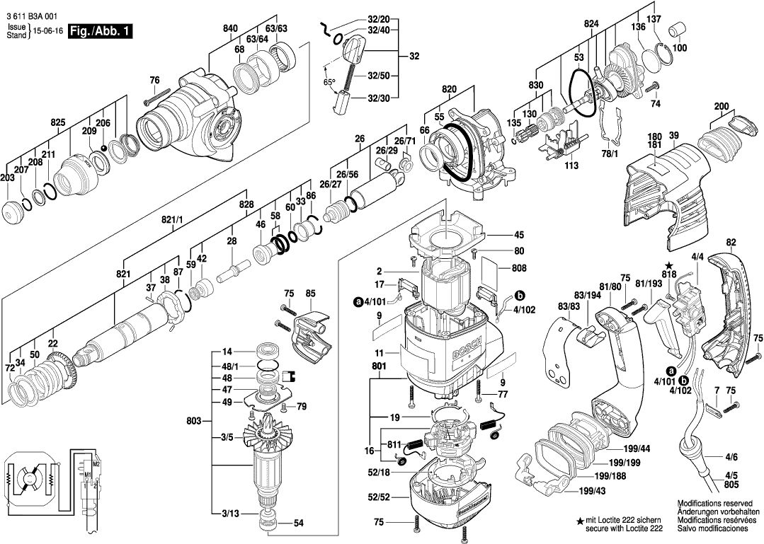
Dibujo técnico de los/las Bosch 3611B3A0H1 ( GBH3-28DRE )
Lista de las piezas de repuesto de Bosch 3611B3A0H1 ( GBH3-28DRE )
| Pos. | Descripción | Precio con el IVA excluido | Precio con el IVA incluido | |
| Los precios mostrados incluyen el IVA | ||||
| Campo 230V | ||||
| 2 | 2604220549 | 33.33 | 40.33 | |
| RODAMIENTO DE BOLAS OSC 18 | ||||
| 3/13 | 1610905032 | 4.58 | 5.54 | |
| Ventilador Sunon PMD2412PMB1-A | ||||
| 3/5 | 1616610104 | 7.32 | 8.86 | |
| Cable de conexión | ||||
| 4/101 | 1614490015 | 2.52 | 3.05 | |
| Cable de conexión | ||||
| 4/102 | 1614490016 | 2.52 | 3.05 | |
| Interruptor | ||||
| 4/4 | 1617200127 | 26.62 | 32.21 | |
| Cable de alimentación | ||||
| 4/5 | 1614460087 | 22.88 | 27.68 | |
| OJAL | ||||
| 4/6 | 1600703034 | 2.18 | 2.64 | |
| Abrazadera de sujeción | ||||
| 7 | 1601302017 | 1.00 | 1.21 | |
| Placa del fabricante GBH 2000 | ||||
| 9 | 160111C0UT | 2.18 | 2.64 | |
| Placa de Referencia | ||||
| 11 | 1611110Z43 | 2.18 | 2.64 | |
| RODAMIENTO DE BOLAS OSC 18 | ||||
| 14 | 1610905044 | 7.32 | 8.86 | |
| Placa del cepillo | ||||
| 16 | 1614336064 | 17.60 | 21.30 | |
| Filtro de interferencias TURBO II R1 ET-BG | ||||
| 17 | 1614465011 | 5.96 | 7.21 | |
| Contacto de Interruptor | ||||
| 19 | 1611329024 | 1.32 | 1.60 | |
| Engranaje Cilíndrico | ||||
| 22 | 1616312004 | 10.68 | 12.92 | |
| Pistón del martillo | ||||
| 26 | 16170006A5 | 37.50 | 45.38 | |
| Golpeador | ||||
| 26/27 | 1610311019 | 17.60 | 21.30 | |
| Pasador del pistón | ||||
| 26/29 | 1600A01TD0 | 3.71 | 4.49 | |
| Anillo O | ||||
| 26/56 | 1610210121 | 2.18 | 2.64 | |
| Disco de Guía | ||||
| 26/71 | 1610100016 | 1.32 | 1.60 | |
| Pasador de golpe | ||||
| 28 | 1613124098 | 17.60 | 21.30 | |
| Manija de Abrazadera | ||||
| 32 | 1612026151 | 12.21 | 14.77 | |
| Pasador de conducción | ||||
| 32/20 | 1614690009 | 3.04 | 3.68 | |
| Botón de interruptor | ||||
| 32/30 | 1612026035 | 1.32 | 1.60 | |
| Anillo O | ||||
| 32/40 | 1610210046 | 1.90 | 2.30 | |
| Resorte de compresión | ||||
| 32/50 | 1614611006 | 3.04 | 3.68 | |
| Casquillo de sujeción | ||||
| 33 | 1610590020 | 5.96 | 7.21 | |
| Disco de soporte | ||||
| 34 | 1610190067 | 1.90 | 2.30 | |
| Pasador Cilíndrico | ||||
| 37 | 1613100019 | 1.32 | 1.60 | |
| Disco De Cierre | ||||
| 38 | 1600A008AG | 3.04 | 3.68 | |
| Cubierta del engranaje | ||||
| 39 | 1615808102 | 11.02 | 13.33 | |
| Arandela de empuje | ||||
| 42 | 1610102084 | 7.32 | 8.86 | |
| Anillo deflector de aire | ||||
| 45 | 1610591046 | 1.32 | 1.60 | |
| Casquillo de guía STM 1800 | ||||
| 46 | 1610390068 | 13.90 | 16.82 | |
| Sello de labio del eje rotatorio | ||||
| 47 | 1610283047 | 10.68 | 12.92 | |
| Anillo de Cojinete | ||||
| 48 | 1610290102 | 5.96 | 7.21 | |
| Anillo O | ||||
| 48/1 | 1610210208 | 1.32 | 1.60 | |
| Escudo de extremo | ||||
| 49 | 1615700044 | 1.90 | 2.30 | |
| Resorte de compresión | ||||
| 50 | 1614615008 | 5.27 | 6.38 | |
| Manga del embrague | ||||
| 52/18 | 1610290098 | 3.71 | 4.49 | |
| Cubierta | ||||
| 52/52 | 1615108154 | 8.48 | 10.26 | |
| Anillo O | ||||
| 53 | 1610210245 | 2.52 | 3.05 | |
| Anillo Intermedio | ||||
| 54 | 1600502023 | 1.90 | 2.30 | |
| Anillo de sellado | ||||
| 55 | 1610210206 | 5.27 | 6.38 | |
| Anillo O | ||||
| 58 | 1610210105 | 3.71 | 4.49 | |
| Anillo de sello del eje | ||||
| 59 | 1600A009VC | 2.52 | 3.05 | |
| Anillo O | ||||
| 60 | 1610210209 | 1.32 | 1.60 | |
| Manga de aguja AGC 18 | ||||
| 63/63 | 1610910063 | 5.27 | 6.38 | |
| MANGUITO EXCÉNTRICO | ||||
| 63/64 | 1610390069 | 1.90 | 2.30 | |
| COJINETE DE MANGA | ||||
| 66 | 1610202021 | 2.18 | 2.64 | |
| Sello de labio del eje rotatorio | ||||
| 68 | 1610283036 | 6.53 | 7.90 | |
| Anillo de retención | ||||
| 72 | 1604601027 | 1.00 | 1.21 | |
| Tornillo Torx con cabeza ovalada 4x30 | ||||
| 74 | 160343000V | 1.00 | 1.21 | |
| Tornillo Torx con cabeza ovalada 4x30 | ||||
| 75 | 2603490023 | 1.00 | 1.21 | |
| Tornillo Torx con cabeza ovalada 4x30 | ||||
| 76 | 2603490027 | 1.00 | 1.21 | |
| Tornillo para roscar M6x25 MM | ||||
| 77 | 1613490017 | 2.18 | 2.64 | |
| Arandela de compensación | ||||
| 78/1 | 1600A003TA | 1.00 | 1.21 | |
| Arandela de compensación | ||||
| 78/1 | 1600A004FU | 1.00 | 1.21 | |
| Arandela de compensación | ||||
| 78/1 | 1600A004FV | 1.00 | 1.21 | |
| Tornillo para roscar M6x25 MM | ||||
| 79 | 1613435023 | 1.00 | 1.21 | |
| Tornillo de engrase AW 10 3x25 | ||||
| 80 | 1613435038 | 1.00 | 1.21 | |
| Trinquete de conmutación | ||||
| 81/193 | 1612026126 | 2.18 | 2.64 | |
| Manija TSC 55 | ||||
| 81/80 | 1615133033 | 9.47 | 11.46 | |
| Placa de mango | ||||
| 82 | 16170006AE | 10.68 | 12.92 | |
| Placa de tornillo | ||||
| 83/194 | 1610099013 | 1.90 | 2.30 | |
| Resorte de Hoja | ||||
| 83/83 | 1614690008 | 4.58 | 5.54 | |
| CUBIERTA | ||||
| 85 | 1615500404 | 2.52 | 3.05 | |
| Anillo de retención | ||||
| 86 | 1614601034 | 1.90 | 2.30 | |
| Anillo de retención | ||||
| 87 | 1604601028 | 1.00 | 1.21 | |
| Parachoques de goma | ||||
| 100 | 1610026003 | 1.32 | 1.60 | |
| Unidad de interruptor | ||||
| 113 | 1616325002 | 10.68 | 12.92 | |
| Mango auxiliar M10 | ||||
| 120 | 160202508Y | 20.39 | 24.67 | |
| Mango auxiliar M10 | ||||
| 120/120 | 160202507H | 9.47 | 11.46 | |
| ANILLO DE SUJECIÓN D38X1,75 | ||||
| 120/124 | 1611316021 | 2.52 | 3.05 | |
| Tornillo de cabeza de martillo M8x80 MM | ||||
| 120/125 | 1613490001 | 7.32 | 8.86 | |
| Abrazadera de Soporte | ||||
| 120/802 | 1617000685 | 4.58 | 5.54 | |
| Manga de engranaje | ||||
| 130 | 1616333049 | 15.61 | 18.89 | |
| Anillo de retención | ||||
| 135 | 1614601067 | 1.32 | 1.60 | |
| Disco de fieltro | ||||
| 136 | 1610205017 | 1.00 | 1.21 | |
| Anillo de bloqueo | ||||
| 137 | 2916660012 | 1.32 | 1.60 | |
| Placa de advertencia | ||||
| 180 | 1611110W08 | 1.94 | 2.35 | |
| Elemento Tensor | ||||
| 199/188 | 1610209008 | 3.04 | 3.68 | |
| Fuelles | ||||
| 199/199 | 1610284002 | 5.27 | 6.38 | |
| Brazo oscilante | ||||
| 199/43 | 1612099002 | 2.18 | 2.64 | |
| Pie basculante | ||||
| 199/44 | 1614611025 | 2.52 | 3.05 | |
| Fuelles | ||||
| 200 | 1610284007 | 5.27 | 6.38 | |
| Tapa protectora | ||||
| 203 | 1610508047 | 1.90 | 2.30 | |
| Pelota | ||||
| 206 | 1613230003 | 1.32 | 1.60 | |
| Anillo de retención | ||||
| 207 | 1614601027 | 1.00 | 1.21 | |
| Arandela de retención 1,8 MM DE ESPESOR | ||||
| 208 | 1610101629 | 1.00 | 1.21 | |
| Arandela de Fricción | ||||
| 209 | 1610102089 | 2.52 | 3.05 | |
| Anillo de retención | ||||
| 211 | 160460102S | 1.00 | 1.21 | |
| Tubo de Grasa 30 ML | ||||
| 661 | 1615430010 | 5.96 | 7.21 | |
| Tope de profundidad TSF 55 EBQ | ||||
| 688 | 1613001009 | 3.04 | 3.68 | |
| Carcasa del motor | ||||
| 801 | 1617000689 | 50.23 | 60.78 | |
| Armazón | ||||
| 803 | 16170006AT | 102.63 | 124.18 | |
| Placa de identificación | ||||
| 808 | 160111A3H5 | 2.18 | 2.64 | |
| KIT DE SERVICIO 115V | ||||
| 811 | 1617000525 | 9.47 | 11.46 | |
| Tornillo de cabeza cilíndrica | ||||
| 818 | 2603410001 | 1.32 | 1.60 | |
| Brida Intermedia | ||||
| 820 | 1617000A5J | 30.08 | 36.40 | |
| CASQUILLO | ||||
| 821 | 1617000692 | 82.63 | 99.98 | |
| CASQUILLO | ||||
| 821/1 | 1617000693 | 91.56 | 110.79 | |
| Eje intermedio | ||||
| 824 | 1617000A5K | 61.93 | 74.94 | |
| CASQUILLO | ||||
| 825 | 1617000695 | 13.90 | 16.82 | |
| Pasador de golpe | ||||
| 828 | 1617000697 | 41.30 | 49.97 | |
| Manga de engranaje | ||||
| 830 | 1617000698 | 30.08 | 36.40 | |
| Caja de Mecanismo de Impacto | ||||
| 840 | 1617000699 | 26.62 | 32.21 | |
| No hay información disponible, no se puede pedir | ||||
| 870 | 1613523011 | |||
| Tornillo avellanado VN-HK 85 M5x10 | ||||
| 870/2 | 2603421207 | 1.32 | 1.60 | |
| Mandril | ||||
| 871 | 1608571069 | 22.88 | 27.68 | |
| Llave de mandril | ||||
| 872 | 2607950007 | 5.96 | 7.21 | |
| Ya no disponible, sin reemplazo | ||||
| 895 | 1615438426 | |||