Aquí encontrará todas las piezas y dibujos técnicos disponibles de 'Bosch 3611J07051 ( GBH36VF-LIPLUS )'. Desde aquí podrá pedir todas las piezas deseadas directamente. Para muchas piezas de repuesto, es necesario pasar un pedido al fabricante. Dependiendo de la marca, el plazo de entrega puede variar entre una y cuatro semanas. Toda la información que tenemos está en nuestro sitio web. No podremos aconsejarle sobre lo que necesita hasta que entregue la máquina para su reparación. Tenga en cuenta lo siguiente a la hora de cursar su pedido:
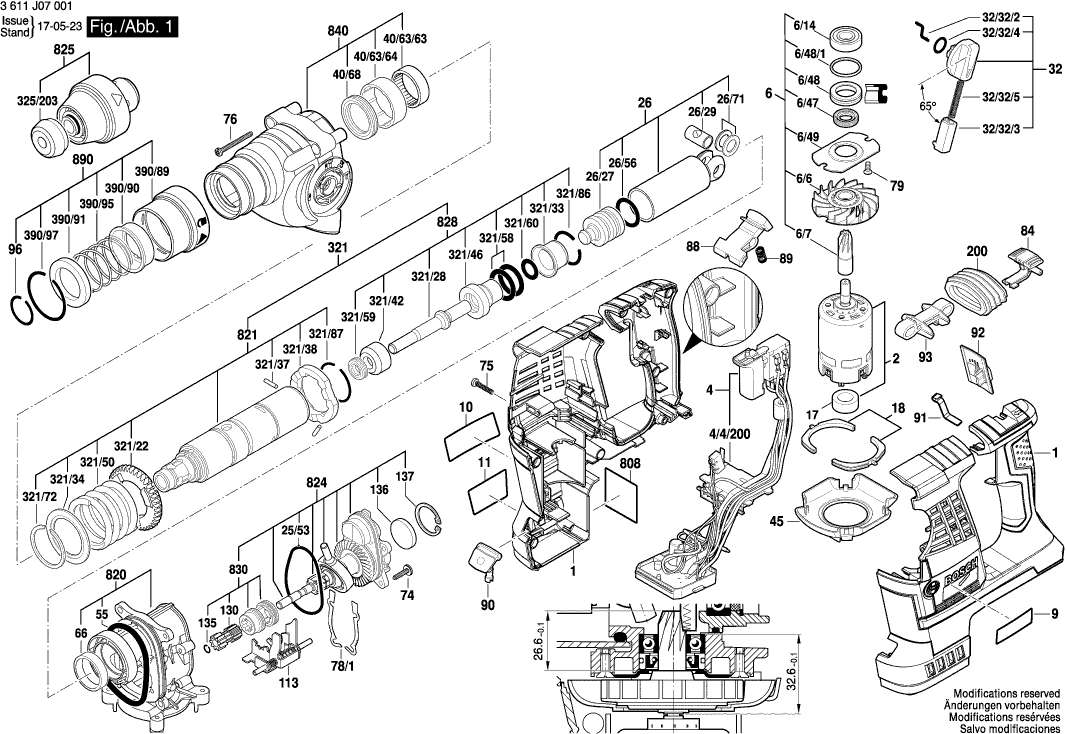
Dibujo técnico de los/las Bosch 3611J07051 ( GBH36VF-LIPLUS )
Lista de las piezas de repuesto de Bosch 3611J07051 ( GBH36VF-LIPLUS )
| Pos. | Descripción | Precio con el IVA excluido | Precio con el IVA incluido | |
| Los precios mostrados incluyen el IVA | ||||
| Sección de la carcasa | ||||
| 1 | 16051082D9 | 29.75 | 36.00 | |
| Motor de corriente continua | ||||
| 2 | 1607022662 | 126.98 | 153.65 | |
| Módulo electrónico | ||||
| 4 | 1600A00A4B | 114.26 | 138.25 | |
| Retenedor de Contacto | ||||
| 4/4/200 | 1609280A56 | 13.90 | 16.82 | |
| Piñón de Accionamiento | ||||
| 6 | 1617000A5F | 33.33 | 40.33 | |
| RODAMIENTO DE BOLAS OSC 18 | ||||
| 6/14 | 1610905044 | 7.32 | 8.86 | |
| Sello de labio del eje rotatorio | ||||
| 6/47 | 1610283047 | 10.68 | 12.92 | |
| Anillo de Cojinete | ||||
| 6/48 | 1610290102 | 5.96 | 7.21 | |
| Anillo O | ||||
| 6/48/1 | 1610210208 | 1.32 | 1.60 | |
| Escudo de extremo | ||||
| 6/49 | 1615700044 | 1.90 | 2.30 | |
| Ventilador Sunon PMD2412PMB1-A | ||||
| 6/6 | 1616610157 | 4.58 | 5.54 | |
| Piñón de Accionamiento | ||||
| 6/7 | 1600A01143 | 15.61 | 18.89 | |
| Placa del fabricante GBH 2000 | ||||
| 9 | 161111C023 | 2.18 | 2.64 | |
| Placa del fabricante GBH 2000 | ||||
| 10 | 161111C025 | 2.18 | 2.64 | |
| Placa de Referencia | ||||
| 11 | 161111C02G | 2.52 | 3.05 | |
| Anillo de soporte | ||||
| 17 | 1600A001HK | 1.90 | 2.30 | |
| Rodamiento del motor | ||||
| 18 | 1600A001FP | 8.48 | 10.26 | |
| Anillo O | ||||
| 25/53 | 1610210245 | 2.52 | 3.05 | |
| Pistón del martillo | ||||
| 26 | 16170006A5 | 37.50 | 45.38 | |
| Golpeador | ||||
| 26/27 | 1610311019 | 17.60 | 21.30 | |
| Pasador del pistón | ||||
| 26/29 | 1613105020 | 4.58 | 5.54 | |
| Pasador del pistón | ||||
| 26/29 | 1600A01TD0 | 3.71 | 4.49 | |
| Anillo O | ||||
| 26/56 | 1610210121 | 2.18 | 2.64 | |
| Disco de Guía | ||||
| 26/71 | 1610100016 | 1.32 | 1.60 | |
| Manija de Abrazadera | ||||
| 32 | 1612026151 | 12.21 | 14.77 | |
| Pasador de conducción | ||||
| 32/32/2 | 1614690009 | 3.04 | 3.68 | |
| Botón de interruptor | ||||
| 32/32/3 | 1612026035 | 1.32 | 1.60 | |
| Anillo O | ||||
| 32/32/4 | 1610210046 | 1.90 | 2.30 | |
| Resorte de compresión | ||||
| 32/32/5 | 1614611006 | 3.04 | 3.68 | |
| Manga de aguja AGC 18 | ||||
| 40/63/63 | 1600A001CN | 2.18 | 2.64 | |
| MANGUITO EXCÉNTRICO | ||||
| 40/63/64 | 1610390069 | 1.90 | 2.30 | |
| Sello de labio del eje rotatorio | ||||
| 40/68 | 1610283036 | 6.53 | 7.90 | |
| Anillo deflector de aire | ||||
| 45 | 1610591055 | 2.18 | 2.64 | |
| Anillo de sellado | ||||
| 55 | 1610210206 | 5.27 | 6.38 | |
| COJINETE DE MANGA | ||||
| 66 | 1610202021 | 2.18 | 2.64 | |
| Tornillo Torx con cabeza ovalada 4x30 | ||||
| 74 | 160343000V | 1.00 | 1.21 | |
| Tornillo Torx con cabeza ovalada 4x30 | ||||
| 75 | 2603490023 | 1.00 | 1.21 | |
| Tornillo Torx con cabeza ovalada 4x30 | ||||
| 76 | 2603490027 | 1.00 | 1.21 | |
| Arandela de compensación | ||||
| 78/1 | 1600A003TA | 1.00 | 1.21 | |
| Arandela de compensación | ||||
| 78/1 | 1600A004FU | 1.00 | 1.21 | |
| Arandela de compensación | ||||
| 78/1 | 1600A004FV | 1.00 | 1.21 | |
| Tornillo para roscar M6x25 MM | ||||
| 79 | 1613435023 | 1.00 | 1.21 | |
| Deslizador de interruptor | ||||
| 84 | 1600A001E5 | 1.00 | 1.21 | |
| Botón | ||||
| 88 | 1600A001CM | 2.18 | 2.64 | |
| Resorte de compresión | ||||
| 89 | 1604612007 | 1.90 | 2.30 | |
| LENTE | ||||
| 90 | 1600A001E3 | 1.90 | 2.30 | |
| Resorte de Hoja | ||||
| 91 | 1601200006 | 1.00 | 1.21 | |
| Elemento de control | ||||
| 92 | 1600A001ED | 2.18 | 2.64 | |
| VARILLA | ||||
| 93 | 1600A0022Y | 2.18 | 2.64 | |
| Anillo de retención | ||||
| 96 | 1614601046 | 1.32 | 1.60 | |
| Unidad de interruptor | ||||
| 113 | 1616325002 | 10.68 | 12.92 | |
| Mango auxiliar M10 | ||||
| 120 | 160202508Y | 20.39 | 24.67 | |
| Mango auxiliar M10 | ||||
| 120/120 | 160202507H | 9.47 | 11.46 | |
| ANILLO DE SUJECIÓN D38X1,75 | ||||
| 120/124 | 1611316021 | 2.52 | 3.05 | |
| Tornillo de cabeza de martillo M8x80 MM | ||||
| 120/125 | 1613490001 | 7.32 | 8.86 | |
| Abrazadera de Soporte | ||||
| 120/802 | 1617000685 | 4.58 | 5.54 | |
| Manga de engranaje | ||||
| 130 | 1616333049 | 15.61 | 18.89 | |
| Anillo de retención | ||||
| 135 | 1614601067 | 1.32 | 1.60 | |
| Disco de fieltro | ||||
| 136 | 1610205017 | 1.00 | 1.21 | |
| Anillo de bloqueo | ||||
| 137 | 2916660012 | 1.32 | 1.60 | |
| Fuelles | ||||
| 200 | 1600A001CL | 4.58 | 5.54 | |
| Embrague de herramienta | ||||
| 321 | 16170006BV | 45.52 | 55.08 | |
| Engranaje Cilíndrico | ||||
| 321/22 | 1616312004 | 10.68 | 12.92 | |
| Pasador de golpe | ||||
| 321/28 | 1613124097 | 20.39 | 24.67 | |
| Casquillo de sujeción | ||||
| 321/33 | 1610590020 | 5.96 | 7.21 | |
| Disco de soporte | ||||
| 321/34 | 1610190067 | 1.90 | 2.30 | |
| Pasador Cilíndrico | ||||
| 321/37 | 1613100019 | 1.32 | 1.60 | |
| Disco De Cierre | ||||
| 321/38 | 1600A008AG | 3.04 | 3.68 | |
| Arandela de empuje | ||||
| 321/42 | 1610102084 | 7.32 | 8.86 | |
| Casquillo de guía STM 1800 | ||||
| 321/46 | 1610390068 | 13.90 | 16.82 | |
| Resorte de compresión | ||||
| 321/50 | 1614615008 | 5.27 | 6.38 | |
| Anillo O | ||||
| 321/58 | 1610210105 | 3.71 | 4.49 | |
| Anillo de sello del eje | ||||
| 321/59 | 1600A009VC | 2.52 | 3.05 | |
| Anillo O | ||||
| 321/60 | 1610210209 | 1.32 | 1.60 | |
| Anillo de retención | ||||
| 321/72 | 1604601027 | 1.00 | 1.21 | |
| Anillo de retención | ||||
| 321/86 | 1614601034 | 1.90 | 2.30 | |
| Anillo de retención | ||||
| 321/87 | 1604601028 | 1.00 | 1.21 | |
| Tapa protectora | ||||
| 325/203 | 1610508047 | 1.90 | 2.30 | |
| OJAL | ||||
| 390/89 | 1610499059 | 3.71 | 4.49 | |
| Casquillo de brida KS 60 E | ||||
| 390/90 | 1610590016 | 3.71 | 4.49 | |
| Anillo de respaldo | ||||
| 390/91 | 1610200033 | 2.52 | 3.05 | |
| Resorte de compresión | ||||
| 390/95 | 1614643016 | 1.90 | 2.30 | |
| Anillo de retención | ||||
| 390/97 | 1614601047 | 1.32 | 1.60 | |
| Tope de profundidad TSF 55 EBQ | ||||
| 651 | 1613001009 | 3.04 | 3.68 | |
| Paquete de Batería Deslizante | ||||
| 653 | 1607A3504R | 342.01 | 413.83 | |
| Paquete de baterías | ||||
| 653 | 2607336893 | 340.97 | 412.57 | |
| Paquete de Batería GBA 36V 6,0Ah H-C Japón | ||||
| 653 | 1607A350RD | 304.19 | 368.07 | |
| Paquete de Batería GBA 36V 4,0Ah H-C Japón | ||||
| 653 | 1607A350R4 | 262.05 | 317.08 | |
| Cargador Rápido CN GAL 1230 CV 220/12 V | ||||
| 654 | 2607225909 | 126.98 | 153.65 | |
| Tubo de Grasa 30 ML | ||||
| 661 | 1615430010 | 5.96 | 7.21 | |
| Placa de identificación | ||||
| 808 | 160111A3H9 | 2.18 | 2.64 | |
| Placa de identificación | ||||
| 808 | 160111A92J | 2.18 | 2.64 | |
| Brida Intermedia | ||||
| 820 | 1617000A5J | 30.08 | 36.40 | |
| CASQUILLO | ||||
| 821 | 16170006BU | 67.98 | 82.26 | |
| Eje intermedio | ||||
| 824 | 1617000A5K | 61.93 | 74.94 | |
| CASQUILLO | ||||
| 825 | 1617000895 | 41.30 | 49.97 | |
| Pasador de golpe | ||||
| 828 | 16170006A7 | 50.23 | 60.78 | |
| Manga de engranaje | ||||
| 830 | 1617000698 | 30.08 | 36.40 | |
| Caja de Mecanismo de Impacto | ||||
| 840 | 1617000699 | 26.62 | 32.21 | |
| OJAL | ||||
| 890 | 1617000V41 | 9.47 | 11.46 | |