Aquí encontrará todas las piezas y dibujos técnicos disponibles de 'Bosch 0601136108 ( GBM1 )'. Desde aquí podrá pedir todas las piezas deseadas directamente. Para muchas piezas de repuesto, es necesario pasar un pedido al fabricante. Dependiendo de la marca, el plazo de entrega puede variar entre una y cuatro semanas. Toda la información que tenemos está en nuestro sitio web. No podremos aconsejarle sobre lo que necesita hasta que entregue la máquina para su reparación. Tenga en cuenta lo siguiente a la hora de cursar su pedido:
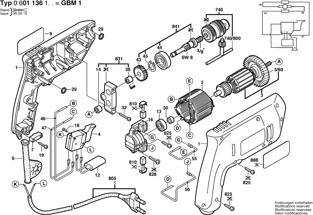
Dibujo técnico de los/las Bosch 0601136108 ( GBM1 )
Lista de las piezas de repuesto de Bosch 0601136108 ( GBM1 )
| Pos. | Descripción | Precio con el IVA excluido | Precio con el IVA incluido | |
| Los precios mostrados incluyen el IVA | ||||
| Sección de la carcasa AZUL | ||||
| 1 | 2605104342 | 11.88 | 14.37 | |
| Campo 220-230V | ||||
| 2 | 2604220506 | 13.93 | 16.86 | |
| ARMADURA 230V | ||||
| 3 | 2604010838 | 36.85 | 44.59 | |
| Ventilador Sunon PMD2412PMB1-A | ||||
| 3/60 | 2606610027 | 2.52 | 3.05 | |
| Interruptor de encendido y apagado | ||||
| 4 | 2607200276 | 11.88 | 14.37 | |
| OJAL | ||||
| 6 | 2600707061 | 2.52 | 3.05 | |
| OJAL | ||||
| 6 | 2600707062 | 1.32 | 1.60 | |
| Clip de cable | ||||
| 7 | 2601035001 | 1.32 | 1.60 | |
| Placa del fabricante LADO SOL | ||||
| 9 | 2609130059 | 2.71 | 3.28 | |
| Condensador de supresión de interferencias | ||||
| 12 | 2607329128 | 2.71 | 3.28 | |
| RODAMIENTO DE BOLAS OSC 18 | ||||
| 13 | 2600905032 | 4.58 | 5.54 | |
| Manga de aguja AGC 18 | ||||
| 14 | 2600917003 | 2.52 | 3.05 | |
| Placa del cepillo | ||||
| 16 | 2605807039 | 5.83 | 7.05 | |
| Tornillo de cabeza cilíndrica | ||||
| 18 | 2603410001 | 1.32 | 1.60 | |
| Tornillo auto roscante DIN 7981-ST3,9x16-C-H | ||||
| 19 | 2910611019 | 2.52 | 3.05 | |
| Anillo O | ||||
| 29 | 1900210000 | 1.32 | 1.60 | |
| Anillo espaciador | ||||
| 30 | 2600209004 | 1.94 | 2.35 | |
| Tornillo Torx con cabeza ovalada 4x30 | ||||
| 32 | 2603490024 | 1.32 | 1.60 | |
| Tapa de sellado | ||||
| 33 | 2605500111 | 1.18 | 1.43 | |
| Manga de aguja AGC 18 | ||||
| 36 | 2600917004 | 3.04 | 3.68 | |
| Engranaje Cilindrico Z=55 | ||||
| 43 | 2606319060 | 13.93 | 16.86 | |
| RODAMIENTO DE BOLAS OSC 18 | ||||
| 44 | 1900905232 | 20.39 | 24.67 | |
| Anillo de bloqueo | ||||
| 45 | 2916650001 | 2.18 | 2.64 | |
| Cable de conexión | ||||
| 46 | 2604448152 | 1.18 | 1.43 | |
| Cable de conexión | ||||
| 47 | 2604448153 | 1.18 | 1.43 | |
| Cable de conexión | ||||
| 55 | 2604448016 | 1.32 | 1.60 | |
| Cable de conexión | ||||
| 56 | 2604448034 | 1.32 | 1.60 | |
| Ya no disponible, sin reemplazo | ||||
| 740 | 1608571047 | |||
| Llave de mandril | ||||
| 740/800 | 2607950007 | 5.96 | 7.21 | |
| Cable de alimentación | ||||
| 805 | 1607000227 | 22.88 | 27.68 | |
| Ya no disponible, sin reemplazo | ||||
| 810 | 2607014004 | |||
| Tornillo de placa | ||||
| 825 | 2910611007 | 1.00 | 1.21 | |
| Tornillo de placa | ||||
| 828 | 2910611020 | 1.32 | 1.60 | |
| Puente de cojinete | ||||
| 831 | 2605807922 | 12.41 | 15.02 | |
| Ya no disponible, sin reemplazo | ||||
| 841 | 2606135916 | |||
| Placa de identificación | ||||
| 888 | 160111A3H3 | 2.18 | 2.64 | |