Aquí encontrará todas las piezas y dibujos técnicos disponibles de 'Bosch 0601164703 ( GBM10-2RE )'. Desde aquí podrá pedir todas las piezas deseadas directamente. Para muchas piezas de repuesto, es necesario pasar un pedido al fabricante. Dependiendo de la marca, el plazo de entrega puede variar entre una y cuatro semanas. Toda la información que tenemos está en nuestro sitio web. No podremos aconsejarle sobre lo que necesita hasta que entregue la máquina para su reparación. Tenga en cuenta lo siguiente a la hora de cursar su pedido:
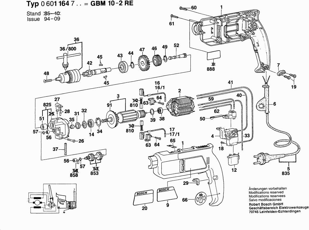
Dibujo técnico de los/las Bosch 0601164703 ( GBM10-2RE )
Lista de las piezas de repuesto de Bosch 0601164703 ( GBM10-2RE )
| Pos. | Descripción | Precio con el IVA excluido | Precio con el IVA incluido | |
| Los precios mostrados incluyen el IVA | ||||
| Sección de la carcasa AZUL | ||||
| 1 | 2605104212 | 29.75 | 36.00 | |
| Ya no disponible, sin reemplazo | ||||
| 2 | 2604220423 | |||
| Armazón 220V | ||||
| 3 | 2604010620 | 40.61 | 49.14 | |
| Interruptor | ||||
| 4 | 2607200202 | 37.50 | 45.38 | |
| OJAL | ||||
| 6 | 2600707059 | 3.04 | 3.68 | |
| OJAL | ||||
| 6 | 2600707061 | 2.52 | 3.05 | |
| OJAL | ||||
| 6 | 2600707060 | 2.18 | 2.64 | |
| Clip de cable | ||||
| 7 | 2601035001 | 1.32 | 1.60 | |
| Pegatina | ||||
| 9 | 2601110888 | 1.94 | 2.35 | |
| Ya no disponible, sin reemplazo | ||||
| 12 | 2607329114 | |||
| RODAMIENTO DE BOLAS OSC 18 | ||||
| 14 | 2600905021 | 7.32 | 8.86 | |
| Ya no disponible, sin reemplazo | ||||
| 16 | 2604465064 | |||
| Ya no disponible, sin reemplazo | ||||
| 17 | 2604465063 | |||
| Tornillo de cabeza cilíndrica | ||||
| 18 | 2603410001 | 1.32 | 1.60 | |
| Tornillo auto roscante DIN 7981-ST3,9x16-C-H | ||||
| 19 | 2910611019 | 2.52 | 3.05 | |
| Placa de Referencia | ||||
| 20 | 2601110440 | 0.83 | 1.00 | |
| Tornillo de chapa de cabeza cilíndrica | ||||
| 26 | 2603435005 | 0.83 | 1.00 | |
| Perilla rotativa D34 M6/8T azul | ||||
| 27 | 2602026042 | 5.33 | 6.45 | |
| Capucha de trinquete | ||||
| 28 | 2600590006 | 1.32 | 1.60 | |
| Ya no disponible, sin reemplazo | ||||
| 29 | 2601022000 | |||
| Arandela de fieltro D 20/14 2mm | ||||
| 31 | 2600108002 | 1.90 | 2.30 | |
| Arandela cóncava | ||||
| 32 | 2600500002 | 1.32 | 1.60 | |
| Conductor de tierra | ||||
| 33 | 2604448097 | 1.32 | 1.60 | |
| Anillo de bloqueo | ||||
| 34 | 2916660008 | 1.90 | 2.30 | |
| Receptáculo | ||||
| 35 | 2600400008 | 1.32 | 1.60 | |
| No hay información disponible, no se puede pedir | ||||
| 36 | 1608571061 | |||
| Llave de mandril | ||||
| 36/800 | 2607950007 | 5.96 | 7.21 | |
| Tira de fieltro | ||||
| 37 | 2601005009 | 1.18 | 1.43 | |
| Ya no disponible, sin reemplazo | ||||
| 38 | 2600905029 | |||
| Anillo O | ||||
| 39 | 1900210012 | 1.00 | 1.21 | |
| Cable de conexión L=154 MM BLANCO | ||||
| 40 | 2604448000 | 1.18 | 1.43 | |
| Cable de Conexión L=124 MM BLANCO | ||||
| 41 | 2604448018 | 1.94 | 2.35 | |
| Husillo de perforación 1/2"-20 UNF | ||||
| 42 | 2606135017 | 44.82 | 54.23 | |
| RODAMIENTO DE BOLAS OSC 18 | ||||
| 43 | 1900905163 | 9.47 | 11.46 | |
| Anillo de bloqueo | ||||
| 44 | 2916650008 | 1.32 | 1.60 | |
| Pelota | ||||
| 45 | 1903230006 | 1.90 | 2.30 | |
| Engranaje Recto Z=35 | ||||
| 46 | 2606317051 | 10.73 | 12.98 | |
| Engranaje Cilíndrico Z=48 | ||||
| 47 | 2606317050 | 12.41 | 15.02 | |
| Tornillo avellanado M6x20 MM HILO IZQUIERDO | ||||
| 48 | 2603421211 | 1.70 | 2.06 | |
| Anillo de bloqueo | ||||
| 49 | 2916650006 | 1.32 | 1.60 | |
| Interruptor | ||||
| 50 | 1617200042 | 13.90 | 16.82 | |
| Manga de aguja AGC 18 | ||||
| 51 | 2600910000 | 4.70 | 5.69 | |
| Eje de control Z=20 | ||||
| 52 | 2603105035 | 8.45 | 10.22 | |
| Manga de aguja AGC 18 | ||||
| 56 | 2600914010 | 2.52 | 3.05 | |
| Arandela de compensación | ||||
| 57 | 2600100607 | 1.32 | 1.60 | |
| Cable De Conexión L=115MM AZUL | ||||
| 59 | 2604448096 | 1.18 | 1.43 | |
| Tornillo de placa | ||||
| 60 | 2912401020 | 1.90 | 2.30 | |
| Tornillo Torx con cabeza ovalada 4x30 | ||||
| 61 | 2603490018 | 1.00 | 1.21 | |
| Cable de conexión | ||||
| 62 | 2604448034 | 1.32 | 1.60 | |
| Ya no disponible, sin reemplazo | ||||
| 63 | 2601015054 | |||
| Tornillo Torx con cabeza ovalada 4x30 | ||||
| 64 | 2603490017 | 1.90 | 2.30 | |
| Pegatina | ||||
| 65 | 2601110445 | 1.18 | 1.43 | |
| Pegatina AMARILLO | ||||
| 66 | 2601110230 | 1.18 | 1.43 | |
| Ventilador Sunon PMD2412PMB1-A | ||||
| 91 | 2606610022 | 3.71 | 4.49 | |
| KIT DE SERVICIO 115V | ||||
| 810 | 2604321905 | 9.47 | 11.46 | |
| Ya no disponible, sin reemplazo | ||||
| 825 | 2605807911 | |||
| Cable de alimentación | ||||
| 835 | 1607000227 | 22.88 | 27.68 | |
| Eje con engranaje Z= 9/22/21 | ||||
| 853 | 2606100912 | 36.85 | 44.59 | |
| Anillo O | ||||
| 858 | 1900210129 | 2.18 | 2.64 | |
| No hay información disponible, no se puede pedir | ||||
| 859 | 2603239013 | |||
| Placa de identificación | ||||
| 888 | 160111A3H3 | 2.18 | 2.64 | |