Aquí encontrará todas las piezas y dibujos técnicos disponibles de 'Bosch 0601933358 ( GBM9,6VSP-3 )'. Desde aquí podrá pedir todas las piezas deseadas directamente. Para muchas piezas de repuesto, es necesario pasar un pedido al fabricante. Dependiendo de la marca, el plazo de entrega puede variar entre una y cuatro semanas. Toda la información que tenemos está en nuestro sitio web. No podremos aconsejarle sobre lo que necesita hasta que entregue la máquina para su reparación. Tenga en cuenta lo siguiente a la hora de cursar su pedido:
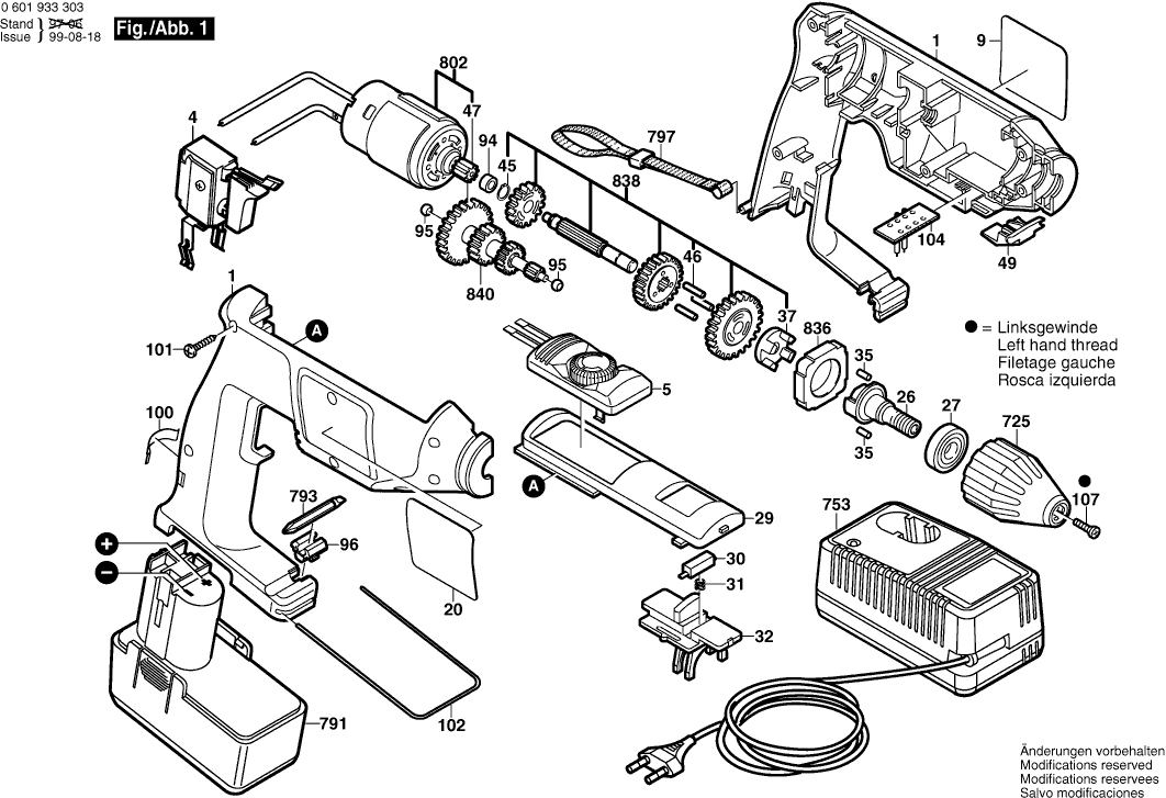
Dibujo técnico de los/las Bosch 0601933358 ( GBM9,6VSP-3 )
Lista de las piezas de repuesto de Bosch 0601933358 ( GBM9,6VSP-3 )
| Pos. | Descripción | Precio con el IVA excluido | Precio con el IVA incluido | |
| Los precios mostrados incluyen el IVA | ||||
| Cubierta de manija AZUL | ||||
| 1 | 2605104398 | 13.93 | 16.86 | |
| Ya no disponible, sin reemplazo | ||||
| 4 | 2607200320 | |||
| Control de Par | ||||
| 5 | 2607233030 | 13.93 | 16.86 | |
| Placa del fabricante LADO SOL | ||||
| 9 | 2601118357 | 1.70 | 2.06 | |
| Placa de referencia LADO SOMBRA | ||||
| 20 | 2601118358 | 1.70 | 2.06 | |
| Husillo de perforación 3/8" | ||||
| 26 | 2606135055 | 8.45 | 10.22 | |
| RODAMIENTO DE BOLAS OSC 18 | ||||
| 27 | 1900905127 | 26.62 | 32.21 | |
| Pieza de Inserción NEGRO | ||||
| 29 | 2605510119 | 3.31 | 4.01 | |
| Stop ROJO | ||||
| 30 | 2601099035 | 3.31 | 4.01 | |
| Resorte de compresión | ||||
| 31 | 2604619012 | 1.18 | 1.43 | |
| Deslizador de ajuste | ||||
| 32 | 2601099036 | 1.70 | 2.06 | |
| RODILLO | ||||
| 35 | 2602329024 | 1.18 | 1.43 | |
| Impulsor | ||||
| 37 | 2606440003 | 2.71 | 3.28 | |
| Anillo de bloqueo | ||||
| 45 | 2916640005 | 1.00 | 1.21 | |
| RODILLO DE AGUJA | ||||
| 46 | 2603101041 | 1.18 | 1.43 | |
| Piñón Z=11 | ||||
| 47 | 2606316138 | 2.71 | 3.28 | |
| Insertar SYS-ISC 240 | ||||
| 49 | 2605510117 | 1.32 | 1.60 | |
| Casquillo de Metal Sinterizado | ||||
| 94 | 2600301011 | 1.32 | 1.60 | |
| Casquillo de Metal Sinterizado | ||||
| 95 | 2600302002 | 1.32 | 1.60 | |
| Soporte | ||||
| 96 | 2608040131 | 1.70 | 2.06 | |
| Resorte de abrazadera | ||||
| 100 | 2601322016 | 1.90 | 2.30 | |
| Tornillo Torx con cabeza ovalada 4x30 | ||||
| 101 | 2603490022 | 1.00 | 1.21 | |
| Soporte de retención | ||||
| 102 | 2601329041 | 1.32 | 1.60 | |
| Retenedor de Contacto | ||||
| 104 | 2608018004 | 5.27 | 6.38 | |
| Tornillo avellanado VN-HK 85 M5x10 | ||||
| 107 | 2609110721 | 1.90 | 2.30 | |
| Soporte | ||||
| 108 | 2602180001 | 1.00 | 1.21 | |
| Mandril sin llave | ||||
| 725 | 2608572214 | 45.52 | 55.08 | |
| Cargador Rápido EU 230/7,2-24V, 1h | ||||
| 753 | 2607224425 | 130.32 | 157.69 | |
| Cargador Rápido EU 230/7,2-14,4V, 30 MIN. | ||||
| 753 | 2607224701 | 101.94 | 123.35 | |
| Paquete de Batería Insertable 9,6V, 1,5 Ah, NiCd | ||||
| 791 | 2607336143 | 101.94 | 123.35 | |
| Lámina de destornillador 6 MM | ||||
| 793 | 2608521018 | 3.71 | 4.49 | |
| Ya no disponible, sin reemplazo | ||||
| 797 | 2601398009 | |||
| Motor DC 9,6-12V | ||||
| 802 | 2607022914 | 33.45 | 40.47 | |
| Anillo de bloqueo | ||||
| 836 | 2600202025 | 4.70 | 5.69 | |
| Eje Intermedio Z= 42/53/67 | ||||
| 838 | 2606100917 | 20.42 | 24.71 | |
| Caja de Transmisión Intmd. Z= 66/35/24/10 | ||||
| 840 | 2606100918 | 13.93 | 16.86 | |
| No hay información disponible, no se puede pedir | ||||
| 899 | 0601933327 | |||