Aquí encontrará todas las piezas y dibujos técnicos disponibles de 'Bosch 0601276903 ( GBS100A )'. Desde aquí podrá pedir todas las piezas deseadas directamente. Para muchas piezas de repuesto, es necesario pasar un pedido al fabricante. Dependiendo de la marca, el plazo de entrega puede variar entre una y cuatro semanas. Toda la información que tenemos está en nuestro sitio web. No podremos aconsejarle sobre lo que necesita hasta que entregue la máquina para su reparación. Tenga en cuenta lo siguiente a la hora de cursar su pedido:
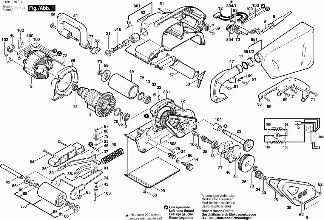
Dibujo técnico de los/las Bosch 0601276903 ( GBS100A )
Lista de las piezas de repuesto de Bosch 0601276903 ( GBS100A )
| Pos. | Descripción | Precio con el IVA excluido | Precio con el IVA incluido | |
| Los precios mostrados incluyen el IVA | ||||
| Campo 230-240V | ||||
| 2 | 2610908605 | 55.25 | 66.85 | |
| Ya no disponible, sin reemplazo | ||||
| 3 | 2610908607 | |||
| Ya no disponible, sin reemplazo | ||||
| 5 | 3604460526 | |||
| OJAL | ||||
| 6 | 3600707503 | 3.04 | 3.68 | |
| Clip de cable | ||||
| 7 | 2601035001 | 1.32 | 1.60 | |
| Ya no disponible, sin reemplazo | ||||
| 9 | 2610923793 | |||
| Ya no disponible, sin reemplazo | ||||
| 11 | 2610992403 | |||
| Ya no disponible, sin reemplazo | ||||
| 12 | 3607328501 | |||
| RODAMIENTO DE BOLAS OSC 18 | ||||
| 13 | 1900905161 | 20.39 | 24.67 | |
| RODAMIENTO DE BOLAS | ||||
| 14 | 1619P01511 | 5.96 | 7.21 | |
| PORTACEPILLO | ||||
| 16 | 2610994411 | 1.70 | 2.06 | |
| Ya no disponible, sin reemplazo | ||||
| 21 | 2610994437 | |||
| Eje con engranaje | ||||
| 23 | 2610908618 | 30.08 | 36.40 | |
| Arandela 8X21X1 | ||||
| 24 | 2610993575 | 15.61 | 18.89 | |
| Arandela 8X21X1 | ||||
| 25 | 2610908621 | 20.39 | 24.67 | |
| TRANSMISIÓN SA | ||||
| 26 | 2610994443 | 33.33 | 40.33 | |
| Adjunto | ||||
| 27 | 3601015503 | 2.24 | 2.71 | |
| Ya no disponible, sin reemplazo | ||||
| 28 | 3604736505 | |||
| Placa de soporte de lijadora | ||||
| 29 | 2610908625 | 22.88 | 27.68 | |
| Cubierta de manija AZUL | ||||
| 30 | 2610994470 | 7.58 | 9.17 | |
| Placa de Cerámica | ||||
| 32 | 2610908628 | 2.52 | 3.05 | |
| Anillo de bloqueo | ||||
| 33 | 1600146001 | 1.32 | 1.60 | |
| Resorte de compresión | ||||
| 34 | 2610990029 | 2.18 | 2.64 | |
| Cubierta del engranaje | ||||
| 35 | 2610990025 | 8.48 | 10.26 | |
| Placa de protección | ||||
| 36 | 3605510525 | 11.02 | 13.33 | |
| Palanca KA 65 | ||||
| 37 | 3601923502 | 13.90 | 16.82 | |
| Ya no disponible, sin reemplazo | ||||
| 38 | 2610908629 | |||
| Tapa protectora | ||||
| 39 | 2610908630 | 2.18 | 2.64 | |
| Ya no disponible, sin reemplazo | ||||
| 40 | 3604619500 | |||
| Marco de Soporte | ||||
| 41 | 2610908632 | 20.42 | 24.71 | |
| PERNO DE AJUSTE | ||||
| 42 | 2610908634 | 10.68 | 12.92 | |
| Tornillo hexagonal | ||||
| 43 | 3603453500 | 3.04 | 3.68 | |
| Tornillo de ajuste | ||||
| 44 | 2610908637 | 4.58 | 5.54 | |
| No hay información disponible, no se puede pedir | ||||
| 45 | 2610908638 | |||
| Cubierta del engranaje | ||||
| 46 | 2610993630 | 22.88 | 27.68 | |
| Carcasa del ventilador | ||||
| 47 | 3605500579 | 5.96 | 7.21 | |
| RING | ||||
| 48 | 2610911048 | 2.18 | 2.64 | |
| Polea | ||||
| 49 | 2610908642 | 33.33 | 40.33 | |
| Etiqueta de Advertencia | ||||
| 51 | 1619P06526 | 2.18 | 2.64 | |
| Placa de Referencia | ||||
| 52 | 2610911699 | 2.71 | 3.28 | |
| Tapa de polvo | ||||
| 53 | 2610908651 | 2.52 | 3.05 | |
| Mango auxiliar M10 | ||||
| 54 | 2610908652 | 10.73 | 12.98 | |
| Tornillo de cabeza plana | ||||
| 55 | 2610908653 | 2.18 | 2.64 | |
| Tuerca hexagonal | ||||
| 56 | 2610387875 | 2.18 | 2.64 | |
| Solapa de Ajuste | ||||
| 57 | 2610908655 | 8.45 | 10.22 | |
| Dispositivo de ajuste | ||||
| 58 | 2610908656 | 2.18 | 2.64 | |
| Disco de cobertura | ||||
| 59 | 2610908657 | 1.94 | 2.35 | |
| Tornillo de cabeza cilíndrica | ||||
| 60 | 2610911095 | 2.18 | 2.64 | |
| TORNILLO M4X35 | ||||
| 61 | 3603415540 | 2.18 | 2.64 | |
| TORNILLO M4X35 | ||||
| 62 | 3603429514 | 1.32 | 1.60 | |
| Arandela plana | ||||
| 63 | 2916011010 | 1.00 | 1.21 | |
| TORNILLO M4X35 | ||||
| 64 | 3603429513 | 1.32 | 1.60 | |
| Anillo de bloqueo | ||||
| 65 | 2916650003 | 1.32 | 1.60 | |
| Lavadora | ||||
| 66 | 2610908658 | 2.18 | 2.64 | |
| Retenedor De Resorte | ||||
| 67 | 3603315500 | 2.18 | 2.64 | |
| Ya no disponible, sin reemplazo | ||||
| 69 | 2610910566 | |||
| Ya no disponible, sin reemplazo | ||||
| 70 | 2910611424 | |||
| Ya no disponible, sin reemplazo | ||||
| 71 | 2910611028 | |||
| Tornillo de placa | ||||
| 72 | 2610996051 | 1.70 | 2.06 | |
| Tuerca hexagonal | ||||
| 73 | 2610990040 | 2.18 | 2.64 | |
| Arandela de Resorte Ø27,5x38,4 MM | ||||
| 74 | 3600150505 | 2.18 | 2.64 | |
| Anillo de bloqueo | ||||
| 75 | 2610908661 | 2.18 | 2.64 | |
| Arandela de compensación | ||||
| 76 | 3600100504 | 2.18 | 2.64 | |
| Arandela plana | ||||
| 77 | 2916011014 | 1.00 | 1.21 | |
| Ya no disponible, sin reemplazo | ||||
| 78 | 2910611013 | |||
| Resorte de compresión | ||||
| 79 | 2610990039 | 4.58 | 5.54 | |
| Tuerca hexagonal | ||||
| 80 | 2610908663 | 2.18 | 2.64 | |
| Arandela de bloqueo DIN 433-5,3-ST | ||||
| 83 | 3600151505 | 1.94 | 2.35 | |
| Tornillo de engrase AW 10 3x25 | ||||
| 84 | 2910641082 | 1.00 | 1.21 | |
| Disco | ||||
| 85 | 2610991341 | 1.32 | 1.60 | |
| Arandela de compensación | ||||
| 86 | 2610992475 | 1.32 | 1.60 | |
| Rodamiento de agujas Ø12xØ16x10 MM | ||||
| 88 | 3600910504 | 4.70 | 5.69 | |
| Sello de labio del eje rotatorio | ||||
| 89 | 1600290016 | 2.18 | 2.64 | |
| Deflector | ||||
| 99 | 2610908665 | 5.96 | 7.21 | |
| Alambre de plomo | ||||
| 100 | 2610908666 | 4.10 | 4.96 | |
| Cable de Plomo | ||||
| 102 | 2610908668 | 4.58 | 5.54 | |
| Pasador | ||||
| 103 | 3603405509 | 2.18 | 2.64 | |
| Ya no disponible, sin reemplazo | ||||
| 104 | 3600301501 | |||
| COJINETE | ||||
| 105 | 3600301502 | 2.52 | 3.05 | |
| Guardacables | ||||
| 109 | 3604680500 | 2.18 | 2.64 | |
| BOLSA PARA POLVO | ||||
| 651 | 2610997000 | 36.85 | 44.59 | |
| Ya no disponible, sin reemplazo | ||||
| 651/2 | 3601253503 | |||
| Carcasa del motor | ||||
| 801 | 2610991330 | 67.25 | 81.37 | |
| Ya no disponible, sin reemplazo | ||||
| 804 | 3607200507 | |||
| Tornillo de cabeza cilíndrica | ||||
| 804/1 | 3603433506 | 1.94 | 2.35 | |
| Placa de identificación | ||||
| 808 | 1619P02727 | 2.71 | 3.28 | |
| Placa de identificación | ||||
| 808 | 1619P02728 | 1.94 | 2.35 | |
| Ya no disponible, sin reemplazo | ||||
| 810 | 2610908678 | |||
| Alojamiento | ||||
| 831 | 2610907550 | 209.26 | 253.20 | |
| Rodillo de tensión | ||||
| 850 | 2610908644 | 41.30 | 49.97 | |