Aquí encontrará todas las piezas y dibujos técnicos disponibles de 'Bosch 0601435103 ( GDS30 )'. Desde aquí podrá pedir todas las piezas deseadas directamente. Para muchas piezas de repuesto, es necesario pasar un pedido al fabricante. Dependiendo de la marca, el plazo de entrega puede variar entre una y cuatro semanas. Toda la información que tenemos está en nuestro sitio web. No podremos aconsejarle sobre lo que necesita hasta que entregue la máquina para su reparación. Tenga en cuenta lo siguiente a la hora de cursar su pedido:
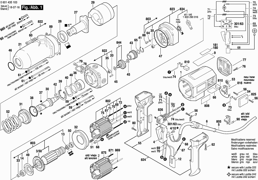
Dibujo técnico de los/las Bosch 0601435103 ( GDS30 )
Lista de las piezas de repuesto de Bosch 0601435103 ( GDS30 )
| Pos. | Descripción | Precio con el IVA excluido | Precio con el IVA incluido | |
| Los precios mostrados incluyen el IVA | ||||
| Carcasa del motor | ||||
| 1 | 3605108091 | 33.33 | 40.33 | |
| Ventilador Sunon PMD2412PMB1-A | ||||
| 3/50 | 1606610122 | 2.52 | 3.05 | |
| Interruptor | ||||
| 4 | 1607200079 | 33.33 | 40.33 | |
| Tornillo de cabeza cilíndrica | ||||
| 4/10 | 2910011082 | 1.00 | 1.21 | |
| OJAL | ||||
| 6 | 3600703011 | 2.52 | 3.05 | |
| Abrazadera de sujeción | ||||
| 7 | 1601302014 | 2.18 | 2.64 | |
| Pegatina | ||||
| 9 | 3601110614 | 2.18 | 2.64 | |
| Filtro de interferencias TURBO II R1 ET-BG | ||||
| 12 | 2607329096 | 6.53 | 7.90 | |
| RODAMIENTO DE BOLAS OSC 18 | ||||
| 13 | 2600905032 | 4.58 | 5.54 | |
| RODAMIENTO DE BOLAS OSC 18 | ||||
| 14 | 3600905131 | 9.47 | 11.46 | |
| Pasador Cilíndrico | ||||
| 20 | 2917500119 | 1.00 | 1.21 | |
| Cojinete Del Husillo | ||||
| 21 | 3605806222 | 67.98 | 82.26 | |
| Mitad de Acoplamiento | ||||
| 27 | 1606455054 | 210.30 | 254.46 | |
| Anillo espaciador | ||||
| 28 | 3600202019 | 22.88 | 27.68 | |
| Golpeador | ||||
| 29 | 1608710028 | 262.05 | 317.08 | |
| EJE DE TRANSMISIÓN | ||||
| 30 | 1603124106 | 146.07 | 176.74 | |
| Anillo de respaldo | ||||
| 31 | 3600220019 | 114.26 | 138.25 | |
| Anillo deflector de aire | ||||
| 32 | 1600502019 | 3.04 | 3.68 | |
| Anillo Intermedio | ||||
| 33 | 3600300042 | 8.48 | 10.26 | |
| Manga de aguja AGC 18 | ||||
| 35 | 1600910018 | 4.58 | 5.54 | |
| RODAMIENTO DE BOLAS OSC 18 | ||||
| 36 | 1900905281 | 30.08 | 36.40 | |
| Pelota | ||||
| 37 | 1903230015 | 2.18 | 2.64 | |
| Pelota | ||||
| 38 | 1903230009 | 1.00 | 1.21 | |
| Anillo de bloqueo | ||||
| 39 | 1600119004 | 2.52 | 3.05 | |
| Arandela de Resorte Ø27,5x38,4 MM | ||||
| 40 | 1600150009 | 2.52 | 3.05 | |
| Anillo de bloqueo | ||||
| 41 | 2916650006 | 1.32 | 1.60 | |
| Llave Paralela | ||||
| 42 | 1902300083 | 1.00 | 1.21 | |
| Engranaje Cilíndrico | ||||
| 43 | 3606301006 | 67.98 | 82.26 | |
| Arandela de compensación | ||||
| 45 | 1600100617 | 1.32 | 1.60 | |
| Anillo O | ||||
| 46 | 3600210131 | 3.04 | 3.68 | |
| Anillo O | ||||
| 47 | 1600210005 | 2.52 | 3.05 | |
| Anillo de goma 10 MM ANCHO | ||||
| 48 | 1600206022 | 1.90 | 2.30 | |
| Cubierta del cojinete RTS 400 REQ | ||||
| 49 | 3605500043 | 3.71 | 4.49 | |
| Anillo Intermedio | ||||
| 50 | 1600502011 | 2.18 | 2.64 | |
| Resorte de compresión | ||||
| 51 | 1604613006 | 1.32 | 1.60 | |
| Resorte de compresión | ||||
| 52 | 3604610059 | 17.60 | 21.30 | |
| Muelle en espiral AGC 18 | ||||
| 53 | 160465202K | 2.18 | 2.64 | |
| Tornillo de cabeza cilíndrica | ||||
| 54 | 2910021118 | 1.00 | 1.21 | |
| Tira de Aislamiento | ||||
| 55 | 3602317025 | 2.18 | 2.64 | |
| Tornillo de placa | ||||
| 56 | 2910211019 | 1.00 | 1.21 | |
| Tornillo de engrase AW 10 3x25 | ||||
| 59 | 3603435040 | 1.32 | 1.60 | |
| Tornillo de cabeza hexagonal | ||||
| 60 | 2910151170 | 1.32 | 1.60 | |
| Tornillo de engrase AW 10 3x25 | ||||
| 61 | 3603435041 | 1.32 | 1.60 | |
| Tornillo de placa | ||||
| 62 | 3603435027 | 1.00 | 1.21 | |
| Arandela plana | ||||
| 64 | 3600120013 | 1.00 | 1.21 | |
| Arandela de ajuste 0,4 MM DE ESPESOR | ||||
| 65 | 1600101600 | 1.32 | 1.60 | |
| Pegatina | ||||
| 66 | 3601110370 | 3.04 | 3.68 | |
| Tubo retractil | ||||
| 67 | 1600712027 | 1.32 | 1.60 | |
| Cable Elect. Con Conexion | ||||
| 68 | 3604448044 | 3.04 | 3.68 | |
| Cable de conexión | ||||
| 69 | 3604438025 | 6.53 | 7.90 | |
| Cable de conexión | ||||
| 70 | 1604438012 | 6.53 | 7.90 | |
| Cable de conexión | ||||
| 71 | 3604460135 | 7.32 | 8.86 | |
| Cable de conexión | ||||
| 72 | 3604438008 | 7.32 | 8.86 | |
| Filtro de interferencias TURBO II R1 ET-BG | ||||
| 73 | 3604503036 | 4.58 | 5.54 | |
| Filtro de interferencias TURBO II R1 ET-BG | ||||
| 74 | 3604503037 | 4.58 | 5.54 | |
| Guardacables | ||||
| 75 | 3601025003 | 1.32 | 1.60 | |
| Tornillo Torx con cabeza ovalada 4x30 | ||||
| 76 | 2914201527 | 1.90 | 2.30 | |
| CUBIERTA | ||||
| 77 | 3605500062 | 11.02 | 13.33 | |
| Bucle de suspensión | ||||
| 78 | 3601310013 | 20.39 | 24.67 | |
| Tornillo de cabeza hexagonal | ||||
| 79 | 2910131193 | 1.00 | 1.21 | |
| Tornillo Torx con cabeza ovalada 4x30 | ||||
| 80 | 2914201508 | 1.00 | 1.21 | |
| Tubo retractil | ||||
| 81 | 3600707022 | 3.04 | 3.68 | |
| Tornillo de cabeza cilíndrica | ||||
| 88 | 3603435045 | 1.00 | 1.21 | |
| Disco de sellado | ||||
| 89 | 3601023010 | 5.96 | 7.21 | |
| Arandela De Pestaña | ||||
| 90 | 1601030022 | 1.32 | 1.60 | |
| Cable de conexión | ||||
| 301/63 | 3604412002 | 6.53 | 7.90 | |
| Mango auxiliar M10 | ||||
| 650 | 160202509Z | 13.90 | 16.82 | |
| Mango auxiliar M10 | ||||
| 650 | 16020250A1 | 12.21 | 14.77 | |
| Ya no disponible, sin reemplazo | ||||
| 700 | 0607950926 | |||
| Ya no disponible, sin reemplazo | ||||
| 712 | 1608500009 | |||
| Ya no disponible, sin reemplazo | ||||
| 751 | 1603527017 | |||
| Campo 230V | ||||
| 802 | 3604220138 | 82.63 | 99.98 | |
| Armazón | ||||
| 803 | 3604010071 | 166.62 | 201.61 | |
| Cable de alimentación | ||||
| 805 | 1607000227 | 22.88 | 27.68 | |
| Placa de identificación | ||||
| 808 | 160111A3H3 | 2.18 | 2.64 | |
| KIT DE SERVICIO 115V | ||||
| 810 | 3607014012 | 22.88 | 27.68 | |
| PORTACEPILLO | ||||
| 816 | 3604336012 | 5.27 | 6.38 | |
| Caja de engranajes | ||||
| 822 | 3607031648 | 126.98 | 153.65 | |
| Brida Intermedia | ||||
| 823 | 3605806168 | 82.63 | 99.98 | |
| Manija TSC 55 | ||||
| 824 | 3605132064 | 22.88 | 27.68 | |
| Tapa de sellado AZUL | ||||
| 825 | 3605500060 | 1.18 | 1.43 | |
| Interruptor | ||||
| 826 | 3607200000 | 17.60 | 21.30 | |
| Sello de labio del eje rotatorio | ||||
| 834 | 3600290070 | 10.68 | 12.92 | |
| Eje del engranaje | ||||
| 844 | 1607000C6N | 91.33 | 110.51 | |
| MUELLE DE RETENCIÓN OSC 18 | ||||
| 855 | 3607000094 | 12.21 | 14.77 | |
| Tornillo de cabeza hexagonal | ||||
| 860 | 3603414028 | 1.32 | 1.60 | |
| Cable de conexión | ||||
| 869 | 3604460009 | 5.33 | 6.45 | |
| Cable de conexión | ||||
| 871 | 1604438013 | 5.83 | 7.05 | |
| Guardacables | ||||
| 875 | 1601025001 | 1.32 | 1.60 | |
| Guardacables | ||||
| 875 | 3601025003 | 1.32 | 1.60 | |