Aquí encontrará todas las piezas y dibujos técnicos disponibles de 'Bosch 0601213703 ( GEB1000CE )'. Desde aquí podrá pedir todas las piezas deseadas directamente. Para muchas piezas de repuesto, es necesario pasar un pedido al fabricante. Dependiendo de la marca, el plazo de entrega puede variar entre una y cuatro semanas. Toda la información que tenemos está en nuestro sitio web. No podremos aconsejarle sobre lo que necesita hasta que entregue la máquina para su reparación. Tenga en cuenta lo siguiente a la hora de cursar su pedido:
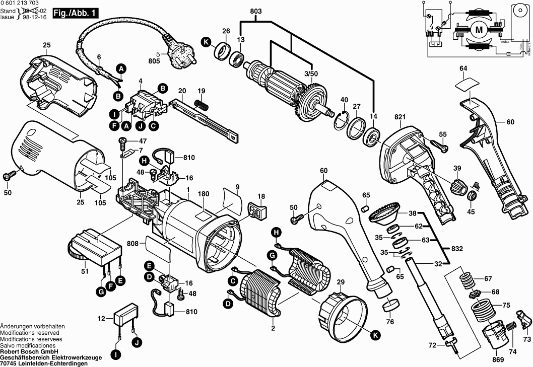
Dibujo técnico de los/las Bosch 0601213703 ( GEB1000CE )
Lista de las piezas de repuesto de Bosch 0601213703 ( GEB1000CE )
| Pos. | Descripción | Precio con el IVA excluido | Precio con el IVA incluido | |
| Los precios mostrados incluyen el IVA | ||||
| Carcasa del motor | ||||
| 1 | 1605108213 | 7.32 | 8.86 | |
| Campo 230V | ||||
| 2 | 1607000F0P | 30.08 | 36.40 | |
| Campo 230V | ||||
| 2 | 1604220459 | 13.11 | 15.86 | |
| Ventilador Sunon PMD2412PMB1-A | ||||
| 3/50 | 1606610129 | 1.90 | 2.30 | |
| Interruptor | ||||
| 4 | 1607200086 | 9.47 | 11.46 | |
| Tornillo de cabeza cilíndrica | ||||
| 4/10 | 2910110048 | 1.00 | 1.21 | |
| OJAL | ||||
| 6 | 2600703011 | 2.52 | 3.05 | |
| Abrazadera de sujeción | ||||
| 7 | 1601302017 | 1.00 | 1.21 | |
| Placa del fabricante GBH 2000 | ||||
| 9 | 1601118791 | 2.71 | 3.28 | |
| Filtro de interferencias TURBO II R1 ET-BG | ||||
| 12 | 1607328042 | 5.96 | 7.21 | |
| RODAMIENTO DE BOLAS OSC 18 | ||||
| 13 | 2600905032 | 4.58 | 5.54 | |
| RODAMIENTO DE BOLAS OSC 18 | ||||
| 14 | 1600905016 | 8.48 | 10.26 | |
| PORTACEPILLO | ||||
| 16 | 1601323025 | 3.04 | 3.68 | |
| Capucha de trinquete | ||||
| 18 | F016F05700 | 1.00 | 1.21 | |
| Resorte de compresión | ||||
| 19 | 1604611026 | 1.00 | 1.21 | |
| Deslizador de ajuste | ||||
| 20 | 1602319010 | 1.32 | 1.60 | |
| Cubierta de la Carcasa AZUL | ||||
| 25 | 1605190144 | 9.53 | 11.53 | |
| Anillo Intermedio | ||||
| 26 | 1600502023 | 1.90 | 2.30 | |
| Anillo de goma 10 MM ANCHO | ||||
| 27 | 1600206025 | 1.90 | 2.30 | |
| Anillo deflector de aire | ||||
| 29 | 1600591025 | 2.18 | 2.64 | |
| EJE DE TRANSMISIÓN | ||||
| 32 | 2603020028 | 29.75 | 36.00 | |
| Arandela de compensación | ||||
| 35 | 2600101091 | 1.90 | 2.30 | |
| Arandela de compensación | ||||
| 35 | 2600101088 | 1.32 | 1.60 | |
| Engranaje de Corona | ||||
| 38 | 2606100064 | 8.48 | 10.26 | |
| Arandela 8X21X1 | ||||
| 39 | 2606333034 | 5.33 | 6.45 | |
| Anillo de bloqueo | ||||
| 40 | 1600119011 | 1.90 | 2.30 | |
| Tuerca hexagonal | ||||
| 45 | 1603300016 | 1.32 | 1.60 | |
| Tornillo de placa | ||||
| 47 | 2912401018 | 1.00 | 1.21 | |
| Tornillo de placa | ||||
| 48 | 2912401005 | 1.00 | 1.21 | |
| Tornillo de chapa TORX-T20 | ||||
| 50 | 1603435061 | 1.70 | 2.06 | |
| Regulador de velocidad 230-240V | ||||
| 51 | 1607233130 | 55.25 | 66.85 | |
| Tornillo para roscar M6x25 MM | ||||
| 55 | 1603435062 | 1.70 | 2.06 | |
| Sección de la carcasa AZUL | ||||
| 60 | 1605132133 | 18.19 | 22.01 | |
| RODAMIENTO DE BOLAS OSC 18 | ||||
| 62 | 1600900042 | 5.27 | 6.38 | |
| RODAMIENTO DE BOLAS OSC 18 | ||||
| 63 | 1900905121 | 17.60 | 21.30 | |
| Placa de advertencia | ||||
| 64 | 1601118792 | 2.71 | 3.28 | |
| Parachoques de goma | ||||
| 65 | 2603100056 | 1.32 | 1.60 | |
| Resorte de compresión | ||||
| 67 | 2604616009 | 1.00 | 1.21 | |
| Ya no disponible, sin reemplazo | ||||
| 68 | 2600190089 | |||
| Ya no disponible, sin reemplazo | ||||
| 72 | 2601290022 | |||
| Ya no disponible, sin reemplazo | ||||
| 73 | 2602319016 | |||
| Ya no disponible, sin reemplazo | ||||
| 74 | 2604611046 | |||
| Resorte de compresión | ||||
| 75 | 2604615013 | 0.83 | 1.00 | |
| Brida de sujeción VN-HK 85 | ||||
| 76 | 2600290038 | 1.00 | 1.21 | |
| Placa aislante | ||||
| 105 | 1601008006 | 2.24 | 2.71 | |
| Armazón | ||||
| 803 | 1604010640 | 61.93 | 74.94 | |
| Cable de alimentación | ||||
| 805 | 1607000227 | 22.88 | 27.68 | |
| Placa de identificación | ||||
| 808 | 160111A3H3 | 2.18 | 2.64 | |
| KIT DE SERVICIO 115V | ||||
| 810 | 1607014176 | 11.02 | 13.33 | |
| Caja de engranajes | ||||
| 821 | 1605806485 | 29.75 | 36.00 | |
| EJE DE TRANSMISIÓN | ||||
| 832 | 1607000861 | 55.25 | 66.85 | |
| Ya no disponible, sin reemplazo | ||||
| 869 | 2600499053 | |||