Aquí encontrará todas las piezas y dibujos técnicos disponibles de 'Bosch 0601214103 ( GGS6S )'. Desde aquí podrá pedir todas las piezas deseadas directamente. Para muchas piezas de repuesto, es necesario pasar un pedido al fabricante. Dependiendo de la marca, el plazo de entrega puede variar entre una y cuatro semanas. Toda la información que tenemos está en nuestro sitio web. No podremos aconsejarle sobre lo que necesita hasta que entregue la máquina para su reparación. Tenga en cuenta lo siguiente a la hora de cursar su pedido:
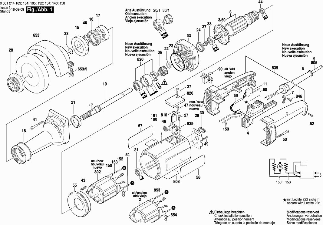
Dibujo técnico de los/las Bosch 0601214103 ( GGS6S )
Lista de las piezas de repuesto de Bosch 0601214103 ( GGS6S )
| Pos. | Descripción | Precio con el IVA excluido | Precio con el IVA incluido | |
| Los precios mostrados incluyen el IVA | ||||
| Carcasa del motor | ||||
| 1 | 3605108092 | 26.62 | 32.21 | |
| Armazón | ||||
| 3 | 1619P13611 | 41.30 | 49.97 | |
| Ventilador Sunon PMD2412PMB1-A | ||||
| 3/50 | 1606610122 | 2.52 | 3.05 | |
| Interruptor | ||||
| 4 | 1607200064 | 41.30 | 49.97 | |
| OJAL | ||||
| 6 | 3600703011 | 2.52 | 3.05 | |
| Abrazadera de sujeción | ||||
| 7 | 1601302014 | 2.18 | 2.64 | |
| Filtro de interferencias TURBO II R1 ET-BG | ||||
| 11 | 3607328000 | 4.10 | 4.96 | |
| Ya no disponible, sin reemplazo | ||||
| 15 | 1605703065 | |||
| Anillo Roscado | ||||
| 16 | 1603344005 | 26.62 | 32.21 | |
| RODAMIENTO DE BOLAS OSC 18 | ||||
| 17 | 1900900352 | 26.62 | 32.21 | |
| Cojinete Del Husillo | ||||
| 18 | 3605806084 | 166.62 | 201.61 | |
| Husillo de rectificado | ||||
| 19 | 3603160000 | 75.38 | 91.21 | |
| Anillo de goma 10 MM ANCHO | ||||
| 21 | 1600206029 | 2.18 | 2.64 | |
| Sello de labio del eje rotatorio | ||||
| 22 | 1600290016 | 2.18 | 2.64 | |
| Anillo O | ||||
| 23 | 1600210031 | 1.00 | 1.21 | |
| Anillo Intermedio | ||||
| 24 | 1600221003 | 2.18 | 2.64 | |
| Tornillo de placa | ||||
| 27 | 2910211019 | 1.00 | 1.21 | |
| Brida de bloqueo rápido | ||||
| 28 | 3603301010 | 146.07 | 176.74 | |
| Placa de cubierta | ||||
| 29 | 3601038049 | 1.18 | 1.43 | |
| OJAL | ||||
| 30 | 1600306001 | 2.18 | 2.64 | |
| Anillo Intermedio | ||||
| 31 | 1600502011 | 2.18 | 2.64 | |
| Anillo de retención | ||||
| 33 | 2916600009 | 1.00 | 1.21 | |
| Engranaje Cilíndrico | ||||
| 36 | 3606320015 | 67.98 | 82.26 | |
| Anillo Intermedio | ||||
| 37 | 1600300090 | 3.04 | 3.68 | |
| RODAMIENTO DE BOLAS OSC 18 | ||||
| 38 | 3600905131 | 9.47 | 11.46 | |
| Chaveta de Woodruff | ||||
| 40 | 1900023006 | 2.18 | 2.64 | |
| Tornillo Torx con cabeza ovalada 4x30 | ||||
| 41 | 3603435057 | 1.32 | 1.60 | |
| Resorte de compresión | ||||
| 43 | 1604613006 | 1.32 | 1.60 | |
| RODAMIENTO DE BOLAS OSC 18 | ||||
| 44 | 2600905032 | 4.58 | 5.54 | |
| Tornillo de cabeza cilíndrica | ||||
| 47 | 2910021118 | 1.00 | 1.21 | |
| Muelle en espiral AGC 18 | ||||
| 48 | 1604652006 | 1.32 | 1.60 | |
| Tornillo de placa | ||||
| 49 | 2910211011 | 1.00 | 1.21 | |
| Tornillo Torx con cabeza ovalada 4x30 | ||||
| 50 | 2914201531 | 1.00 | 1.21 | |
| Tornillo Torx con cabeza ovalada 4x30 | ||||
| 52 | 2914201508 | 1.00 | 1.21 | |
| Rodamiento intermedio | ||||
| 53 | 3605820045 | 91.33 | 110.51 | |
| Guardacables | ||||
| 54 | 3601025003 | 1.32 | 1.60 | |
| Anillo deflector de aire | ||||
| 55 | 1600502019 | 3.04 | 3.68 | |
| Placa del fabricante GBH 2000 | ||||
| 56 | 3601110488 | 3.71 | 4.49 | |
| Placa del fabricante GBH 2000 | ||||
| 56 | 3601110491 | 3.71 | 4.49 | |
| Placa del fabricante GBH 2000 | ||||
| 57 | 3601110491 | 3.71 | 4.49 | |
| Manguera de PVC | ||||
| 59 | 1600712026 | 1.18 | 1.43 | |
| Placa aislante | ||||
| 60 | 1602381006 | 1.32 | 1.60 | |
| Arandela De Pestaña | ||||
| 90 | 1601030022 | 1.32 | 1.60 | |
| Tubo retractil | ||||
| 150 | 3600707022 | 3.04 | 3.68 | |
| Terminal de hoja | ||||
| 152 | 1604477001 | 1.32 | 1.60 | |
| Cable de conexión | ||||
| 153 | 3604438029 | 8.48 | 10.26 | |
| Llave de cara de tipo pin | ||||
| 650/1 | F000632033 | 2.18 | 2.64 | |
| Pasador | ||||
| 650/2 | 3603101005 | 4.58 | 5.54 | |
| Destornillador Desplazado | ||||
| 650/3 | 1907950007 | 4.58 | 5.54 | |
| No hay información disponible, no se puede pedir | ||||
| 650/4 | 1603345034 | |||
| Cubierta Protectora | ||||
| 653 | 3605510030 | 26.62 | 32.21 | |
| Tornillo de cabeza hexagonal | ||||
| 653/5 | 2910141242 | 1.32 | 1.60 | |
| Campo 230V | ||||
| 802 | 3604220134 | 50.23 | 60.78 | |
| Cable de alimentación | ||||
| 805 | 1607000391 | 15.61 | 18.89 | |
| Placa de identificación | ||||
| 808 | 160111A3H3 | 2.18 | 2.64 | |
| KIT DE SERVICIO 115V | ||||
| 810 | 3607014012 | 22.88 | 27.68 | |
| Cojinete de cartucho | ||||
| 820 | 3604441011 | 30.08 | 36.40 | |
| CUBIERTA | ||||
| 826 | 3605500063 | 3.71 | 4.49 | |
| Sección de la carcasa | ||||
| 835 | 3607031661 | 33.33 | 40.33 | |
| PORTACEPILLO | ||||
| 839 | 3604336012 | 5.27 | 6.38 | |
| Conjunto de tornillos | ||||
| 846 | 3607031662 | 13.90 | 16.82 | |
| Cable de conexión | ||||
| 853 | 3604438001 | 6.53 | 7.90 | |
| Guardacables | ||||
| 854 | 1601025001 | 1.32 | 1.60 | |