Aquí encontrará todas las piezas y dibujos técnicos disponibles de 'Bosch 0601567103 ( GKS55 )'. Desde aquí podrá pedir todas las piezas deseadas directamente. Para muchas piezas de repuesto, es necesario pasar un pedido al fabricante. Dependiendo de la marca, el plazo de entrega puede variar entre una y cuatro semanas. Toda la información que tenemos está en nuestro sitio web. No podremos aconsejarle sobre lo que necesita hasta que entregue la máquina para su reparación. Tenga en cuenta lo siguiente a la hora de cursar su pedido:
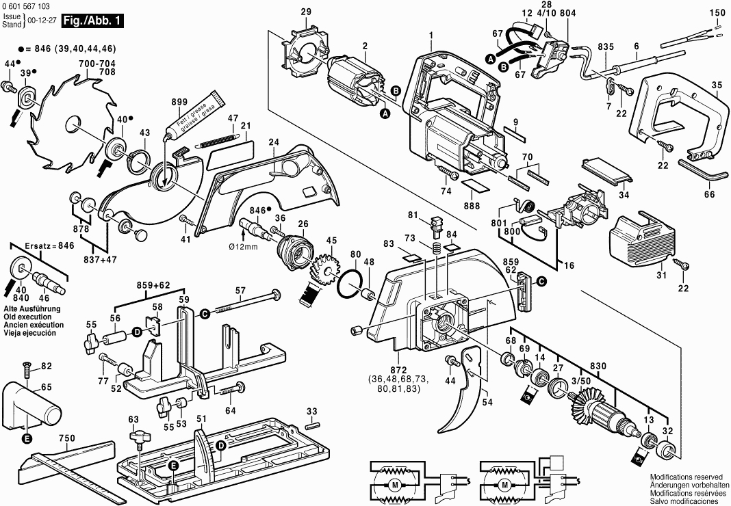
Dibujo técnico de los/las Bosch 0601567103 ( GKS55 )
Lista de las piezas de repuesto de Bosch 0601567103 ( GKS55 )
| Pos. | Descripción | Precio con el IVA excluido | Precio con el IVA incluido | |
| Los precios mostrados incluyen el IVA | ||||
| Cubierta de manija AZUL | ||||
| 1 | 1607000925 | 55.25 | 66.85 | |
| Campo 230V | ||||
| 2 | 1604220354 | 33.33 | 40.33 | |
| Ventilador Sunon PMD2412PMB1-A | ||||
| 3/50 | 1606610122 | 2.52 | 3.05 | |
| Tornillo de cabeza cilíndrica | ||||
| 4/10 | 2603410001 | 1.32 | 1.60 | |
| Ya no disponible, sin reemplazo | ||||
| 6 | 1600703024 | |||
| Clip de cable | ||||
| 7 | 2601035001 | 1.32 | 1.60 | |
| Placa del fabricante GBH 2000 | ||||
| 9 | 1601110483 | 2.18 | 2.64 | |
| Ya no disponible, sin reemplazo | ||||
| 12 | 1607328028 | |||
| RODAMIENTO DE BOLAS OSC 18 | ||||
| 13 | 2600905032 | 4.58 | 5.54 | |
| Ya no disponible, sin reemplazo | ||||
| 14 | 1610905009 | |||
| PORTACEPILLO | ||||
| 16 | 1604336042 | 18.19 | 22.01 | |
| Placa del fabricante GBH 2000 | ||||
| 21 | 1601110636 | 1.94 | 2.35 | |
| Tornillo de placa | ||||
| 22 | 2912401019 | 1.00 | 1.21 | |
| Cubierta Protectora | ||||
| 24 | 1605510157 | 11.02 | 13.33 | |
| Cubierta del cojinete RTS 400 REQ | ||||
| 26 | 1605808065 | 9.47 | 11.46 | |
| Anillo Intermedio | ||||
| 27 | 1600221003 | 2.18 | 2.64 | |
| Tornillo de cabeza cilíndrica | ||||
| 28 | 2603410001 | 1.32 | 1.60 | |
| Anillo deflector de aire | ||||
| 29 | 1600591007 | 2.18 | 2.64 | |
| Ya no disponible, sin reemplazo | ||||
| 31 | 1605500158 | |||
| Anillo Intermedio | ||||
| 32 | 1600502011 | 2.18 | 2.64 | |
| Pasador de apriete | ||||
| 33 | 2917780150 | 1.00 | 1.21 | |
| Tira de Cubierta AZUL | ||||
| 34 | 1601099021 | 1.70 | 2.06 | |
| Cubierta de manija AZUL | ||||
| 35 | 1605500159 | 7.58 | 9.17 | |
| Tornillo para roscar M6x25 MM | ||||
| 36 | 2603435042 | 1.32 | 1.60 | |
| Arandela de resorte | ||||
| 39 | 1605703107 | 3.04 | 3.68 | |
| Ya no disponible, sin reemplazo | ||||
| 40 | 1605703091 | |||
| Tornillo Torx con cabeza ovalada 4x30 | ||||
| 41 | 2610386516 | 1.32 | 1.60 | |
| Tornillo para roscar M6x25 MM | ||||
| 41 | 2914491409 | 0.83 | 1.00 | |
| Ya no disponible, sin reemplazo | ||||
| 43 | 2916650020 | |||
| Tornillo de cabeza hexagonal | ||||
| 44 | 1603414007 | 1.32 | 1.60 | |
| Engranaje Recto Z=41 | ||||
| 45 | 1606320081 | 18.19 | 22.01 | |
| Eje de accionamiento M6, Ø12 MM | ||||
| 46 | 1603124119 | 7.58 | 9.17 | |
| Ya no disponible, sin reemplazo | ||||
| 47 | 1604649001 | |||
| Ya no disponible, sin reemplazo | ||||
| 48 | 1600910019 | |||
| Ya no disponible, sin reemplazo | ||||
| 51 | 1608000107 | |||
| Parachoques de goma | ||||
| 52 | 1600305001 | 1.00 | 1.21 | |
| Casquillo Espaciador | ||||
| 53 | 1600309012 | 1.00 | 1.21 | |
| Cuchillo de hendido CS 50 EBG | ||||
| 54 | 1600025016 | 3.04 | 3.68 | |
| Tuerca hexagonal | ||||
| 55 | 2610387875 | 2.18 | 2.64 | |
| Ya no disponible, sin reemplazo | ||||
| 56 | 1600309013 | |||
| Ya no disponible, sin reemplazo | ||||
| 57 | 1603434005 | |||
| Placa de ajuste | ||||
| 58 | 1601329017 | 1.18 | 1.43 | |
| Palanca giratoria | ||||
| 59 | 1608190013 | 33.45 | 40.47 | |
| GLANDULA | ||||
| 62 | 1608040112 | 4.10 | 4.96 | |
| Ya no disponible, sin reemplazo | ||||
| 63 | 1603480022 | |||
| Tornillo de cabeza plana | ||||
| 64 | 2910281207 | 0.83 | 1.00 | |
| Manija auxiliar NEGRO | ||||
| 65 | 1605133039 | 7.58 | 9.17 | |
| Destornillador Desplazado | ||||
| 66 | 1907950006 | 3.71 | 4.49 | |
| Llave hexagonal de casquillo | ||||
| 66 | 2610364015 | 3.04 | 3.68 | |
| Caja supresora | ||||
| 67 | 1604503014 | 7.58 | 9.17 | |
| Sello de labio del eje rotatorio | ||||
| 68 | 1600290016 | 2.18 | 2.64 | |
| Ya no disponible, sin reemplazo | ||||
| 69 | 1600390013 | |||
| Terminal de hoja | ||||
| 70 | 1604477005 | 2.18 | 2.64 | |
| Resorte de compresión | ||||
| 73 | 1604611029 | 1.18 | 1.43 | |
| Tornillo para roscar M6x25 MM | ||||
| 74 | 1603435022 | 0.83 | 1.00 | |
| Tornillo de cabeza plana DIN 923-M4x10-5.8 | ||||
| 77 | 2910271120 | 1.18 | 1.43 | |
| Anillo O | ||||
| 80 | 3600210124 | 2.52 | 3.05 | |
| Dispositivo de Parada | ||||
| 81 | 1603231011 | 3.31 | 4.01 | |
| Tornillo de Cabeza Ovalada DIN 7985-M6x16-4.8 | ||||
| 82 | 2910641197 | 0.83 | 1.00 | |
| Placa de Referencia | ||||
| 83 | 1601110470 | 1.00 | 1.21 | |
| Ya no disponible, sin reemplazo | ||||
| 800 | 1607014129 | |||
| Muelle en espiral AGC 18 | ||||
| 801 | 2604652008 | 1.18 | 1.43 | |
| Interruptor de encendido y apagado | ||||
| 804 | 1607000231 | 15.61 | 18.89 | |
| Armadura Con Ventilador 220-230V | ||||
| 830 | 1604010328 | 148.65 | 179.87 | |
| Cable de alimentación | ||||
| 835 | 1607000227 | 22.88 | 27.68 | |
| Ya no disponible, sin reemplazo | ||||
| 837 | 1605510172 | |||
| Brida de sujeción | ||||
| 840 | 1605703093 | 23.75 | 28.74 | |
| Ya no disponible, sin reemplazo | ||||
| 846 | 1607000225 | |||
| Ya no disponible, sin reemplazo | ||||
| 859 | 1607000197 | |||
| Juego de piezas | ||||
| 872 | 1607000223 | 113.29 | 137.08 | |
| Ya no disponible, sin reemplazo | ||||
| 878 | 1607000205 | |||
| Placa de identificación | ||||
| 888 | 160111A3H3 | 2.18 | 2.64 | |
| Tubo de Grasa 45 ml | ||||
| 899 | 1605430003 | 33.33 | 40.33 | |