Aquí encontrará todas las piezas y dibujos técnicos disponibles de 'Bosch 0601614103 ( GOF900 )'. Desde aquí podrá pedir todas las piezas deseadas directamente. Para muchas piezas de repuesto, es necesario pasar un pedido al fabricante. Dependiendo de la marca, el plazo de entrega puede variar entre una y cuatro semanas. Toda la información que tenemos está en nuestro sitio web. No podremos aconsejarle sobre lo que necesita hasta que entregue la máquina para su reparación. Tenga en cuenta lo siguiente a la hora de cursar su pedido:
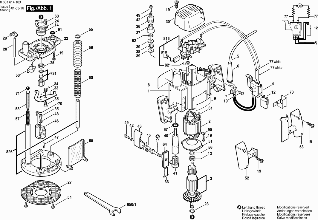
Dibujo técnico de los/las Bosch 0601614103 ( GOF900 )
Lista de las piezas de repuesto de Bosch 0601614103 ( GOF900 )
| Pos. | Descripción | Precio con el IVA excluido | Precio con el IVA incluido | |
| Los precios mostrados incluyen el IVA | ||||
| Caja del Motor AZUL | ||||
| 1 | 3605108580 | 23.75 | 28.74 | |
| Campo 240V | ||||
| 2 | 1604220362 | 33.45 | 40.47 | |
| Armazón 230-240V | ||||
| 3 | 3604010501 | 130.32 | 157.69 | |
| Ya no disponible, sin reemplazo | ||||
| 4 | 2607200251 | |||
| Cable de alimentación | ||||
| 5 | 3604460557 | 41.30 | 49.97 | |
| Ya no disponible, sin reemplazo | ||||
| 6 | 3600703509 | |||
| Clip de cable | ||||
| 7 | 2601035001 | 1.32 | 1.60 | |
| Placa del fabricante GBH 2000 | ||||
| 8 | 2610907696 | 2.71 | 3.28 | |
| Placa de Referencia | ||||
| 9 | 2610998944 | 2.71 | 3.28 | |
| Ya no disponible, sin reemplazo | ||||
| 12 | 1617328025 | |||
| RODAMIENTO DE BOLAS OSC 18 | ||||
| 13 | 2610913173 | 11.02 | 13.33 | |
| RODAMIENTO DE BOLAS OSC 18 | ||||
| 14 | 3600905510 | 4.58 | 5.54 | |
| Ya no disponible, sin reemplazo | ||||
| 19 | 2610910566 | |||
| Caja de carcasa DUO 110 - Conjunto | ||||
| 22 | 2610997103 | 45.52 | 55.08 | |
| Anillo de bloqueo | ||||
| 23 | 2916650006 | 1.32 | 1.60 | |
| Placa de Retención | ||||
| 24 | 3600034505 | 3.04 | 3.68 | |
| Tuerca hexagonal | ||||
| 25 | 3603300501 | 3.71 | 4.49 | |
| Placa de cubierta | ||||
| 27 | 2610997099 | 17.60 | 21.30 | |
| Varilla | ||||
| 28 | 2610997093 | 5.27 | 6.38 | |
| Ya no disponible, sin reemplazo | ||||
| 29 | 2610997094 | |||
| Cubierta de la carcasa VERDE | ||||
| 30 | 3605500593 | 7.58 | 9.17 | |
| Placa Oscilante | ||||
| 33 | 3601021509 | 7.32 | 8.86 | |
| Resorte de torsión TSF 55 | ||||
| 34 | 3604651502 | 1.32 | 1.60 | |
| Tornillo de cabeza cilíndrica | ||||
| 35 | 3603415556 | 1.90 | 2.30 | |
| BOTÓN | ||||
| 36 | 3603231539 | 1.32 | 1.60 | |
| Anillo indicador | ||||
| 37 | 3600209500 | 3.04 | 3.68 | |
| Arandela de Resorte Ø27,5x38,4 MM | ||||
| 38 | 3600100528 | 1.00 | 1.21 | |
| Disco | ||||
| 39 | 3600100527 | 1.90 | 2.30 | |
| Ya no disponible, sin reemplazo | ||||
| 40 | 3600360507 | |||
| Pieza de bloqueo | ||||
| 41 | 3600400507 | 2.52 | 3.05 | |
| Arandela de resorte | ||||
| 42 | 2916690003 | 1.00 | 1.21 | |
| Palanca de Bloqueo | ||||
| 43 | 3602000510 | 2.18 | 2.64 | |
| Ya no disponible, sin reemplazo | ||||
| 44 | 3603450503 | |||
| Resorte de compresión | ||||
| 45 | 3604651503 | 1.90 | 2.30 | |
| Tope de profundidad TSF 55 EBQ | ||||
| 46 | 2610997191 | 10.68 | 12.92 | |
| Capucha de trinquete | ||||
| 47 | 2600590006 | 1.32 | 1.60 | |
| Arandela de Resorte Ø27,5x38,4 MM | ||||
| 48 | 3916060500 | 1.00 | 1.21 | |
| Tornillo de engrase AW 10 3x25 | ||||
| 49 | 2910641122 | 1.90 | 2.30 | |
| Tornillo de mariposa | ||||
| 50 | 1613480009 | 1.32 | 1.60 | |
| Anillo deflector de aire | ||||
| 51 | 3600590507 | 1.94 | 2.35 | |
| Placa de mango | ||||
| 52 | 3605133526 | 6.53 | 7.90 | |
| Placa de mango | ||||
| 53 | 3605133528 | 8.48 | 10.26 | |
| Ya no disponible, sin reemplazo | ||||
| 54 | 2610915161 | |||
| Anillo de bloqueo | ||||
| 55 | 2916650003 | 1.32 | 1.60 | |
| Ya no disponible, sin reemplazo | ||||
| 56 | 2610992432 | |||
| Ya no disponible, sin reemplazo | ||||
| 57 | 3604613508 | |||
| Ya no disponible, sin reemplazo | ||||
| 58 | 3603120502 | |||
| Fuelles | ||||
| 59 | 2610990698 | 8.48 | 10.26 | |
| Ya no disponible, sin reemplazo | ||||
| 60 | 2610997100 | |||
| Terminal de hoja | ||||
| 61 | 1604477005 | 2.18 | 2.64 | |
| Anillo de bloqueo | ||||
| 62 | 3604680502 | 1.32 | 1.60 | |
| Ya no disponible, sin reemplazo | ||||
| 63 | 2910871122 | |||
| Ya no disponible, sin reemplazo | ||||
| 64 | 3601010519 | |||
| Ya no disponible, sin reemplazo | ||||
| 65 | 2610912599 | |||
| Insertar SYS-ISC 240 | ||||
| 66 | 3601010517 | 1.90 | 2.30 | |
| Anillo O | ||||
| 67 | 3600210507 | 1.32 | 1.60 | |
| Tornillo de cabeza cilíndrica | ||||
| 70 | 3603410504 | 1.90 | 2.30 | |
| Pelota | ||||
| 71 | 1903230007 | 1.32 | 1.60 | |
| Ya no disponible, sin reemplazo | ||||
| 73 | 2610996090 | |||
| Ya no disponible, sin reemplazo | ||||
| 77 | 3604445718 | |||
| Arandela De Pestaña | ||||
| 90 | 1601030022 | 1.32 | 1.60 | |
| Anillo O | ||||
| 91 | 1610210233 | 2.52 | 3.05 | |
| Ya no disponible, sin reemplazo | ||||
| 650/1 | 1907950511 | |||
| No hay información disponible, no se puede pedir | ||||
| 731 | 2608570102 | |||
| KIT DE SERVICIO 115V | ||||
| 810 | 3604321513 | 11.02 | 13.33 | |
| PORTACEPILLO | ||||
| 816 | 3604336510 | 23.75 | 28.74 | |
| Ya no disponible, sin reemplazo | ||||
| 821 | 3604652501 | |||
| Ya no disponible, sin reemplazo | ||||
| 826 | 2610997116 | |||