Aquí encontrará todas las piezas y dibujos técnicos disponibles de 'Bosch 0601930568 ( GSB12VES )'. Desde aquí podrá pedir todas las piezas deseadas directamente. Para muchas piezas de repuesto, es necesario pasar un pedido al fabricante. Dependiendo de la marca, el plazo de entrega puede variar entre una y cuatro semanas. Toda la información que tenemos está en nuestro sitio web. No podremos aconsejarle sobre lo que necesita hasta que entregue la máquina para su reparación. Tenga en cuenta lo siguiente a la hora de cursar su pedido:
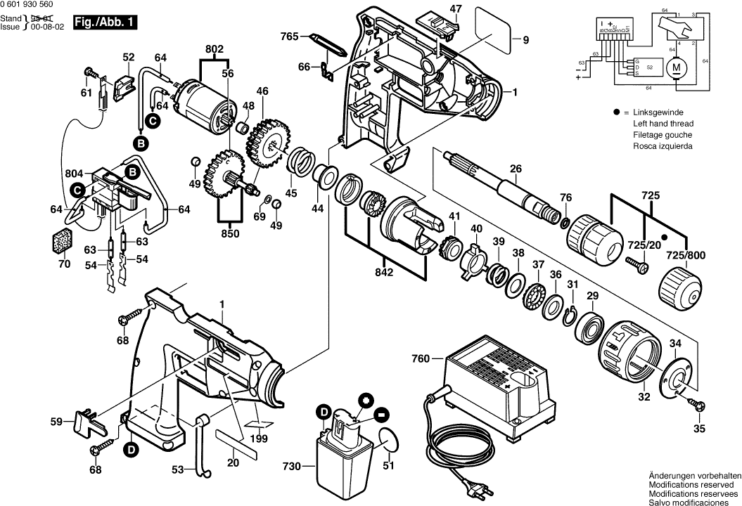
Dibujo técnico de los/las Bosch 0601930568 ( GSB12VES )
Lista de las piezas de repuesto de Bosch 0601930568 ( GSB12VES )
| Pos. | Descripción | Precio con el IVA excluido | Precio con el IVA incluido | |
| Los precios mostrados incluyen el IVA | ||||
| Sección de la carcasa AZUL | ||||
| 1 | 2605104355 | 15.71 | 19.01 | |
| Placa del fabricante LADO SOL | ||||
| 9 | 2601118315 | 2.24 | 2.71 | |
| Pegatina | ||||
| 20 | 2601110606 | 1.18 | 1.43 | |
| HUSILLO DE PERFORACIÓN 1/2",SW 11,1/4" | ||||
| 26 | 2606135031 | 23.75 | 28.74 | |
| RODAMIENTO DE BOLAS OSC 18 | ||||
| 29 | 1900905122 | 8.48 | 10.26 | |
| Anillo de bloqueo | ||||
| 31 | 2916650006 | 1.32 | 1.60 | |
| Anillo de Ajuste | ||||
| 32 | 2600451001 | 11.88 | 14.37 | |
| Arandela de retención 1,8 MM DE ESPESOR | ||||
| 34 | 2600190048 | 1.18 | 1.43 | |
| Tornillo formador de roscas DIN 7500 C M 3x8 MM | ||||
| 35 | 2603490003 | 1.18 | 1.43 | |
| Anillo de Cojinete | ||||
| 36 | 2600190049 | 8.45 | 10.22 | |
| Jaula de bolas | ||||
| 37 | 2600923001 | 2.71 | 3.28 | |
| Arandela de compensación | ||||
| 38 | 2600101668 | 2.52 | 3.05 | |
| Resorte de compresión | ||||
| 39 | 2604617000 | 2.18 | 2.64 | |
| Anillo de respaldo | ||||
| 40 | 2600290021 | 4.70 | 5.69 | |
| Disco De Pantalla | ||||
| 41 | 2606490049 | 10.73 | 12.98 | |
| Golpeador | ||||
| 44 | 2600322045 | 3.31 | 4.01 | |
| Resorte de compresión | ||||
| 45 | 2604618000 | 1.94 | 2.35 | |
| Conjunto de engranajes | ||||
| 46 | 1609340007 | 12.21 | 14.77 | |
| Deslizador de Ajuste NEGRO | ||||
| 47 | 2601099027 | 1.18 | 1.43 | |
| Casquillo de Metal Sinterizado | ||||
| 48 | 2600301011 | 1.32 | 1.60 | |
| Casquillo de Metal Sinterizado | ||||
| 49 | 2600302002 | 1.32 | 1.60 | |
| Etiqueta Adhesiva BATERÍA RECARGABLE | ||||
| 51 | 2601118299 | 1.18 | 1.43 | |
| Disipador de calor DUO 110 | ||||
| 52 | 2605715000 | 3.31 | 4.01 | |
| Ya no disponible, sin reemplazo | ||||
| 53 | 2601251003 | |||
| Muelle de contacto | ||||
| 54 | 2601324012 | 1.32 | 1.60 | |
| Piñón Z=14 | ||||
| 56 | 2606316120 | 5.83 | 7.05 | |
| Pieza de Relleno AZUL | ||||
| 59 | 2605510027 | 1.18 | 1.43 | |
| Tornillo de engrase AW 10 3x25 | ||||
| 61 | 2910641050 | 1.00 | 1.21 | |
| Cable De Conexión L=52 MM BLANCO | ||||
| 63 | 2604413005 | 1.18 | 1.43 | |
| Cable De Conexión L=79 MM BLANCO | ||||
| 64 | 2604413004 | 1.18 | 1.43 | |
| MUELLE DE RETENCIÓN OSC 18 | ||||
| 66 | 2601250002 | 1.18 | 1.43 | |
| Tornillo Torx con cabeza ovalada 4x30 | ||||
| 68 | 2603490022 | 1.00 | 1.21 | |
| Lámina compensadora 0,3 MM DE ESPESOR | ||||
| 69 | 2600100636 | 1.18 | 1.43 | |
| Ya no disponible, sin reemplazo | ||||
| 70 | 2601010038 | |||
| Anillo de retención | ||||
| 76 | 2604601004 | 1.32 | 1.60 | |
| Ya no disponible, sin reemplazo | ||||
| 725 | 2608572023 | |||
| Tornillo avellanado M6x20 MM HILO IZQUIERDO | ||||
| 725/20 | 2603421211 | 1.70 | 2.06 | |
| Solapa Protectora | ||||
| 725/800 | 2600591006 | 10.73 | 12.98 | |
| Ya no disponible, sin reemplazo | ||||
| 730 | 2607335021 | |||
| Cargador Rápido EU 230/7,2-24V, 1h | ||||
| 760 | 2607224425 | 130.32 | 157.69 | |
| Cargador Rápido EU 230/7,2-14,4V, 30 MIN. | ||||
| 760 | 2607224701 | 101.94 | 123.35 | |
| Lámina de destornillador 6 MM | ||||
| 765 | 1609200147 | 3.04 | 3.68 | |
| Motor DC 9,6-12V | ||||
| 802 | 2607022921 | 29.75 | 36.00 | |
| Interruptor de encendido y apagado | ||||
| 804 | 2607200302 | 45.52 | 55.08 | |
| Disco De Cierre | ||||
| 842 | 2606490915 | 26.84 | 32.48 | |
| Eje Dentado Z= 10/19/63 | ||||
| 850 | 2606308914 | 15.71 | 19.01 | |
| No hay información disponible, no se puede pedir | ||||
| 899 | 0601930570 | |||