Aquí encontrará todas las piezas y dibujos técnicos disponibles de 'Bosch 0601194708 ( GSB20-2RE )'. Desde aquí podrá pedir todas las piezas deseadas directamente. Para muchas piezas de repuesto, es necesario pasar un pedido al fabricante. Dependiendo de la marca, el plazo de entrega puede variar entre una y cuatro semanas. Toda la información que tenemos está en nuestro sitio web. No podremos aconsejarle sobre lo que necesita hasta que entregue la máquina para su reparación. Tenga en cuenta lo siguiente a la hora de cursar su pedido:
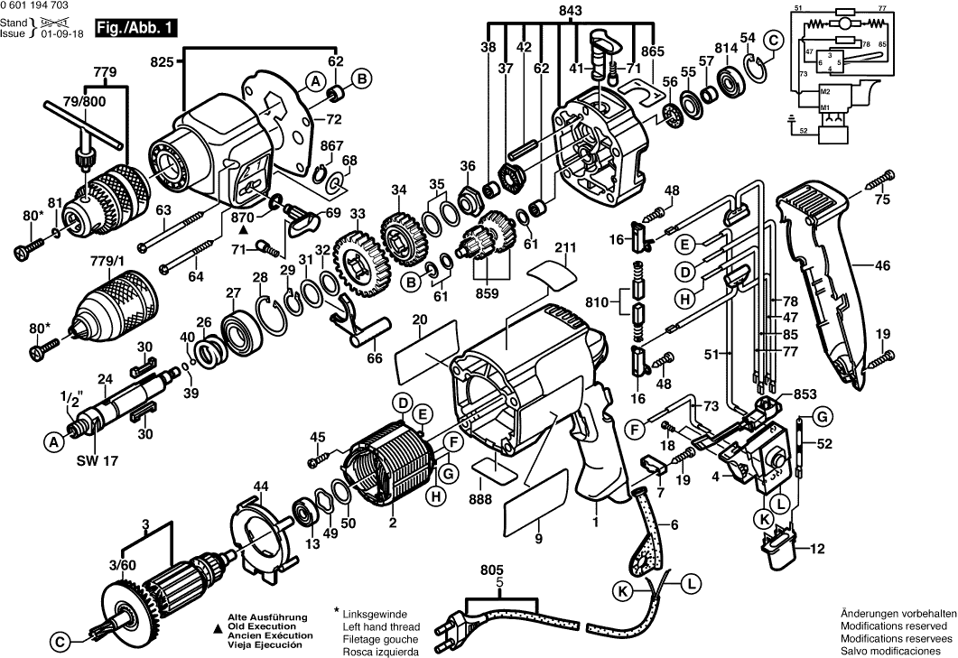
Dibujo técnico de los/las Bosch 0601194708 ( GSB20-2RE )
Lista de las piezas de repuesto de Bosch 0601194708 ( GSB20-2RE )
| Pos. | Descripción | Precio con el IVA excluido | Precio con el IVA incluido | |
| Los precios mostrados incluyen el IVA | ||||
| Carcasa del motor | ||||
| 1 | 2605104309 | 22.88 | 27.68 | |
| Campo 230V | ||||
| 2 | 1604220254 | 20.39 | 24.67 | |
| Ya no disponible, sin reemplazo | ||||
| 3 | 2604010739 | |||
| Ventilador Sunon PMD2412PMB1-A | ||||
| 3/60 | 2606610029 | 2.18 | 2.64 | |
| Ya no disponible, sin reemplazo | ||||
| 4 | 2607200209 | |||
| OJAL | ||||
| 6 | 2600707059 | 3.04 | 3.68 | |
| Clip de cable | ||||
| 7 | 2601035001 | 1.32 | 1.60 | |
| Placa del fabricante LADO SOL | ||||
| 9 | 2601118694 | 2.71 | 3.28 | |
| Ya no disponible, sin reemplazo | ||||
| 12 | 2607329114 | |||
| RODAMIENTO DE BOLAS OSC 18 | ||||
| 13 | 1900905018 | 15.61 | 18.89 | |
| PORTACEPILLO | ||||
| 16 | 2604337003 | 1.90 | 2.30 | |
| Tornillo de cabeza cilíndrica | ||||
| 18 | 2603410001 | 1.32 | 1.60 | |
| Tornillo Torx con cabeza ovalada 4x30 | ||||
| 19 | 2603490022 | 1.00 | 1.21 | |
| Placa de referencia LADO SOMBRA | ||||
| 20 | 2601118697 | 4.10 | 4.96 | |
| Ya no disponible, sin reemplazo | ||||
| 24 | 2606135032 | |||
| Resorte de compresión | ||||
| 26 | 2604616002 | 1.32 | 1.60 | |
| RODAMIENTO DE BOLAS OSC 18 | ||||
| 27 | 1900905163 | 9.47 | 11.46 | |
| Anillo de bloqueo | ||||
| 28 | 2916660014 | 1.32 | 1.60 | |
| Anillo de bloqueo | ||||
| 29 | 2916650008 | 1.32 | 1.60 | |
| Llave Plana | ||||
| 30 | 2602300028 | 4.10 | 4.96 | |
| Arandela de retención 1,8 MM DE ESPESOR | ||||
| 31 | 2600101671 | 1.32 | 1.60 | |
| Arandela de compensación | ||||
| 32 | 2600101515 | 1.00 | 1.21 | |
| Engranaje Cilíndrico | ||||
| 33 | 2606317045 | 9.47 | 11.46 | |
| Engranaje cilíndrico Z=36 | ||||
| 34 | 2606317037 | 23.75 | 28.74 | |
| Arandela de compensación | ||||
| 35 | 2600101616 | 2.52 | 3.05 | |
| Arandela de compensación | ||||
| 35 | 2600101617 | 1.32 | 1.60 | |
| Disco De Cierre | ||||
| 36 | 2600190052 | 5.33 | 6.45 | |
| Ya no disponible, sin reemplazo | ||||
| 37 | 2600190057 | |||
| Manga de aguja AGC 18 | ||||
| 38 | 2600917003 | 2.52 | 3.05 | |
| Arandela de ajuste 0,4 MM DE ESPESOR | ||||
| 39 | 2600000030 | 1.32 | 1.60 | |
| Arandela de ajuste 0,4 MM DE ESPESOR | ||||
| 39 | 2600000012 | 1.00 | 1.21 | |
| Arandela de ajuste 0,4 MM DE ESPESOR | ||||
| 39 | 2600000014 | 1.00 | 1.21 | |
| Pelota | ||||
| 40 | 1903230010 | 1.00 | 1.21 | |
| Perilla rotativa D34 M6/8T azul | ||||
| 41 | 2602026017 | 6.53 | 7.90 | |
| Pasador de apriete | ||||
| 42 | 2917780105 | 1.00 | 1.21 | |
| Ya no disponible, sin reemplazo | ||||
| 44 | 2601328033 | |||
| Tornillo de placa | ||||
| 45 | 2603435086 | 1.32 | 1.60 | |
| Cubierta de la carcasa VERDE | ||||
| 46 | 2605132049 | 5.83 | 7.05 | |
| Filtro de interferencias TURBO II R1 ET-BG | ||||
| 47 | 2604465097 | 5.27 | 6.38 | |
| Tornillo Torx con cabeza ovalada 4x30 | ||||
| 48 | 2603490017 | 1.90 | 2.30 | |
| Arandela de compensación | ||||
| 49 | 2600150004 | 1.90 | 2.30 | |
| Arandela de ajuste 0,4 MM DE ESPESOR | ||||
| 50 | 2600101027 | 1.32 | 1.60 | |
| Arandela de ajuste 0,4 MM DE ESPESOR | ||||
| 50 | 2600101665 | 1.32 | 1.60 | |
| Arandela de ajuste 0,4 MM DE ESPESOR | ||||
| 50 | 2600101667 | 1.32 | 1.60 | |
| Cable Eléctrico | ||||
| 51 | 2604448005 | 1.32 | 1.60 | |
| Conductor de tierra | ||||
| 52 | 2604448097 | 1.32 | 1.60 | |
| Anillo de bloqueo | ||||
| 54 | 2916660008 | 1.90 | 2.30 | |
| Arandela cóncava | ||||
| 55 | 2600500002 | 1.32 | 1.60 | |
| Arandela de fieltro D 20/14 2mm | ||||
| 56 | 2600108077 | 1.32 | 1.60 | |
| Receptáculo | ||||
| 57 | 2600400008 | 1.32 | 1.60 | |
| Arandela de compensación | ||||
| 61 | 2600100607 | 1.32 | 1.60 | |
| Manga de aguja AGC 18 | ||||
| 62 | 2600914010 | 2.52 | 3.05 | |
| Ya no disponible, sin reemplazo | ||||
| 63 | 2603435070 | |||
| Ya no disponible, sin reemplazo | ||||
| 64 | 2603435071 | |||
| Deslizador de ajuste | ||||
| 66 | 2602033006 | 2.52 | 3.05 | |
| Arandela de ajuste 0,4 MM DE ESPESOR | ||||
| 68 | 2600100618 | 1.00 | 1.21 | |
| Ya no disponible, sin reemplazo | ||||
| 69 | 2602026038 | |||
| Capucha de trinquete | ||||
| 71 | 2600590006 | 1.32 | 1.60 | |
| Junta | ||||
| 72 | 2601073012 | 1.00 | 1.21 | |
| Cable de conexión MX 1200/2 E EF | ||||
| 73 | 2604448146 | 1.32 | 1.60 | |
| Tornillo Torx con cabeza ovalada 4x30 | ||||
| 75 | 2603490024 | 1.32 | 1.60 | |
| Cable de conexión MX 1200/2 E EF | ||||
| 77 | 2604448100 | 1.00 | 1.21 | |
| Cable de conexión | ||||
| 78 | 2604448239 | 2.24 | 2.71 | |
| Llave de mandril | ||||
| 79/800 | 2607950007 | 5.96 | 7.21 | |
| Ya no disponible, sin reemplazo | ||||
| 80 | 2603421209 | |||
| Anillo de retención | ||||
| 81 | 2604601004 | 1.32 | 1.60 | |
| Filtro de interferencias TURBO II R1 ET-BG | ||||
| 85 | 2604465086 | 5.27 | 6.38 | |
| Mango auxiliar M10 | ||||
| 753 | 1619PB4323 | 8.48 | 10.26 | |
| Tuerca hexagonal | ||||
| 753/20 | 2915011007 | 1.00 | 1.21 | |
| Tornillo de mariposa | ||||
| 753/30 | 1613480007 | 1.32 | 1.60 | |
| Ya no disponible, sin reemplazo | ||||
| 753/50 | 2608040014 | |||
| Tornillo de mariposa | ||||
| 753/60 | 1613480008 | 1.32 | 1.60 | |
| No hay información disponible, no se puede pedir | ||||
| 754 | 2603001019 | |||
| Mandril con llave | ||||
| 779 | 1608571080 | 36.62 | 44.31 | |
| Cable de alimentación | ||||
| 805 | 1607000385 | 12.21 | 14.77 | |
| KIT DE SERVICIO 115V | ||||
| 810 | 2604321905 | 9.47 | 11.46 | |
| RODAMIENTO DE BOLAS OSC 18 | ||||
| 814 | 2600905039 | 10.68 | 12.92 | |
| Caja de engranajes AZUL | ||||
| 825 | 2605806990 | 18.19 | 22.01 | |
| Brida Intermedia | ||||
| 843 | 2605700936 | 49.56 | 59.97 | |
| Interruptor | ||||
| 853 | 2607200231 | 13.90 | 16.82 | |
| Eje dentado Z= 10/22/29 | ||||
| 859 | 2606100903 | 20.42 | 24.71 | |
| Pegatina TALADRO/TALADRO DE IMPACTO | ||||
| 865 | 2601110076 | 1.18 | 1.43 | |
| Anillo de bloqueo | ||||
| 867 | 2916080007 | 2.18 | 2.64 | |
| Juego de piezas | ||||
| 870 | 2607010226 | 1.18 | 1.43 | |
| Placa de identificación | ||||
| 888 | 160111A3H3 | 2.18 | 2.64 | |