Aquí encontrará todas las piezas y dibujos técnicos disponibles de 'Bosch 060119B003 ( GSB20-2 )'. Desde aquí podrá pedir todas las piezas deseadas directamente. Para muchas piezas de repuesto, es necesario pasar un pedido al fabricante. Dependiendo de la marca, el plazo de entrega puede variar entre una y cuatro semanas. Toda la información que tenemos está en nuestro sitio web. No podremos aconsejarle sobre lo que necesita hasta que entregue la máquina para su reparación. Tenga en cuenta lo siguiente a la hora de cursar su pedido:
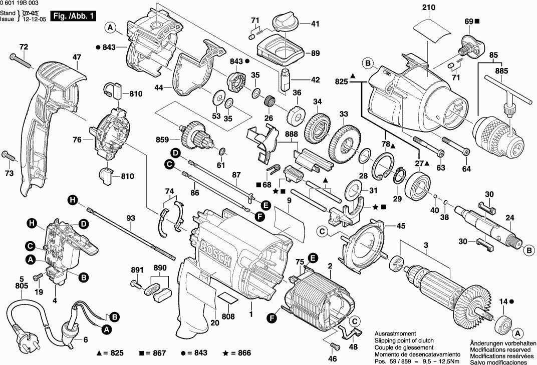
Dibujo técnico de los/las Bosch 060119B003 ( GSB20-2 )
Lista de las piezas de repuesto de Bosch 060119B003 ( GSB20-2 )
| Pos. | Descripción | Precio con el IVA excluido | Precio con el IVA incluido | |
| Los precios mostrados incluyen el IVA | ||||
| Carcasa del motor | ||||
| 1 | 2605105032 | 26.62 | 32.21 | |
| Campo 230V | ||||
| 2 | 2604220620 | 20.39 | 24.67 | |
| Ya no disponible, sin reemplazo | ||||
| 3 | 2604011320 | |||
| Interruptor | ||||
| 4 | 2607200584 | 20.42 | 24.71 | |
| OJAL | ||||
| 6 | 2600707072 | 2.18 | 2.64 | |
| Placa del fabricante GBH 2000 | ||||
| 9 | 2601116326 | 2.18 | 2.64 | |
| RODAMIENTO DE BOLAS OSC 18 | ||||
| 14 | 2600905095 | 10.68 | 12.92 | |
| Tornillo Torx con cabeza ovalada 4x30 | ||||
| 19 | 2603490017 | 1.90 | 2.30 | |
| Placa de Referencia | ||||
| 20 | 2601116317 | 3.04 | 3.68 | |
| Husillo de Taladro | ||||
| 24 | 2606135130 | 20.39 | 24.67 | |
| Resorte de compresión | ||||
| 26 | 2604616013 | 2.18 | 2.64 | |
| RODAMIENTO DE BOLAS OSC 18 | ||||
| 27 | 1900905163 | 9.47 | 11.46 | |
| Arandela de compensación | ||||
| 28 | 2600100695 | 1.32 | 1.60 | |
| Anillo de bloqueo | ||||
| 29 | 2916650008 | 1.32 | 1.60 | |
| Llave Plana | ||||
| 30 | 2602300032 | 3.04 | 3.68 | |
| Arandela de retención 1,8 MM DE ESPESOR | ||||
| 31 | 2600101671 | 1.32 | 1.60 | |
| Engranaje Cilíndrico | ||||
| 33 | 2606317084 | 11.02 | 13.33 | |
| Engranaje Cilíndrico | ||||
| 34 | 2606317098 | 10.68 | 12.92 | |
| Arandela de compensación | ||||
| 35 | 2600101047 | 1.32 | 1.60 | |
| Ya no disponible, sin reemplazo | ||||
| 36 | 2600190090 | |||
| Arandela de ajuste 0,4 MM DE ESPESOR | ||||
| 38 | 2600000021 | 1.32 | 1.60 | |
| Arandela de ajuste 0,4 MM DE ESPESOR | ||||
| 38 | 2600000030 | 1.32 | 1.60 | |
| Arandela de ajuste 0,4 MM DE ESPESOR | ||||
| 38 | 2600000031 | 1.32 | 1.60 | |
| Pelota | ||||
| 40 | 1903230009 | 1.00 | 1.21 | |
| Pelota | ||||
| 40 | 1903230010 | 1.00 | 1.21 | |
| Pelota | ||||
| 40 | 2603230007 | 1.00 | 1.21 | |
| Perilla rotativa D34 M6/8T azul | ||||
| 41 | 2602026118 | 2.71 | 3.28 | |
| Eje de control Z=20 | ||||
| 42 | 2603120064 | 2.52 | 3.05 | |
| Disco de sellado | ||||
| 44 | 2601015091 | 3.04 | 3.68 | |
| Placa de guía de aire | ||||
| 45 | 2600148008 | 2.52 | 3.05 | |
| Tornillo de placa | ||||
| 46 | 2603435086 | 1.32 | 1.60 | |
| Cubierta de la Carcasa AZUL OSCURO | ||||
| 47 | 2605132056 | 10.73 | 12.98 | |
| Muelle de contacto | ||||
| 48 | 2601324048 | 1.70 | 2.06 | |
| Resorte de disco | ||||
| 53 | 2600550008 | 1.32 | 1.60 | |
| Arandela de compensación | ||||
| 61 | 2600100607 | 1.32 | 1.60 | |
| Tornillo sin cabeza | ||||
| 63 | 2603435084 | 1.00 | 1.21 | |
| Tornillo sin cabeza | ||||
| 64 | 2603435085 | 1.00 | 1.21 | |
| Resorte de compresión | ||||
| 68 | 2604616014 | 1.00 | 1.21 | |
| Perilla rotativa D34 M6/8T azul | ||||
| 69 | 2602026117 | 1.90 | 2.30 | |
| Capucha de trinquete | ||||
| 71 | 2600590006 | 1.32 | 1.60 | |
| Tornillo Torx con cabeza ovalada 4x30 | ||||
| 72 | 2603490025 | 1.00 | 1.21 | |
| Tornillo Torx con cabeza ovalada 4x30 | ||||
| 73 | 2603490022 | 1.00 | 1.21 | |
| Contacto de Interruptor | ||||
| 74 | 1611329024 | 1.32 | 1.60 | |
| Módulo adaptador | ||||
| 75 | 1600A0032J | 1.32 | 1.60 | |
| PORTACEPILLO | ||||
| 76 | 1614336058 | 15.61 | 18.89 | |
| Anillo de bloqueo | ||||
| 78 | 2916660014 | 1.32 | 1.60 | |
| Mandril con llave | ||||
| 85 | 2608571060 | 49.56 | 59.97 | |
| Cable de conexión | ||||
| 86 | 1614448014 | 2.18 | 2.64 | |
| Cable de conexión | ||||
| 87 | 2604448263 | 1.90 | 2.30 | |
| Protector de bombilla | ||||
| 89 | 2605510206 | 2.18 | 2.64 | |
| Conductor de tierra | ||||
| 93 | 2604448269 | 3.31 | 4.01 | |
| Placa de Referencia | ||||
| 210 | 2601116318 | 1.00 | 1.21 | |
| Mango auxiliar M10 | ||||
| 653 | 2602025139 | 12.21 | 14.77 | |
| Mango auxiliar M10 | ||||
| 653/120 | 1612025019 | 5.96 | 7.21 | |
| Abrazadera de Soporte | ||||
| 653/121 | 2608040235 | 5.33 | 6.45 | |
| ANILLO DE SUJECIÓN D38X1,75 | ||||
| 653/124 | 1611316006 | 2.18 | 2.64 | |
| Tornillo de cabeza de martillo M8x40 MM | ||||
| 653/125 | 1613490002 | 3.71 | 4.49 | |
| Tope de profundidad TSF 55 EBQ | ||||
| 655 | 1613001009 | 3.04 | 3.68 | |
| Cable de alimentación | ||||
| 805 | 1607000386 | 17.60 | 21.30 | |
| Placa de tipo HK 85 EB 230V | ||||
| 808 | 2601116344 | 1.94 | 2.35 | |
| KIT DE SERVICIO 115V | ||||
| 810 | 1617000525 | 9.47 | 11.46 | |
| Caja de engranajes | ||||
| 825 | 2605806892 | 33.45 | 40.47 | |
| Puente de cojinete | ||||
| 843 | 2605700943 | 33.33 | 40.33 | |
| TRANSMISIÓN SA | ||||
| 859 | 2606309933 | 30.08 | 36.40 | |
| Deslizador de ajuste | ||||
| 866 | 2602033018 | 3.71 | 4.49 | |
| Rack dentado | ||||
| 867 | 2606308925 | 5.27 | 6.38 | |
| Llave de mandril | ||||
| 885 | 2607950007 | 5.96 | 7.21 | |
| Placa de bloqueo | ||||
| 888 | 2601328900 | 2.52 | 3.05 | |
| Conjunto de sujeción | ||||
| 890 | 2607001305 | 3.71 | 4.49 | |
| Bolt de Embrague | ||||
| 891 | 2603410046 | 1.90 | 2.30 | |