Aquí encontrará todas las piezas y dibujos técnicos disponibles de 'Bosch 0601146703 ( GSB22-2RCE )'. Desde aquí podrá pedir todas las piezas deseadas directamente. Para muchas piezas de repuesto, es necesario pasar un pedido al fabricante. Dependiendo de la marca, el plazo de entrega puede variar entre una y cuatro semanas. Toda la información que tenemos está en nuestro sitio web. No podremos aconsejarle sobre lo que necesita hasta que entregue la máquina para su reparación. Tenga en cuenta lo siguiente a la hora de cursar su pedido:
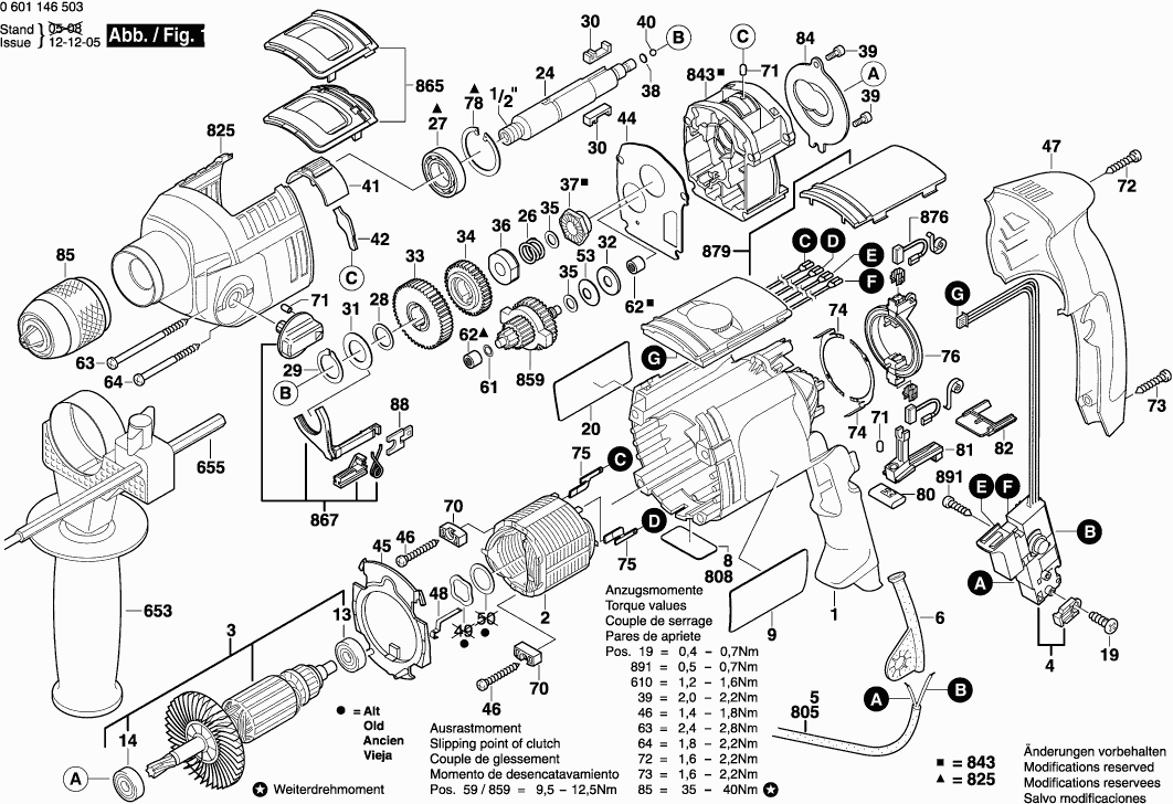
Dibujo técnico de los/las Bosch 0601146703 ( GSB22-2RCE )
Lista de las piezas de repuesto de Bosch 0601146703 ( GSB22-2RCE )
| Pos. | Descripción | Precio con el IVA excluido | Precio con el IVA incluido | |
| Los precios mostrados incluyen el IVA | ||||
| Carcasa del motor | ||||
| 1 | 2605104784 | 22.88 | 27.68 | |
| Campo 230V | ||||
| 2 | 1604220395 | 15.71 | 19.01 | |
| Armazón 230-240V | ||||
| 3 | 2604011249 | 44.82 | 54.23 | |
| Ya no disponible, sin reemplazo | ||||
| 4 | 2607200544 | |||
| Ya no disponible, sin reemplazo | ||||
| 6 | 2600707066 | |||
| Placa del fabricante GBH 2000 | ||||
| 9 | 2601116656 | 2.18 | 2.64 | |
| RODAMIENTO DE BOLAS OSC 18 | ||||
| 13 | 2600905032 | 4.58 | 5.54 | |
| RODAMIENTO DE BOLAS OSC 18 | ||||
| 14 | 1610905017 | 11.02 | 13.33 | |
| Tornillo Torx con cabeza ovalada 4x30 | ||||
| 19 | 2603490017 | 1.90 | 2.30 | |
| Placa de Referencia | ||||
| 20 | 2601117958 | 2.18 | 2.64 | |
| Husillo de Taladro | ||||
| 24 | 2606135099 | 10.68 | 12.92 | |
| Resorte de compresión | ||||
| 26 | 2604616013 | 2.18 | 2.64 | |
| RODAMIENTO DE BOLAS OSC 18 | ||||
| 27 | 1900905163 | 9.47 | 11.46 | |
| Arandela de compensación | ||||
| 28 | 2600100695 | 1.32 | 1.60 | |
| Anillo de bloqueo | ||||
| 29 | 2916650008 | 1.32 | 1.60 | |
| Llave Plana | ||||
| 30 | 2602300032 | 3.04 | 3.68 | |
| Arandela de retención 1,8 MM DE ESPESOR | ||||
| 31 | 2600101671 | 1.32 | 1.60 | |
| Arandela de compensación | ||||
| 32 | 2600101056 | 1.32 | 1.60 | |
| Engranaje Cilíndrico | ||||
| 33 | 2606317084 | 11.02 | 13.33 | |
| Engranaje Cilíndrico | ||||
| 34 | 2606317098 | 10.68 | 12.92 | |
| Arandela de compensación | ||||
| 35 | 2600101047 | 1.32 | 1.60 | |
| Ya no disponible, sin reemplazo | ||||
| 36 | 2600190090 | |||
| Disco De Cierre | ||||
| 37 | 2600190078 | 4.10 | 4.96 | |
| Arandela de ajuste 0,4 MM DE ESPESOR | ||||
| 38 | 2600000021 | 1.32 | 1.60 | |
| Arandela de ajuste 0,4 MM DE ESPESOR | ||||
| 38 | 2600000030 | 1.32 | 1.60 | |
| Arandela de ajuste 0,4 MM DE ESPESOR | ||||
| 38 | 2600000031 | 1.32 | 1.60 | |
| Tornillo para roscar M6x25 MM | ||||
| 39 | 2603410048 | 1.32 | 1.60 | |
| Pelota | ||||
| 40 | 2603230007 | 1.00 | 1.21 | |
| Pelota | ||||
| 40 | 1903230009 | 1.00 | 1.21 | |
| Pelota | ||||
| 40 | 1903230010 | 1.00 | 1.21 | |
| Palanca de Cambio | ||||
| 41 | 2602098014 | 1.00 | 1.21 | |
| Placa de presión ISC 240 completa | ||||
| 42 | 2600114016 | 1.32 | 1.60 | |
| Junta | ||||
| 44 | 2601073014 | 0.83 | 1.00 | |
| Placa de guía de aire | ||||
| 45 | 2600148007 | 1.00 | 1.21 | |
| Tornillo Torx con cabeza ovalada 4x30 | ||||
| 46 | 2603490024 | 1.32 | 1.60 | |
| Cubierta de la carcasa VERDE | ||||
| 47 | 2605132053 | 5.27 | 6.38 | |
| Muelle de contacto | ||||
| 48 | 2601324046 | 1.18 | 1.43 | |
| Resorte de disco | ||||
| 53 | 2600550008 | 1.32 | 1.60 | |
| Arandela de compensación | ||||
| 61 | 2600100607 | 1.32 | 1.60 | |
| Manga de aguja AGC 18 | ||||
| 62 | 2600914010 | 2.52 | 3.05 | |
| Ya no disponible, sin reemplazo | ||||
| 63 | 2603435070 | |||
| Tornillo sin cabeza | ||||
| 64 | 2603435077 | 1.00 | 1.21 | |
| Dispositivo de Retención | ||||
| 70 | 2601328068 | 1.00 | 1.21 | |
| Capucha de trinquete | ||||
| 71 | 2600590006 | 1.32 | 1.60 | |
| Tornillo Torx con cabeza ovalada 4x30 | ||||
| 72 | 2603490025 | 1.00 | 1.21 | |
| Tornillo Torx con cabeza ovalada 4x30 | ||||
| 73 | 2603490022 | 1.00 | 1.21 | |
| Ya no disponible, sin reemplazo | ||||
| 74 | 2601324045 | |||
| Terminal de hoja | ||||
| 75 | 2604477005 | 1.00 | 1.21 | |
| Placa del cepillo | ||||
| 76 | 2604337096 | 12.21 | 14.77 | |
| Anillo de bloqueo | ||||
| 78 | 2916660014 | 1.32 | 1.60 | |
| Interruptor | ||||
| 80 | 2602099016 | 1.32 | 1.60 | |
| Soporte del portador | ||||
| 81 | 2602319024 | 1.00 | 1.21 | |
| Tope límite DF500 | ||||
| 82 | 2602319025 | 0.83 | 1.00 | |
| Arandela de retención 1,8 MM DE ESPESOR | ||||
| 84 | 2601098067 | 1.32 | 1.60 | |
| Mandril sin llave | ||||
| 85 | 2608572143 | 67.98 | 82.26 | |
| Placa de bloqueo | ||||
| 88 | 2601328070 | 1.00 | 1.21 | |
| Mango auxiliar M10 | ||||
| 653 | 2602025118 | 12.21 | 14.77 | |
| Tope de profundidad TSF 55 EBQ | ||||
| 655 | 1613001009 | 3.04 | 3.68 | |
| Cable de alimentación | ||||
| 805 | 1607000385 | 12.21 | 14.77 | |
| Placa de tipo HK 85 EB 230V | ||||
| 808 | 2601117597 | 3.71 | 4.49 | |
| Caja de engranajes | ||||
| 825 | 2605806894 | 33.33 | 40.33 | |
| Brida Intermedia | ||||
| 843 | 2605700942 | 30.08 | 36.40 | |
| TRANSMISIÓN SA | ||||
| 859 | 2606309934 | 26.62 | 32.21 | |
| TRANSMISIÓN SA | ||||
| 859 | 1600A00MM2 | 23.75 | 28.74 | |
| Protector de bombilla | ||||
| 865 | 2605510901 | 7.58 | 9.17 | |
| Rack dentado | ||||
| 867 | 2606308923 | 2.71 | 3.28 | |
| Ya no disponible, sin reemplazo | ||||
| 876 | 2604321927 | |||
| Regulador de velocidad 230-240V | ||||
| 879 | 2607230902 | 49.56 | 59.97 | |
| Bolt de Embrague | ||||
| 891 | 2603410046 | 1.90 | 2.30 | |