Aquí encontrará todas las piezas y dibujos técnicos disponibles de 'Bosch 0601948680 ( GSR9,6VE-2 )'. Desde aquí podrá pedir todas las piezas deseadas directamente. Para muchas piezas de repuesto, es necesario pasar un pedido al fabricante. Dependiendo de la marca, el plazo de entrega puede variar entre una y cuatro semanas. Toda la información que tenemos está en nuestro sitio web. No podremos aconsejarle sobre lo que necesita hasta que entregue la máquina para su reparación. Tenga en cuenta lo siguiente a la hora de cursar su pedido:
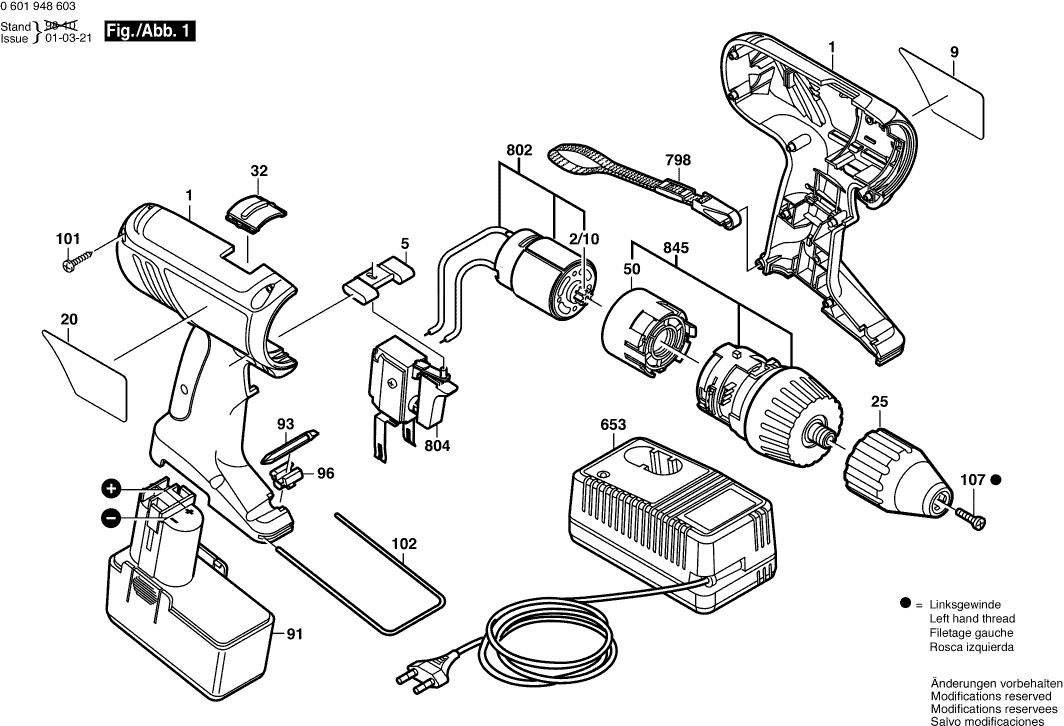
Dibujo técnico de los/las Bosch 0601948680 ( GSR9,6VE-2 )
Lista de las piezas de repuesto de Bosch 0601948680 ( GSR9,6VE-2 )
| Pos. | Descripción | Precio con el IVA excluido | Precio con el IVA incluido | |
| Los precios mostrados incluyen el IVA | ||||
| Sección de la carcasa AZUL | ||||
| 1 | 2605104652 | 18.19 | 22.01 | |
| Arandela 8X21X1 | ||||
| 2/10 | 2606316182 | 1.32 | 1.60 | |
| Ya no disponible, sin reemplazo | ||||
| 5 | 2601099085 | |||
| Placa del fabricante LADO SOL | ||||
| 9 | 2601119746 | 3.31 | 4.01 | |
| Placa de referencia LADO SOMBRA | ||||
| 20 | 2601119747 | 3.31 | 4.01 | |
| Mandril sin llave | ||||
| 25 | 2608572164 | 44.82 | 54.23 | |
| Ya no disponible, sin reemplazo | ||||
| 32 | 2601099086 | |||
| Brida Intermedia | ||||
| 50 | 2605719027 | 2.18 | 2.64 | |
| Paquete de Batería Deslizable 9,6V,2,0Ah,NiCd | ||||
| 91 | 2607335149 | 113.29 | 137.08 | |
| Lámina de destornillador 6 MM | ||||
| 93 | 2608521018 | 3.71 | 4.49 | |
| Soporte | ||||
| 96 | 2608040131 | 1.70 | 2.06 | |
| Tornillo Torx con cabeza ovalada 4x30 | ||||
| 101 | 2603490018 | 1.00 | 1.21 | |
| Soporte de retención | ||||
| 102 | 2601329041 | 1.32 | 1.60 | |
| Tornillo avellanado VN-HK 85 M5x10 | ||||
| 107 | 2603421229 | 1.32 | 1.60 | |
| Cargador Rápido EU 230/7,2-24V, 1h | ||||
| 653 | 2607224425 | 130.32 | 157.69 | |
| Cargador Rápido EU 230/7,2-14,4V, 30 MIN. | ||||
| 653 | 2607224701 | 101.94 | 123.35 | |
| Ya no disponible, sin reemplazo | ||||
| 798 | 2601398009 | |||
| Motor de corriente continua 9,6V | ||||
| 802 | 2607022969 | 49.56 | 59.97 | |
| Interruptor de encendido y apagado | ||||
| 804 | 2607200421 | 50.23 | 60.78 | |
| Tren De Engranajes Planetarios | ||||
| 845 | 2606200908 | 60.65 | 73.39 | |
| No hay información disponible, no se puede pedir | ||||
| 899 | 0601948627 | |||