Aquí encontrará todas las piezas y dibujos técnicos disponibles de 'Bosch 0601589003 ( GST100B )'. Desde aquí podrá pedir todas las piezas deseadas directamente. Para muchas piezas de repuesto, es necesario pasar un pedido al fabricante. Dependiendo de la marca, el plazo de entrega puede variar entre una y cuatro semanas. Toda la información que tenemos está en nuestro sitio web. No podremos aconsejarle sobre lo que necesita hasta que entregue la máquina para su reparación. Tenga en cuenta lo siguiente a la hora de cursar su pedido:
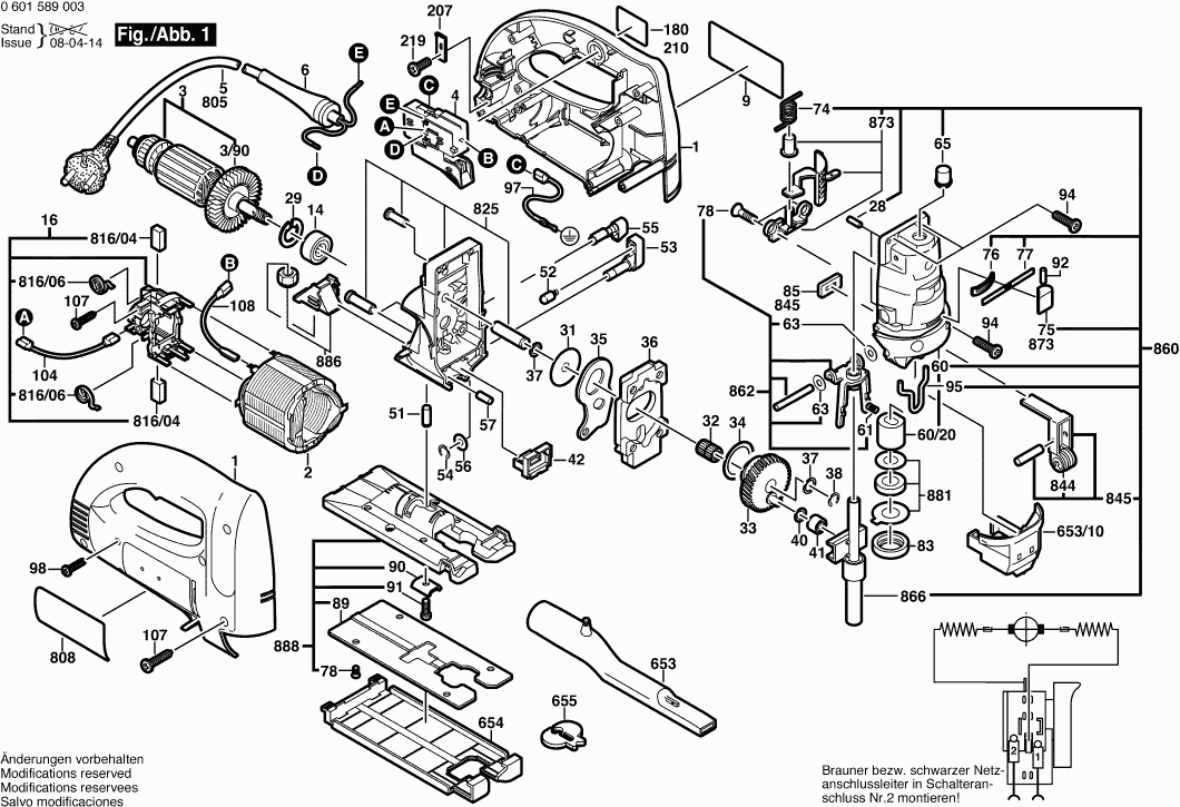
Dibujo técnico de los/las Bosch 0601589003 ( GST100B )
Lista de las piezas de repuesto de Bosch 0601589003 ( GST100B )
| Pos. | Descripción | Precio con el IVA excluido | Precio con el IVA incluido | |
| Los precios mostrados incluyen el IVA | ||||
| Sección de la carcasa AZUL | ||||
| 1 | 2605104581 | 5.83 | 7.05 | |
| Campo 230V | ||||
| 2 | 2604220593 | 13.93 | 16.86 | |
| Ya no disponible, sin reemplazo | ||||
| 3 | 2604011153 | |||
| Ventilador Sunon PMD2412PMB1-A | ||||
| 3/90 | 2606610093 | 2.52 | 3.05 | |
| Ya no disponible, sin reemplazo | ||||
| 4 | 2607200500 | |||
| OJAL | ||||
| 6 | 2600703017 | 2.18 | 2.64 | |
| Placa del fabricante GBH 2000 | ||||
| 9 | 2601116507 | 1.94 | 2.35 | |
| RODAMIENTO DE BOLAS OSC 18 | ||||
| 14 | 2600905095 | 10.68 | 12.92 | |
| Placa del cepillo | ||||
| 16 | 2605807082 | 26.62 | 32.21 | |
| Indicador DF 700 | ||||
| 28 | 1903201042 | 1.90 | 2.30 | |
| Anillo de bloqueo | ||||
| 29 | 2916660008 | 1.90 | 2.30 | |
| Arandela de compensación | ||||
| 31 | 2600101048 | 1.32 | 1.60 | |
| Ensamble de rodillos de aguja | ||||
| 32 | 2600913040 | 5.27 | 6.38 | |
| Rueda dentada excéntrica | ||||
| 33 | 2606320101 | 26.62 | 32.21 | |
| Arandela De Compensación 0,5 MM | ||||
| 34 | 2600102614 | 0.83 | 1.00 | |
| Palanca de horquilla | ||||
| 35 | 2601923010 | 1.90 | 2.30 | |
| Contrapeso | ||||
| 36 | 2601098032 | 12.21 | 14.77 | |
| Arandela de compensación | ||||
| 37 | 2600101047 | 1.32 | 1.60 | |
| Anillo de bloqueo | ||||
| 38 | 2916080909 | 1.00 | 1.21 | |
| Anillo Intermedio | ||||
| 40 | 2600200038 | 1.00 | 1.21 | |
| Manga de aguja AGC 18 | ||||
| 41 | 2600917900 | 7.32 | 8.86 | |
| Eliminador de Aire | ||||
| 42 | 2602305048 | 1.18 | 1.43 | |
| Perno de cojinete | ||||
| 51 | 2603105053 | 1.00 | 1.21 | |
| Capucha de trinquete | ||||
| 52 | 2600590006 | 1.32 | 1.60 | |
| Perilla rotativa D34 M6/8T azul | ||||
| 53 | 2602026063 | 2.18 | 2.64 | |
| Anillo de bloqueo | ||||
| 54 | 2916080908 | 1.00 | 1.21 | |
| Perilla rotativa D34 M6/8T azul | ||||
| 55 | 2602026065 | 1.90 | 2.30 | |
| Arandela de compensación | ||||
| 56 | 2600100607 | 1.32 | 1.60 | |
| Pasador Cilíndrico | ||||
| 57 | 2603100069 | 1.32 | 1.60 | |
| Cubierta del engranaje | ||||
| 60 | 2605808081 | 40.61 | 49.14 | |
| COJINETE | ||||
| 60/20 | 2600301037 | 1.32 | 1.60 | |
| Resorte de compresión | ||||
| 61 | 2604610042 | 1.32 | 1.60 | |
| Arandela de compensación | ||||
| 63 | 2600101095 | 1.32 | 1.60 | |
| Disco de sellado | ||||
| 65 | 2601015064 | 1.32 | 1.60 | |
| Resorte de torsión TSF 55 | ||||
| 74 | 2604651011 | 2.52 | 3.05 | |
| Tapa De Mango | ||||
| 75 | 2600591010 | 2.18 | 2.64 | |
| Disco de sellado | ||||
| 76 | 2601015065 | 1.32 | 1.60 | |
| Placa de cubierta | ||||
| 77 | 2601016079 | 4.58 | 5.54 | |
| Tornillo para roscar M6x25 MM | ||||
| 78 | 2603421014 | 1.32 | 1.60 | |
| Anillo de bloqueo | ||||
| 83 | 2600202037 | 1.90 | 2.30 | |
| Placa de sellado | ||||
| 85 | 2601015057 | 2.52 | 3.05 | |
| Ya no disponible, sin reemplazo | ||||
| 89 | 2601098082 | |||
| Perfil de cuentas | ||||
| 90 | 2601030022 | 2.18 | 2.64 | |
| Tornillo de cabeza hexagonal | ||||
| 91 | 2910141197 | 1.00 | 1.21 | |
| Pasador de apriete | ||||
| 92 | 2917760034 | 1.00 | 1.21 | |
| Tornillo para roscar M6x25 MM | ||||
| 94 | 2603410049 | 1.32 | 1.60 | |
| Cubierta Protectora | ||||
| 95 | 2603101046 | 1.32 | 1.60 | |
| Conductor de tierra | ||||
| 97 | 2604448210 | 1.32 | 1.60 | |
| Tornillo Torx con cabeza ovalada 4x30 | ||||
| 98 | 2603490018 | 1.00 | 1.21 | |
| Cable De Conexión L = 198 MM BLANCO | ||||
| 104 | 2604448209 | 1.18 | 1.43 | |
| Tornillo Torx con cabeza ovalada 4x30 | ||||
| 107 | 2603490024 | 1.32 | 1.60 | |
| Cable De Conexión L = 218 MM BLANCO | ||||
| 108 | 2604448208 | 1.18 | 1.43 | |
| Ya no disponible, sin reemplazo | ||||
| 653 | 2605730038 | |||
| Ya no disponible, sin reemplazo | ||||
| 653/10 | 2605510159 | |||
| Ya no disponible, sin reemplazo | ||||
| 654 | 2608000184 | |||
| Protector de Astillado | ||||
| 655 | 2601016065 | 4.58 | 5.54 | |
| Cable de alimentación | ||||
| 805 | 1607000386 | 17.60 | 21.30 | |
| Placa de Referencia | ||||
| 808 | 2601119423 | 2.71 | 3.28 | |
| Ya no disponible, sin reemplazo | ||||
| 816/04 | 2604320914 | |||
| Muelle en espiral AGC 18 | ||||
| 816/06 | 1604652013 | 1.32 | 1.60 | |
| Caja de engranajes | ||||
| 825 | 2605806896 | 45.52 | 55.08 | |
| Ya no disponible, sin reemplazo | ||||
| 844 | 2600326904 | |||
| Ya no disponible, sin reemplazo | ||||
| 845 | 2601321904 | |||
| Cubierta del engranaje | ||||
| 860 | 2605808927 | 130.32 | 157.69 | |
| Soporte de Guía | ||||
| 862 | 2601322900 | 10.73 | 12.98 | |
| Ya no disponible, sin reemplazo | ||||
| 866 | 2600780911 | |||
| Ya no disponible, sin reemplazo | ||||
| 873 | 2601990906 | |||
| Ya no disponible, sin reemplazo | ||||
| 881 | 2600290902 | |||
| Cubierta del ventilador AZUL | ||||
| 886 | 2605500908 | 1.70 | 2.06 | |
| Ya no disponible, sin reemplazo | ||||
| 888 | 2608000917 | |||