Aquí encontrará todas las piezas y dibujos técnicos disponibles de 'Bosch 0601598221 ( GST24V )'. Desde aquí podrá pedir todas las piezas deseadas directamente. Para muchas piezas de repuesto, es necesario pasar un pedido al fabricante. Dependiendo de la marca, el plazo de entrega puede variar entre una y cuatro semanas. Toda la información que tenemos está en nuestro sitio web. No podremos aconsejarle sobre lo que necesita hasta que entregue la máquina para su reparación. Tenga en cuenta lo siguiente a la hora de cursar su pedido:
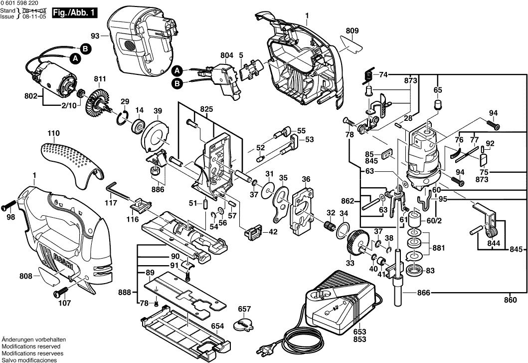
Dibujo técnico de los/las Bosch 0601598221 ( GST24V )
Lista de las piezas de repuesto de Bosch 0601598221 ( GST24V )
| Pos. | Descripción | Precio con el IVA excluido | Precio con el IVA incluido | |
| Los precios mostrados incluyen el IVA | ||||
| Sección de la carcasa | ||||
| 1 | 2605105019 | 29.75 | 36.00 | |
| Elemento de embrague SW22 | ||||
| 2/10 | 2606490088 | 4.58 | 5.54 | |
| Palanca de Bloqueo | ||||
| 5 | 2601099120 | 1.90 | 2.30 | |
| RODAMIENTO DE BOLAS OSC 18 | ||||
| 14 | 2600905095 | 10.68 | 12.92 | |
| Indicador DF 700 | ||||
| 28 | 1903201042 | 1.90 | 2.30 | |
| Anillo de bloqueo | ||||
| 29 | 2916660008 | 1.90 | 2.30 | |
| Arandela de compensación | ||||
| 31 | 2600101048 | 1.32 | 1.60 | |
| Ensamble de rodillos de aguja | ||||
| 32 | 2600913040 | 5.27 | 6.38 | |
| Rueda dentada excéntrica | ||||
| 33 | 2606320088 | 20.42 | 24.71 | |
| Arandela De Compensación 0,5 MM | ||||
| 34 | 2600102614 | 0.83 | 1.00 | |
| Palanca de horquilla | ||||
| 35 | 2601923010 | 1.90 | 2.30 | |
| Contrapeso | ||||
| 36 | 2601098032 | 12.21 | 14.77 | |
| Arandela de compensación | ||||
| 37 | 2600101047 | 1.32 | 1.60 | |
| Anillo de bloqueo | ||||
| 38 | 2916080909 | 1.00 | 1.21 | |
| Anillo deflector de aire | ||||
| 39 | 2600290051 | 1.70 | 2.06 | |
| Anillo Intermedio | ||||
| 40 | 2600200038 | 1.00 | 1.21 | |
| Manga de aguja AGC 18 | ||||
| 41 | 2600917900 | 7.32 | 8.86 | |
| Eliminador de Aire | ||||
| 42 | 2602305050 | 2.18 | 2.64 | |
| Perno de cojinete | ||||
| 51 | 2603105053 | 1.00 | 1.21 | |
| Capucha de trinquete | ||||
| 52 | 2600590006 | 1.32 | 1.60 | |
| Perilla rotativa D34 M6/8T azul | ||||
| 53 | 2602026063 | 2.18 | 2.64 | |
| Anillo de bloqueo | ||||
| 54 | 2916080908 | 1.00 | 1.21 | |
| Perilla rotativa D34 M6/8T azul | ||||
| 55 | 2602026065 | 1.90 | 2.30 | |
| Arandela de compensación | ||||
| 56 | 2600100607 | 1.32 | 1.60 | |
| Pasador Cilíndrico | ||||
| 57 | 2603100069 | 1.32 | 1.60 | |
| Cubierta del engranaje | ||||
| 60 | 2605808081 | 40.61 | 49.14 | |
| COJINETE | ||||
| 60/2 | 2600301037 | 1.32 | 1.60 | |
| Resorte de compresión | ||||
| 61 | 2604610042 | 1.32 | 1.60 | |
| Arandela de compensación | ||||
| 63 | 2600101095 | 1.32 | 1.60 | |
| Disco de sellado | ||||
| 65 | 2601015064 | 1.32 | 1.60 | |
| Resorte de torsión TSF 55 | ||||
| 74 | 2604651011 | 2.52 | 3.05 | |
| Tapa De Mango | ||||
| 75 | 2600591010 | 2.18 | 2.64 | |
| Disco de sellado | ||||
| 76 | 2601015065 | 1.32 | 1.60 | |
| Placa de cubierta | ||||
| 77 | 2601016079 | 4.58 | 5.54 | |
| Tornillo para roscar M6x25 MM | ||||
| 78 | 2603421014 | 1.32 | 1.60 | |
| Anillo de bloqueo | ||||
| 83 | 2600202037 | 1.90 | 2.30 | |
| Placa de sellado | ||||
| 85 | 2601015057 | 2.52 | 3.05 | |
| Banco de trabajo | ||||
| 89 | 2601098096 | 5.27 | 6.38 | |
| Perfil de cuentas | ||||
| 90 | 2601030022 | 2.18 | 2.64 | |
| Tornillo de cabeza hexagonal | ||||
| 91 | 2910141197 | 1.00 | 1.21 | |
| Pasador de apriete | ||||
| 92 | 2917760034 | 1.00 | 1.21 | |
| Paquete de Baterías 24V,3,0Ah,NiMh | ||||
| 93 | 2607335509 | 441.61 | 534.35 | |
| Paquete de Baterías 24V,2,6Ah,NiMh | ||||
| 93 | 2607335561 | 342.01 | 413.83 | |
| Paquete de Baterías 24V,2,0Ah,NiCd | ||||
| 93 | 2607335445 | 342.01 | 413.83 | |
| Tornillo para roscar M6x25 MM | ||||
| 94 | 2603410049 | 1.32 | 1.60 | |
| Cubierta Protectora | ||||
| 95 | 2603101046 | 1.32 | 1.60 | |
| Tornillo Torx con cabeza ovalada 4x30 | ||||
| 98 | 2603490018 | 1.00 | 1.21 | |
| Tornillo Torx con cabeza ovalada 4x30 | ||||
| 107 | 2603490023 | 1.00 | 1.21 | |
| Placa de mango | ||||
| 110 | 2608040204 | 10.68 | 12.92 | |
| Portallaves | ||||
| 116 | 2608000313 | 1.18 | 1.43 | |
| Destornillador Desplazado | ||||
| 117 | 1907950006 | 3.71 | 4.49 | |
| Llave hexagonal de casquillo | ||||
| 117 | 2610364015 | 3.04 | 3.68 | |
| Cargador Rápido EU 230/7,2-24V, 1h | ||||
| 653 | 2607224425 | 130.32 | 157.69 | |
| Cargador Rápido CN GAL 1230 CV 220/12 V | ||||
| 653 | 2607224435 | 126.98 | 153.65 | |
| Cargador Rápido CN GAL 1230 CV 220/12 V | ||||
| 653 | 2607225027 | 126.98 | 153.65 | |
| Cargador Rápido CN GAL 1230 CV 220/12 V | ||||
| 653 | 2607224429 | 114.26 | 138.25 | |
| Cargador Rápido CN GAL 1230 CV 220/12 V | ||||
| 653 | 2607224427 | 102.63 | 124.18 | |
| Cargador rápido GB 230/7,2-24V, 30 min | ||||
| 653 | 2607225029 | 101.94 | 123.35 | |
| Cargador Rápido CN GAL 1230 CV 220/12 V | ||||
| 653 | 2607225031 | 101.94 | 123.35 | |
| Cargador Rápido CN GAL 1230 CV 220/12 V | ||||
| 653 | 2607224983 | 91.33 | 110.51 | |
| Almohadilla de guía | ||||
| 654 | 2608000294 | 7.32 | 8.86 | |
| Protector de Astillado | ||||
| 657 | 2601016065 | 4.58 | 5.54 | |
| Motor de corriente continua | ||||
| 802 | 2607022879 | 75.38 | 91.21 | |
| Interruptor de encendido y apagado | ||||
| 804 | 2607200413 | 30.08 | 36.40 | |
| Placa de identificación | ||||
| 808 | 2601116159 | 2.71 | 3.28 | |
| Placa del fabricante GBH 2000 | ||||
| 809 | 2601116131 | 3.31 | 4.01 | |
| Mitad de Acoplamiento | ||||
| 811 | 2606445901 | 12.41 | 15.02 | |
| Caja de engranajes | ||||
| 825 | 2605806896 | 45.52 | 55.08 | |
| Ya no disponible, sin reemplazo | ||||
| 844 | 2600326904 | |||
| Ya no disponible, sin reemplazo | ||||
| 845 | 2601321904 | |||
| Cubierta del engranaje | ||||
| 860 | 2605808927 | 130.32 | 157.69 | |
| Soporte de Guía | ||||
| 862 | 2601322900 | 10.73 | 12.98 | |
| Ya no disponible, sin reemplazo | ||||
| 866 | 2600780911 | |||
| Ya no disponible, sin reemplazo | ||||
| 873 | 2601990906 | |||
| Ya no disponible, sin reemplazo | ||||
| 881 | 2600290902 | |||
| Carcasa del ventilador | ||||
| 886 | 2605500911 | 3.31 | 4.01 | |
| PLACA DE BASE CPL USA | ||||
| 888 | 2608000924 | 26.62 | 32.21 | |