Aquí encontrará todas las piezas y dibujos técnicos disponibles de 'Bosch 0601521003 ( GSZ160 )'. Desde aquí podrá pedir todas las piezas deseadas directamente. Para muchas piezas de repuesto, es necesario pasar un pedido al fabricante. Dependiendo de la marca, el plazo de entrega puede variar entre una y cuatro semanas. Toda la información que tenemos está en nuestro sitio web. No podremos aconsejarle sobre lo que necesita hasta que entregue la máquina para su reparación. Tenga en cuenta lo siguiente a la hora de cursar su pedido:
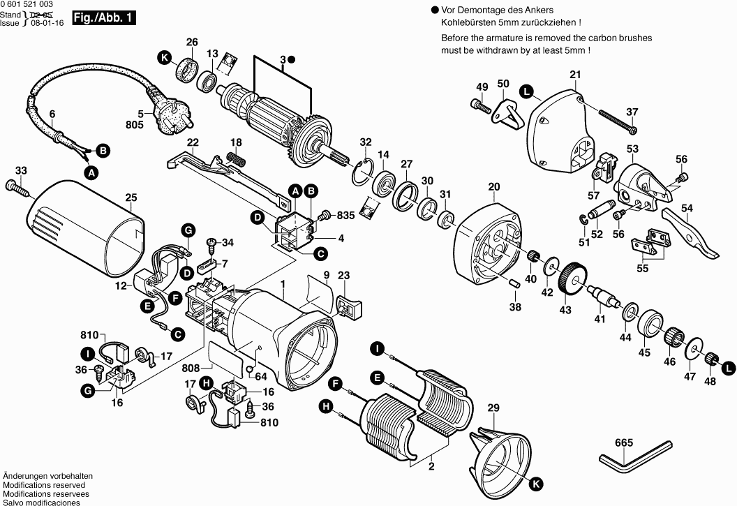
Dibujo técnico de los/las Bosch 0601521003 ( GSZ160 )
Lista de las piezas de repuesto de Bosch 0601521003 ( GSZ160 )
| Pos. | Descripción | Precio con el IVA excluido | Precio con el IVA incluido | |
| Los precios mostrados incluyen el IVA | ||||
| Carcasa del motor | ||||
| 1 | 3605102090 | 12.21 | 14.77 | |
| Campo 230V | ||||
| 2 | 2609160011 | 30.08 | 36.40 | |
| Armazón | ||||
| 3 | 2604011270 | 55.56 | 67.23 | |
| Interruptor | ||||
| 4 | 1607200146 | 8.48 | 10.26 | |
| OJAL | ||||
| 6 | 2600703013 | 2.18 | 2.64 | |
| Clip de cable | ||||
| 7 | 2601035001 | 1.32 | 1.60 | |
| Placa del fabricante GBH 2000 | ||||
| 9 | 3601119177 | 3.04 | 3.68 | |
| Filtro de interferencias TURBO II R1 ET-BG | ||||
| 12 | 3607328016 | 11.02 | 13.33 | |
| RODAMIENTO DE BOLAS OSC 18 | ||||
| 13 | 2600905032 | 4.58 | 5.54 | |
| RODAMIENTO DE BOLAS OSC 18 | ||||
| 14 | 2600905021 | 7.32 | 8.86 | |
| PORTACEPILLO | ||||
| 16 | 1619P01811 | 2.52 | 3.05 | |
| Muelle en espiral AGC 18 | ||||
| 17 | 1604652013 | 1.32 | 1.60 | |
| Resorte de compresión | ||||
| 18 | 1604611031 | 2.52 | 3.05 | |
| Brida Intermedia | ||||
| 20 | 3605700160 | 36.85 | 44.59 | |
| Caja de engranajes | ||||
| 21 | 3605806191 | 50.23 | 60.78 | |
| Deslizador de ajuste | ||||
| 22 | 1602319009 | 2.52 | 3.05 | |
| Manija Del Interruptor | ||||
| 23 | 1602026068 | 2.18 | 2.64 | |
| Cubierta de la carcasa VERDE | ||||
| 25 | 3605500163 | 8.48 | 10.26 | |
| Anillo Intermedio | ||||
| 26 | 1600502024 | 1.90 | 2.30 | |
| Anillo de goma 10 MM ANCHO | ||||
| 27 | 3600206015 | 1.90 | 2.30 | |
| Anillo deflector de aire | ||||
| 29 | 1600591023 | 2.18 | 2.64 | |
| Sello de labio del eje rotatorio | ||||
| 30 | 3600929037 | 5.27 | 6.38 | |
| Manga de sellado | ||||
| 31 | 2600300047 | 2.18 | 2.64 | |
| Anillo de bloqueo | ||||
| 32 | 3600283046 | 2.18 | 2.64 | |
| Tornillo Torx con cabeza ovalada 4x30 | ||||
| 33 | 2603490021 | 1.00 | 1.21 | |
| Tornillo Torx con cabeza ovalada 4x30 | ||||
| 34 | 2603490022 | 1.00 | 1.21 | |
| Tornillo de engrase AW 10 3x25 | ||||
| 36 | 1613435034 | 1.00 | 1.21 | |
| Tornillo de engrase AW 10 3x25 | ||||
| 37 | 2603490026 | 1.00 | 1.21 | |
| Pasador Cilíndrico | ||||
| 38 | 2917510094 | 1.00 | 1.21 | |
| Manga de aguja AGC 18 | ||||
| 40 | 2600914010 | 2.52 | 3.05 | |
| Cortador de bordes | ||||
| 41 | 3606110008 | 41.30 | 49.97 | |
| Arandela de ajuste 0,4 MM DE ESPESOR | ||||
| 42 | 3600200050 | 3.04 | 3.68 | |
| Engranaje Cilíndrico | ||||
| 43 | 3606320022 | 15.61 | 18.89 | |
| Anillo de respaldo | ||||
| 44 | 3600200049 | 5.27 | 6.38 | |
| Rodillo de Soporte | ||||
| 45 | 3600200052 | 17.60 | 21.30 | |
| Manga de aguja AGC 18 | ||||
| 46 | 3600917019 | 9.47 | 11.46 | |
| Arandela de ajuste 0,4 MM DE ESPESOR | ||||
| 47 | 3600200051 | 2.24 | 2.71 | |
| Manga de aguja AGC 18 | ||||
| 48 | 2600910006 | 3.04 | 3.68 | |
| Tornillo de cabeza hexagonal | ||||
| 49 | 2910405166 | 1.00 | 1.21 | |
| Resorte en forma | ||||
| 50 | 3607233014 | 15.61 | 18.89 | |
| Anillo de retención | ||||
| 51 | 2916550002 | 1.32 | 1.60 | |
| Tornillo | ||||
| 52 | 3607233015 | 13.90 | 16.82 | |
| Cabeza de corte | ||||
| 53 | 3607233016 | 81.47 | 98.58 | |
| Cuchillo de corte | ||||
| 54 | 3608635005 | 91.33 | 110.51 | |
| Ya no disponible, sin reemplazo | ||||
| 55 | 3607233019 | |||
| Tornillo de cabeza hexagonal | ||||
| 56 | 2910140116 | 1.32 | 1.60 | |
| Disco de sellado | ||||
| 57 | 3607233020 | 3.71 | 4.49 | |
| Bola AZUL | ||||
| 64 | 2603230001 | 1.18 | 1.43 | |
| Destornillador Desplazado | ||||
| 665 | 1907950003 | 2.18 | 2.64 | |
| Cable de alimentación | ||||
| 805 | 1607000391 | 15.61 | 18.89 | |
| Placa de identificación | ||||
| 808 | 3601110451 | 3.71 | 4.49 | |
| KIT DE SERVICIO 115V | ||||
| 810 | 3604321039 | 15.61 | 18.89 | |
| Tornillo de engrase AW 10 3x25 | ||||
| 835 | 2910641082 | 1.00 | 1.21 | |