Aquí encontrará todas las piezas y dibujos técnicos disponibles de 'Bosch 0601191003 ( GVP140 )'. Desde aquí podrá pedir todas las piezas deseadas directamente. Para muchas piezas de repuesto, es necesario pasar un pedido al fabricante. Dependiendo de la marca, el plazo de entrega puede variar entre una y cuatro semanas. Toda la información que tenemos está en nuestro sitio web. No podremos aconsejarle sobre lo que necesita hasta que entregue la máquina para su reparación. Tenga en cuenta lo siguiente a la hora de cursar su pedido:
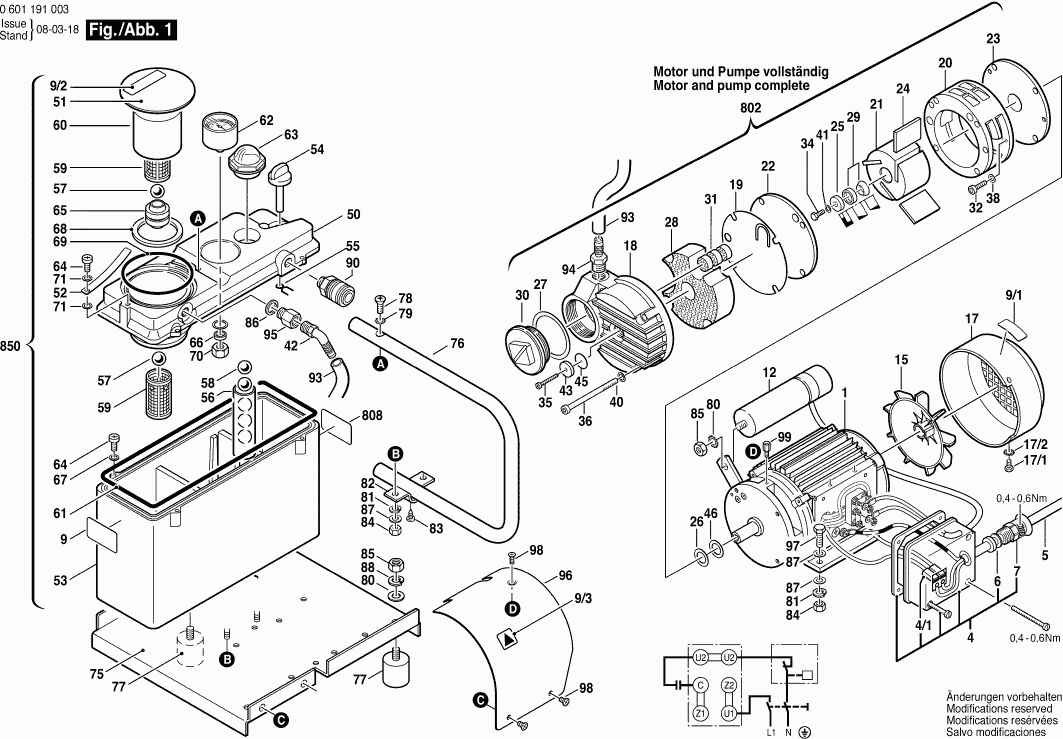
Dibujo técnico de los/las Bosch 0601191003 ( GVP140 )
Lista de las piezas de repuesto de Bosch 0601191003 ( GVP140 )
| Pos. | Descripción | Precio con el IVA excluido | Precio con el IVA incluido | |
| Los precios mostrados incluyen el IVA | ||||
| Bloque de Motor AZUL | ||||
| 1 | 1609203789 | 756.34 | 915.17 | |
| Interruptor de encendido y apagado | ||||
| 4 | 1609203D72 | 130.32 | 157.69 | |
| Interruptor de encendido y apagado | ||||
| 4/1 | 1609203792 | 10.68 | 12.92 | |
| Cable de alimentación | ||||
| 5 | 1609203793 | 26.84 | 32.48 | |
| Entrada de Cable | ||||
| 6 | 1609203864 | 15.71 | 19.01 | |
| Brida para cables | ||||
| 7 | 1609203794 | 1.18 | 1.43 | |
| Placa del fabricante GBH 2000 | ||||
| 9 | 3601110440 | 0.83 | 1.00 | |
| Placa de Referencia | ||||
| 9/1 | 1601118C25 | 0.83 | 1.00 | |
| Placa de Referencia | ||||
| 9/2 | 1601118C26 | 2.18 | 2.64 | |
| Placa de Referencia | ||||
| 9/3 | 1601118C10 | 1.94 | 2.35 | |
| Condensador De Motor | ||||
| 12 | 1609203795 | 61.93 | 74.94 | |
| Ventilador Sunon PMD2412PMB1-A | ||||
| 15 | 1609203790 | 26.84 | 32.48 | |
| Carcasa del ventilador | ||||
| 17 | 1609203791 | 113.29 | 137.08 | |
| Tornillo hexagonal | ||||
| 17/1 | 1609203936 | 1.94 | 2.35 | |
| Arandela de bloqueo dentada | ||||
| 17/2 | 1609203937 | 1.70 | 2.06 | |
| CUBIERTA | ||||
| 18 | 1609203798 | 146.07 | 176.74 | |
| Disco de sellado | ||||
| 19 | 1609203799 | 7.32 | 8.86 | |
| Caja de carcasa DUO 110 - Conjunto | ||||
| 20 | 1609203800 | 189.28 | 229.03 | |
| ROTOR | ||||
| 21 | 1609203801 | 113.29 | 137.08 | |
| Arandela cóncava | ||||
| 22 | 1609203802 | 82.63 | 99.98 | |
| Arandela cóncava | ||||
| 23 | 1609203803 | 67.98 | 82.26 | |
| Empujador | ||||
| 24 | 1609203804 | 23.75 | 28.74 | |
| Arandela de resorte | ||||
| 25 | 1609203805 | 5.33 | 6.45 | |
| Lavadora | ||||
| 26 | 1609203806 | 4.70 | 5.69 | |
| Anillo de sellado | ||||
| 27 | 1609203807 | 2.24 | 2.71 | |
| Adjunto | ||||
| 28 | 1609203808 | 9.53 | 11.53 | |
| Elemento Tensor | ||||
| 29 | 1609203809 | 22.88 | 27.68 | |
| Cubierta del Filtro | ||||
| 30 | 1609203810 | 3.31 | 4.01 | |
| Adjunto | ||||
| 31 | 1609203796 | 2.71 | 3.28 | |
| Tornillo de cabeza hexagonal | ||||
| 32 | 1609203811 | 1.18 | 1.43 | |
| Tornillo hexagonal | ||||
| 34 | 1609203812 | 1.18 | 1.43 | |
| Tornillo de engrase AW 10 3x25 | ||||
| 35 | 1609203813 | 1.32 | 1.60 | |
| Tornillo de cabeza hexagonal | ||||
| 36 | 1609203814 | 1.18 | 1.43 | |
| Anillo de bloqueo | ||||
| 38 | 1609203815 | 1.18 | 1.43 | |
| Anillo de bloqueo | ||||
| 40 | 1609203816 | 1.18 | 1.43 | |
| Anillo de bloqueo | ||||
| 41 | 1609203817 | 1.18 | 1.43 | |
| Enchufe angulado roscado | ||||
| 42 | 1609203818 | 4.10 | 4.96 | |
| Disco de Estrangulación | ||||
| 43 | 1609203819 | 2.18 | 2.64 | |
| Disco de sellado | ||||
| 45 | 1609203820 | 1.32 | 1.60 | |
| Lavadora | ||||
| 46 | 1609203821 | 4.10 | 4.96 | |
| CUBIERTA | ||||
| 50 | 1609203822 | 209.26 | 253.20 | |
| Disco de sellado | ||||
| 51 | 1609203823 | 4.10 | 4.96 | |
| Hebilla de Resorte | ||||
| 52 | 1609203824 | 6.53 | 7.90 | |
| REVISTA SA | ||||
| 53 | 1609203825 | 146.07 | 176.74 | |
| Tapón H03 Kiba DF700 | ||||
| 54 | 1609203826 | 4.58 | 5.54 | |
| ABRAZADERA DE CABLE | ||||
| 55 | 1609203827 | 1.70 | 2.06 | |
| Tubo de guía | ||||
| 56 | 1609203828 | 12.41 | 15.02 | |
| Pelota | ||||
| 57 | 1609203829 | 2.52 | 3.05 | |
| FLOTADOR | ||||
| 58 | 1609203830 | 1.32 | 1.60 | |
| Cámara del Flotador | ||||
| 59 | 1609203831 | 10.68 | 12.92 | |
| Filtro | ||||
| 60 | 1609203832 | 20.39 | 24.67 | |
| Cordón de Sellado | ||||
| 61 | 1609203833 | 11.02 | 13.33 | |
| Manómetro | ||||
| 62 | 1609203834 | 26.62 | 32.21 | |
| Ventana de bandera, vi TSF 55 | ||||
| 63 | 1609203835 | 17.60 | 21.30 | |
| Tornillo de engrase AW 10 3x25 | ||||
| 64 | 1609203836 | 1.18 | 1.43 | |
| Disco de sellado | ||||
| 65 | 1609203837 | 7.32 | 8.86 | |
| Anillo de sellado | ||||
| 66 | 1609203838 | 6.54 | 7.91 | |
| Anillo de bloqueo | ||||
| 67 | 1609203817 | 1.18 | 1.43 | |
| Anillo de sellado | ||||
| 68 | 1609203840 | 3.04 | 3.68 | |
| Anillo O | ||||
| 69 | 1609203841 | 3.71 | 4.49 | |
| Tuerca hexagonal | ||||
| 70 | 1609203842 | 1.32 | 1.60 | |
| Arandela plana | ||||
| 71 | 1609203843 | 1.18 | 1.43 | |
| Panel inferior | ||||
| 75 | 1609203844 | 81.47 | 98.58 | |
| Manija TSC 55 | ||||
| 76 | 1609203845 | 60.65 | 73.39 | |
| AMORTIGUADOR | ||||
| 77 | 1609203846 | 5.83 | 7.05 | |
| Tornillo de cabeza elevada para enrasar | ||||
| 78 | 1609203847 | 1.18 | 1.43 | |
| Arandela dentada DIN 6797-A-3,2 | ||||
| 79 | 1609203848 | 1.18 | 1.43 | |
| Arandela de bloqueo dentada | ||||
| 80 | 1609203849 | 1.18 | 1.43 | |
| Arandela de resorte | ||||
| 81 | 1609203850 | 1.18 | 1.43 | |
| ABRAZADERA DE CABLE | ||||
| 82 | 1609203851 | 2.71 | 3.28 | |
| Tornillo de placa | ||||
| 83 | 1609203852 | 1.18 | 1.43 | |
| Tuerca hexagonal | ||||
| 84 | 1609203853 | 1.18 | 1.43 | |
| Tuerca hexagonal | ||||
| 85 | 1609203854 | 1.18 | 1.43 | |
| Anillo de sellado | ||||
| 86 | 1609203855 | 1.18 | 1.43 | |
| Arandela plana | ||||
| 87 | 1609203856 | 1.18 | 1.43 | |
| Arandela plana | ||||
| 88 | 1609203857 | 1.18 | 1.43 | |
| ACOPLAMIENTO | ||||
| 90 | 1609203859 | 20.39 | 24.67 | |
| Manguera | ||||
| 93 | 1609203863 | 5.27 | 6.38 | |
| Ajuste del tubo | ||||
| 94 | 1609203865 | 3.71 | 4.49 | |
| PEZÓN | ||||
| 95 | 1609203866 | 9.53 | 11.53 | |
| Placa de protección | ||||
| 96 | 1609203867 | 40.61 | 49.14 | |
| Tornillo hexagonal | ||||
| 97 | 1609203868 | 1.32 | 1.60 | |
| Tornillo de cabeza elevada para enrasar | ||||
| 98 | 1609203869 | 1.18 | 1.43 | |
| Perno espaciador | ||||
| 99 | 1609203870 | 2.71 | 3.28 | |
| Bomba | ||||
| 802 | 1609203872 | 1467.21 | 1775.32 | |
| Placa de identificación | ||||
| 808 | 160111A3H3 | 2.18 | 2.64 | |
| Separador de agua | ||||
| 850 | 1609203873 | 605.65 | 732.84 | |