Aquí encontrará todas las piezas y dibujos técnicos disponibles de 'Bosch 3601H29J00 ( GWS14-125INOX )'. Desde aquí podrá pedir todas las piezas deseadas directamente. Para muchas piezas de repuesto, es necesario pasar un pedido al fabricante. Dependiendo de la marca, el plazo de entrega puede variar entre una y cuatro semanas. Toda la información que tenemos está en nuestro sitio web. No podremos aconsejarle sobre lo que necesita hasta que entregue la máquina para su reparación. Tenga en cuenta lo siguiente a la hora de cursar su pedido:
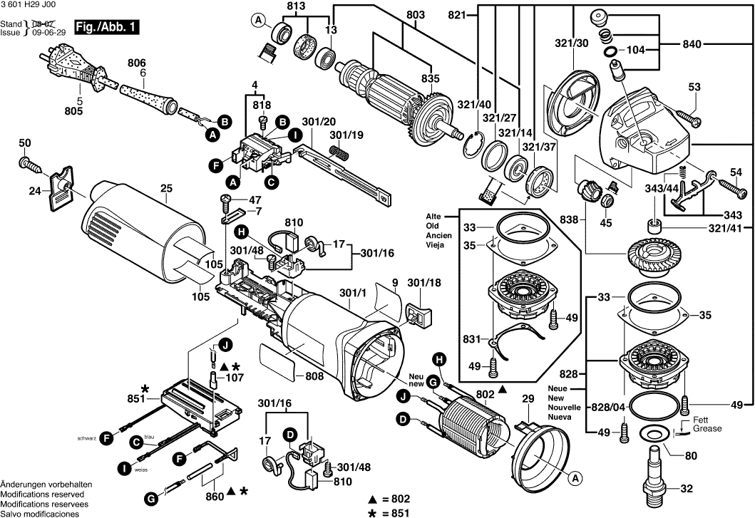
Dibujo técnico de los/las Bosch 3601H29J00 ( GWS14-125INOX )
Lista de las piezas de repuesto de Bosch 3601H29J00 ( GWS14-125INOX )
| Pos. | Descripción | Precio con el IVA excluido | Precio con el IVA incluido | |
| Los precios mostrados incluyen el IVA | ||||
| Interruptor | ||||
| 4 | 1607200200 | 10.68 | 12.92 | |
| OJAL | ||||
| 6 | 1600703040 | 1.90 | 2.30 | |
| Abrazadera de sujeción | ||||
| 7 | 1601302017 | 1.00 | 1.21 | |
| Placa del fabricante GBH 2000 | ||||
| 9 | 1601118N92 | 1.00 | 1.21 | |
| RODAMIENTO DE BOLAS OSC 18 | ||||
| 13 | 2600905032 | 4.58 | 5.54 | |
| Muelle en espiral AGC 18 | ||||
| 17 | 1604652013 | 1.32 | 1.60 | |
| CUBIERTA | ||||
| 24 | 1605500227 | 1.90 | 2.30 | |
| Cubierta de la carcasa VERDE | ||||
| 25 | 1605500251 | 6.53 | 7.90 | |
| Anillo deflector de aire | ||||
| 29 | 1600591025 | 2.18 | 2.64 | |
| Husillo de rectificado | ||||
| 32 | 1607000D6A | 6.53 | 7.90 | |
| Anillo O | ||||
| 33 | 1600210035 | 1.32 | 1.60 | |
| Arandela de compensación | ||||
| 35 | 1600136020 | 3.04 | 3.68 | |
| Arandela de compensación | ||||
| 35 | 1600136013 | 2.18 | 2.64 | |
| Arandela de compensación | ||||
| 35 | 1600136014 | 2.18 | 2.64 | |
| Arandela de compensación | ||||
| 35 | 1600136015 | 2.18 | 2.64 | |
| Tuerca hexagonal | ||||
| 45 | 1603300016 | 1.32 | 1.60 | |
| Tornillo Torx con cabeza ovalada 4x30 | ||||
| 47 | 2603490021 | 1.00 | 1.21 | |
| Tornillo para roscar M6x25 MM | ||||
| 49 | 2914491410 | 1.00 | 1.21 | |
| Tornillo Torx con cabeza ovalada 4x30 | ||||
| 50 | 2603490023 | 1.00 | 1.21 | |
| Tornillo Torx con cabeza ovalada 4x30 | ||||
| 53 | 1603435078 | 1.00 | 1.21 | |
| Tornillo Torx con cabeza ovalada 4x30 | ||||
| 54 | 1603414026 | 1.00 | 1.21 | |
| Disco de cobertura | ||||
| 80 | 1619P09390 | 1.90 | 2.30 | |
| Anillo O | ||||
| 104 | 1600210044 | 1.00 | 1.21 | |
| Placa aislante | ||||
| 105 | 1601008005 | 4.58 | 5.54 | |
| Parte aislante | ||||
| 107 | 1600712030 | 1.32 | 1.60 | |
| Carcasa del motor | ||||
| 301/1 | 1605108269 | 10.68 | 12.92 | |
| PORTACEPILLO | ||||
| 301/16 | 1601323025 | 3.04 | 3.68 | |
| Manija Del Interruptor | ||||
| 301/18 | 1602026088 | 1.00 | 1.21 | |
| Resorte de compresión | ||||
| 301/19 | 1604611026 | 1.00 | 1.21 | |
| Deslizador de ajuste | ||||
| 301/20 | 1602319011 | 1.32 | 1.60 | |
| Tornillo de engrase AW 10 3x25 | ||||
| 301/48 | 1613435034 | 1.00 | 1.21 | |
| RODAMIENTO DE BOLAS OSC 18 | ||||
| 321/14 | 1600905032 | 5.27 | 6.38 | |
| Anillo de goma 10 MM ANCHO | ||||
| 321/27 | 1600206025 | 1.90 | 2.30 | |
| Anillo deflector de aire | ||||
| 321/30 | 1600591014 | 2.18 | 2.64 | |
| Sello de labio del eje rotatorio | ||||
| 321/37 | 1600290016 | 2.18 | 2.64 | |
| Anillo de bloqueo | ||||
| 321/40 | 1600119011 | 1.90 | 2.30 | |
| COJINETE DE MANGA | ||||
| 321/41 | 1600200029 | 3.71 | 4.49 | |
| Palanca de captura | ||||
| 343 | 1607000742 | 6.53 | 7.90 | |
| Resorte de compresión | ||||
| 343/44 | 1604611042 | 1.32 | 1.60 | |
| Cubierta Protectora | ||||
| 651 | 1600A025XR | 8.48 | 10.26 | |
| Campo 230V | ||||
| 802 | 1607000397 | 22.88 | 27.68 | |
| Armazón | ||||
| 803 | 1604010A23 | 67.98 | 82.26 | |
| Cable de alimentación | ||||
| 805 | 1607000392 | 17.60 | 21.30 | |
| Placa de identificación | ||||
| 808 | 160111A3H3 | 2.18 | 2.64 | |
| KIT DE SERVICIO 115V | ||||
| 810 | 1607000482 | 102.63 | 124.18 | |
| KIT DE SERVICIO 115V | ||||
| 810 | 1607014176 | 11.02 | 13.33 | |
| Juego de piezas | ||||
| 813 | 1607000378 | 5.96 | 7.21 | |
| Tornillo de cabeza cilíndrica | ||||
| 818 | 2910110048 | 1.00 | 1.21 | |
| Caja de engranajes | ||||
| 821 | 1605806533 | 33.33 | 40.33 | |
| Brida de cojinete HKC 55 | ||||
| 828 | 1607000D6D | 12.21 | 14.77 | |
| Anillo O | ||||
| 828/04 | 3600210109 | 1.90 | 2.30 | |
| Elemento de muelle | ||||
| 831 | 1601290013 | 1.00 | 1.21 | |
| Ventilador Sunon PMD2412PMB1-A | ||||
| 835 | 1616B00064 | 1.90 | 2.30 | |
| Unidad de Engranajes | ||||
| 838 | 1607000D50 | 75.38 | 91.21 | |
| Botón | ||||
| 840 | 1607000A71 | 3.04 | 3.68 | |
| Regulador de velocidad | ||||
| 851 | 1607233278 | 50.23 | 60.78 | |
| Cable de conexión MX 1200/2 E EF | ||||
| 860 | 1604448023 | 1.32 | 1.60 | |
| Anillo O | ||||
| 890 | 1600210039 | 1.90 | 2.30 | |
| Mango auxiliar M10 | ||||
| 891 | 16020250A0 | 9.47 | 11.46 | |
| Cubierta Protectora | ||||
| 891 | 1600A025XP | 8.48 | 10.26 | |
| Tuerca redonda | ||||
| 892 | 1603345043 | 7.32 | 8.86 | |
| Llave de cara de tipo pin | ||||
| 893 | 1607950052 | 3.04 | 3.68 | |
| Brida de sujeción | ||||
| 895 | 2605703014 | 4.58 | 5.54 | |
| SNELSPANMOER | ||||
| 896 | 1603340027 | 45.52 | 55.08 | |
| Brida de bloqueo rápido | ||||
| 896 | 1600A016PP | 41.30 | 49.97 | |