Aquí encontrará todas las piezas y dibujos técnicos disponibles de 'Bosch 0601353003 ( GWS18U )'. Desde aquí podrá pedir todas las piezas deseadas directamente. Para muchas piezas de repuesto, es necesario pasar un pedido al fabricante. Dependiendo de la marca, el plazo de entrega puede variar entre una y cuatro semanas. Toda la información que tenemos está en nuestro sitio web. No podremos aconsejarle sobre lo que necesita hasta que entregue la máquina para su reparación. Tenga en cuenta lo siguiente a la hora de cursar su pedido:
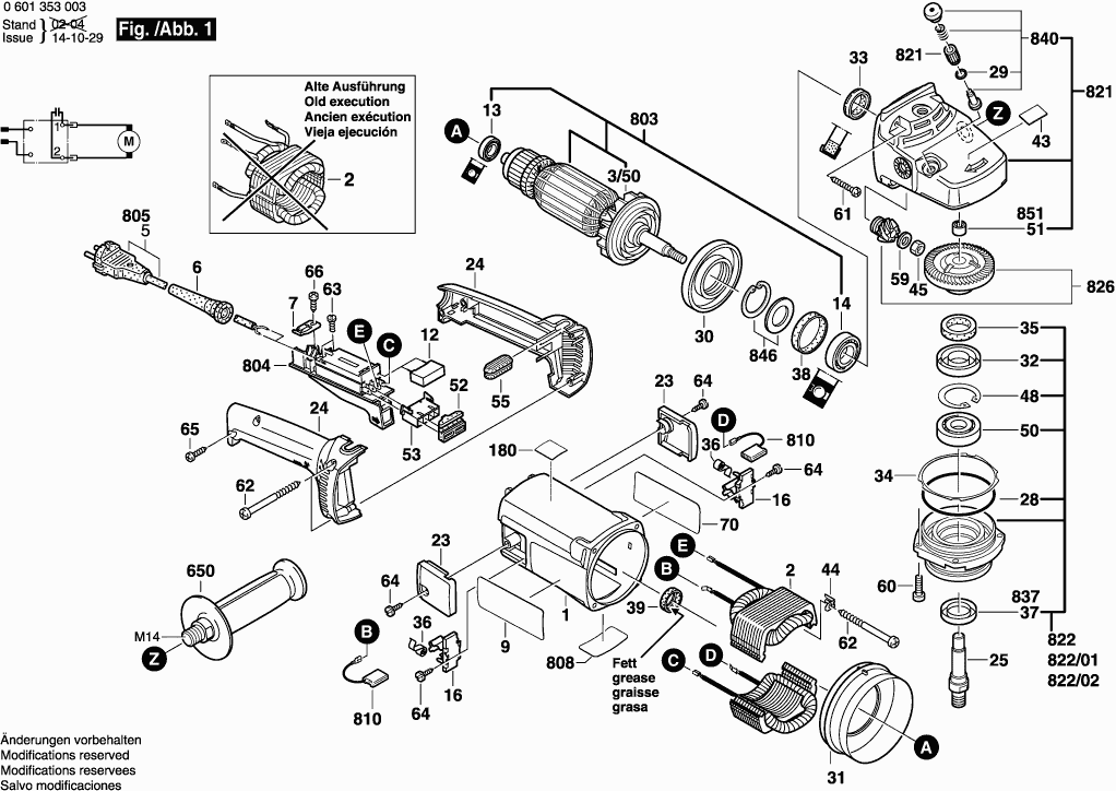
Dibujo técnico de los/las Bosch 0601353003 ( GWS18U )
Lista de las piezas de repuesto de Bosch 0601353003 ( GWS18U )
| Pos. | Descripción | Precio con el IVA excluido | Precio con el IVA incluido | |
| Los precios mostrados incluyen el IVA | ||||
| Ya no disponible, sin reemplazo | ||||
| 1 | 1605108144 | |||
| Campo 230V | ||||
| 2 | 1604220380 | 33.33 | 40.33 | |
| Ventilador Sunon PMD2412PMB1-A | ||||
| 3/50 | 1606610127 | 2.52 | 3.05 | |
| OJAL | ||||
| 6 | 1600703023 | 2.18 | 2.64 | |
| Abrazadera de sujeción | ||||
| 7 | 1601302018 | 1.32 | 1.60 | |
| Placa del fabricante GBH 2000 | ||||
| 9 | 1601110750 | 4.10 | 4.96 | |
| Filtro de interferencias TURBO II R1 ET-BG | ||||
| 12 | 1607328035 | 3.71 | 4.49 | |
| RODAMIENTO DE BOLAS OSC 18 | ||||
| 13 | 1600905011 | 5.27 | 6.38 | |
| Rodamiento de bolas en ranura 10x35x11 | ||||
| 14 | 1600905025 | 9.53 | 11.53 | |
| PORTACEPILLO | ||||
| 16 | 1604336021 | 2.52 | 3.05 | |
| CUBIERTA | ||||
| 23 | 1605500150 | 3.04 | 3.68 | |
| Manija TSC 55 | ||||
| 24 | 1605132117 | 9.47 | 11.46 | |
| Husillo de rectificado | ||||
| 25 | 1603523100 | 12.21 | 14.77 | |
| Anillo O | ||||
| 28 | 1600210033 | 1.32 | 1.60 | |
| Anillo O | ||||
| 29 | 1600210034 | 1.32 | 1.60 | |
| Anillo deflector de aire | ||||
| 30 | 1600591010 | 1.90 | 2.30 | |
| Anillo deflector de aire | ||||
| 31 | 1600591011 | 1.32 | 1.60 | |
| Anillo de bloqueo | ||||
| 32 | 1600290019 | 1.32 | 1.60 | |
| Sello de labio del eje rotatorio | ||||
| 33 | 1600290013 | 2.18 | 2.64 | |
| Arandela de compensación | ||||
| 34 | 1600190021 | 2.18 | 2.64 | |
| Arandela de compensación | ||||
| 34 | 1600190022 | 1.32 | 1.60 | |
| Arandela de compensación | ||||
| 34 | 1600190020 | 1.32 | 1.60 | |
| Arandela de fieltro D 20/14 2mm | ||||
| 35 | 1600205034 | 1.32 | 1.60 | |
| Muelle en espiral AGC 18 | ||||
| 36 | 1604652015 | 2.52 | 3.05 | |
| Anillo de sellado | ||||
| 37 | 1600290036 | 1.90 | 2.30 | |
| Anillo de goma 7 MM ANCHO | ||||
| 38 | 1600206020 | 1.32 | 1.60 | |
| Anillo de goma 10 MM ANCHO | ||||
| 39 | 1600206030 | 1.32 | 1.60 | |
| Placa de Referencia | ||||
| 43 | 1601110470 | 1.00 | 1.21 | |
| Ángulo de retención TURBO II | ||||
| 44 | 1601334008 | 2.18 | 2.64 | |
| Tuerca hexagonal | ||||
| 45 | 1603300019 | 1.32 | 1.60 | |
| Anillo de bloqueo | ||||
| 48 | 1600119010 | 1.32 | 1.60 | |
| RODAMIENTO DE BOLAS OSC 18 | ||||
| 50 | 3600905134 | 9.47 | 11.46 | |
| COJINETE DE MANGA | ||||
| 51 | 1600200031 | 2.52 | 3.05 | |
| Enrutamiento de cables | ||||
| 52 | 1602388027 | 2.18 | 2.64 | |
| Caja del Enchufe | ||||
| 53 | 1605190038 | 1.32 | 1.60 | |
| Estante de almacenamiento NEGRO | ||||
| 55 | 1602388029 | 1.32 | 1.60 | |
| Arandela plana | ||||
| 59 | 1600101655 | 1.32 | 1.60 | |
| Tornillo para roscar M6x25 MM | ||||
| 60 | 1603435023 | 1.90 | 2.30 | |
| Tornillo de placa | ||||
| 61 | 2912401038 | 1.00 | 1.21 | |
| Tornillo de placa | ||||
| 62 | 1603435024 | 1.32 | 1.60 | |
| Tornillo de cabeza cilíndrica | ||||
| 63 | 1603410014 | 1.32 | 1.60 | |
| Tornillo para chapa B4,8x107,5 MM | ||||
| 64 | 1603435042 | 1.32 | 1.60 | |
| Tornillo de placa | ||||
| 65 | 2912401020 | 1.90 | 2.30 | |
| Tornillo de placa | ||||
| 66 | 2912401019 | 1.00 | 1.21 | |
| Placa del fabricante GBH 2000 | ||||
| 70 | 1601110751 | 4.10 | 4.96 | |
| Mango auxiliar M10 | ||||
| 650 | 16020250A1 | 12.21 | 14.77 | |
| ARMADURA 230V | ||||
| 803 | 1604011145 | 113.29 | 137.08 | |
| Interruptor | ||||
| 804 | 1607200103 | 26.62 | 32.21 | |
| Cable de alimentación | ||||
| 805 | 1607000228 | 22.88 | 27.68 | |
| Placa de identificación | ||||
| 808 | 160111A3H3 | 2.18 | 2.64 | |
| KIT DE SERVICIO 115V | ||||
| 810 | 1607014171 | 12.21 | 14.77 | |
| Caja de engranajes | ||||
| 821 | 1605805592 | 82.63 | 99.98 | |
| Ya no disponible, sin reemplazo | ||||
| 822 | 1607000985 | |||
| Ya no disponible, sin reemplazo | ||||
| 822/01 | 1607000932 | |||
| Cubierta del cojinete RTS 400 REQ | ||||
| 822/02 | 1607000922 | 26.62 | 32.21 | |
| Juego de Engranaje Cónico | ||||
| 826 | 1600A003DA | 114.26 | 138.25 | |
| Anillo de sellado | ||||
| 837 | 1600290020 | 1.32 | 1.60 | |
| Botón | ||||
| 840 | 1607000206 | 9.47 | 11.46 | |
| Arandela de retención 1,8 MM DE ESPESOR | ||||
| 846 | 1607000342 | 3.04 | 3.68 | |
| Manga de aguja AGC 18 | ||||
| 851 | 2600910001 | 3.71 | 4.49 | |