Aquí encontrará todas las piezas y dibujos técnicos disponibles de 'Bosch 3601JG3E01 ( GWS18V-10PC )'. Desde aquí podrá pedir todas las piezas deseadas directamente. Para muchas piezas de repuesto, es necesario pasar un pedido al fabricante. Dependiendo de la marca, el plazo de entrega puede variar entre una y cuatro semanas. Toda la información que tenemos está en nuestro sitio web. No podremos aconsejarle sobre lo que necesita hasta que entregue la máquina para su reparación. Tenga en cuenta lo siguiente a la hora de cursar su pedido:
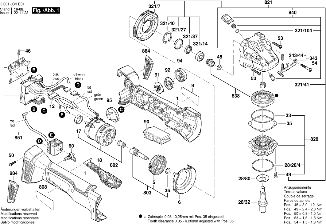
Dibujo técnico de los/las Bosch 3601JG3E01 ( GWS18V-10PC )
Lista de las piezas de repuesto de Bosch 3601JG3E01 ( GWS18V-10PC )
| Pos. | Descripción | Precio con el IVA excluido | Precio con el IVA incluido | |
| Los precios mostrados incluyen el IVA | ||||
| Carcasa del motor | ||||
| 1 | 16051082EL | 20.39 | 24.67 | |
| Ventilador Sunon PMD2412PMB1-A | ||||
| 5 | 160661016E | 2.52 | 3.05 | |
| Anillo deflector de aire | ||||
| 6 | 1600591065 | 2.18 | 2.64 | |
| Placa del fabricante GBH 2000 | ||||
| 9 | 160111C2MU | 2.18 | 2.64 | |
| Ferrita CS 70 | ||||
| 12 | 1600A00RK2 | 1.90 | 2.30 | |
| Cubierta | ||||
| 17 | 1600100P12 | 1.32 | 1.60 | |
| Trinquete de conmutación | ||||
| 18 | 1600A00R9F | 3.71 | 4.49 | |
| Anillo O | ||||
| 28/28/4 | 3600210109 | 1.90 | 2.30 | |
| Husillo de rectificado | ||||
| 28/32 | 1607000D6A | 6.53 | 7.90 | |
| Disco de cobertura | ||||
| 28/80 | 1619P09390 | 1.90 | 2.30 | |
| Anillo O | ||||
| 33 | 1600210035 | 1.32 | 1.60 | |
| Arandela de compensación | ||||
| 35 | 1600136020 | 3.04 | 3.68 | |
| Arandela de compensación | ||||
| 35 | 1600136013 | 2.18 | 2.64 | |
| Arandela de compensación | ||||
| 35 | 1600136014 | 2.18 | 2.64 | |
| Arandela de compensación | ||||
| 35 | 1600136015 | 2.18 | 2.64 | |
| Lavadora | ||||
| 36 | 1610100023 | 1.00 | 1.21 | |
| Tuerca hexagonal | ||||
| 45 | 1603300016 | 1.32 | 1.60 | |
| Resorte de compresión | ||||
| 46 | 1609280477 | 1.32 | 1.60 | |
| Tornillo para roscar M6x25 MM | ||||
| 49 | 2914491410 | 1.00 | 1.21 | |
| Tornillo para roscar M6x25 MM | ||||
| 50 | 1603435071 | 1.00 | 1.21 | |
| Tornillo Torx con cabeza ovalada 4x30 | ||||
| 53 | 1603435078 | 1.00 | 1.21 | |
| Tornillo Torx con cabeza ovalada 4x30 | ||||
| 54 | 1603414026 | 1.00 | 1.21 | |
| Palanca de transferencia inversa | ||||
| 60 | 1600A00R9L | 1.32 | 1.60 | |
| Cubierta TURBO II | ||||
| 90 | 1600A00P2N | 1.90 | 2.30 | |
| Módulo electrónico | ||||
| 91 | 1607503438 | 12.21 | 14.77 | |
| Panel de Cubierta | ||||
| 92 | 1600A00M53 | 1.00 | 1.21 | |
| CUBIERTA | ||||
| 94 | 16055002BV | 1.90 | 2.30 | |
| Cubierta TURBO II | ||||
| 95 | 1600A00P1B | 1.00 | 1.21 | |
| Anillo O | ||||
| 321/104 | 1600210044 | 1.00 | 1.21 | |
| RODAMIENTO DE BOLAS OSC 18 | ||||
| 321/14 | 1600905032 | 5.27 | 6.38 | |
| Anillo de goma 10 MM ANCHO | ||||
| 321/27 | 1600206025 | 1.90 | 2.30 | |
| Soporte | ||||
| 321/37 | 1600A00P17 | 1.00 | 1.21 | |
| Anillo de bloqueo | ||||
| 321/40 | 1600119011 | 1.90 | 2.30 | |
| COJINETE DE MANGA | ||||
| 321/41 | 1600200029 | 3.71 | 4.49 | |
| Distribuidor De Aire | ||||
| 321/7 | 160059105N | 1.90 | 2.30 | |
| Palanca de captura | ||||
| 343 | 1607000742 | 6.53 | 7.90 | |
| Resorte de compresión | ||||
| 343/44 | 1604611042 | 1.32 | 1.60 | |
| Mango auxiliar M10 | ||||
| 650/1 | 16020250A0 | 9.47 | 11.46 | |
| Mandril sin llave | ||||
| 650/2 | 1600A016DN | 12.21 | 14.77 | |
| Brida de sujeción | ||||
| 650/5 | 2605703014 | 4.58 | 5.54 | |
| No hay información disponible, no se puede pedir | ||||
| 650/5/2 | 1600210055 | |||
| Cubierta Protectora | ||||
| 651 | 1600A025XR | 8.48 | 10.26 | |
| Cargador Rápido CN GAL 1230 CV 220/12 V | ||||
| 652 | 2607226317 | 166.62 | 201.61 | |
| Cargador UK | ||||
| 652 | 2607225921 | 114.26 | 138.25 | |
| Cubierta Protectora | ||||
| 652 | 1600A021MH | 8.48 | 10.26 | |
| Paquete De Batería | ||||
| 653 | 1607A350AT | 209.26 | 253.20 | |
| Paquete de Batería GBA 18V 6.0 AH | ||||
| 653 | 2607337263 | 168.86 | 204.32 | |
| Cargador Rápido CN GAL 1230 CV 220/12 V | ||||
| 653 | 2607226317 | 166.62 | 201.61 | |
| Cargador UK | ||||
| 653 | 2607225921 | 114.26 | 138.25 | |
| Paquete De Batería | ||||
| 654 | 1607A350AT | 209.26 | 253.20 | |
| Paquete de Batería GBA 18V 6.0 AH | ||||
| 654 | 2607337263 | 168.86 | 204.32 | |
| Paquete De Batería | ||||
| 654 | 2607337069 | 114.26 | 138.25 | |
| Motor | ||||
| 802 | 1607000CA4 | 102.63 | 124.18 | |
| Eje para ruedas cónicas | ||||
| 803 | 1607000CA5 | 10.68 | 12.92 | |
| Placa de identificación | ||||
| 808 | 160111A9BT | 2.18 | 2.64 | |
| Placa de identificación | ||||
| 808 | 160111A632 | 1.84 | 2.23 | |
| Caja de engranajes | ||||
| 821 | 1607000CA6 | 37.50 | 45.38 | |
| Brida de cojinete HKC 55 | ||||
| 828 | 1607000D6D | 12.21 | 14.77 | |
| Unidad de Engranajes | ||||
| 838 | 1607000CA8 | 18.19 | 22.01 | |
| Botón | ||||
| 840 | 1607000V41 | 3.71 | 4.49 | |
| Módulo Electrónico | ||||
| 851 | 1607000D5V | 114.26 | 138.25 | |
| Cubierta Protectora | ||||
| 852 | 1600A02059 | 10.68 | 12.92 | |
| Unidad de Filtro | ||||
| 884 | 1607000CA9 | 9.47 | 11.46 | |
| Cubierta Protectora | ||||
| 891 | 1600A025XP | 8.48 | 10.26 | |
| Llave de cara de tipo pin | ||||
| 893 | 1607950052 | 3.04 | 3.68 | |