Aquí encontrará todas las piezas y dibujos técnicos disponibles de 'Bosch 3601JJ4002 ( GWS18V-10 )'. Desde aquí podrá pedir todas las piezas deseadas directamente. Para muchas piezas de repuesto, es necesario pasar un pedido al fabricante. Dependiendo de la marca, el plazo de entrega puede variar entre una y cuatro semanas. Toda la información que tenemos está en nuestro sitio web. No podremos aconsejarle sobre lo que necesita hasta que entregue la máquina para su reparación. Tenga en cuenta lo siguiente a la hora de cursar su pedido:
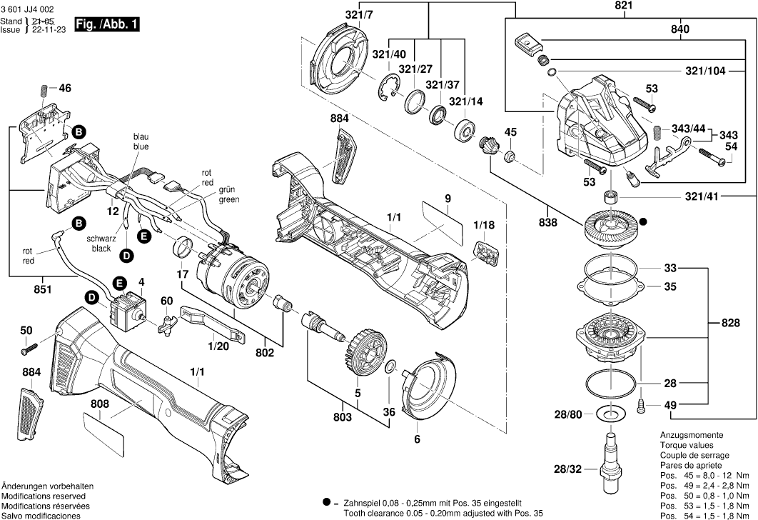
Dibujo técnico de los/las Bosch 3601JJ4002 ( GWS18V-10 )
Lista de las piezas de repuesto de Bosch 3601JJ4002 ( GWS18V-10 )
| Pos. | Descripción | Precio con el IVA excluido | Precio con el IVA incluido | |
| Los precios mostrados incluyen el IVA | ||||
| Carcasa del motor | ||||
| 1 | 1619P15334 | 20.39 | 24.67 | |
| Carcasa del motor | ||||
| 1/1 | 1619P15334 | 20.39 | 24.67 | |
| Manija Del Interruptor | ||||
| 1/18 | 1619P15338 | 1.32 | 1.60 | |
| Deslizador de ajuste | ||||
| 1/20 | 1619P16511 | 1.00 | 1.21 | |
| Interruptor | ||||
| 4 | 2607202328 | 15.61 | 18.89 | |
| Ventilador Sunon PMD2412PMB1-A | ||||
| 5 | 160661016E | 2.52 | 3.05 | |
| Ventilador Sunon PMD2412PMB1-A | ||||
| 5 | 1619P16641 | 1.32 | 1.60 | |
| Anillo deflector de aire | ||||
| 6 | 1600591065 | 2.18 | 2.64 | |
| Placa del fabricante GBH 2000 | ||||
| 9 | 1619P15337 | 2.18 | 2.64 | |
| Ferrita CS 70 | ||||
| 12 | 1600A00RK2 | 1.90 | 2.30 | |
| Cubierta | ||||
| 17 | 1600100P12 | 1.32 | 1.60 | |
| Manija Del Interruptor | ||||
| 18 | 1600A016PW | 1.00 | 1.21 | |
| Deslizador de ajuste | ||||
| 20 | 1600A00P14 | 1.32 | 1.60 | |
| Anillo O | ||||
| 28 | 3600210109 | 1.90 | 2.30 | |
| Husillo de rectificado | ||||
| 28/32 | 1619P06419 | 9.47 | 11.46 | |
| Disco de cobertura | ||||
| 28/80 | 1619P09390 | 1.90 | 2.30 | |
| Husillo de rectificado | ||||
| 32 | 1619P06419 | 9.47 | 11.46 | |
| Anillo O | ||||
| 33 | 1600210035 | 1.32 | 1.60 | |
| Arandela de compensación | ||||
| 35 | 1600136013 | 2.18 | 2.64 | |
| Arandela de compensación | ||||
| 35 | 1600136014 | 2.18 | 2.64 | |
| Arandela de compensación | ||||
| 35 | 1600136015 | 2.18 | 2.64 | |
| Lavadora | ||||
| 36 | 1610100023 | 1.00 | 1.21 | |
| Tuerca hexagonal | ||||
| 45 | 1603300016 | 1.32 | 1.60 | |
| Tuerca hexagonal | ||||
| 45 | 1619P17544 | 1.00 | 1.21 | |
| Resorte de compresión | ||||
| 46 | 1609280477 | 1.32 | 1.60 | |
| Tornillo para roscar M6x25 MM | ||||
| 49 | 2914491410 | 1.00 | 1.21 | |
| Tornillo Torx de cabeza plana | ||||
| 50 | 2609110201 | 1.90 | 2.30 | |
| Tornillo Torx con cabeza ovalada 4x30 | ||||
| 53 | 1619P01066 | 1.00 | 1.21 | |
| Tornillo Torx con cabeza ovalada 4x30 | ||||
| 54 | 2603490025 | 1.00 | 1.21 | |
| Palanca de transferencia inversa | ||||
| 60 | 1600A00P18 | 1.00 | 1.21 | |
| Disco de cobertura | ||||
| 80 | 1619P09390 | 1.90 | 2.30 | |
| Anillo O | ||||
| 321/104 | 1600210044 | 1.00 | 1.21 | |
| RODAMIENTO DE BOLAS OSC 18 | ||||
| 321/14 | 1619P09955 | 5.27 | 6.38 | |
| Anillo de goma 10 MM ANCHO | ||||
| 321/27 | 1600206025 | 1.90 | 2.30 | |
| Soporte | ||||
| 321/37 | 1600A00P17 | 1.00 | 1.21 | |
| Anillo de bloqueo | ||||
| 321/40 | 1600119011 | 1.90 | 2.30 | |
| COJINETE DE MANGA | ||||
| 321/41 | 1600200029 | 3.71 | 4.49 | |
| Distribuidor De Aire | ||||
| 321/7 | 1619P16508 | 9.47 | 11.46 | |
| Distribuidor De Aire | ||||
| 321/7 | 160059105N | 1.90 | 2.30 | |
| Palanca de captura | ||||
| 343 | 1607000742 | 6.53 | 7.90 | |
| Resorte de compresión | ||||
| 343/44 | 1604611042 | 1.32 | 1.60 | |
| Mango auxiliar M10 | ||||
| 650/1 | 1619P10681 | 3.04 | 3.68 | |
| Mandril sin llave | ||||
| 650/2 | 1600A016DN | 12.21 | 14.77 | |
| Brida de sujeción | ||||
| 650/5 | 2605703014 | 4.58 | 5.54 | |
| No hay información disponible, no se puede pedir | ||||
| 650/5/2 | 1600210055 | |||
| Cubierta Protectora | ||||
| 651 | 1600A025XR | 8.48 | 10.26 | |
| Cargador UK | ||||
| 652 | 2607225921 | 114.26 | 138.25 | |
| Cargador Rápido CN GAL 1230 CV 220/12 V | ||||
| 652 | 2607226251 | 75.38 | 91.21 | |
| Paquete De Batería | ||||
| 653 | 2607337069 | 114.26 | 138.25 | |
| Paquete De Batería | ||||
| 653 | 1607A350M0 | 102.63 | 124.18 | |
| Paquete de baterías BBS MR 18V, 4,0Ah, 47 S | ||||
| 653 | 2607336815 | 91.56 | 110.79 | |
| Motor | ||||
| 802 | 1607000CA4 | 102.63 | 124.18 | |
| Eje para ruedas cónicas | ||||
| 803 | 1607000CA5 | 10.68 | 12.92 | |
| Placa de identificación | ||||
| 808 | 1619P17297 | 2.18 | 2.64 | |
| Placa de identificación | ||||
| 808 | 1619P15470 | 2.18 | 2.64 | |
| Caja de engranajes | ||||
| 821 | 1607000CA6 | 37.50 | 45.38 | |
| Brida de cojinete HKC 55 | ||||
| 828 | 1619P15775 | 9.47 | 11.46 | |
| Unidad de Engranajes | ||||
| 838 | 1607000CA8 | 18.19 | 22.01 | |
| Botón | ||||
| 840 | 1607000V41 | 3.71 | 4.49 | |
| Módulo electrónico | ||||
| 851 | 1619P15493 | 114.26 | 138.25 | |
| Unidad de Filtro | ||||
| 884 | 1607000CA9 | 9.47 | 11.46 | |
| Tubo de Grasa 45 ml | ||||
| 894 | 1615430020 | 17.60 | 21.30 | |
| Tubo de Grasa 45 ml | ||||
| 895 | 1605430003 | 33.33 | 40.33 | |