Aquí encontrará todas las piezas y dibujos técnicos disponibles de 'Bosch 0601357036 ( GWS20-230 )'. Desde aquí podrá pedir todas las piezas deseadas directamente. Para muchas piezas de repuesto, es necesario pasar un pedido al fabricante. Dependiendo de la marca, el plazo de entrega puede variar entre una y cuatro semanas. Toda la información que tenemos está en nuestro sitio web. No podremos aconsejarle sobre lo que necesita hasta que entregue la máquina para su reparación. Tenga en cuenta lo siguiente a la hora de cursar su pedido:
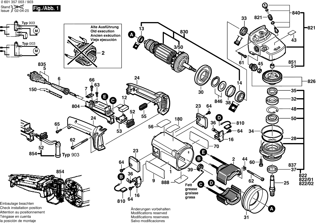
Dibujo técnico de los/las Bosch 0601357036 ( GWS20-230 )
Lista de las piezas de repuesto de Bosch 0601357036 ( GWS20-230 )
| Pos. | Descripción | Precio con el IVA excluido | Precio con el IVA incluido | |
| Los precios mostrados incluyen el IVA | ||||
| Ya no disponible, sin reemplazo | ||||
| 1 | 1605108144 | |||
| Campo 230V | ||||
| 2 | 1604220380 | 33.33 | 40.33 | |
| Ventilador Sunon PMD2412PMB1-A | ||||
| 3/50 | 1606610127 | 2.52 | 3.05 | |
| Cable de alimentación | ||||
| 5 | 1607000391 | 15.61 | 18.89 | |
| OJAL | ||||
| 6 | 1600703022 | 2.52 | 3.05 | |
| OJAL | ||||
| 6 | 1600703023 | 2.18 | 2.64 | |
| Abrazadera de sujeción | ||||
| 7 | 1601302018 | 1.32 | 1.60 | |
| Placa del fabricante GBH 2000 | ||||
| 9 | 1601118331 | 2.24 | 2.71 | |
| Filtro de interferencias TURBO II R1 ET-BG | ||||
| 12 | 1607328035 | 3.71 | 4.49 | |
| RODAMIENTO DE BOLAS OSC 18 | ||||
| 13 | 1600905011 | 5.27 | 6.38 | |
| RODAMIENTO DE BOLAS OSC 18 | ||||
| 14 | 1600905028 | 9.47 | 11.46 | |
| PORTACEPILLO | ||||
| 16 | 1604336021 | 2.52 | 3.05 | |
| CUBIERTA | ||||
| 23 | 1605500150 | 3.04 | 3.68 | |
| Manija TSC 55 | ||||
| 24 | 1605132117 | 9.47 | 11.46 | |
| Husillo de rectificado | ||||
| 25 | 1603523100 | 12.21 | 14.77 | |
| Anillo O | ||||
| 28 | 1600210033 | 1.32 | 1.60 | |
| Anillo deflector de aire | ||||
| 30 | 1600591010 | 1.90 | 2.30 | |
| Anillo deflector de aire | ||||
| 31 | 1600591011 | 1.32 | 1.60 | |
| Anillo de bloqueo | ||||
| 32 | 1600290019 | 1.32 | 1.60 | |
| Sello de labio del eje rotatorio | ||||
| 33 | 1600290013 | 2.18 | 2.64 | |
| Sello de labio del eje rotatorio | ||||
| 33 | 1600290064 | 1.90 | 2.30 | |
| Arandela de compensación | ||||
| 34 | 1600190021 | 2.18 | 2.64 | |
| Arandela de compensación | ||||
| 34 | 1600190022 | 1.32 | 1.60 | |
| Arandela de compensación | ||||
| 34 | 1600190020 | 1.32 | 1.60 | |
| Arandela de fieltro D 20/14 2mm | ||||
| 35 | 1600205034 | 1.32 | 1.60 | |
| Muelle en espiral AGC 18 | ||||
| 36 | 1604652015 | 2.52 | 3.05 | |
| Anillo de sellado | ||||
| 37 | 1600290036 | 1.90 | 2.30 | |
| Anillo de goma 7 MM ANCHO | ||||
| 38 | 1600206020 | 1.32 | 1.60 | |
| Anillo de goma 10 MM ANCHO | ||||
| 39 | 1600206030 | 1.32 | 1.60 | |
| Placa de Referencia | ||||
| 43 | 1601110470 | 1.00 | 1.21 | |
| Ángulo de retención TURBO II | ||||
| 44 | 1601334008 | 2.18 | 2.64 | |
| Tuerca hexagonal | ||||
| 45 | 1603300019 | 1.32 | 1.60 | |
| Anillo de bloqueo | ||||
| 48 | 1600119010 | 1.32 | 1.60 | |
| RODAMIENTO DE BOLAS OSC 18 | ||||
| 50 | 3600905134 | 9.47 | 11.46 | |
| COJINETE DE MANGA | ||||
| 51 | 1600200031 | 2.52 | 3.05 | |
| Enrutamiento de cables | ||||
| 52 | 1602388027 | 2.18 | 2.64 | |
| Caja del Enchufe | ||||
| 53 | 1605190038 | 1.32 | 1.60 | |
| Estante de almacenamiento NEGRO | ||||
| 55 | 1602388029 | 1.32 | 1.60 | |
| Tornillo para roscar M6x25 MM | ||||
| 60 | 1603435023 | 1.90 | 2.30 | |
| Tornillo de placa | ||||
| 61 | 2912401038 | 1.00 | 1.21 | |
| Tornillo de placa | ||||
| 62 | 1603435024 | 1.32 | 1.60 | |
| Tornillo de cabeza cilíndrica | ||||
| 63 | 1603410014 | 1.32 | 1.60 | |
| Tornillo para chapa B4,8x107,5 MM | ||||
| 64 | 1603435042 | 1.32 | 1.60 | |
| Tornillo de placa | ||||
| 65 | 2912401020 | 1.90 | 2.30 | |
| Tornillo de placa | ||||
| 66 | 2910211019 | 1.00 | 1.21 | |
| Placa del fabricante GBH 2000 | ||||
| 70 | 1601110552 | 0.83 | 1.00 | |
| Anillo O | ||||
| 650/30/20 | 1600210039 | 1.90 | 2.30 | |
| Juego de piezas Ø230 MM | ||||
| 700 | 1607000251 | 0.83 | 1.00 | |
| Ya no disponible, sin reemplazo | ||||
| 700/10 | 1605510223 | |||
| Ya no disponible, sin reemplazo | ||||
| 700/20 | 1608135003 | |||
| Ya no disponible, sin reemplazo | ||||
| 701 | 1608135003 | |||
| No hay información disponible, no se puede pedir | ||||
| 702 | 1605510180 | |||
| Unión Ø32,3xØ34,9x75 MM | ||||
| 702/20 | 1600309009 | 15.71 | 19.01 | |
| No hay información disponible, no se puede pedir | ||||
| 703 | 1607000247 | |||
| Tornillo hexagonal | ||||
| 703/11 | 2603450007 | 5.27 | 6.38 | |
| Ya no disponible, sin reemplazo | ||||
| 704 | 1605510181 | |||
| Ya no disponible, sin reemplazo | ||||
| 730 | 1608601006 | |||
| No hay información disponible, no se puede pedir | ||||
| 730/20 | 1603345004 | |||
| No hay información disponible, no se puede pedir | ||||
| 740 | 1601329013 | |||
| No hay información disponible, no se puede pedir | ||||
| 750/10 | 2602025075 | |||
| Tornillo hexagonal | ||||
| 750/11 | 2603450007 | 5.27 | 6.38 | |
| No hay información disponible, no se puede pedir | ||||
| 750/20 | 1607950048 | |||
| Tornillo de Cabeza Redonda DIN 603-M 8x25 | ||||
| 750/20/30 | 2910281244 | 1.18 | 1.43 | |
| BOTÓN | ||||
| 750/20/40 | 2915191007 | 3.04 | 3.68 | |
| Arandela plana | ||||
| 750/20/50 | 2600100041 | 1.32 | 1.60 | |
| Resorte de compresión | ||||
| 750/20/60 | 1604643003 | 5.96 | 7.21 | |
| No hay información disponible, no se puede pedir | ||||
| 750/30 | 1605703099 | |||
| No hay información disponible, no se puede pedir | ||||
| 750/40 | 1603340040 | |||
| Ya no disponible, sin reemplazo | ||||
| 751 | 1605510223 | |||
| No hay información disponible, no se puede pedir | ||||
| 764 | 1607950004 | |||
| SNELSPANMOER | ||||
| 770 | 1603340027 | 45.52 | 55.08 | |
| Brida de bloqueo rápido | ||||
| 770 | 1600A016PP | 41.30 | 49.97 | |
| Interruptor | ||||
| 804 | 1607200103 | 26.62 | 32.21 | |
| KIT DE SERVICIO 115V | ||||
| 810 | 1607014171 | 12.21 | 14.77 | |
| Caja de engranajes | ||||
| 821 | 1605805592 | 82.63 | 99.98 | |
| Ya no disponible, sin reemplazo | ||||
| 822 | 1607000985 | |||
| Ya no disponible, sin reemplazo | ||||
| 822/01 | 1607000932 | |||
| Cubierta del cojinete RTS 400 REQ | ||||
| 822/02 | 1607000922 | 26.62 | 32.21 | |
| Ensamble de piezas de servicio | ||||
| 826 | 1600A005BH | 45.52 | 55.08 | |
| Armazón | ||||
| 830 | 1604011252 | 61.93 | 74.94 | |
| Anillo de sellado | ||||
| 837 | 1600290020 | 1.32 | 1.60 | |
| Botón | ||||
| 840 | 1607000206 | 9.47 | 11.46 | |
| Arandela de retención 1,8 MM DE ESPESOR | ||||
| 846 | 1607000C3E | 10.68 | 12.92 | |
| Arandela de retención 1,8 MM DE ESPESOR | ||||
| 846 | 1607000342 | 3.04 | 3.68 | |
| Manga de aguja AGC 18 | ||||
| 851 | 2600910001 | 3.71 | 4.49 | |
| Placa de identificación | ||||
| 888 | 160111A3H3 | 2.18 | 2.64 | |