Aquí encontrará todas las piezas y dibujos técnicos disponibles de 'Bosch 3601H64Z01 ( GWS24-230JVX )'. Desde aquí podrá pedir todas las piezas deseadas directamente. Para muchas piezas de repuesto, es necesario pasar un pedido al fabricante. Dependiendo de la marca, el plazo de entrega puede variar entre una y cuatro semanas. Toda la información que tenemos está en nuestro sitio web. No podremos aconsejarle sobre lo que necesita hasta que entregue la máquina para su reparación. Tenga en cuenta lo siguiente a la hora de cursar su pedido:
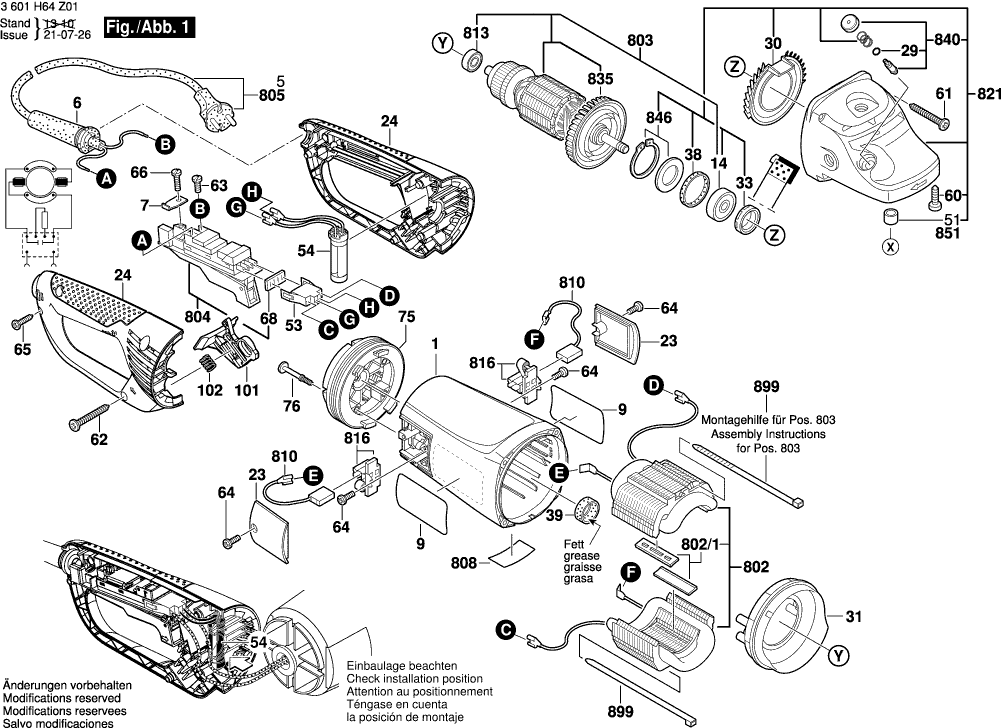
Dibujo técnico de los/las Bosch 3601H64Z01 ( GWS24-230JVX )
Lista de las piezas de repuesto de Bosch 3601H64Z01 ( GWS24-230JVX )
| Pos. | Descripción | Precio con el IVA excluido | Precio con el IVA incluido | |
| Los precios mostrados incluyen el IVA | ||||
| Ya no disponible, sin reemplazo | ||||
| 1 | 1605108286 | |||
| OJAL | ||||
| 6 | 1600703036 | 1.90 | 2.30 | |
| Abrazadera de sujeción | ||||
| 7 | 1601302018 | 1.32 | 1.60 | |
| Placa del fabricante GBH 2000 | ||||
| 9 | 1601118T52 | 6.53 | 7.90 | |
| RODAMIENTO DE BOLAS OSC 18 | ||||
| 14 | 1600905028 | 9.47 | 11.46 | |
| CUBIERTA | ||||
| 23 | 1605500236 | 3.04 | 3.68 | |
| Manija TSC 55 | ||||
| 24 | 1605132151 | 12.21 | 14.77 | |
| Husillo de rectificado | ||||
| 25 | 160312305Z | 40.61 | 49.14 | |
| Juego de Engranaje Cónico | ||||
| 26 | 1600A012VU | 33.33 | 40.33 | |
| Anillo O | ||||
| 28 | 1600210033 | 1.32 | 1.60 | |
| Anillo O | ||||
| 29 | 1600210045 | 1.32 | 1.60 | |
| Distribuidor De Aire | ||||
| 30 | 1600591029 | 2.18 | 2.64 | |
| Anillo deflector de aire | ||||
| 31 | 1600591075 | 1.94 | 2.35 | |
| Anillo de bloqueo | ||||
| 32 | 1600290019 | 1.32 | 1.60 | |
| Sello de labio del eje rotatorio | ||||
| 33 | 1600290064 | 1.90 | 2.30 | |
| Arandela de compensación | ||||
| 34 | 1600190021 | 2.18 | 2.64 | |
| Arandela de compensación | ||||
| 34 | 1600190022 | 1.32 | 1.60 | |
| Arandela de compensación | ||||
| 34 | 1600190020 | 1.32 | 1.60 | |
| Arandela de compensación | ||||
| 34 | 1600190037 | 1.00 | 1.21 | |
| Arandela de compensación | ||||
| 34 | 1600190038 | 1.00 | 1.21 | |
| Arandela de compensación | ||||
| 34 | 1600190039 | 1.00 | 1.21 | |
| Arandela de compensación | ||||
| 34 | 1600190040 | 1.00 | 1.21 | |
| Arandela de fieltro D 20/14 2mm | ||||
| 35 | 1600205034 | 1.32 | 1.60 | |
| Anillo de goma 7 MM ANCHO | ||||
| 38 | 1600206020 | 1.32 | 1.60 | |
| Anillo de goma 10 MM ANCHO | ||||
| 39 | 1600206030 | 1.32 | 1.60 | |
| Tuerca hexagonal | ||||
| 45 | 1603300019 | 1.32 | 1.60 | |
| COJINETE DE MANGA | ||||
| 51 | 1600200031 | 2.52 | 3.05 | |
| Caja del Enchufe | ||||
| 53 | 1605190068 | 1.00 | 1.21 | |
| Filtro de interferencias TURBO II R1 ET-BG | ||||
| 54 | 1604503017 | 7.58 | 9.17 | |
| Tornillo para roscar M6x25 MM | ||||
| 60 | 1603435023 | 1.90 | 2.30 | |
| Tornillo de placa | ||||
| 61 | 2912401038 | 1.00 | 1.21 | |
| Tornillo de engrase AW 10 3x25 | ||||
| 62 | 1603415006 | 1.90 | 2.30 | |
| Tornillo de cabeza cilíndrica | ||||
| 63 | 1603410014 | 1.32 | 1.60 | |
| Tornillo para chapa B4,8x107,5 MM | ||||
| 64 | 1603435042 | 1.32 | 1.60 | |
| Tornillo de placa | ||||
| 65 | 2912401020 | 1.90 | 2.30 | |
| Tornillo de placa | ||||
| 66 | 2910211019 | 1.00 | 1.21 | |
| Placa de sellado | ||||
| 68 | 1601006011 | 2.18 | 2.64 | |
| Anillo de bloqueo | ||||
| 69 | 2916650905 | 1.00 | 1.21 | |
| Amortiguador | ||||
| 75 | 1600290057 | 17.60 | 21.30 | |
| Tornillo de brida TSF 55 | ||||
| 76 | 1603414016 | 1.32 | 1.60 | |
| Deslizador de captura | ||||
| 101 | 1601990014 | 2.52 | 3.05 | |
| Resorte de compresión | ||||
| 102 | 1604616022 | 1.32 | 1.60 | |
| Anillo de bloqueo | ||||
| 205 | 1600209015 | 1.00 | 1.21 | |
| Cubierta Protectora | ||||
| 651 | 1600A01R96 | 37.50 | 45.38 | |
| Mango auxiliar M10 | ||||
| 660 | 1602025051 | 26.62 | 32.21 | |
| ESTATOR | ||||
| 802 | 160422057L | 101.94 | 123.35 | |
| Zapata de freno | ||||
| 802/1 | 1607000363 | 41.30 | 49.97 | |
| Armazón | ||||
| 803 | 1604010BC2 | 102.63 | 124.18 | |
| Interruptor | ||||
| 804 | 1607000973 | 61.93 | 74.94 | |
| Cable de alimentación | ||||
| 805 | 1607000228 | 22.88 | 27.68 | |
| Placa de identificación | ||||
| 808 | 160111A3H3 | 2.18 | 2.64 | |
| KIT DE SERVICIO 115V | ||||
| 810 | 1607000480 | 114.26 | 138.25 | |
| KIT DE SERVICIO 115V | ||||
| 810 | 1607014171 | 12.21 | 14.77 | |
| RODAMIENTO DE BOLAS OSC 18 | ||||
| 813 | 1600905011 | 5.27 | 6.38 | |
| PORTACEPILLO | ||||
| 816 | 1604336048 | 6.53 | 7.90 | |
| Caja de engranajes | ||||
| 821 | 1607000C3C | 82.63 | 99.98 | |
| Cubierta del cojinete RTS 400 REQ | ||||
| 822 | 1607000C24 | 22.88 | 27.68 | |
| Brida de cojinete HKC 55 | ||||
| 822/1 | 1607000C3D | 113.29 | 137.08 | |
| Brida de cojinete HKC 55 | ||||
| 823 | 1607000D88 | 113.29 | 137.08 | |
| Husillo de rectificado | ||||
| 825 | 1607000E1U | 44.82 | 54.23 | |
| VENTILATOR | ||||
| 835 | 1606610142 | 3.71 | 4.49 | |
| Botón | ||||
| 840 | 1607000354 | 5.96 | 7.21 | |
| Arandela de retención 1,8 MM DE ESPESOR | ||||
| 846 | 1607000C3E | 10.68 | 12.92 | |
| Anillo de bloqueo | ||||
| 848 | 1600119010 | 1.32 | 1.60 | |
| RODAMIENTO DE BOLAS OSC 18 | ||||
| 850 | 1600905026 | 7.32 | 8.86 | |
| RODAMIENTO DE BOLAS OSC 18 | ||||
| 850 | 1600900079 | 6.53 | 7.90 | |
| Manga de aguja AGC 18 | ||||
| 851 | 2600910001 | 3.71 | 4.49 | |
| Mango auxiliar M10 | ||||
| 891 | 16020250A1 | 12.21 | 14.77 | |
| Llave de cara de tipo pin | ||||
| 892 | F000632033 | 2.18 | 2.64 | |
| Brida de sujeción | ||||
| 893 | 1607000368 | 26.84 | 32.48 | |
| Tuerca redonda | ||||
| 894 | 1603345043 | 7.32 | 8.86 | |
| SNELSPANMOER | ||||
| 896 | 1603340027 | 45.52 | 55.08 | |
| Brida de bloqueo rápido | ||||
| 896 | 1600A016PP | 41.30 | 49.97 | |
| Extractora | ||||
| 898 | 1609244A78 | 146.07 | 176.74 | |
| Brida para cables | ||||
| 899 | 1609203H18 | 3.71 | 4.49 | |