Aquí encontrará todas las piezas y dibujos técnicos disponibles de 'Bosch 0612312021 ( HSH10 )'. Desde aquí podrá pedir todas las piezas deseadas directamente. Para muchas piezas de repuesto, es necesario pasar un pedido al fabricante. Dependiendo de la marca, el plazo de entrega puede variar entre una y cuatro semanas. Toda la información que tenemos está en nuestro sitio web. No podremos aconsejarle sobre lo que necesita hasta que entregue la máquina para su reparación. Tenga en cuenta lo siguiente a la hora de cursar su pedido:
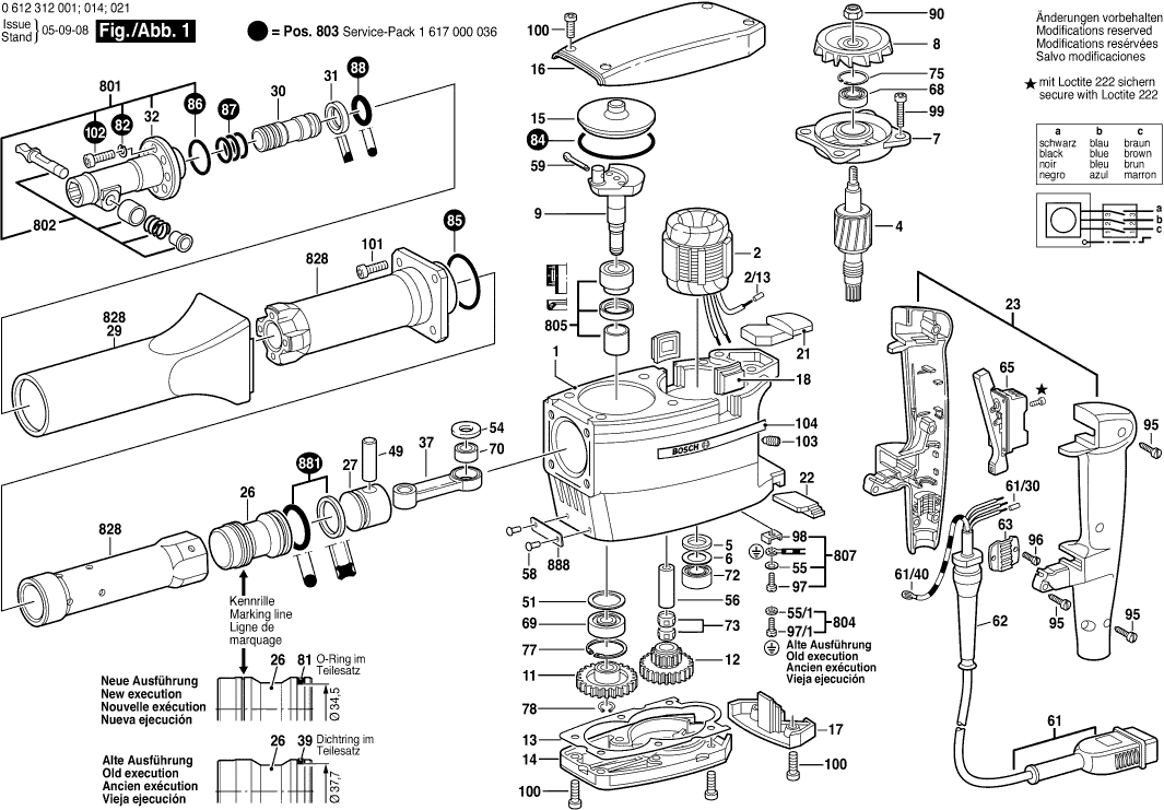
Dibujo técnico de los/las Bosch 0612312021 ( HSH10 )
Lista de las piezas de repuesto de Bosch 0612312021 ( HSH10 )
| Pos. | Descripción | Precio con el IVA excluido | Precio con el IVA incluido | |
| Los precios mostrados incluyen el IVA | ||||
| Carcasa del motor | ||||
| 1 | 1615106022 | 304.19 | 368.07 | |
| Estator 42V/200HZ | ||||
| 2 | 1614229155 | 342.01 | 413.83 | |
| Codo final | ||||
| 2/13 | 1900452012 | 1.32 | 1.60 | |
| Rotor Sin Devanado | ||||
| 4 | 1614080024 | 187.62 | 227.02 | |
| Disco de sellado | ||||
| 5 | 1610108012 | 1.32 | 1.60 | |
| Arandela de compensación | ||||
| 6 | 1610102013 | 1.00 | 1.21 | |
| Brida de cojinete HKC 55 | ||||
| 7 | 1615805066 | 20.42 | 24.71 | |
| Ventilador Sunon PMD2412PMB1-A | ||||
| 8 | 1616610045 | 33.45 | 40.47 | |
| Cortador de bordes | ||||
| 9 | 1616110032 | 49.56 | 59.97 | |
| Engranaje cilíndrico Z=40 | ||||
| 11 | 1616317014 | 101.94 | 123.35 | |
| Engranaje Cilíndrico | ||||
| 12 | 1616328024 | 113.29 | 137.08 | |
| Placa de sellado | ||||
| 13 | 1611015012 | 1.32 | 1.60 | |
| Cubierta del engranaje | ||||
| 14 | 1615808039 | 33.45 | 40.47 | |
| CUBIERTA | ||||
| 15 | 1615500168 | 1.90 | 2.30 | |
| Carcasa del ventilador | ||||
| 16 | 1615500276 | 49.56 | 59.97 | |
| Cubierta del interruptor | ||||
| 17 | 1615500261 | 5.96 | 7.21 | |
| Tapa de sellado | ||||
| 18 | 1615500282 | 1.70 | 2.06 | |
| Ya no disponible, sin reemplazo | ||||
| 21 | 1612392001 | |||
| Ya no disponible, sin reemplazo | ||||
| 22 | 1612392000 | |||
| Manija TSC 55 | ||||
| 23 | 1615133021 | 17.60 | 21.30 | |
| Golpeador | ||||
| 26 | 1618710058 | 41.30 | 49.97 | |
| Pistón del martillo | ||||
| 27 | 1618700047 | 26.62 | 32.21 | |
| Tubo protector | ||||
| 29 | 1615190020 | 12.41 | 15.02 | |
| Ya no disponible, sin reemplazo | ||||
| 30 | 1613120015 | |||
| Disco de parada | ||||
| 31 | 3606100101 | 10.68 | 12.92 | |
| Ya no disponible, sin reemplazo | ||||
| 32 | 1618597033 | |||
| Ya no disponible, sin reemplazo | ||||
| 37 | 1612001029 | |||
| ANILLO DE SUJECIÓN D38X1,75 | ||||
| 41 | 1611316005 | 8.48 | 10.26 | |
| Tornillo hexagonal | ||||
| 42 | 2911061246 | 1.00 | 1.21 | |
| Tuerca hexagonal | ||||
| 43 | 2915051107 | 1.32 | 1.60 | |
| Ya no disponible, sin reemplazo | ||||
| 44 | 1613349015 | |||
| Pasador del pistón | ||||
| 49 | 1610300058 | 2.52 | 3.05 | |
| Arandela de Compensación 1,0 MM DE GROSOR | ||||
| 51 | 1610102014 | 1.18 | 1.43 | |
| Disco de cobertura | ||||
| 54 | 1610113005 | 1.32 | 1.60 | |
| Arandela de Resorte DIN 137-A4 | ||||
| 55 | 1600150006 | 5.33 | 6.45 | |
| Perno de cojinete | ||||
| 56 | 1610300057 | 5.33 | 6.45 | |
| Clavo Ranurado de Cabeza Redonda | ||||
| 58 | 2917721034 | 1.00 | 1.21 | |
| Pin de separación | ||||
| 59 | 1904681350 | 1.32 | 1.60 | |
| Cable de alimentación 5m 3 x 2,5mm | ||||
| 61 | 1614461030 | 130.32 | 157.69 | |
| Codo final | ||||
| 61/30 | 3604477009 | 2.18 | 2.64 | |
| Terminales de ojo Ø 4,3 MM | ||||
| 61/40 | 1671353005 | 0.83 | 1.00 | |
| OJAL | ||||
| 62 | 1600703009 | 5.27 | 6.38 | |
| Abrazadera de sujeción | ||||
| 63 | 1611302007 | 1.70 | 2.06 | |
| Interruptor | ||||
| 65 | 1617200020 | 40.61 | 49.14 | |
| RODAMIENTO DE BOLAS OSC 18 | ||||
| 68 | 1610905001 | 12.21 | 14.77 | |
| RODAMIENTO DE BOLAS OSC 18 | ||||
| 69 | 1610900013 | 9.47 | 11.46 | |
| RODAMIENTO DE AGUJAS | ||||
| 70 | 1610910049 | 37.50 | 45.38 | |
| RODAMIENTO DE AGUJAS | ||||
| 72 | 1610910007 | 20.39 | 24.67 | |
| Ensamble de rodillos de aguja | ||||
| 73 | 1610913001 | 8.45 | 10.22 | |
| Anillo de bloqueo | ||||
| 75 | 2916660013 | 1.90 | 2.30 | |
| Anillo de bloqueo | ||||
| 77 | 2916660018 | 2.18 | 2.64 | |
| Anillo de bloqueo | ||||
| 78 | 2916080014 | 1.00 | 1.21 | |
| Arandela de resorte | ||||
| 82 | 2916690007 | 1.00 | 1.21 | |
| Anillo O | ||||
| 84 | 1900210160 | 5.27 | 6.38 | |
| Anillo O | ||||
| 85 | 1900210152 | 3.04 | 3.68 | |
| Anillo O | ||||
| 86 | 1900210130 | 3.04 | 3.68 | |
| Ya no disponible, sin reemplazo | ||||
| 87 | 1610210041 | |||
| Anillo O | ||||
| 88 | 1610210042 | 1.32 | 1.60 | |
| Tuerca hexagonal | ||||
| 90 | 2915061005 | 2.18 | 2.64 | |
| Tornillo para Chapa DIN 7971-B 3,9x19 | ||||
| 95 | 2910211220 | 1.18 | 1.43 | |
| Tornillo de engrase AW 10 3x25 | ||||
| 95 | 2914201506 | 1.00 | 1.21 | |
| Tornillo de cabeza cilíndrica | ||||
| 96 | 2910021118 | 1.00 | 1.21 | |
| Tornillo de cabeza cilíndrica | ||||
| 97 | 2910110116 | 1.00 | 1.21 | |
| Tornillo de cabeza hexagonal | ||||
| 100 | 2910141199 | 3.04 | 3.68 | |
| Tornillo de cabeza hexagonal | ||||
| 100 | 2910141201 | 2.18 | 2.64 | |
| Tornillo de cabeza hexagonal | ||||
| 101 | 2910141244 | 1.32 | 1.60 | |
| Tornillo de cabeza hexagonal | ||||
| 102 | 1613414009 | 1.32 | 1.60 | |
| VARILLA ROSCADA | ||||
| 103 | 2912081238 | 1.32 | 1.60 | |
| Placa del fabricante GBH 2000 | ||||
| 104 | 1611110490 | 2.71 | 3.28 | |
| Ya no disponible, sin reemplazo | ||||
| 801 | 1617000037 | |||
| Ya no disponible, sin reemplazo | ||||
| 802 | 1617000014 | |||
| Ya no disponible, sin reemplazo | ||||
| 803 | 1617000036 | |||
| Juego de piezas | ||||
| 804 | 1617000155 | 1.18 | 1.43 | |
| Kit de sellado | ||||
| 805 | 1617031004 | 33.45 | 40.47 | |
| Abrazadera de sujeción | ||||
| 807 | 1617000156 | 2.52 | 3.05 | |
| Ya no disponible, sin reemplazo | ||||
| 810 | 1612025027 | |||
| Tubo del martillo | ||||
| 828 | 1617000918 | 441.61 | 534.35 | |
| Ya no disponible, sin reemplazo | ||||
| 881 | 1617000172 | |||
| Placa de identificación | ||||
| 888 | 160111A3H3 | 2.18 | 2.64 | |