Aquí encontrará todas las piezas y dibujos técnicos disponibles de 'Bosch 0601525007 ( HV79 )'. Desde aquí podrá pedir todas las piezas deseadas directamente. Para muchas piezas de repuesto, es necesario pasar un pedido al fabricante. Dependiendo de la marca, el plazo de entrega puede variar entre una y cuatro semanas. Toda la información que tenemos está en nuestro sitio web. No podremos aconsejarle sobre lo que necesita hasta que entregue la máquina para su reparación. Tenga en cuenta lo siguiente a la hora de cursar su pedido:
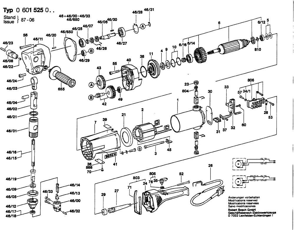
Dibujo técnico de los/las Bosch 0601525007 ( HV79 )
Lista de las piezas de repuesto de Bosch 0601525007 ( HV79 )
| Pos. | Descripción | Precio con el IVA excluido | Precio con el IVA incluido | |
| Los precios mostrados incluyen el IVA | ||||
| Ya no disponible, sin reemplazo | ||||
| 1 | 1605108069 | |||
| Ya no disponible, sin reemplazo | ||||
| 2 | 1604220048 | |||
| Tornillo de cabeza cilíndrica | ||||
| 3 | 2910021181 | 0.83 | 1.00 | |
| Disco de sellado | ||||
| 4 | 1600108048 | 1.32 | 1.60 | |
| Arandela de compensación | ||||
| 5 | 1600102626 | 1.90 | 2.30 | |
| Lámina compensadora 0,3 MM DE ESPESOR | ||||
| 5 | 1600102627 | 0.83 | 1.00 | |
| Chapa de compensación 0,05 MM DE ESPESOR | ||||
| 5 | 1600102608 | 0.83 | 1.00 | |
| Lámina compensadora 0,15 MM DE ESPESOR | ||||
| 5 | 1600102625 | 0.83 | 1.00 | |
| Ya no disponible, sin reemplazo | ||||
| 6 | 1604011057 | |||
| Rodamiento de Bolas Magneto E 12 TD 615 | ||||
| 6/12 | 1900900109 | 49.56 | 59.97 | |
| Rodamiento de Bolas Magneto BO 17 D 615 | ||||
| 6/14 | 1900900115 | 49.56 | 59.97 | |
| Ya no disponible, sin reemplazo | ||||
| 7 | 1605102030 | |||
| Lámina compensadora 0,8 MM DE ESPESOR | ||||
| 9 | 1600102609 | 0.83 | 1.00 | |
| Arandela de compensación 0,30 MM DE ESPESOR | ||||
| 10 | 1600102601 | 0.83 | 1.00 | |
| Arandela de compensación 0,10 MM DE ESPESOR | ||||
| 10 | 1600102602 | 0.83 | 1.00 | |
| Lámina compensadora 0,15 MM DE ESPESOR | ||||
| 10 | 1600102603 | 0.83 | 1.00 | |
| Ya no disponible, sin reemplazo | ||||
| 11 | 1605820131 | |||
| Anillo deflector de aire | ||||
| 21 | 1600502001 | 0.83 | 1.00 | |
| Tapón De Tornillo | ||||
| 23 | 1603465003 | 1.70 | 2.06 | |
| Ya no disponible, sin reemplazo | ||||
| 24 | 1605132068 | |||
| Cable de alimentación | ||||
| 26 | 1604460447 | 20.39 | 24.67 | |
| OJAL | ||||
| 27 | 1600703008 | 0.83 | 1.00 | |
| Abrazadera de sujeción | ||||
| 28 | 1601302013 | 1.32 | 1.60 | |
| Placa de sellado | ||||
| 29 | 1600113003 | 2.52 | 3.05 | |
| Placa de cubierta | ||||
| 30 | 1601037001 | 0.83 | 1.00 | |
| OJAL | ||||
| 31 | 1600306002 | 0.83 | 1.00 | |
| Ya no disponible, sin reemplazo | ||||
| 32 | 1607329019 | |||
| Abrazadera de sujeción | ||||
| 33 | 1601302003 | 0.83 | 1.00 | |
| Arandela plana | ||||
| 34/1 | 2916011005 | 1.00 | 1.21 | |
| Palanca de Control | ||||
| 35 | 1602026030 | 8.48 | 10.26 | |
| Terminal de manguito | ||||
| 37 | 1600390006 | 0.83 | 1.00 | |
| Anillo O | ||||
| 38 | 1600210004 | 2.52 | 3.05 | |
| Ya no disponible, sin reemplazo | ||||
| 40 | 1605820900 | |||
| Placa del fabricante GBH 2000 | ||||
| 41 | 1601110011 | 0.83 | 1.00 | |
| Ya no disponible, sin reemplazo | ||||
| 42 | 1606328077 | |||
| Ya no disponible, sin reemplazo | ||||
| 43 | 1606317063 | |||
| Ángulo de retención TURBO II | ||||
| 45 | 1601331032 | 1.18 | 1.43 | |
| No hay información disponible, no se puede pedir | ||||
| 46 | 1608584004 | |||
| Ya no disponible, sin reemplazo | ||||
| 46/00 | 1608042003 | |||
| Casquillo roscado | ||||
| 46/01 | 1600361008 | 0.83 | 1.00 | |
| PULSADOR | ||||
| 46/02 | 1603104007 | 0.83 | 1.00 | |
| VARILLA CONICA | ||||
| 46/03 | 1602001003 | 0.83 | 1.00 | |
| Pasador Cilíndrico | ||||
| 46/04 | 1603100024 | 0.83 | 1.00 | |
| Tuerca hexagonal | ||||
| 46/05 | 1603300006 | 0.83 | 1.00 | |
| Ya no disponible, sin reemplazo | ||||
| 46/06 | 1606110002 | |||
| ANILLO DE SUJECIÓN D38X1,75 | ||||
| 46/07 | 1600224031 | 0.83 | 1.00 | |
| Ya no disponible, sin reemplazo | ||||
| 46/08 | 1603121016 | |||
| Anillo Roscado | ||||
| 46/09 | 1603344045 | 0.83 | 1.00 | |
| Ya no disponible, sin reemplazo | ||||
| 46/11 | 1605110021 | |||
| Casquillo de guía STM 1800 | ||||
| 46/12 | 1603314008 | 0.83 | 1.00 | |
| Casquillo de guía STM 1800 | ||||
| 46/13 | 1609203000 | 0.83 | 1.00 | |
| Pan de Soporte | ||||
| 46/14 | 1600322030 | 0.83 | 1.00 | |
| Ya no disponible, sin reemplazo | ||||
| 46/16 | 1603052009 | |||
| Ya no disponible, sin reemplazo | ||||
| 46/17 | 1608635021 | |||
| Ya no disponible, sin reemplazo | ||||
| 46/18 | 1608635022 | |||
| Ya no disponible, sin reemplazo | ||||
| 46/19 | 1608635023 | |||
| Pasador Recto DIN 7-5m 6x16-St | ||||
| 46/20 | 2917510120 | 0.83 | 1.00 | |
| Manga de aguja AGC 18 | ||||
| 46/21 | 1609202006 | 0.83 | 1.00 | |
| Engrasador | ||||
| 46/22 | 1609274002 | 0.83 | 1.00 | |
| Ya no disponible, sin reemplazo | ||||
| 46/23 | 1609234015 | |||
| Tornillo de Cabeza Hexagonal M 8x40 DIN 912-8.8 | ||||
| 46/24 | 2910141250 | 0.83 | 1.00 | |
| rodamiento de bolas en ranura 6303 ZY DIN 625 | ||||
| 46/25 | 1900905302 | 33.45 | 40.47 | |
| Ya no disponible, sin reemplazo | ||||
| 46/26 | 1609209003 | |||
| rodamiento de bolas en ranura 6303 ZY DIN 625 | ||||
| 46/27 | 1900905303 | 29.75 | 36.00 | |
| Anillo de bloqueo | ||||
| 46/28 | 2916660021 | 3.71 | 4.49 | |
| rodamiento de bolas en ranura 6200-Z DIN 625 | ||||
| 46/29 | 1900905200 | 18.19 | 22.01 | |
| Llave Paralela A 5x5x14 DIN 6885 | ||||
| 46/30 | 1902300263 | 1.94 | 2.35 | |
| Anillo de bloqueo | ||||
| 46/31 | 2916640006 | 1.32 | 1.60 | |
| Pasador Recto 4 M 6x32 DIN 7 | ||||
| 46/32 | 2917510106 | 0.83 | 1.00 | |
| Tornillo de cabeza hexagonal | ||||
| 46/33 | 2910141242 | 1.32 | 1.60 | |
| Sello | ||||
| 46/650 | 1601015005 | 0.83 | 1.00 | |
| Rodamiento de bolas en ranura 12x32x10 | ||||
| 49 | 1900900302 | 15.71 | 19.01 | |
| Tornillo de cabeza cilíndrica | ||||
| 52 | 2910011166 | 1.00 | 1.21 | |
| Tornillo de cabeza cilíndrica | ||||
| 53 | 2910021122 | 1.90 | 2.30 | |
| Tornillo de cabeza hexagonal | ||||
| 55 | 2910141172 | 1.32 | 1.60 | |
| Tornillo de cabeza hexagonal | ||||
| 56 | 2910141213 | 2.18 | 2.64 | |
| Tornillo de placa | ||||
| 57 | 2910211006 | 1.00 | 1.21 | |
| Tornillo de cabeza cilíndrica | ||||
| 57 | 2910021050 | 1.00 | 1.21 | |
| Tornillo autoperforante Ø 3,9x13 MM | ||||
| 60 | 1603435000 | 0.83 | 1.00 | |
| Clavo Ranurado de Cabeza Redonda | ||||
| 70 | 2917721031 | 1.00 | 1.21 | |
| Cordón de Sellado | ||||
| 71 | 1601014002 | 0.83 | 1.00 | |
| Arandela de fieltro D 20/14 2mm | ||||
| 76 | 1600205008 | 1.32 | 1.60 | |
| Destornillador Desplazado | ||||
| 650 | 2607950004 | 1.32 | 1.60 | |
| Destornillador Desplazado | ||||
| 652 | 1907950007 | 4.58 | 5.54 | |
| No hay información disponible, no se puede pedir | ||||
| 653 | 1607950519 | |||
| Mango auxiliar M10 | ||||
| 655 | 160202509Z | 13.90 | 16.82 | |
| Mango auxiliar M10 | ||||
| 655 | 16020250A1 | 12.21 | 14.77 | |
| Ya no disponible, sin reemplazo | ||||
| 803 | 1605132060 | |||
| KIT DE SERVICIO 115V | ||||
| 804 | 1607014100 | 12.41 | 15.02 | |
| Palanca de Control | ||||
| 805 | 1602026030 | 8.48 | 10.26 | |
| Ya no disponible, sin reemplazo | ||||
| 806 | 1607000034 | |||
| Placa de identificación | ||||
| 888 | 160111A3H3 | 2.18 | 2.64 | |