Aquí encontrará todas las piezas y dibujos técnicos disponibles de 'Bosch 0603269160 ( PAS1000 )'. Desde aquí podrá pedir todas las piezas deseadas directamente. Para muchas piezas de repuesto, es necesario pasar un pedido al fabricante. Dependiendo de la marca, el plazo de entrega puede variar entre una y cuatro semanas. Toda la información que tenemos está en nuestro sitio web. No podremos aconsejarle sobre lo que necesita hasta que entregue la máquina para su reparación. Tenga en cuenta lo siguiente a la hora de cursar su pedido:
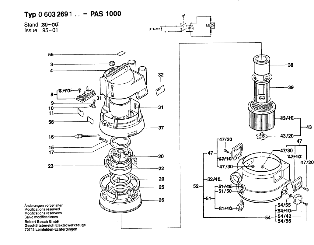
Dibujo técnico de los/las Bosch 0603269160 ( PAS1000 )
Lista de las piezas de repuesto de Bosch 0603269160 ( PAS1000 )
| Pos. | Descripción | Precio con el IVA excluido | Precio con el IVA incluido | |
| Los precios mostrados incluyen el IVA | ||||
| Botón de interruptor | ||||
| 3 | 1609201717 | 4.70 | 5.69 | |
| Tapa de cobertura STM 1800 | ||||
| 4 | 1609202372 | 20.42 | 24.71 | |
| Interruptor de encendido y apagado | ||||
| 8 | 1609201712 | 33.45 | 40.47 | |
| Tornillo Para Chapa DIN 7971-B2,9x19 | ||||
| 9 | 2910211208 | 0.83 | 1.00 | |
| Abrazadera de sujeción | ||||
| 10 | 1609201659 | 1.94 | 2.35 | |
| Placa de identificación | ||||
| 11 | 1601110563 | 0.83 | 1.00 | |
| Ya no disponible, sin reemplazo | ||||
| 15 | 1609201664 | |||
| Cable de alimentación | ||||
| 16 | 1609201713 | 18.19 | 22.01 | |
| Ya no disponible, sin reemplazo | ||||
| 17 | 1609201666 | |||
| Anillo de sellado | ||||
| 20 | 1609201669 | 5.27 | 6.38 | |
| Ventilador de succión 220V | ||||
| 22 | 1609202695 | 233.78 | 282.87 | |
| Ya no disponible, sin reemplazo | ||||
| 23 | 1609201672 | |||
| Ya no disponible, sin reemplazo | ||||
| 25 | 1609201674 | |||
| Ya no disponible, sin reemplazo | ||||
| 26 | 1609201714 | |||
| Ya no disponible, sin reemplazo | ||||
| 28 | 1609201677 | |||
| Tornillo de placa | ||||
| 31 | 2910611015 | 1.90 | 2.30 | |
| Placa del fabricante GBH 2000 | ||||
| 32 | 1601110564 | 1.94 | 2.35 | |
| Ya no disponible, sin reemplazo | ||||
| 37 | 1609201715 | |||
| Ya no disponible, sin reemplazo | ||||
| 38 | 1609200952 | |||
| Ya no disponible, sin reemplazo | ||||
| 39 | 1609201684 | |||
| Ya no disponible, sin reemplazo | ||||
| 43 | 1609201636 | |||
| Ya no disponible, sin reemplazo | ||||
| 43/20 | 1609202200 | |||
| Cierre de palanca doblada | ||||
| 47 | 1609201690 | 9.53 | 11.53 | |
| Tornillo de cabeza cilíndrica | ||||
| 47/20 | 2910021193 | 1.00 | 1.21 | |
| Tuerca hexagonal | ||||
| 47/30 | 2915011007 | 1.00 | 1.21 | |
| Impulsor | ||||
| 51 | 1609201691 | 10.73 | 12.98 | |
| Tuerca hexagonal | ||||
| 51/50 | 2915011009 | 2.18 | 2.64 | |
| Ya no disponible, sin reemplazo | ||||
| 52 | 1609201716 | |||
| Ya no disponible, sin reemplazo | ||||
| 54 | 1609202221 | |||
| Arandela plana | ||||
| 54/42 | 1609202726 | 1.32 | 1.60 | |
| Arandela plana | ||||
| 54/55 | 2916011016 | 1.00 | 1.21 | |
| Tornillo de chapa DIN 7981-B4,2x19 | ||||
| 54/56 | 2910611027 | 0.83 | 1.00 | |
| Placa de Referencia | ||||
| 55 | 1601110573 | 0.83 | 1.00 | |
| Ya no disponible, sin reemplazo | ||||
| 651 | 1609201232 | |||
| Ya no disponible, sin reemplazo | ||||
| 652 | 1609200969 | |||
| Ya no disponible, sin reemplazo | ||||
| 653/10 | 1609201109 | |||
| Ya no disponible, sin reemplazo | ||||
| 653/20 | 1609201110 | |||
| No hay información disponible, no se puede pedir | ||||
| 700 | 2607000165 | |||
| No hay información disponible, no se puede pedir | ||||
| 702 | 1609200933 | |||
| No hay información disponible, no se puede pedir | ||||
| 703 | 1609201628 | |||
| Ya no disponible, sin reemplazo | ||||
| 704 | 2607432010 | |||
| Ya no disponible, sin reemplazo | ||||
| 705 | 1609201627 | |||
| Ya no disponible, sin reemplazo | ||||
| 705/20 | 1609201661 | |||
| Ya no disponible, sin reemplazo | ||||
| 707 | 2607000163 | |||
| No hay información disponible, no se puede pedir | ||||
| 707/1 | 1609202230 | |||
| No hay información disponible, no se puede pedir | ||||
| 708 | 1609201229 | |||
| No hay información disponible, no se puede pedir | ||||
| 709 | 1609201230 | |||
| Ya no disponible, sin reemplazo | ||||
| 710 | 1609201231 | |||
| Ya no disponible, sin reemplazo | ||||
| 711 | 1609201232 | |||
| Ya no disponible, sin reemplazo | ||||
| 712 | 1609201233 | |||
| Ya no disponible, sin reemplazo | ||||
| 713 | 1609201234 | |||
| Ya no disponible, sin reemplazo | ||||
| 714 | 1609201235 | |||
| No hay información disponible, no se puede pedir | ||||
| 750 | 2607000167 | |||
| No hay información disponible, no se puede pedir | ||||
| 755 | 1609200976 | |||