Aquí encontrará todas las piezas y dibujos técnicos disponibles de 'Bosch 0603243803 ( PBH20RE )'. Desde aquí podrá pedir todas las piezas deseadas directamente. Para muchas piezas de repuesto, es necesario pasar un pedido al fabricante. Dependiendo de la marca, el plazo de entrega puede variar entre una y cuatro semanas. Toda la información que tenemos está en nuestro sitio web. No podremos aconsejarle sobre lo que necesita hasta que entregue la máquina para su reparación. Tenga en cuenta lo siguiente a la hora de cursar su pedido:
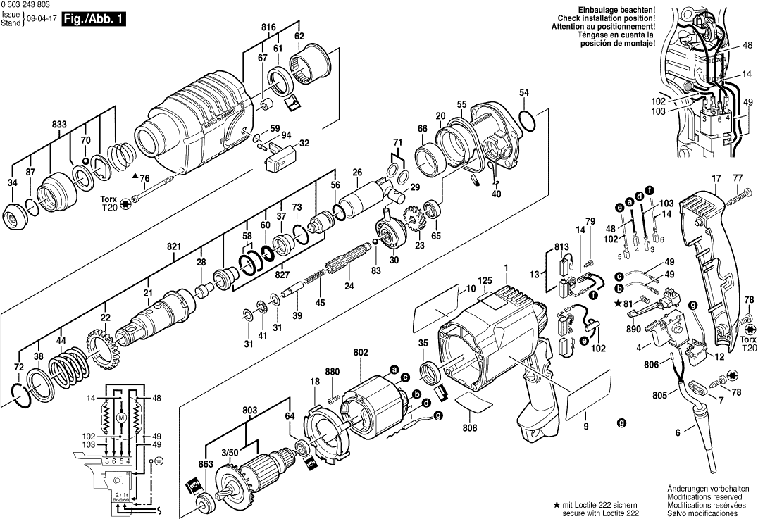
Dibujo técnico de los/las Bosch 0603243803 ( PBH20RE )
Lista de las piezas de repuesto de Bosch 0603243803 ( PBH20RE )
| Pos. | Descripción | Precio con el IVA excluido | Precio con el IVA incluido | |
| Los precios mostrados incluyen el IVA | ||||
| Caja del Motor VERDE | ||||
| 1 | 1615108115 | 10.73 | 12.98 | |
| Ventilador Sunon PMD2412PMB1-A | ||||
| 3/50 | 1616610072 | 1.90 | 2.30 | |
| Ya no disponible, sin reemplazo | ||||
| 4 | 1617200083 | |||
| OJAL | ||||
| 6 | 2600703018 | 2.18 | 2.64 | |
| Clip de cable | ||||
| 7 | 1611035005 | 1.90 | 2.30 | |
| Placa del fabricante GBH 2000 | ||||
| 9 | 1611110A74 | 2.71 | 3.28 | |
| Placa de Referencia | ||||
| 10 | 1611110A75 | 2.71 | 3.28 | |
| Filtro de interferencias TURBO II R1 ET-BG | ||||
| 12 | 1617328026 | 6.53 | 7.90 | |
| PORTACEPILLO | ||||
| 13 | 1617000343 | 9.47 | 11.46 | |
| Filtro de interferencias TURBO II R1 ET-BG | ||||
| 14 | 2604465086 | 5.27 | 6.38 | |
| Cubierta de la carcasa NEGRO | ||||
| 17 | 1615132071 | 4.70 | 5.69 | |
| Anillo deflector de aire | ||||
| 18 | 1610522008 | 1.00 | 1.21 | |
| Brida Intermedia | ||||
| 20 | 1615700037 | 41.30 | 49.97 | |
| Manga de trinquete | ||||
| 21 | 1616490058 | 234.56 | 283.82 | |
| Engranaje Cilíndrico | ||||
| 22 | 1616320007 | 6.53 | 7.90 | |
| Ya no disponible, sin reemplazo | ||||
| 23 | 1616320002 | |||
| Eje Dentado | ||||
| 24 | 1613060010 | 55.56 | 67.23 | |
| Pistón del martillo | ||||
| 26 | 1618700052 | 11.02 | 13.33 | |
| Pasador de golpe | ||||
| 28 | 1613124026 | 2.52 | 3.05 | |
| Pasador del pistón | ||||
| 29 | 1613105012 | 3.04 | 3.68 | |
| Rodamiento de Transmisión En Dibujo Pos.830 | ||||
| 30 | 1615819005 | 30.08 | 36.40 | |
| Disco de soporte | ||||
| 31 | 1610100003 | 1.32 | 1.60 | |
| Manija de Abrazadera | ||||
| 32 | 1612026023 | 2.18 | 2.64 | |
| Tapa protectora | ||||
| 34 | 1610508008 | 1.90 | 2.30 | |
| Anillo de goma 10 MM ANCHO | ||||
| 35 | 1610206021 | 1.32 | 1.60 | |
| Casquillo de amortiguación | ||||
| 37 | 1610390011 | 3.04 | 3.68 | |
| Disco de soporte | ||||
| 38 | 1610102022 | 1.90 | 2.30 | |
| Pasador Cilíndrico | ||||
| 39 | 1613100013 | 1.90 | 2.30 | |
| MUELLE DE RETENCIÓN OSC 18 | ||||
| 40 | 1614690001 | 1.00 | 1.21 | |
| Ensamblaje de jaula de rodillos | ||||
| 41 | 1610920003 | 3.71 | 4.49 | |
| Resorte de compresión | ||||
| 44 | 1614633001 | 1.90 | 2.30 | |
| Resorte de compresión | ||||
| 45 | 1614614001 | 1.00 | 1.21 | |
| Ya no disponible, sin reemplazo | ||||
| 48 | 2604448137 | |||
| Cable Eléctrico | ||||
| 49 | 2604448005 | 1.32 | 1.60 | |
| Anillo O | ||||
| 54 | 1610210068 | 1.32 | 1.60 | |
| Anillo de sellado | ||||
| 55 | 1610206023 | 2.52 | 3.05 | |
| Anillo O | ||||
| 56 | 1610210070 | 2.18 | 2.64 | |
| Anillo O | ||||
| 58 | 1610210058 | 2.18 | 2.64 | |
| Anillo O | ||||
| 59 | 1610210069 | 1.00 | 1.21 | |
| Anillo O | ||||
| 60 | 1610210073 | 1.90 | 2.30 | |
| Sello de labio del eje rotatorio | ||||
| 61 | 1610283017 | 6.53 | 7.90 | |
| COJINETE DE MANGA | ||||
| 62 | 1610202026 | 4.58 | 5.54 | |
| RODAMIENTO DE BOLAS | ||||
| 64 | 1610900037 | 2.18 | 2.64 | |
| Ya no disponible, sin reemplazo | ||||
| 65 | 1900900228 | |||
| COJINETE | ||||
| 66 | 1610301000 | 2.18 | 2.64 | |
| Ya no disponible, sin reemplazo | ||||
| 67 | 1610910064 | |||
| Pelota | ||||
| 70 | 1903230013 | 1.90 | 2.30 | |
| Arandela de ajuste 0,4 MM DE ESPESOR | ||||
| 71 | 1610101011 | 1.32 | 1.60 | |
| Anillo de retención | ||||
| 72 | 2916540018 | 3.04 | 3.68 | |
| Anillo de retención | ||||
| 73 | 1614601009 | 1.00 | 1.21 | |
| Tornillo de placa | ||||
| 76 | 1613435009 | 1.32 | 1.60 | |
| Tornillo de placa | ||||
| 77 | 1603435051 | 1.70 | 2.06 | |
| Tornillo de placa | ||||
| 78 | 1603435050 | 1.32 | 1.60 | |
| Tornillo de placa | ||||
| 79 | 2910211005 | 1.00 | 1.21 | |
| Tornillo de cabeza cilíndrica | ||||
| 81 | 2603410001 | 1.32 | 1.60 | |
| Pelota | ||||
| 83 | 1903230309 | 1.32 | 1.60 | |
| Anillo de retención | ||||
| 87 | 160460102S | 1.00 | 1.21 | |
| Perno de bloqueo HKC 55 | ||||
| 94 | 1613120017 | 1.32 | 1.60 | |
| Filtro de interferencias TURBO II R1 ET-BG | ||||
| 102 | 2604465097 | 5.27 | 6.38 | |
| Cable de conexión | ||||
| 103 | 1614448017 | 1.90 | 2.30 | |
| Mango auxiliar M10 | ||||
| 120 | 2602025094 | 6.53 | 7.90 | |
| Abrazadera de Soporte | ||||
| 121 | 2608040176 | 5.96 | 7.21 | |
| Tornillo de cabeza de martillo M8x40 MM | ||||
| 122 | 1613490002 | 3.71 | 4.49 | |
| ANILLO DE SUJECIÓN D38X1,75 | ||||
| 123 | 1611316006 | 2.18 | 2.64 | |
| Placa del fabricante INSTRUCCIONES DE TRABAJO | ||||
| 125 | 1611110345 | 2.24 | 2.71 | |
| No hay información disponible, no se puede pedir | ||||
| 653 | 1608571062 | |||
| Llave de mandril | ||||
| 653/7 | 2607950007 | 5.96 | 7.21 | |
| Vástago de portabrocas 1/2 SDS-PLUS | ||||
| 655 | 1617000154 | 30.08 | 36.40 | |
| Campo 230V | ||||
| 802 | 2604220429 | 22.88 | 27.68 | |
| Ya no disponible, sin reemplazo | ||||
| 803 | 1614010039 | |||
| Cable de alimentación | ||||
| 805 | 1614460026 | 15.61 | 18.89 | |
| Codo final | ||||
| 806 | 1900452012 | 1.32 | 1.60 | |
| Placa de identificación | ||||
| 808 | 160111A3H5 | 2.18 | 2.64 | |
| KIT DE SERVICIO 115V | ||||
| 813 | 1617014134 | 7.32 | 8.86 | |
| Caja de engranajes NEGRO | ||||
| 816 | 1615806076 | 33.45 | 40.47 | |
| Manga de trinquete | ||||
| 821 | 1617000931 | 304.15 | 368.02 | |
| Mango auxiliar M10 | ||||
| 822 | 2602025070 | 12.21 | 14.77 | |
| Golpeador | ||||
| 827 | 1617000338 | 26.62 | 32.21 | |
| Funda Protectora | ||||
| 833 | 1617000163 | 6.53 | 7.90 | |
| RODAMIENTO DE BOLAS OSC 18 | ||||
| 863 | 1610905048 | 7.32 | 8.86 | |
| Tope de profundidad TSF 55 EBQ | ||||
| 879 | 1613001009 | 3.04 | 3.68 | |
| Bolt de Embrague | ||||
| 880 | 2603435015 | 1.90 | 2.30 | |
| Interruptor | ||||
| 890 | 2607200231 | 13.90 | 16.82 | |