Aquí encontrará todas las piezas y dibujos técnicos disponibles de 'Bosch 0603376768 ( PBH200FRE )'. Desde aquí podrá pedir todas las piezas deseadas directamente. Para muchas piezas de repuesto, es necesario pasar un pedido al fabricante. Dependiendo de la marca, el plazo de entrega puede variar entre una y cuatro semanas. Toda la información que tenemos está en nuestro sitio web. No podremos aconsejarle sobre lo que necesita hasta que entregue la máquina para su reparación. Tenga en cuenta lo siguiente a la hora de cursar su pedido:
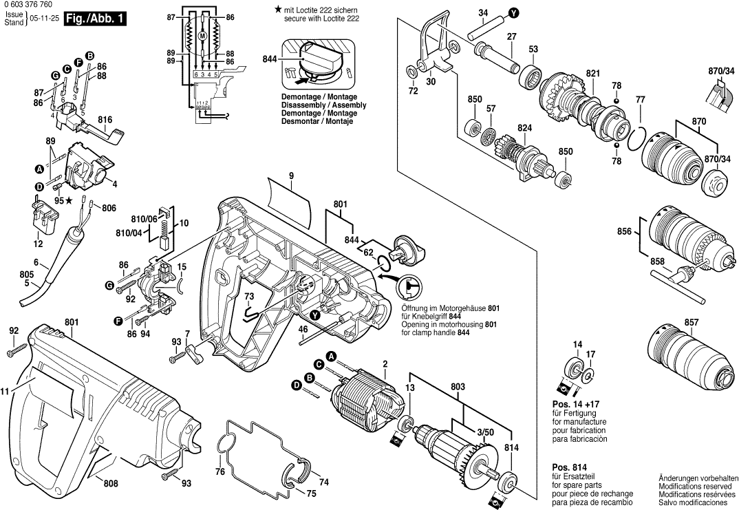
Dibujo técnico de los/las Bosch 0603376768 ( PBH200FRE )
Lista de las piezas de repuesto de Bosch 0603376768 ( PBH200FRE )
| Pos. | Descripción | Precio con el IVA excluido | Precio con el IVA incluido | |
| Los precios mostrados incluyen el IVA | ||||
| Campo 230V | ||||
| 2 | 2604220515 | 20.39 | 24.67 | |
| Ventilador Sunon PMD2412PMB1-A | ||||
| 3/50 | 2606610022 | 3.71 | 4.49 | |
| Ya no disponible, sin reemplazo | ||||
| 4 | 1607200172 | |||
| OJAL | ||||
| 6 | 2600703018 | 2.18 | 2.64 | |
| Clip de cable | ||||
| 7 | 1611035001 | 0.83 | 1.00 | |
| Placa del fabricante GBH 2000 | ||||
| 9 | 1611110X20 | 2.71 | 3.28 | |
| Ya no disponible, sin reemplazo | ||||
| 10 | 2605807060 | |||
| Placa de Referencia | ||||
| 11 | 1611110X22 | 2.71 | 3.28 | |
| Filtro de interferencias TURBO II R1 ET-BG | ||||
| 12 | 1607328040 | 5.96 | 7.21 | |
| RODAMIENTO DE BOLAS OSC 18 | ||||
| 13 | 1610905032 | 4.58 | 5.54 | |
| Parachoques de goma | ||||
| 15 | 1610026001 | 1.00 | 1.21 | |
| Golpeador | ||||
| 27 | 1618710076 | 4.70 | 5.69 | |
| Ya no disponible, sin reemplazo | ||||
| 30 | 1611911000 | |||
| Pasador de cojinete | ||||
| 34 | 1613100021 | 0.83 | 1.00 | |
| Pasador Cilíndrico | ||||
| 46 | 1613160022 | 1.00 | 1.21 | |
| Manga de aguja AGC 18 | ||||
| 53 | 1610910077 | 3.71 | 4.49 | |
| Rodamiento de rodillos de empuje NEGRO | ||||
| 57 | 1610920009 | 2.18 | 2.64 | |
| Anillo O | ||||
| 62 | 1610210125 | 1.00 | 1.21 | |
| Arandela de ajuste 0,4 MM DE ESPESOR | ||||
| 72 | 1610100007 | 1.00 | 1.21 | |
| Muelle de contacto | ||||
| 73 | 1614682004 | 1.94 | 2.35 | |
| Ya no disponible, sin reemplazo | ||||
| 74 | 1611015040 | |||
| Disco de sellado | ||||
| 75 | 1611015041 | 1.00 | 1.21 | |
| Ya no disponible, sin reemplazo | ||||
| 76 | 1611015042 | |||
| Anillo de retención | ||||
| 77 | 1614601026 | 1.32 | 1.60 | |
| Pelota | ||||
| 78 | 1903230010 | 1.00 | 1.21 | |
| Cable de conexión | ||||
| 86 | 2604448147 | 1.00 | 1.21 | |
| Cable De Conexión L=115MM AZUL | ||||
| 87 | 2604448096 | 1.18 | 1.43 | |
| Cable de conexión | ||||
| 88 | 2604448034 | 1.32 | 1.60 | |
| Ya no disponible, sin reemplazo | ||||
| 89 | 2604448060 | |||
| Tornillo de placa | ||||
| 92 | 2912401021 | 1.00 | 1.21 | |
| Tornillo de placa | ||||
| 93 | 2912401019 | 1.00 | 1.21 | |
| Tornillo Torx con cabeza ovalada 4x30 | ||||
| 94 | 2603490017 | 1.90 | 2.30 | |
| Tornillo de cabeza cilíndrica | ||||
| 95 | 2603410001 | 1.32 | 1.60 | |
| Mango auxiliar M10 | ||||
| 651 | 2602025125 | 8.48 | 10.26 | |
| Tope de profundidad TSF 55 EBQ | ||||
| 652 | 2609005615 | 3.71 | 4.49 | |
| Sección del Caso VERDE | ||||
| 801 | 1617000575 | 29.75 | 36.00 | |
| Ya no disponible, sin reemplazo | ||||
| 803 | 1614010144 | |||
| Cable de alimentación | ||||
| 805 | 3607030489 | 30.08 | 36.40 | |
| Codo final | ||||
| 806 | 1900452012 | 1.32 | 1.60 | |
| Placa de identificación | ||||
| 808 | 160111A3H5 | 2.18 | 2.64 | |
| Ya no disponible, sin reemplazo | ||||
| 810/04 | 1617014136 | |||
| Capucha de trinquete | ||||
| 810/06 | 2601322017 | 1.32 | 1.60 | |
| RODAMIENTO DE BOLAS OSC 18 | ||||
| 814 | 1610905048 | 7.32 | 8.86 | |
| Interruptor | ||||
| 816 | 2607200231 | 13.90 | 16.82 | |
| Tubo del martillo | ||||
| 821 | 1617000388 | 81.47 | 98.58 | |
| Eje intermedio | ||||
| 824 | 1617000301 | 40.61 | 49.14 | |
| Ya no disponible, sin reemplazo | ||||
| 844 | 1617000576 | |||
| COJINETE | ||||
| 850 | 1617000975 | 5.27 | 6.38 | |
| Mandril con llave | ||||
| 856 | 1618571029 | 67.98 | 82.26 | |
| Mandril sin llave | ||||
| 857 | 1617000332 | 102.63 | 124.18 | |
| Llave de mandril | ||||
| 858 | 2607950007 | 5.96 | 7.21 | |
| Ya no disponible, sin reemplazo | ||||
| 870 | 1617000327 | |||
| Tapa protectora | ||||
| 870/34 | 1610508047 | 1.90 | 2.30 | |