Aquí encontrará todas las piezas y dibujos técnicos disponibles de 'Bosch 0603326708 ( PBH240RE )'. Desde aquí podrá pedir todas las piezas deseadas directamente. Para muchas piezas de repuesto, es necesario pasar un pedido al fabricante. Dependiendo de la marca, el plazo de entrega puede variar entre una y cuatro semanas. Toda la información que tenemos está en nuestro sitio web. No podremos aconsejarle sobre lo que necesita hasta que entregue la máquina para su reparación. Tenga en cuenta lo siguiente a la hora de cursar su pedido:
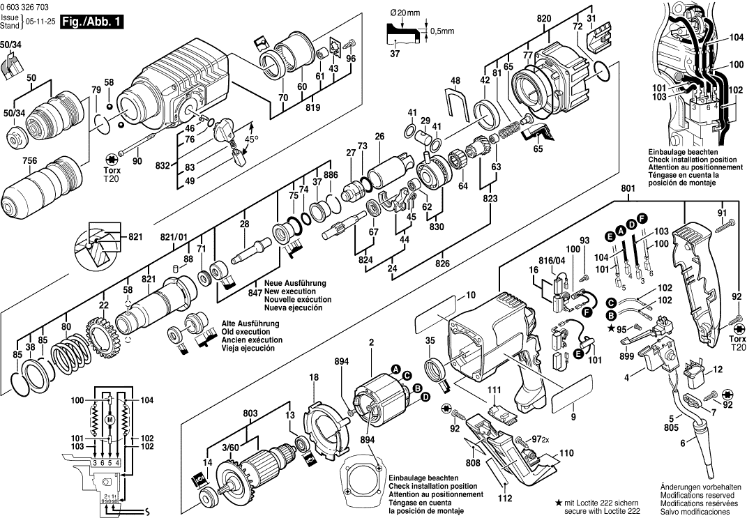
Dibujo técnico de los/las Bosch 0603326708 ( PBH240RE )
Lista de las piezas de repuesto de Bosch 0603326708 ( PBH240RE )
| Pos. | Descripción | Precio con el IVA excluido | Precio con el IVA incluido | |
| Los precios mostrados incluyen el IVA | ||||
| Campo 230V | ||||
| 2 | 1614220115 | 17.60 | 21.30 | |
| Ventilador Sunon PMD2412PMB1-A | ||||
| 3/60 | 1616610072 | 1.90 | 2.30 | |
| Ya no disponible, sin reemplazo | ||||
| 4 | 2607200209 | |||
| OJAL | ||||
| 6 | 2600703018 | 2.18 | 2.64 | |
| Clip de cable | ||||
| 7 | 1611035005 | 1.90 | 2.30 | |
| Placa del fabricante GBH 2000 | ||||
| 9 | 1611110932 | 2.71 | 3.28 | |
| Placa de Referencia | ||||
| 10 | 1611110933 | 2.71 | 3.28 | |
| Filtro de interferencias TURBO II R1 ET-BG | ||||
| 12 | 1617328026 | 6.53 | 7.90 | |
| RODAMIENTO DE BOLAS OSC 18 | ||||
| 13 | 1610905025 | 5.96 | 7.21 | |
| RODAMIENTO DE BOLAS OSC 18 | ||||
| 14 | 1610905048 | 7.32 | 8.86 | |
| PORTACEPILLO | ||||
| 16 | 1617000343 | 9.47 | 11.46 | |
| Ya no disponible, sin reemplazo | ||||
| 18 | 1610522009 | |||
| Engranaje Cilíndrico | ||||
| 22 | 1616317602 | 10.68 | 12.92 | |
| Eje Dentado | ||||
| 24 | 1617000518 | 36.85 | 44.59 | |
| Ya no disponible, sin reemplazo | ||||
| 26 | 1618700062 | |||
| Golpeador | ||||
| 27 | 1618710057 | 13.90 | 16.82 | |
| Pasador de golpe | ||||
| 28 | 1613124052 | 9.47 | 11.46 | |
| Pasador del pistón | ||||
| 29 | 1613105012 | 3.04 | 3.68 | |
| Parrilla de Protección | ||||
| 31 | 1615510003 | 2.18 | 2.64 | |
| Anillo de goma 10 MM ANCHO | ||||
| 35 | 1610206021 | 1.32 | 1.60 | |
| Casquillo de amortiguación | ||||
| 37 | 1610390017 | 4.58 | 5.54 | |
| Ya no disponible, sin reemplazo | ||||
| 38 | 1610102026 | |||
| Arandela de ajuste 0,4 MM DE ESPESOR | ||||
| 41 | 1610101011 | 1.32 | 1.60 | |
| COJINETE DE MANGA | ||||
| 42 | 1610202015 | 2.52 | 3.05 | |
| Arandela De Pestaña | ||||
| 43 | 1611098005 | 2.52 | 3.05 | |
| Elemento de conmutación | ||||
| 44 | 1615820092 | 2.18 | 2.64 | |
| Resorte del interruptor | ||||
| 45 | 1614651014 | 1.32 | 1.60 | |
| Pasador de conducción | ||||
| 46 | 1614690002 | 1.32 | 1.60 | |
| PLACA DE MONTAJE | ||||
| 48 | 1611016003 | 1.90 | 2.30 | |
| Botón de interruptor | ||||
| 49 | 1612026035 | 1.32 | 1.60 | |
| Mandril de Cambio Rápido | ||||
| 50 | 1617000352 | 60.65 | 73.39 | |
| Tapa protectora | ||||
| 50/34 | 1610508047 | 1.90 | 2.30 | |
| Pelota | ||||
| 58 | 1903230010 | 1.00 | 1.21 | |
| RODAMIENTO DE AGUJAS | ||||
| 60 | 1610910073 | 9.47 | 11.46 | |
| Manga de aguja AGC 18 | ||||
| 61 | 1610910098 | 3.04 | 3.68 | |
| Manga de aguja AGC 18 | ||||
| 62 | 1610910074 | 3.04 | 3.68 | |
| Ya no disponible, sin reemplazo | ||||
| 63 | 1610910064 | |||
| Ensamble de rodillos de aguja | ||||
| 64 | 1610913010 | 3.71 | 4.49 | |
| COJINETE DE MANGA | ||||
| 65 | 1610591016 | 2.52 | 3.05 | |
| RODAMIENTO DE BOLAS OSC 18 | ||||
| 67 | 1610905016 | 8.48 | 10.26 | |
| Anillo de sello del eje | ||||
| 70 | 1610283019 | 6.53 | 7.90 | |
| Rascador | ||||
| 71 | 1610290029 | 3.04 | 3.68 | |
| Anillo O | ||||
| 72 | 1610210068 | 1.32 | 1.60 | |
| Anillo O | ||||
| 73 | 1610210187 | 1.90 | 2.30 | |
| Anillo O | ||||
| 74 | 1610210104 | 2.18 | 2.64 | |
| Anillo O | ||||
| 75 | 1610210105 | 3.71 | 4.49 | |
| Anillo O | ||||
| 76 | 1610210046 | 1.90 | 2.30 | |
| Anillo O | ||||
| 77 | 1610210106 | 2.18 | 2.64 | |
| Anillo de retención | ||||
| 79 | 1614601026 | 1.32 | 1.60 | |
| Resorte de compresión | ||||
| 80 | 1614634005 | 1.32 | 1.60 | |
| Resorte de compresión | ||||
| 81 | 1614611009 | 1.32 | 1.60 | |
| Resorte de compresión | ||||
| 83 | 1614611006 | 3.04 | 3.68 | |
| Anillo de retención | ||||
| 85 | 1614601011 | 1.32 | 1.60 | |
| RODILLO | ||||
| 88 | 1613200007 | 1.32 | 1.60 | |
| Tornillo de placa | ||||
| 90 | 1603435036 | 1.32 | 1.60 | |
| Tornillo de engrase AW 10 3x25 | ||||
| 91 | 2603490026 | 1.00 | 1.21 | |
| Tornillo Torx con cabeza ovalada 4x30 | ||||
| 92 | 2603490023 | 1.00 | 1.21 | |
| Tornillo de placa | ||||
| 93 | 2910211005 | 1.00 | 1.21 | |
| Tornillo de cabeza cilíndrica | ||||
| 95 | 2603410001 | 1.32 | 1.60 | |
| Tornillo de placa | ||||
| 96 | 2912401018 | 1.00 | 1.21 | |
| Tornillo Torx con cabeza ovalada 4x30 | ||||
| 97 | 2603490021 | 1.00 | 1.21 | |
| Filtro de interferencias TURBO II R1 ET-BG | ||||
| 100 | 2604465086 | 5.27 | 6.38 | |
| Filtro de interferencias TURBO II R1 ET-BG | ||||
| 101 | 2604465097 | 5.27 | 6.38 | |
| Cable Eléctrico | ||||
| 102 | 2604448005 | 1.32 | 1.60 | |
| Cable de conexión | ||||
| 103 | 1614448017 | 1.90 | 2.30 | |
| Ya no disponible, sin reemplazo | ||||
| 104 | 2604448137 | |||
| Manija TSC 55 | ||||
| 110 | 1615132067 | 2.24 | 2.71 | |
| Soporte de abrazadera | ||||
| 111 | 1618040070 | 1.70 | 2.06 | |
| Placa de Referencia | ||||
| 112 | 1601118B75 | 1.00 | 1.21 | |
| Tuerca hexagonal | ||||
| 120/20 | 2915011007 | 1.00 | 1.21 | |
| Tornillo de mariposa | ||||
| 120/30 | 1613480007 | 1.32 | 1.60 | |
| Ya no disponible, sin reemplazo | ||||
| 120/50 | 2608040014 | |||
| Tornillo de mariposa | ||||
| 120/60 | 1613480008 | 1.32 | 1.60 | |
| Mango auxiliar M10 | ||||
| 720 | 1619PB4323 | 8.48 | 10.26 | |
| Ya no disponible, sin reemplazo | ||||
| 724 | 1613001005 | |||
| Ya no disponible, sin reemplazo | ||||
| 754 | 2607000122 | |||
| Mandril sin llave | ||||
| 756 | 1617000332 | 102.63 | 124.18 | |
| Ya no disponible, sin reemplazo | ||||
| 791 | 2605438301 | |||
| Ya no disponible, sin reemplazo | ||||
| 801 | 1617000498 | |||
| Armazón | ||||
| 803 | 1614010703 | 55.56 | 67.23 | |
| Cable de alimentación | ||||
| 805 | 1614460026 | 15.61 | 18.89 | |
| Placa de identificación | ||||
| 808 | 160111A3H5 | 2.18 | 2.64 | |
| KIT DE SERVICIO 115V | ||||
| 816/04 | 1617014134 | 7.32 | 8.86 | |
| Caja de engranajes VERDE | ||||
| 819 | 1615806131 | 18.19 | 22.01 | |
| Brida Intermedia | ||||
| 820 | 1617000981 | 26.62 | 32.21 | |
| CASQUILLO | ||||
| 821 | 1617000325 | 41.30 | 49.97 | |
| CASQUILLO | ||||
| 821/01 | 1617000326 | 60.65 | 73.39 | |
| Manga de engranaje | ||||
| 823 | 1616328042 | 36.85 | 44.59 | |
| Eje Dentado | ||||
| 826 | 1617000517 | 73.72 | 89.20 | |
| Rodamiento de Transmisión En Dibujo Pos.830 | ||||
| 830 | 1615819018 | 55.25 | 66.85 | |
| Manija de Abrazadera | ||||
| 832 | 1612026037 | 8.48 | 10.26 | |
| Anillo de guía | ||||
| 847 | 1617000348 | 12.21 | 14.77 | |
| Anillo de retención | ||||
| 886 | 1614601024 | 1.32 | 1.60 | |
| Bolt de Embrague | ||||
| 894 | 2603435015 | 1.90 | 2.30 | |
| Interruptor | ||||
| 899 | 2607200231 | 13.90 | 16.82 | |