Aquí encontrará todas las piezas y dibujos técnicos disponibles de 'Bosch 0603309708 ( PEX11AE )'. Desde aquí podrá pedir todas las piezas deseadas directamente. Para muchas piezas de repuesto, es necesario pasar un pedido al fabricante. Dependiendo de la marca, el plazo de entrega puede variar entre una y cuatro semanas. Toda la información que tenemos está en nuestro sitio web. No podremos aconsejarle sobre lo que necesita hasta que entregue la máquina para su reparación. Tenga en cuenta lo siguiente a la hora de cursar su pedido:
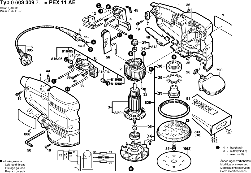
Dibujo técnico de los/las Bosch 0603309708 ( PEX11AE )
Lista de las piezas de repuesto de Bosch 0603309708 ( PEX11AE )
| Pos. | Descripción | Precio con el IVA excluido | Precio con el IVA incluido | |
| Los precios mostrados incluyen el IVA | ||||
| Ya no disponible, sin reemplazo | ||||
| 1 | 2605104419 | |||
| Campo 230V | ||||
| 2 | 2604220538 | 15.71 | 19.01 | |
| Ya no disponible, sin reemplazo | ||||
| 3 | 2604011018 | |||
| Ventilador Sunon PMD2412PMB1-A | ||||
| 3/50 | 2606610079 | 3.31 | 4.01 | |
| Interruptor | ||||
| 4 | 2607200260 | 9.47 | 11.46 | |
| OJAL | ||||
| 6 | 2600703017 | 2.18 | 2.64 | |
| Clip de cable | ||||
| 7 | 2601035001 | 1.32 | 1.60 | |
| Placa del fabricante LADO SOL | ||||
| 9 | 2601118414 | 1.94 | 2.35 | |
| Ya no disponible, sin reemplazo | ||||
| 12 | 1607328028 | |||
| Placa del cepillo | ||||
| 16 | 2604337118 | 22.88 | 27.68 | |
| Tornillo de cabeza cilíndrica | ||||
| 18 | 2603410001 | 1.32 | 1.60 | |
| Tornillo Torx con cabeza ovalada 4x30 | ||||
| 19 | 2603490022 | 1.00 | 1.21 | |
| Tuerca cuadrada | ||||
| 28 | 2915121006 | 2.18 | 2.64 | |
| Muelle de contacto | ||||
| 32 | 2601329057 | 2.18 | 2.64 | |
| Ya no disponible, sin reemplazo | ||||
| 35 | 2910975197 | |||
| Parachoques de goma | ||||
| 36 | 1603100036 | 1.32 | 1.60 | |
| Cable de conexión | ||||
| 38 | 2604448109 | 1.00 | 1.21 | |
| Cable Eléctrico | ||||
| 39 | 1614431010 | 3.04 | 3.68 | |
| Tornillo Torx con cabeza ovalada 4x30 | ||||
| 43 | 2603490023 | 1.00 | 1.21 | |
| Tira de Sello | ||||
| 44 | 2602380003 | 1.18 | 1.43 | |
| Ya no disponible, sin reemplazo | ||||
| 45 | 2601022000 | |||
| Empujador | ||||
| 48 | 2608005043 | 1.00 | 1.21 | |
| Destornillador Desplazado | ||||
| 50 | 1907950006 | 3.71 | 4.49 | |
| Llave hexagonal de casquillo | ||||
| 50 | 2610364015 | 3.04 | 3.68 | |
| Anillo de fricción | ||||
| 51 | 2600206011 | 3.31 | 4.01 | |
| Actuador RPM 230V | ||||
| 56 | 2607233021 | 20.42 | 24.71 | |
| No hay información disponible, no se puede pedir | ||||
| 733 | 2608601066 | |||
| No hay información disponible, no se puede pedir | ||||
| 754 | 2605411096 | |||
| Ya no disponible, sin reemplazo | ||||
| 790 | 2602026057 | |||
| Cable de alimentación | ||||
| 805 | 1607000388 | 10.68 | 12.92 | |
| Placa de tipo HK 85 EB 230V | ||||
| 808 | 2601117246 | 2.71 | 3.28 | |
| Ya no disponible, sin reemplazo | ||||
| 813 | 2605805005 | |||
| Ya no disponible, sin reemplazo | ||||
| 816/04 | 2604321917 | |||
| Resorte de compresión | ||||
| 816/05 | 2604610026 | 2.18 | 2.64 | |
| Capucha de trinquete | ||||
| 816/06 | 2601322013 | 1.32 | 1.60 | |
| Capucha de trinquete | ||||
| 816/06 | 2601329051 | 1.32 | 1.60 | |
| Ya no disponible, sin reemplazo | ||||
| 826 | 2606610900 | |||