Aquí encontrará todas las piezas y dibujos técnicos disponibles de 'Bosch 0603283203 ( PEX125A-1 )'. Desde aquí podrá pedir todas las piezas deseadas directamente. Para muchas piezas de repuesto, es necesario pasar un pedido al fabricante. Dependiendo de la marca, el plazo de entrega puede variar entre una y cuatro semanas. Toda la información que tenemos está en nuestro sitio web. No podremos aconsejarle sobre lo que necesita hasta que entregue la máquina para su reparación. Tenga en cuenta lo siguiente a la hora de cursar su pedido:
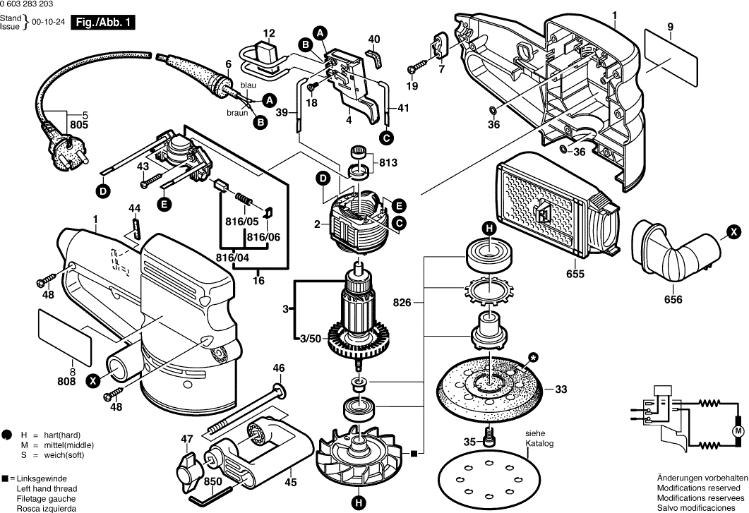
Dibujo técnico de los/las Bosch 0603283203 ( PEX125A-1 )
Lista de las piezas de repuesto de Bosch 0603283203 ( PEX125A-1 )
| Pos. | Descripción | Precio con el IVA excluido | Precio con el IVA incluido | |
| Los precios mostrados incluyen el IVA | ||||
| Sección del Caso VERDE | ||||
| 1 | 2605104288 | 15.71 | 19.01 | |
| Campo 230V | ||||
| 2 | 2604220538 | 15.71 | 19.01 | |
| Ya no disponible, sin reemplazo | ||||
| 3 | 2604011018 | |||
| Ventilador Sunon PMD2412PMB1-A | ||||
| 3/50 | 2606610079 | 3.31 | 4.01 | |
| Interruptor | ||||
| 4 | 2607200260 | 9.47 | 11.46 | |
| Ya no disponible, sin reemplazo | ||||
| 6 | 2600703007 | |||
| Clip de cable | ||||
| 7 | 2601035004 | 1.90 | 2.30 | |
| Placa del fabricante GBH 2000 | ||||
| 9 | 2601119195 | 2.71 | 3.28 | |
| Ya no disponible, sin reemplazo | ||||
| 12 | 1607328028 | |||
| Ya no disponible, sin reemplazo | ||||
| 16 | 2604337118 | |||
| Tornillo de cabeza cilíndrica | ||||
| 18 | 2603410001 | 1.32 | 1.60 | |
| Tornillo Torx con cabeza ovalada 4x30 | ||||
| 19 | 2603490021 | 1.00 | 1.21 | |
| Almohadilla de Respaldo | ||||
| 33 | 2608601902 | 22.88 | 27.68 | |
| Ya no disponible, sin reemplazo | ||||
| 35 | 2910975197 | |||
| Ya no disponible, sin reemplazo | ||||
| 36 | 2600210036 | |||
| Cable de conexión L=154 MM BLANCO | ||||
| 39 | 2604448000 | 1.18 | 1.43 | |
| Ya no disponible, sin reemplazo | ||||
| 40 | 2601022000 | |||
| Cable Eléctrico | ||||
| 41 | 1614431010 | 3.04 | 3.68 | |
| Tornillo Torx con cabeza ovalada 4x30 | ||||
| 43 | 2603490023 | 1.00 | 1.21 | |
| Tira de Sello | ||||
| 44 | 2602380003 | 1.18 | 1.43 | |
| Ya no disponible, sin reemplazo | ||||
| 45 | 2602025058 | |||
| Tornillo de cabeza plana | ||||
| 46 | 2910285226 | 1.32 | 1.60 | |
| Tuerca hexagonal | ||||
| 47 | 2610387875 | 2.18 | 2.64 | |
| Tornillo Torx con cabeza ovalada 4x30 | ||||
| 48 | 2603490022 | 1.00 | 1.21 | |
| Ya no disponible, sin reemplazo | ||||
| 655 | 2605411121 | |||
| Acoplamiento | ||||
| 656 | 2605702038 | 4.58 | 5.54 | |
| Cable de alimentación | ||||
| 805 | 1607000388 | 10.68 | 12.92 | |
| Placa de identificación | ||||
| 808 | 2601119191 | 2.71 | 3.28 | |
| Ya no disponible, sin reemplazo | ||||
| 813 | 2605805005 | |||
| KIT DE SERVICIO 115V | ||||
| 816/04 | 2604321905 | 9.47 | 11.46 | |
| Resorte de compresión | ||||
| 816/05 | 2604610026 | 2.18 | 2.64 | |
| Capucha de trinquete | ||||
| 816/06 | 2601322013 | 1.32 | 1.60 | |
| Ya no disponible, sin reemplazo | ||||
| 826 | 2606610902 | |||
| Destornillador Desplazado | ||||
| 850 | 2607950004 | 1.32 | 1.60 | |