Aquí encontrará todas las piezas y dibujos técnicos disponibles de 'Bosch 0603363003 ( PFZ600 )'. Desde aquí podrá pedir todas las piezas deseadas directamente. Para muchas piezas de repuesto, es necesario pasar un pedido al fabricante. Dependiendo de la marca, el plazo de entrega puede variar entre una y cuatro semanas. Toda la información que tenemos está en nuestro sitio web. No podremos aconsejarle sobre lo que necesita hasta que entregue la máquina para su reparación. Tenga en cuenta lo siguiente a la hora de cursar su pedido:
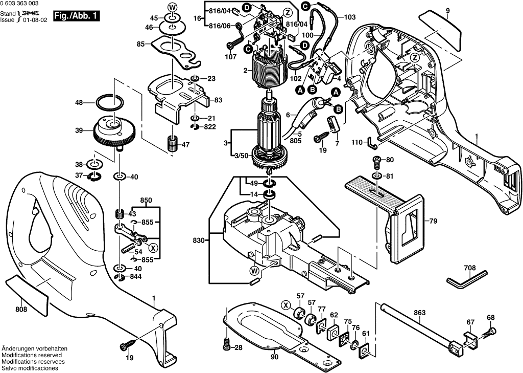
Dibujo técnico de los/las Bosch 0603363003 ( PFZ600 )
Lista de las piezas de repuesto de Bosch 0603363003 ( PFZ600 )
| Pos. | Descripción | Precio con el IVA excluido | Precio con el IVA incluido | |
| Los precios mostrados incluyen el IVA | ||||
| Sección del Caso VERDE | ||||
| 1 | 2605104604 | 23.75 | 28.74 | |
| Campo 230V | ||||
| 2 | 2604220647 | 17.60 | 21.30 | |
| Armazón 230-240V | ||||
| 3 | 2604011219 | 49.56 | 59.97 | |
| Ventilador Sunon PMD2412PMB1-A | ||||
| 3/50 | 2606610093 | 2.52 | 3.05 | |
| Interruptor | ||||
| 4 | 2607200532 | 11.88 | 14.37 | |
| OJAL | ||||
| 6 | 2600703017 | 2.18 | 2.64 | |
| Clip de cable | ||||
| 7 | 2601035001 | 1.32 | 1.60 | |
| Pegatina | ||||
| 9 | 2601119608 | 2.71 | 3.28 | |
| RODAMIENTO DE BOLAS OSC 18 | ||||
| 14 | 2600905095 | 10.68 | 12.92 | |
| Placa del cepillo | ||||
| 16 | 2605807082 | 26.62 | 32.21 | |
| Tornillo Torx con cabeza ovalada 4x30 | ||||
| 19 | 2603490022 | 1.00 | 1.21 | |
| Arandela de compensación | ||||
| 21 | 2600100103 | 0.83 | 1.00 | |
| Arandela de compensación | ||||
| 23 | 2600100525 | 1.00 | 1.21 | |
| Tornillo para roscar M6x25 MM | ||||
| 28 | 2603410049 | 1.32 | 1.60 | |
| Anillo de bloqueo | ||||
| 37 | 2916650903 | 1.32 | 1.60 | |
| Arandela de compensación | ||||
| 38 | 2600105001 | 1.00 | 1.21 | |
| Rueda dentada excéntrica | ||||
| 39 | 2606320062 | 33.45 | 40.47 | |
| Arandela De Compensación 0,5 MM | ||||
| 40 | 2600100623 | 1.18 | 1.43 | |
| Manga de aguja AGC 18 | ||||
| 43 | 1610910057 | 2.52 | 3.05 | |
| Arandela de ajuste 0,4 MM DE ESPESOR | ||||
| 45 | 2600105109 | 2.24 | 2.71 | |
| Arandela de compensación | ||||
| 46 | 2600105013 | 1.70 | 2.06 | |
| Ensamble de rodillos de aguja | ||||
| 47 | 2600913008 | 5.96 | 7.21 | |
| Arandela de compensación | ||||
| 48 | 2600105004 | 1.70 | 2.06 | |
| Anillo de bloqueo | ||||
| 49 | 2916660008 | 1.90 | 2.30 | |
| Pasador De Pivote | ||||
| 54 | 2603105065 | 1.32 | 1.60 | |
| Casquillo de Metal Sinterizado | ||||
| 57 | 2600302022 | 2.18 | 2.64 | |
| Disco de sellado | ||||
| 61 | 2601334011 | 1.00 | 1.21 | |
| Disco de fieltro | ||||
| 62 | 2600108078 | 1.00 | 1.21 | |
| Ya no disponible, sin reemplazo | ||||
| 67 | 2601321012 | |||
| Tornillo de cabeza hexagonal | ||||
| 68 | 2910405154 | 1.00 | 1.21 | |
| Junta de goma | ||||
| 75 | 2601015082 | 1.32 | 1.60 | |
| Rascador | ||||
| 76 | 2600101038 | 1.00 | 1.21 | |
| PLACA DE SOPORTE | ||||
| 77 | 2601334012 | 1.00 | 1.21 | |
| Ya no disponible, sin reemplazo | ||||
| 79 | 2608000239 | |||
| Tornillo de engrase AW 10 3x25 | ||||
| 80 | 2603414007 | 1.00 | 1.21 | |
| Arandela plana | ||||
| 81 | 3600100002 | 1.00 | 1.21 | |
| Contrapeso | ||||
| 83 | 2608012009 | 8.48 | 10.26 | |
| Palanca de horquilla | ||||
| 85 | 2601923011 | 4.58 | 5.54 | |
| Cubierta del engranaje | ||||
| 90 | 2605500142 | 3.04 | 3.68 | |
| Conductor de tierra | ||||
| 100 | 2604448217 | 2.18 | 2.64 | |
| Cable De Conexión L=220 MM BLANCO | ||||
| 102 | 2604448127 | 0.83 | 1.00 | |
| Cable de conexión | ||||
| 103 | 2604448220 | 1.94 | 2.35 | |
| Tornillo Torx con cabeza ovalada 4x30 | ||||
| 107 | 2603490024 | 1.32 | 1.60 | |
| Muelle de contacto | ||||
| 110 | 2601329057 | 2.18 | 2.64 | |
| Destornillador Desplazado | ||||
| 708 | 2607950004 | 1.32 | 1.60 | |
| Cable de alimentación | ||||
| 805 | 1607000388 | 10.68 | 12.92 | |
| Placa de tipo HK 85 EB 230V | ||||
| 808 | 2601117030 | 2.71 | 3.28 | |
| Ya no disponible, sin reemplazo | ||||
| 816/04 | 2604320914 | |||
| Muelle en espiral AGC 18 | ||||
| 816/06 | 1604652013 | 1.32 | 1.60 | |
| Anillo de bloqueo | ||||
| 822 | 2916080909 | 1.00 | 1.21 | |
| Caja de engranajes | ||||
| 830 | 2605806897 | 49.56 | 59.97 | |
| Anillo de bloqueo | ||||
| 844 | 2916080910 | 1.90 | 2.30 | |
| VARILLA CONICA | ||||
| 850 | 2602130903 | 20.42 | 24.71 | |
| Anillo de bloqueo | ||||
| 855 | 2916080007 | 2.18 | 2.64 | |
| Ya no disponible, sin reemplazo | ||||
| 863 | 2600780910 | |||