Aquí encontrará todas las piezas y dibujos técnicos disponibles de 'Bosch 0603220103 ( PKE30 )'. Desde aquí podrá pedir todas las piezas deseadas directamente. Para muchas piezas de repuesto, es necesario pasar un pedido al fabricante. Dependiendo de la marca, el plazo de entrega puede variar entre una y cuatro semanas. Toda la información que tenemos está en nuestro sitio web. No podremos aconsejarle sobre lo que necesita hasta que entregue la máquina para su reparación. Tenga en cuenta lo siguiente a la hora de cursar su pedido:
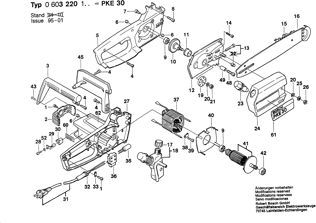
Dibujo técnico de los/las Bosch 0603220103 ( PKE30 )
Lista de las piezas de repuesto de Bosch 0603220103 ( PKE30 )
| Pos. | Descripción | Precio con el IVA excluido | Precio con el IVA incluido | |
| Los precios mostrados incluyen el IVA | ||||
| Tornillo de cabeza cilíndrica | ||||
| 1 | 1609390251 | 0.83 | 1.00 | |
| Cubierta de la carcasa VERDE | ||||
| 2 | 1609390308 | 4.70 | 5.69 | |
| Ya no disponible, sin reemplazo | ||||
| 3 | 1609390253 | |||
| Tornillo de cabeza cilíndrica | ||||
| 4 | 1609390254 | 0.83 | 1.00 | |
| Mitad De La Carcasa | ||||
| 5 | 1609390255 | 0.83 | 1.00 | |
| Parachoques de goma | ||||
| 6 | 1609390256 | 1.70 | 2.06 | |
| Tornillo de cabeza cilíndrica | ||||
| 7 | 1609390257 | 0.83 | 1.00 | |
| Tornillo de cabeza cilíndrica | ||||
| 8 | 1609390258 | 0.83 | 1.00 | |
| RODAMIENTO DE BOLAS OSC 18 | ||||
| 9 | 1900905018 | 15.61 | 18.89 | |
| Eje con engranaje | ||||
| 10 | 1609390259 | 49.56 | 59.97 | |
| COJINETE | ||||
| 11 | 1609390260 | 0.83 | 1.00 | |
| Caja de engranajes | ||||
| 12 | 1609390261 | 0.83 | 1.00 | |
| Ya no disponible, sin reemplazo | ||||
| 13 | 1609390289 | |||
| Tornillo de cabeza cilíndrica Ø 4x25 MM | ||||
| 14 | 1609390262 | 0.83 | 1.00 | |
| Ya no disponible, sin reemplazo | ||||
| 15 | 1609390238 | |||
| Ya no disponible, sin reemplazo | ||||
| 16 | 1609390239 | |||
| Ya no disponible, sin reemplazo | ||||
| 17 | 1609390265 | |||
| Depósito de aceite | ||||
| 18 | 1609390266 | 0.83 | 1.00 | |
| Ya no disponible, sin reemplazo | ||||
| 19 | 1609390267 | |||
| Arandela plana | ||||
| 20 | 2916011016 | 1.00 | 1.21 | |
| Tuerca hexagonal M8 ROSCAS A LA IZQUIERDA | ||||
| 21 | 1609390268 | 1.18 | 1.43 | |
| Ya no disponible, sin reemplazo | ||||
| 23 | 1609390240 | |||
| Ya no disponible, sin reemplazo | ||||
| 24 | 1609390271 | |||
| Arandela de resorte | ||||
| 25 | 2916690007 | 1.00 | 1.21 | |
| Tuerca hexagonal | ||||
| 26 | 2915011009 | 2.18 | 2.64 | |
| Ya no disponible, sin reemplazo | ||||
| 27 | 1609390310 | |||
| Tornillo de cabeza ovalada DIN 7985-M3x6-4.8 | ||||
| 28 | 2910641048 | 1.18 | 1.43 | |
| No hay información disponible, no se puede pedir | ||||
| 29 | 1609390312 | |||
| PORTACEPILLO | ||||
| 30 | 1609390307 | 5.33 | 6.45 | |
| Cable de alimentación | ||||
| 31 | 1604460242 | 7.32 | 8.86 | |
| OJAL | ||||
| 32 | 1609390270 | 1.70 | 2.06 | |
| Abrazadera de sujeción | ||||
| 33 | 1609390273 | 0.83 | 1.00 | |
| Filtro de interferencias TURBO II R1 ET-BG | ||||
| 35 | 1609390274 | 6.54 | 7.91 | |
| Ya no disponible, sin reemplazo | ||||
| 36 | 1609390275 | |||
| Ya no disponible, sin reemplazo | ||||
| 37 | 1609390276 | |||
| Ya no disponible, sin reemplazo | ||||
| 38 | 1609390277 | |||
| Ya no disponible, sin reemplazo | ||||
| 39 | 1609390278 | |||
| Ya no disponible, sin reemplazo | ||||
| 40 | 1609390279 | |||
| Armazón 220V | ||||
| 41 | 1609390309 | 101.94 | 123.35 | |
| RODAMIENTO DE BOLAS OSC 18 | ||||
| 42 | 1900905127 | 26.62 | 32.21 | |
| Tornillo de Cabeza Avellanada M 3x10 DIN 963-5.8 | ||||
| 43 | 2910771052 | 0.83 | 1.00 | |
| Ya no disponible, sin reemplazo | ||||
| 45 | 1609390282 | |||
| Ya no disponible, sin reemplazo | ||||
| 48 | 1609390283 | |||
| Ya no disponible, sin reemplazo | ||||
| 49 | 1609390284 | |||
| Arandela de bloqueo de resorte B 3 DIN 127 | ||||
| 52 | 2916680003 | 0.83 | 1.00 | |
| Placa de identificación | ||||
| 60 | 160111A3H3 | 2.18 | 2.64 | |
| Pegatina | ||||
| 61 | 1601110173 | 0.83 | 1.00 | |
| Placa de Referencia | ||||
| 62 | 1601110170 | 0.83 | 1.00 | |
| No hay información disponible, no se puede pedir | ||||
| 650 | 1609390449 | |||
| No hay información disponible, no se puede pedir | ||||
| 651 | 1907950507 | |||
| No hay información disponible, no se puede pedir | ||||
| 652 | 1907959050 | |||
| Ya no disponible, sin reemplazo | ||||
| 716 | 1609390239 | |||
| No hay información disponible, no se puede pedir | ||||
| 829 | 1609390312 | |||
| Cable de alimentación | ||||
| 835 | 1607000228 | 22.88 | 27.68 | |
| Placa de identificación | ||||
| 888 | 160111A3H3 | 2.18 | 2.64 | |